(TXT) View Source
       
       # PHILIPS CONSUMER ELECTRONICS, CO.
       
          P2230 CE
       
          Processor         80286                                        
          Processor Speed   8/12MHz                                      
          Chip Set          Unidentified                                 
          Max. Onboard DRAM 4MB                                          
          Cache             None                                         
          BIOS              Unidentified                                 
          Dimensions        254mm x 218mm                                
          I/O Options       None                                         
          NPU Options       80287                                        
       
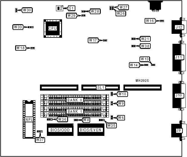
 (IMG) IMG 1
          
       
          +------------------------------------------------------------+
          |                        CONNECTIONS                         |
          |------------------------------------------------------------|
          | Purpose            | Location | Purpose         | Location |
          |--------------------+----------+-----------------+----------|
          | Serial port 1      |    J9    | VGA port        |   J12    |
          |--------------------+----------+-----------------+----------|
          | Serial port 2      |   J10    | Riser Card      |   SL1    |
          |--------------------+----------+-----------------+----------|
          | Parallel port      |   J11    |                 |          |
          +------------------------------------------------------------+
       
          +------------------------------------------------------------+
          |                 USER CONFIGURABLE SETTINGS                 |
          |------------------------------------------------------------|
          |               Function               | Jumper |  Position  |
          |--------------------------------------+--------+------------|
          | » | SIMM size select 256K x 9        |   W6   |    Open    |
          |---+----------------------------------+--------+------------|
          |   | SIMM size select 1M x 9          |   W6   |   Closed   |
          |---+----------------------------------+--------+------------|
          | » | BIOS type select 27256           |   W8   |   Closed   |
          |---+----------------------------------+--------+------------|
          |   | BIOS type select 27128           |   W8   |    Open    |
          |---+----------------------------------+--------+------------|
          | » | RAM split select 384K above 1MB  |   W9   |    Open    |
          |   | for EMS or extended              |        |            |
          |---+----------------------------------+--------+------------|
          |   | RAM split select 384K below 1MB  |   W9   |   Closed   |
          |   | for EMS or extended              |        |            |
          |---+----------------------------------+--------+------------|
          | » | Burn in mode not active          |  W26   |    Open    |
          |---+----------------------------------+--------+------------|
          |   | Burn in mode active              |  W26   |   Closed   |
          |---+----------------------------------+--------+------------|
          | » | Manufacturing mode not active    |  W27   |    Open    |
          |---+----------------------------------+--------+------------|
          |   | Manufacturing mode active        |  W27   |   Closed   |
          |---+----------------------------------+--------+------------|
          | » | Floppy drive interface enabled   |  W28   |    Open    |
          |---+----------------------------------+--------+------------|
          |   | Floppy drive interface disabled  |  W28   |   Closed   |
          |---+----------------------------------+--------+------------|
          | » | Video type select normal         |  W29   |    Open    |
          |---+----------------------------------+--------+------------|
          |   | Video type select slow           |  W29   |   Closed   |
          |---+----------------------------------+--------+------------|
          | » | Speaker volume select low        |  W30   |   Closed   |
          |---+----------------------------------+--------+------------|
          |   | Speaker volume select high       |  W30   |    Open    |
          |---+----------------------------------+--------+------------|
          | » | I/O bus speed select 8MHz        |  W33   |    Open    |
          |---+----------------------------------+--------+------------|
          |   | I/O bus speed select 12MHz       |  W33   | pins 2 & 3 |
          |   |                                  |        |   closed   |
          |---+----------------------------------+--------+------------|
          | » | Factory configured - do not      |  W38   |   Closed   |
          |   | alter                            |        |            |
          +------------------------------------------------------------+
       
          +------------------------------------------------------------+
          |                     DRAM CONFIGURATION                     |
          |------------------------------------------------------------|
          |       Size       |       Bank 0       |       Bank 1       |
          |------------------+--------------------+--------------------|
          |      512KB       |    (2) 256K x 9    |        NONE        |
          |------------------+--------------------+--------------------|
          |      640KB       |    (2) 256K x 9    |    (2) 64K x 9     |
          |------------------+--------------------+--------------------|
          |       1MB        |    (2) 256K x 9    |    (2) 256K x 9    |
          |------------------+--------------------+--------------------|
          |       2MB        |     (2) 1M x 9     |        NONE        |
          |------------------+--------------------+--------------------|
          |       4MB        |     (2) 1M x 9     |     (2) 1M x 9     |
          +------------------------------------------------------------+
       
          +------------------------------------------------------------+
          |                  DRAM SPEED CONFIGURATION                  |
          |------------------------------------------------------------|
          |        Size        |        W13        |        W14        |
          |--------------------+-------------------+-------------------|
          |       100ns        |       Open        |      Closed       |
          |--------------------+-------------------+-------------------|
          |       120ns        |      Closed       |       Open        |
          +------------------------------------------------------------+
       
          +------------------------------------------------------------+
          |                 DRAM JUMPER CONFIGURATION                  |
          |------------------------------------------------------------|
          |  Banks used   |     W16      |      W17      |     W18     |
          |---------------+--------------+---------------+-------------|
          |       1       |     Open     |     Open      |    Open     |
          |---------------+--------------+---------------+-------------|
          |       2       |     Open     |    Closed     |    Open     |
          +------------------------------------------------------------+
       
          +------------------------------------------------------------+
          |             DRAM STROBE ADDRESS CONFIGURATION              |
          |------------------------------------------------------------|
          |                Setting                 |        W37        |
          |----------------------------------------+-------------------|
          |    SIMM U16 = Bank 1 column address    | pins 1 & 2 closed |
          |                 strobe                 |                   |
          |----------------------------------------+-------------------|
          |    SIMM U16 = Bank 2 column address    | pins 2 & 3 closed |
          |                 strobe                 |                   |
          |----------------------------------------+-------------------|
          |     SIMM U16 = address strobe not      |       Open        |
          |               connected                |                   |
          |------------------------------------------------------------|
          | Note: On the diagram, U16 & U17 are shown as Bank 1.       |
          +------------------------------------------------------------+
       
          +------------------------------------------------------------+
          |             DRAM STROBE ADDRESS CONFIGURATION              |
          |------------------------------------------------------------|
          |                Setting                 |        W36        |
          |----------------------------------------+-------------------|
          |    SIMM U17 = Bank 1 column address    | pins 1 & 2 closed |
          |                 strobe                 |                   |
          |----------------------------------------+-------------------|
          |    SIMM U17 = Bank 2 column address    | pins 2 & 3 closed |
          |                 strobe                 |                   |
          |----------------------------------------+-------------------|
          |     SIMM U17 = address strobe not      |       Open        |
          |               connected                |                   |
          |------------------------------------------------------------|
          | Note: On the diagram, U16 & U17 are shown as Bank 1.       |
          +------------------------------------------------------------+
       
          +------------------------------------------------------------+
          |             DRAM STROBE ADDRESS CONFIGURATION              |
          |------------------------------------------------------------|
          |                Setting                 |        W35        |
          |----------------------------------------+-------------------|
          | SIMM U16 & U17 = Bank 1 column address | pins 1 & 2 closed |
          |                 strobe                 |                   |
          |----------------------------------------+-------------------|
          | SIMM U16 & U17 = Bank 2 column address | pins 2 & 3 closed |
          |                 strobe                 |                   |
          |----------------------------------------+-------------------|
          |  SIMM U16 & U17 = address strobe not   |       Open        |
          |               connected                |                   |
          |------------------------------------------------------------|
          | Note: On the diagram, U16 & U17 are shown as Bank 1.       |
          +------------------------------------------------------------+
       
          +------------------------------------------------------------+
          |                ON BOARD VIDEO CONFIGURATION                |
          |------------------------------------------------------------|
          |      Setting       |        W10         |       W21        |
          |--------------------+--------------------+------------------|
          |      Enabled       |       Closed       |      Closed      |
          |--------------------+--------------------+------------------|
          |      Disabled      |        Open        |       Open       |
          +------------------------------------------------------------+
       
          +------------------------------------------------------------+
          |                    VIDEO CONFIGURATION                     |
          |------------------------------------------------------------|
          |      Setting       |       S1/1        |       S1/2        |
          |--------------------+-------------------+-------------------|
          |     Monochrome     |        On         |        Off        |
          |--------------------+-------------------+-------------------|
          |       Color        |        Off        |        On         |
          +------------------------------------------------------------+