(TXT) View Source
       
       # PACKARD BELL
       
          PB301 386SXIIE & 386SXIIES (REVISION C) AND PB301-V252
       
          Processor    80386DX                                           
          Processor    16/20/25MHz                                       
          Speed        
          Chip Set     ACC                                               
          Max. onboard 3MB                                               
          DRAM         
          SRAM Cache   None                                              
          BIOS         Phoenix                                           
          Dimensions   220mm x 220mm                                     
          I/O Options  Fax/modem daughterboard, floppy drive interface,  
                       game port, IDE interface, parallel port, PS/2     
                       keyboard port, PS/2 mouse port, serial port, VGA  
                       port                                              
          NPU Options  80837SX                                           
       
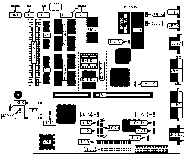
 (IMG) IMG 1
          
       
          +------------------------------------------------------------+
          |                        CONNECTIONS                         |
          |------------------------------------------------------------|
          | Purpose       | Location | Purpose              | Location |
          |---------------+----------+----------------------+----------|
          | External      |   BATT   | Parallel port        |   JLPT   |
          | battery       |          |                      |          |
          |---------------+----------+----------------------+----------|
          | Serial port   |  JCOM2   | Proprietary modem    |   JMOD   |
          |               |          | daughterboard        |          |
          |---------------+----------+----------------------+----------|
          | Floppy drive  |   JFDD   | PS/2 keyboard        |   JPKB   |
          | interface     |          |                      |          |
          |---------------+----------+----------------------+----------|
          | Game port     |   JGAM   | PS/2 mouse           |   JPMS   |
          |---------------+----------+----------------------+----------|
          | IDE interface |   JHDD   | Speaker              |   JSPK   |
          |---------------+----------+----------------------+----------|
          | IDE interface |   JHDI   | VGA port             |   JVGA   |
          | LED           |          |                      |          |
          |---------------+----------+----------------------+----------|
          | Front panel   |   JIND   | Riser card           |    S1    |
          | connector     |          |                      |          |
          |---------------+----------+----------------------+----------|
          | Keylock       |   JKL    |                      |          |
          +------------------------------------------------------------+
       
          +------------------------------------------------------------+
          |                 USER CONFIGURABLE SETTINGS                 |
          |------------------------------------------------------------|
          |           Function            | Jumper/Switch |  Position  |
          |-------------------------------+---------------+------------|
          | » | Onboard battery enabled   |     JBTS      |    Open    |
          |---+---------------------------+---------------+------------|
          |   | Onboard battery disabled  |     JBTS      |   Closed   |
          |---+---------------------------+---------------+------------|
          | » | Onboard floppy drive      |     JFDC      | pins 1 & 2 |
          |   | interface select primary  |               |   closed   |
          |   | address                   |               |            |
          |---+---------------------------+---------------+------------|
          |   | Onboard floppy drive      |     JFDC      | pins 2 & 3 |
          |   | interface select          |               |   closed   |
          |   | secondary address         |               |            |
          |---+---------------------------+---------------+------------|
          | » | Onboard Game port enabled |     JGAMS     | pins 1 & 2 |
          |   |                           |               |   closed   |
          |---+---------------------------+---------------+------------|
          |   | Onboard Game port         |     JGAMS     | pins 2 & 3 |
          |   | disabled                  |               |   closed   |
          |---+---------------------------+---------------+------------|
          | » | Onboard IDE interface     |     JHDC      | pins 1 & 2 |
          |   | select primary address    |               |   closed   |
          |---+---------------------------+---------------+------------|
          |   | Onboard IDE interface     |     JHDC      | pins 2 & 3 |
          |   | select secondary address  |               |   closed   |
          |---+---------------------------+---------------+------------|
          | » | PS/2 mouse port enabled   |     JMRQ      |   Closed   |
          |   | (IRQ12)                   |               |            |
          |---+---------------------------+---------------+------------|
          |   | PS/2 mouse port disabled  |     JMRQ      |    Open    |
          |---+---------------------------+---------------+------------|
          | » | Pipeline mode enabled     |     JPIP      |   Closed   |
          |---+---------------------------+---------------+------------|
          |   | Pipeline mode disabled    |     JPIP      |    Open    |
          |---+---------------------------+---------------+------------|
          | » | Onboard speaker enabled   |     JSPKS     | pins 1 & 2 |
          |   |                           |               |   closed   |
          |---+---------------------------+---------------+------------|
          |   | Onboard speaker disabled  |     JSPKS     | pins 2 & 3 |
          |   |                           |               |   closed   |
          |---+---------------------------+---------------+------------|
          | » | Monitor type select color |      JVD      |   Closed   |
          |---+---------------------------+---------------+------------|
          |   | Monitor type select       |      JVD      |    Open    |
          |   | monochrome                |               |            |
          |------------------------------------------------------------|
          | Note: Some boards have the game port jumper (JGAMS)        |
          | reversed.                                                  |
          +------------------------------------------------------------+
       
          +------------------------------------------------------------+
          |                     DRAM CONFIGURATION                     |
          |------------------------------------------------------------|
          |   Size   |    Bank 0     |    Bank 1     |     Bank 2      |
          |----------+---------------+---------------+-----------------|
          |   1MB    |   (4) 44256   |   (4) 44256   |      NONE       |
          |----------+---------------+---------------+-----------------|
          |   3MB    |   (4) 44256   |   (4) 44256   |   (2) 1M x 9    |
          |------------------------------------------------------------|
          | Note:256K x 9 and 4M x 9 SIMMs are not supported. Banks 0  |
          | & 1 are soldered to the board and should not be altered.   |
          +------------------------------------------------------------+
       
          +------------------------------------------------------------+
          |                     VRAM CONFIGURATION                     |
          |------------------------------------------------------------|
          |  Size  |   Bank 0   |  Parity 0  |   Bank 1   |  Parity 1  |
          |--------+------------+------------+------------+------------|
          | 256KB  | (2) 44256  | (2) 41256  |    NONE    | (2) 41256  |
          |--------+------------+------------+------------+------------|
          | 512KB  | (2) 44256  | (2) 41256  | (2) 44256  | (2) 41256  |
          |------------------------------------------------------------|
          | Note: Parity sockets are not present on all boards. Bank 0 |
          | is soldered to the board and should not be altered.        |
          +------------------------------------------------------------+
       
          +------------------------------------------------------------+
          |                    VIDEO CONFIGURATION                     |
          |------------------------------------------------------------|
          |    Mode    | IRQ |   Monitor    | JINLC |  JVGAS   | JVRQ  |
          |------------+-----+--------------+-------+----------+-------|
          |»| Enabled  |IRQ9 |  Interlaced  |Closed |pins 1 & 2|Closed |
          |-+----------+-----+--------------+-------+----------+-------|
          | | Enabled  |None |  Interlaced  |Closed |pins 1 & 2| Open  |
          |-+----------+-----+--------------+-------+----------+-------|
          | | Enabled  |IRQ9 |Non-Interlaced| Open  |pins 1 & 2|Closed |
          |-+----------+-----+--------------+-------+----------+-------|
          | | Enabled  |None |Non-Interlaced| Open  |pins 1 & 2| Open  |
          |-+----------+-----+--------------+-------+----------+-------|
          | | Disabled | N/A |     N/A      |  N/A  |pins 2 & 3|  N/A  |
          +------------------------------------------------------------+
       
          +------------------------------------------------------------+
          |                 SERIAL PORT CONFIGURATION                  |
          |------------------------------------------------------------|
          |   Modem   |   Port B   |  ISA   |  JC13   | JC24  | JMODJ  |
          |  (JMOD)   |  (JCOM2)   | Modem  |         |       |        |
          |-----------+------------+--------+---------+-------+--------|
          | Disabled  |    COM2    |  None  |   N/A   | pins  | Closed |
          |           |            |        |         | 1 & 2 |        |
          |-----------+------------+--------+---------+-------+--------|
          | Disabled  |    COM2    |  COM1  | pins 2  | pins  | Closed |
          |           |            |        |   & 3   | 1 & 2 |        |
          |-----------+------------+--------+---------+-------+--------|
          | Disabled  |    COM2    |  COM3  | pins 1  | pins  | Closed |
          |           |            |        |   & 2   | 1 & 2 |        |
          |-----------+------------+--------+---------+-------+--------|
          |   COM1    |    COM2    |  None  | pins 1  | pins  |  Open  |
          |           |            |        |   & 2   | 1 & 2 |        |
          |-----------+------------+--------+---------+-------+--------|
          |   COM3    |    COM2    |  None  | pins 2  | pins  |  Open  |
          |           |            |        |   & 3   | 1 & 2 |        |
          |-----------+------------+--------+---------+-------+--------|
          | Disabled  |    COM4    |  None  |   N/A   | pins  | Closed |
          |           |            |        |         | 2 & 3 |        |
          |-----------+------------+--------+---------+-------+--------|
          | Disabled  |    COM4    |  COM1  | pins 2  | pins  | Closed |
          |           |            |        |   & 3   | 2 & 3 |        |
          |-----------+------------+--------+---------+-------+--------|
          | Disabled  |    COM4    |  COM3  | pins 1  | pins  | Closed |
          |           |            |        |   & 2   | 2 & 3 |        |
          |-----------+------------+--------+---------+-------+--------|
          |   COM1    |    COM4    |  None  | pins 1  | pins  |  Open  |
          |           |            |        |   & 2   | 2 & 3 |        |
          |-----------+------------+--------+---------+-------+--------|
          |   COM3    |    COM4    |  None  | pins 2  | pins  |  Open  |
          |           |            |        |   & 3   | 2 & 3 |        |
          |------------------------------------------------------------|
          | Note:* JMODJ is a special block placed on JMOD itself,     |
          | connecting pins 10 and 11 together diagonally. Permanent   |
          | damage to the board will occur if the JMODJ jumper is      |
          | installed improperly.                                      |
          |                                                            |
          | Pins designated should be in the closed position.          |
          +------------------------------------------------------------+
       
          +------------------------------------------------------------+
          |                PARALLEL PORT CONFIGURATION                 |
          |------------------------------------------------------------|
          |    LPT     |  IRQ  |       JLPS        |       JLRQ        |
          |------------+-------+-------------------+-------------------|
          | » |  LPT1  | IRQ7  | pins 1 & 2 closed | pins 1 & 2 closed |
          |---+--------+-------+-------------------+-------------------|
          |   |  LPT1  | IRQ5  | pins 1 & 2 closed | pins 2 & 3 closed |
          |---+--------+-------+-------------------+-------------------|
          |   |  LPT2  | IRQ7  | pins 2 & 3 closed | pins 1 & 2 closed |
          |---+--------+-------+-------------------+-------------------|
          |   |  LPT2  | IRQ5  | pins 2 & 3 closed | pins 2 & 3 closed |
          +------------------------------------------------------------+