(TXT) View Source
       
       # PACKARD BELL
       
          PB301 386SXIIE/386SXIIES (REV. B)
       
          Processor    80386DX                                           
          Processor    16/20MHz                                          
          Speed        
          Chip Set     ACC                                               
          Max. onboard 16MB                                              
          DRAM         
          SRAM Cache   None                                              
          BIOS         Phoenix                                           
          Dimensions   220mm x 220mm                                     
          I/O Options  Fax/modem daughterboard, floppy drive interface,  
                       game port, IDE interface, parallel port, PS/2     
                       keyboard port, PS/2 mouse port, serial port, VGA  
                       port                                              
          NPU Options  80837SX                                           
       
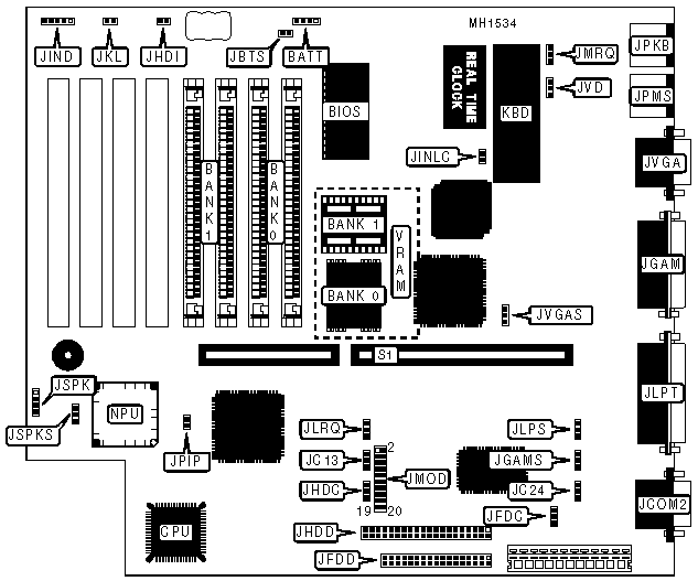
 (IMG) IMG 1
          
       
          +------------------------------------------------------------+
          |                        CONNECTIONS                         |
          |------------------------------------------------------------|
          | Purpose        | Location | Purpose             | Location |
          |----------------+----------+---------------------+----------|
          | External       |   BATT   | Parallel port       |   JLPT   |
          | battery        |          |                     |          |
          |----------------+----------+---------------------+----------|
          | Serial port    |  JCOM2   | Proprietary modem   |   JMOD   |
          |                |          | daughterboard       |          |
          |----------------+----------+---------------------+----------|
          | Floppy drive   |   JFDD   | PS/2 keyboard       |   JPKB   |
          | interface      |          |                     |          |
          |----------------+----------+---------------------+----------|
          | Game port      |   JGAM   | PS/2 mouse          |   JPMS   |
          |----------------+----------+---------------------+----------|
          | IDE interface  |   JHDD   | Speaker             |   JSPK   |
          |----------------+----------+---------------------+----------|
          | IDE interface  |   JHDI   | VGA port            |   JVGA   |
          | LED            |          |                     |          |
          |----------------+----------+---------------------+----------|
          | Front panel    |   JIND   | Riser card          |    S1    |
          | connector      |          |                     |          |
          |----------------+----------+---------------------+----------|
          | Keylock        |   JKL    |                     |          |
          +------------------------------------------------------------+
       
          +------------------------------------------------------------+
          |                 USER CONFIGURABLE SETTINGS                 |
          |------------------------------------------------------------|
          |           Function            | Jumper/Switch |  Position  |
          |-------------------------------+---------------+------------|
          | » | Onboard battery enabled   |     JBTS      |    Open    |
          |---+---------------------------+---------------+------------|
          |   | Onboard battery disabled  |     JBTS      |   Closed   |
          |---+---------------------------+---------------+------------|
          | » | Onboard floppy drive      |     JFDC      | pins 1 & 2 |
          |   | interface select primary  |               |   closed   |
          |   | address                   |               |            |
          |---+---------------------------+---------------+------------|
          |   | Onboard floppy drive      |     JFDC      | pins 2 & 3 |
          |   | interface select          |               |   closed   |
          |   | secondary address         |               |            |
          |---+---------------------------+---------------+------------|
          | » | Onboard Game port enabled |     JGAMS     | pins 1 & 2 |
          |   |                           |               |   closed   |
          |---+---------------------------+---------------+------------|
          |   | Onboard Game port         |     JGAMS     | pins 2 & 3 |
          |   | disabled                  |               |   closed   |
          |---+---------------------------+---------------+------------|
          | » | Onboard IDE interface     |     JHDC      | pins 1 & 2 |
          |   | select primary address    |               |   closed   |
          |---+---------------------------+---------------+------------|
          |   | Onboard IDE interface     |     JHDC      | pins 2 & 3 |
          |   | select secondary address  |               |   closed   |
          |---+---------------------------+---------------+------------|
          | » | PS/2 mouse port enabled   |     JMRQ      |   Closed   |
          |   | (IRQ12)                   |               |            |
          |---+---------------------------+---------------+------------|
          |   | PS/2 mouse port disabled  |     JMRQ      |    Open    |
          |---+---------------------------+---------------+------------|
          | » | Pipeline mode enabled     |     JPIP      |   Closed   |
          |---+---------------------------+---------------+------------|
          |   | Pipeline mode disabled    |     JPIP      |    Open    |
          |---+---------------------------+---------------+------------|
          | » | Onboard speaker enabled   |     JSPKS     | pins 1 & 2 |
          |   |                           |               |   closed   |
          |---+---------------------------+---------------+------------|
          |   | Onboard speaker disabled  |     JSPKS     | pins 2 & 3 |
          |   |                           |               |   closed   |
          |---+---------------------------+---------------+------------|
          | » | Monitor type select color |      JVD      |   Closed   |
          |---+---------------------------+---------------+------------|
          |   | Monitor type select       |      JVD      |    Open    |
          |   | monochrome                |               |            |
          |------------------------------------------------------------|
          | Note:Some boards have the game port jumper (JGAMS)         |
          | reversed.                                                  |
          +------------------------------------------------------------+
       
          +------------------------------------------------------------+
          |                     DRAM CONFIGURATION                     |
          |------------------------------------------------------------|
          |  Size   |   Bank 0    |   Bank 1    |  Bank 2   |  Bank 3  |
          |---------+-------------+-------------+-----------+----------|
          |   1MB   |  (4) 44256  |  (4) 44256  |   NONE    |   NONE   |
          |---------+-------------+-------------+-----------+----------|
          |  1.5MB  |  (4) 44256  |  (4) 44256  | (2) 256K  |   NONE   |
          |         |             |             |    x 9    |          |
          |---------+-------------+-------------+-----------+----------|
          |   2MB   |  (4) 44256  |  (4) 44256  | (2) 256K  | (2) 256K |
          |         |             |             |    x 9    |   x 9    |
          |---------+-------------+-------------+-----------+----------|
          |   3MB   |  (4) 44256  |  (4) 44256  | (2) 1M x  |   NONE   |
          |         |             |             |     9     |          |
          |---------+-------------+-------------+-----------+----------|
          |  3,5MB  |  (4) 44256  |  (4) 44256  | (2) 1M x  | (2) 256K |
          |         |             |             |     9     |   x 9    |
          |---------+-------------+-------------+-----------+----------|
          |   5MB   |  (4) 44256  |  (4) 44256  | (2) 1M x  | (2) 1M x |
          |         |             |             |     9     |    9     |
          |------------------------------------------------------------|
          |      Note:4M x 9 SIMMs are not supported. Banks 0 & 1 are  |
          |      soldered to the board and should not be altered.      |
          +------------------------------------------------------------+
       
          +------------------------------------------------------------+
          |                     VRAM CONFIGURATION                     |
          |------------------------------------------------------------|
          |     Size      |        Bank 0        |       Bank 1        |
          |---------------+----------------------+---------------------|
          |     512KB     |     (2) 256K x 9     |        NONE         |
          |---------------+----------------------+---------------------|
          |      1MB      |     (2) 256K x 9     |    (2) 256K x 9     |
          |---------------+----------------------+---------------------|
          |      2MB      |      (2) 1M x 9      |        NONE         |
          |---------------+----------------------+---------------------|
          |     2.5MB     |      (2) 1M x 9      |    (2) 256K x 9     |
          |---------------+----------------------+---------------------|
          |      4MB      |      (2) 1M x 9      |     (2) 1M x 9      |
          |---------------+----------------------+---------------------|
          |      8MB      |      (2) 4M x 9      |        NONE         |
          |---------------+----------------------+---------------------|
          |     12MB      |      (2) 4M x 9      |     (2) 1M x 9      |
          |---------------+----------------------+---------------------|
          |     16MB      |      (2) 4M x 9      |     (2) 4M x 9      |
          |------------------------------------------------------------|
          |      Note:Board contains traces for additional SIMM banks. |
          |      Additional SIMM sockets will not function if          |
          |      installed.                                            |
          +------------------------------------------------------------+
       
          +------------------------------------------------------------+
          |                    VIDEO CONFIGURATION                     |
          |------------------------------------------------------------|
          |    Mode    | IRQ |   Monitor    | JINLC |  JVGAS   | JVRQ  |
          |------------+-----+--------------+-------+----------+-------|
          |»| Enabled  |IRQ9 |  Interlaced  |Closed |pins 1 & 2|Closed |
          |-+----------+-----+--------------+-------+----------+-------|
          | | Enabled  |None |  Interlaced  |Closed |pins 1 & 2| Open  |
          |-+----------+-----+--------------+-------+----------+-------|
          | | Enabled  |IRQ9 |Non-Interlaced| Open  |pins 1 & 2|Closed |
          |-+----------+-----+--------------+-------+----------+-------|
          | | Enabled  |None |Non-Interlaced| Open  |pins 1 & 2| Open  |
          |-+----------+-----+--------------+-------+----------+-------|
          | | Disabled | N/A |     N/A      |  N/A  |pins 2 & 3|  N/A  |
          +------------------------------------------------------------+
       
          +------------------------------------------------------------+
          |                 SERIAL PORT CONFIGURATION                  |
          |------------------------------------------------------------|
          |   Modem    |  Port B   |  ISA   |  JC13  | JC24  |  JMODJ  |
          |   (JMOD)   |  (JCOM2)  | Modem  |        |       |         |
          |------------+-----------+--------+--------+-------+---------|
          |  Disabled  |   COM2    |  None  |  N/A   | pins  | Closed  |
          |            |           |        |        | 1 & 2 |         |
          |------------+-----------+--------+--------+-------+---------|
          |  Disabled  |   COM2    |  COM1  | pins 2 | pins  | Closed  |
          |            |           |        |  & 3   | 1 & 2 |         |
          |------------+-----------+--------+--------+-------+---------|
          |  Disabled  |   COM2    |  COM3  | pins 1 | pins  | Closed  |
          |            |           |        |  & 2   | 1 & 2 |         |
          |------------+-----------+--------+--------+-------+---------|
          |    COM1    |   COM2    |  None  | pins 1 | pins  |  Open   |
          |            |           |        |  & 2   | 1 & 2 |         |
          |------------+-----------+--------+--------+-------+---------|
          |    COM3    |   COM2    |  None  | pins 2 | pins  |  Open   |
          |            |           |        |  & 3   | 1 & 2 |         |
          |------------+-----------+--------+--------+-------+---------|
          |  Disabled  |   COM4    |  None  |  N/A   | pins  | Closed  |
          |            |           |        |        | 2 & 3 |         |
          |------------+-----------+--------+--------+-------+---------|
          |  Disabled  |   COM4    |  COM1  | pins 2 | pins  | Closed  |
          |            |           |        |  & 3   | 2 & 3 |         |
          |------------+-----------+--------+--------+-------+---------|
          |  Disabled  |   COM4    |  COM3  | pins 1 | pins  | Closed  |
          |            |           |        |  & 2   | 2 & 3 |         |
          |------------+-----------+--------+--------+-------+---------|
          |    COM1    |   COM4    |  None  | pins 1 | pins  |  Open   |
          |            |           |        |  & 2   | 2 & 3 |         |
          |------------+-----------+--------+--------+-------+---------|
          |    COM3    |   COM4    |  None  | pins 2 | pins  |  Open   |
          |            |           |        |  & 3   | 2 & 3 |         |
          |------------------------------------------------------------|
          |         Note:* JMODJ is a special block placed on JMOD     |
          |         iteself, connecting pins 10 and 11 together        |
          |         diagonally. Permanent damage to the board will     |
          |         occur if the JMODJ jumper is installed improperly. |
          |                                                            |
          |      Pins designated should be in the closed position.     |
          +------------------------------------------------------------+
       
          +------------------------------------------------------------+
          |                PARALLEL PORT CONFIGURATION                 |
          |------------------------------------------------------------|
          |    LPT     |  IRQ  |       JLPS        |       JLRQ        |
          |------------+-------+-------------------+-------------------|
          | » |  LPT1  | IRQ7  | pins 1 & 2 closed | pins 1 & 2 closed |
          |---+--------+-------+-------------------+-------------------|
          |   |  LPT1  | IRQ5  | pins 1 & 2 closed | pins 2 & 3 closed |
          |---+--------+-------+-------------------+-------------------|
          |   |  LPT2  | IRQ7  | pins 2 & 3 closed | pins 1 & 2 closed |
          |---+--------+-------+-------------------+-------------------|
          |   |  LPT2  | IRQ5  | pins 2 & 3 closed | pins 2 & 3 closed |
          +------------------------------------------------------------+