(TXT) View Source
       
       # MICRO-STAR INTERNATIONAL CO., LTD.
       
          MS-6119
       
          Device Type      Mainboard                                     
          Processor        Pentium II                                    
          Processor Speed  200/233/266/300/333/350/400/450MHz            
          Chip Set         Intel 440BX                                   
          Maximum Onboard  768MB (SDRAM supported)                       
          Memory           
          Cache            256/512KB (located on Pentium II CPU)         
          BIOS             Award                                         
          Dimensions       300mm x 186mm                                 
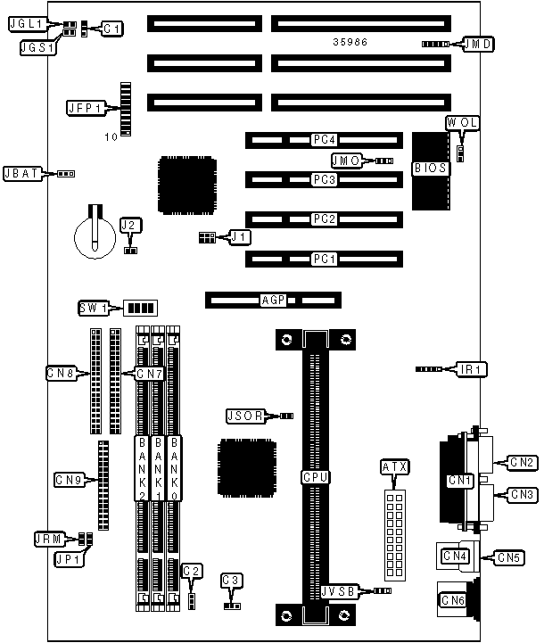
          I/O Options      32-bit PCI slots (4), green PC connector,     
                           floppy drive interface, IDE interfaces (2),   
                           parallel port, PS/2 mouse port, serial ports  
                           (2), IR connector, USB connectors (2), ATX    
                           power connector, AGP slot, SB-link connector  
       
 (IMG) IMG 1
          
       
          +------------------------------------------------------------+
          |                        CONNECTIONS                         |
          |------------------------------------------------------------|
          | Purpose         | Location | Purpose          |  Location  |
          |-----------------+----------+------------------+------------|
          | AGP slot        |   AGP    | SB-link          |     J1     |
          |                 |          | connector        |            |
          |-----------------+----------+------------------+------------|
          | ATX power       |   ATX    | Chassis          |     J2     |
          | connector       |          | intrusion        |            |
          |                 |          | connector        |            |
          |-----------------+----------+------------------+------------|
          | Chassis fan     |    C1    | Keylock          | JFP1/pins  |
          | power           |          |                  |   1 & 10   |
          |-----------------+----------+------------------+------------|
          | CPU fan power   |    C2    | IDE interface    | JFP1/pins  |
          |                 |          | LED              |   3 & 12   |
          |-----------------+----------+------------------+------------|
          | Power supply    |    C3    | Power LED        | JFP1/pins  |
          | fan             |          |                  |   4 - 6    |
          |-----------------+----------+------------------+------------|
          | Parallel port   |   CN1    | Power switch     | JFP1/pins  |
          |                 |          |                  |   7 & 8    |
          |-----------------+----------+------------------+------------|
          | Serial port 2   |   CN2    | Speaker          | JFP1/pins  |
          |                 |          |                  |  13 - 16   |
          |-----------------+----------+------------------+------------|
          | Serial port 1   |   CN3    | Reset switch     | JFP1/pins  |
          |                 |          |                  |  17 & 18   |
          |-----------------+----------+------------------+------------|
          | USB connector 1 |   CN4    | Green PC LED     |    JGL1    |
          |-----------------+----------+------------------+------------|
          | USB connector 2 |   CN5    | Green PC         |    JGS1    |
          |                 |          | connector        |            |
          |-----------------+----------+------------------+------------|
          | PS/2 mouse port |   CN6    | Wake on modem    |    JMD     |
          |                 |          | connector        |            |
          |-----------------+----------+------------------+------------|
          | IDE interface 2 |   CN7    | Soft off power   |    JRM     |
          |                 |          | supply           |            |
          |-----------------+----------+------------------+------------|
          | IDE interface 1 |   CN8    | Temperature      |    JSOR    |
          |                 |          | sensor           |            |
          |-----------------+----------+------------------+------------|
          | Floppy drive    |   CN9    | 32-bit PCI slots | PC1 - PC4  |
          | interface       |          |                  |            |
          |-----------------+----------+------------------+------------|
          | IR connector    |   IR1    | Wake on LAN      |    WOL     |
          |                 |          | connector        |            |
          +------------------------------------------------------------+
       
          +------------------------------------------------------------+
          |                 USER CONFIGURABLE SETTINGS                 |
          |------------------------------------------------------------|
          |               Function                | Label |  Position  |
          |---------------------------------------+-------+------------|
          | » | CMOS memory normal operation      | JBAT  | Pins 1 & 2 |
          |   |                                   |       |   closed   |
          |---+-----------------------------------+-------+------------|
          |   | CMOS memory clear                 | JBAT  | Pins 2 & 3 |
          |   |                                   |       |   closed   |
          |---+-----------------------------------+-------+------------|
          | » | Flash BIOS voltage select 12v     |  JMO  | Pins 1 & 2 |
          |   |                                   |       |   closed   |
          |---+-----------------------------------+-------+------------|
          |   | Flash BIOS voltage select 5v      |  JMO  | Pins 2 & 3 |
          |   |                                   |       |   closed   |
          |---+-----------------------------------+-------+------------|
          |   | Power on mode select boot up by   |  JP1  |   Closed   |
          |   | switch                            |       |            |
          |---+-----------------------------------+-------+------------|
          |   | Power on mode select immediate    |  JP1  |    Open    |
          |   | boot up                           |       |            |
          |---+-----------------------------------+-------+------------|
          | » | Keyboard voltage select 5v        | JVSB  | Pins 2 & 3 |
          |   |                                   |       |   closed   |
          |---+-----------------------------------+-------+------------|
          |   | Keyboard voltage select 5v        | JVSB  | Pins 1 & 2 |
          |   | standby                           |       |   closed   |
          +------------------------------------------------------------+
       
          +------------------------------------------------------------+
          |                     DIMM CONFIGURATION                     |
          |------------------------------------------------------------|
          |    Size    |    Bank 0     |    Bank 1     |    Bank 2     |
          |------------+---------------+---------------+---------------|
          |    8MB     |  (1) 1M x 64  |     None      |     None      |
          |------------+---------------+---------------+---------------|
          |    16MB    |  (1) 1M x 64  |  (1) 1M x 64  |     None      |
          |------------+---------------+---------------+---------------|
          |    16MB    |  (1) 2M x 64  |     None      |     None      |
          |------------+---------------+---------------+---------------|
          |    24MB    |  (1) 1M x 64  |  (1) 1M x 64  |  (1) 1M x 64  |
          |------------+---------------+---------------+---------------|
          |    32MB    |  (1) 2M x 64  |  (1) 2M x 64  |     None      |
          |------------+---------------+---------------+---------------|
          |    32MB    |  (1) 4M x 64  |     None      |     None      |
          |------------+---------------+---------------+---------------|
          |    48MB    |  (1) 2M x 64  |  (1) 2M x 64  |  (1) 2M x 64  |
          |------------+---------------+---------------+---------------|
          |    64MB    |  (1) 4M x 64  |  (1) 4M x 64  |     None      |
          |------------+---------------+---------------+---------------|
          |    64MB    |  (1) 8M x 64  |     None      |     None      |
          |------------+---------------+---------------+---------------|
          |    96MB    |  (1) 4M x 64  |  (1) 4M x 64  |  (1) 4M x 64  |
          |------------+---------------+---------------+---------------|
          |   128MB    |  (1) 8M x 64  |  (1) 8M x 64  |     None      |
          +------------------------------------------------------------+
       
          +------------------------------------------------------------+
          |                 DIMM CONFIGURATION (CON'T)                 |
          |------------------------------------------------------------|
          |    Size    |    Bank 0     |    Bank 1     |    Bank 2     |
          |------------+---------------+---------------+---------------|
          |   128MB    | (1) 16M x 64  |     None      |     None      |
          |------------+---------------+---------------+---------------|
          |   164MB    | (1) 16M x 64  |  (1) 1M x 64  |     None      |
          |------------+---------------+---------------+---------------|
          |   144MB    | (1) 16M x 64  |  (1) 1M x 64  |  (1) 1M x 64  |
          |------------+---------------+---------------+---------------|
          |   144MB    | (1) 16M x 64  |  (1) 2M x 64  |     None      |
          |------------+---------------+---------------+---------------|
          |   160MB    | (1) 16M x 64  |  (1) 2M x 64  |  (1) 2M x 64  |
          |------------+---------------+---------------+---------------|
          |   160MB    | (1) 16M x 64  |  (1) 4M x 64  |     None      |
          |------------+---------------+---------------+---------------|
          |   192MB    | (1) 16M x 64  |  (1) 4M x 64  |  (1) 4M x 64  |
          |------------+---------------+---------------+---------------|
          |   192MB    | (1) 16M x 64  |  (1) 8M x 64  |     None      |
          |------------+---------------+---------------+---------------|
          |   192MB    |  (1) 8M x 64  |  (1) 8M x 64  |  (1) 8M x 64  |
          |------------+---------------+---------------+---------------|
          |   256MB    | (1) 16M x 64  |  (1) 8M x 64  |  (1) 8M x 64  |
          |------------+---------------+---------------+---------------|
          |   256MB    | (1) 16M x 64  | (1) 16M x 64  |     None      |
          |------------+---------------+---------------+---------------|
          |   256MB    | (1) 32M x 64  |     None      |     None      |
          |------------+---------------+---------------+---------------|
          |   264MB    | (1) 32M x 64  |  (1) 1M x 64  |     None      |
          |------------+---------------+---------------+---------------|
          |   272MB    | (1) 32M x 64  |  (1) 1M x 64  |  (1) 1M x 64  |
          |------------+---------------+---------------+---------------|
          |   272MB    | (1) 32M x 64  |  (1) 2M x 64  |     None      |
          |------------+---------------+---------------+---------------|
          |   288MB    | (1) 32M x 64  |  (1) 2M x 64  |  (1) 2M x 64  |
          |------------+---------------+---------------+---------------|
          |   288MB    | (1) 32M x 64  |  (1) 4M x 64  |     None      |
          |------------+---------------+---------------+---------------|
          |   320MB    | (1) 32M x 64  |  (1) 4M x 64  |  (1) 4M x 64  |
          |------------+---------------+---------------+---------------|
          |   320MB    | (1) 32M x 64  |  (1) 8M x 64  |     None      |
          |------------+---------------+---------------+---------------|
          |   384MB    | (1) 32M x 64  |  (1) 8M x 64  |  (1) 8M x 64  |
          |------------+---------------+---------------+---------------|
          |   384MB    | (1) 32M x 64  | (1) 16M x 64  |     None      |
          |------------+---------------+---------------+---------------|
          |   384MB    | (1) 16M x 64  | (1) 16M x 64  | (1) 16M x 64  |
          |------------+---------------+---------------+---------------|
          |   512MB    | (1) 32M x 64  | (1) 16M x 64  | (1) 16M x 64  |
          |------------+---------------+---------------+---------------|
          |   512MB    | (1) 32M x 64  | (1) 32M x 64  |     None      |
          |------------+---------------+---------------+---------------|
          |   768MB    | (1) 32M x 64  | (1) 32M x 64  | (1) 32M x 64  |
          |------------------------------------------------------------|
          |      Note: Board accepts SDRAM memory.                     |
          +------------------------------------------------------------+
       
          +------------------------------------------------------------+
          |                    CACHE CONFIGURATION                     |
          |------------------------------------------------------------|
          | Note: 256KB/512KB cache is located on the Pentium II CPU.  |
          +------------------------------------------------------------+
       
          +------------------------------------------------------------+
          |                    CPU SPEED SELECTION                     |
          |------------------------------------------------------------|
          |CPU speed|Clock speed|Multiplier|SW1/1 |SW1/2 |SW1/3 |SW1/4 |
          |---------+-----------+----------+------+------+------+------|
          | 200MHz  |   66MHz   |    3x    |  On  |  On  | Off  |  On  |
          |---------+-----------+----------+------+------+------+------|
          | 233MHz  |   66MHz   |   3.5x   |  On  | Off  | Off  |  On  |
          |---------+-----------+----------+------+------+------+------|
          | 266MHz  |   66MHz   |    4x    |  On  |  On  |  On  | Off  |
          |---------+-----------+----------+------+------+------+------|
          | 300MHz  |   66MHz   |   4.5x   |  On  | Off  |  On  | Off  |
          |---------+-----------+----------+------+------+------+------|
          | 333MHz  |   66MHz   |    5x    |  On  |  On  | Off  | Off  |
          |---------+-----------+----------+------+------+------+------|
          | 350MHz  |  100MHz   |   3.5x   |  On  | Off  | Off  |  On  |
          |---------+-----------+----------+------+------+------+------|
          | 400MHz  |  100MHz   |    4x    |  On  |  On  |  On  | Off  |
          |---------+-----------+----------+------+------+------+------|
          | 450MHz  |  100MHz   |   4.5x   |  On  | Off  |  On  | Off  |
          +------------------------------------------------------------+