(TXT) View Source
       
       # MICRONICS COMPUTERS, INC.
       
          TWISTER
       
          Processor        CX 6X86/AM K5/AM K6/Pentium                   
          Processor Speed  75/90/100/120/133/150/166/180/200/233MHz      
          Chip Set         Intel                                         
          Video Chip Set   None                                          
          Maximum Onboard  256MB (EDO supported)                         
          Memory           
          Maximum Video    None                                          
          Memory           
          Cache            256/512KB                                     
          BIOS             Award                                         
          Dimensions       305mm x 244mm                                 
          I/O Options      32-bit PCI slots (4), floppy drive interface, 
                           green PC connector, IDE interfaces (2),       
                           parallel port, PS/2 mouse port, serial ports  
                           (2), IR connector, USB connectors (2), ATX    
                           power connector                               
          NPU Options      None                                          
       
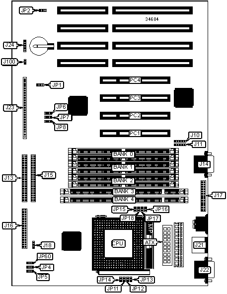
 (IMG) IMG 1
          
       
          +------------------------------------------------------------+
          |                        CONNECTIONS                         |
          |------------------------------------------------------------|
          | Purpose          | Location | Purpose        |  Location   |
          |------------------+----------+----------------+-------------|
          | ATX power        |   ATX    | Soft off power | J23/pins 1  |
          | connector        |          | supply         |     & 2     |
          |------------------+----------+----------------+-------------|
          | USB connector 1  |   J10    | Green PC       | J23/pins 3  |
          |                  |          | connector      |     & 4     |
          |------------------+----------+----------------+-------------|
          | USB connector 2  |   J11    | IR connector   | J23/pins 6  |
          |                  |          |                |    - 11     |
          |------------------+----------+----------------+-------------|
          | IDE interface 2  |   J13    | IDE interface  | J23/pins 13 |
          |                  |          | LED            |    - 16     |
          |------------------+----------+----------------+-------------|
          | Serial port 2    |   J14    | Power LED      | J23/pins 18 |
          |                  |          |                |    - 20     |
          |------------------+----------+----------------+-------------|
          | IDE interface 1  |   J15    | Reset switch   | J23/pins 22 |
          |                  |          |                |    & 23     |
          |------------------+----------+----------------+-------------|
          | Floppy drive     |   J16    | Speaker        | J23/pins 24 |
          | interface        |          |                |    - 27     |
          |------------------+----------+----------------+-------------|
          | Parallel port    |   J17    | Power LED &    |     J24     |
          |                  |          | keylock        |             |
          |------------------+----------+----------------+-------------|
          | CPU fan power    |   J18    | SCSI interface |    J100     |
          |                  |          | LED            |             |
          |------------------+----------+----------------+-------------|
          | PS/2 mouse port  |   J21    | 32-bit PCI     |  PC1 – PC4  |
          |                  |          | slots          |             |
          |------------------+----------+----------------+-------------|
          | Serial port 1    |   J22    |                |             |
          +------------------------------------------------------------+
       
          +------------------------------------------------------------+
          |                 USER CONFIGURABLE SETTINGS                 |
          |------------------------------------------------------------|
          |             Function             | Label |    Position     |
          |----------------------------------+-------+-----------------|
          | » | CMOS memory normal operation |  JP1  |   Pins 1 & 2    |
          |   |                              |       |     closed      |
          |---+------------------------------+-------+-----------------|
          |   | CMOS memory clear            |  JP1  |   Pins 2 & 3    |
          |   |                              |       |     closed      |
          |---+------------------------------+-------+-----------------|
          | » | Flash BIOS normal operation  |  JP2  |   Pins 2 & 3    |
          |   |                              |       |     closed      |
          |---+------------------------------+-------+-----------------|
          |   | Flash BIOS reserved          |  JP2  |   Pins 1 & 2    |
          |   |                              |       |     closed      |
          +------------------------------------------------------------+
       
          +------------------------------------------------------------+
          |                     SIMM CONFIGURATION                     |
          |------------------------------------------------------------|
          |    Size    |    Bank 0     |    Bank 1     |    Bank 2     |
          |------------+---------------+---------------+---------------|
          |    8MB     |  (2) 1M x 36  |     None      |     None      |
          |------------+---------------+---------------+---------------|
          |    16MB    |  (2) 2M x 36  |     None      |     None      |
          |------------+---------------+---------------+---------------|
          |    16MB    |  (2) 1M x 36  |  (2) 1M x 36  |     None      |
          |------------+---------------+---------------+---------------|
          |    24MB    |  (2) 1M x 36  |  (2) 2M x 36  |     None      |
          |------------+---------------+---------------+---------------|
          |    24MB    |  (2) 1M x 36  |  (2) 1M x 36  |  (2) 1M x 36  |
          |------------+---------------+---------------+---------------|
          |    32MB    |  (2) 4M x 36  |     None      |     None      |
          |------------+---------------+---------------+---------------|
          |    32MB    |  (2) 2M x 36  |  (2) 2M x 36  |     None      |
          |------------+---------------+---------------+---------------|
          |    32MB    |  (2) 1M x 36  |  (2) 1M x 36  |  (2) 2M x 36  |
          |------------+---------------+---------------+---------------|
          |    40MB    |  (2) 1M x 36  |  (2) 4M x 36  |     None      |
          |------------+---------------+---------------+---------------|
          |    48MB    |  (2) 2M x 36  |  (2) 4M x 36  |     None      |
          |------------+---------------+---------------+---------------|
          |    48MB    |  (2) 1M x 36  |  (2) 1M x 36  |  (2) 4M x 36  |
          |------------+---------------+---------------+---------------|
          |    48MB    |  (2) 2M x 36  |  (2) 2M x 36  |  (2) 2M x 36  |
          |------------+---------------+---------------+---------------|
          |    64MB    |  (2) 8M x 36  |     None      |     None      |
          |------------+---------------+---------------+---------------|
          |    64MB    |  (2) 4M x 36  |  (2) 4M x 36  |     None      |
          |------------+---------------+---------------+---------------|
          |    64MB    |  (2) 2M x 36  |  (2) 2M x 36  |  (2) 4M x 36  |
          |------------+---------------+---------------+---------------|
          |    72MB    |  (2) 1M x 36  |  (2) 8M x 36  |     None      |
          |------------+---------------+---------------+---------------|
          |    80MB    |  (2) 2M x 36  |  (2) 8M x 36  |     None      |
          |------------+---------------+---------------+---------------|
          |    80MB    |  (2) 1M x 36  |  (2) 1M x 36  |  (2) 8M x 36  |
          |------------+---------------+---------------+---------------|
          |    96MB    |  (2) 4M x 36  |  (2) 8M x 36  |     None      |
          |------------+---------------+---------------+---------------|
          |    96MB    |  (2) 2M x 36  |  (2) 2M x 36  |  (2) 8M x 36  |
          +------------------------------------------------------------+
       
          +------------------------------------------------------------+
          |                 SIMM CONFIGURATION (CON’T)                 |
          |------------------------------------------------------------|
          |    Size    |    Bank 0     |    Bank 1     |    Bank 2     |
          |------------+---------------+---------------+---------------|
          |    96MB    |  (2) 4M x 36  |  (2) 4M x 36  |  (2) 4M x 36  |
          |------------+---------------+---------------+---------------|
          |   128MB    | (2) 16M x 36  |     None      |     None      |
          |------------+---------------+---------------+---------------|
          |   128MB    |  (2) 8M x 36  |  (2) 8M x 36  |     None      |
          |------------+---------------+---------------+---------------|
          |   128MB    |  (2) 4M x 36  |  (2) 4M x 36  |  (2) 8M x 36  |
          |------------+---------------+---------------+---------------|
          |   136MB    |  (2) 1M x 36  | (2) 16M x 36  |     None      |
          |------------+---------------+---------------+---------------|
          |   144MB    |  (2) 2M x 36  | (2) 16M x 36  |     None      |
          |------------+---------------+---------------+---------------|
          |   144MB    |  (2) 1M x 36  |  (2) 1M x 36  | (2) 16M x 36  |
          |------------+---------------+---------------+---------------|
          |   160MB    |  (2) 4M x 36  | (2) 16M x 36  |     None      |
          |------------+---------------+---------------+---------------|
          |   160MB    |  (2) 2M x 36  |  (2) 2M x 36  | (2) 16M x 36  |
          |------------+---------------+---------------+---------------|
          |   192MB    |  (2) 8M x 36  | (2) 16M x 36  |     None      |
          |------------+---------------+---------------+---------------|
          |   192MB    |  (2) 4M x 36  |  (2) 4M x 36  | (2) 16M x 36  |
          |------------+---------------+---------------+---------------|
          |   192MB    |  (2) 8M x 36  |  (2) 8M x 36  |  (2) 8M x 36  |
          |------------+---------------+---------------+---------------|
          |   256MB    | (2) 32M x 36  |     None      |     None      |
          |------------+---------------+---------------+---------------|
          |   256MB    | (2) 16M x 36  | (2) 16M x 36  |     None      |
          |------------+---------------+---------------+---------------|
          |   256MB    |  (2) 8M x 36  |  (2) 8M x 36  | (2) 16M x 36  |
          |------------------------------------------------------------|
          |      Note: Board accepts EDO memory.                       |
          +------------------------------------------------------------+
       
          +------------------------------------------------------------+
          |                     DIMM CONFIGURATION                     |
          |------------------------------------------------------------|
          |       Size       |       Bank 3       |       Bank 4       |
          |------------------+--------------------+--------------------|
          |       8MB        |    (1) 1M x 64     |        None        |
          |------------------+--------------------+--------------------|
          |       16MB       |    (1) 2M x 64     |        None        |
          |------------------+--------------------+--------------------|
          |       16MB       |    (1) 1M x 64     |    (1) 1M x 64     |
          |------------------+--------------------+--------------------|
          |       24MB       |    (1) 2M x 64     |    (1) 1M x 64     |
          |------------------+--------------------+--------------------|
          |       32MB       |    (1) 4M x 64     |        None        |
          |------------------+--------------------+--------------------|
          |       32MB       |    (1) 2M x 64     |    (1) 2M x 64     |
          |------------------+--------------------+--------------------|
          |       40MB       |    (1) 4M x 64     |    (1) 1M x 64     |
          |------------------+--------------------+--------------------|
          |       48MB       |    (1) 4M x 64     |    (1) 2M x 64     |
          |------------------+--------------------+--------------------|
          |       64MB       |    (1) 8M x 64     |        None        |
          |------------------+--------------------+--------------------|
          |       64MB       |    (1) 4M x 64     |    (1) 4M x 64     |
          |------------------+--------------------+--------------------|
          |       72MB       |    (1) 8M x 64     |    (1) 1M x 64     |
          |------------------+--------------------+--------------------|
          |       80MB       |    (1) 8M x 64     |    (1) 2M x 64     |
          |------------------+--------------------+--------------------|
          |       96MB       |    (1) 8M x 64     |    (1) 4M x 64     |
          |------------------+--------------------+--------------------|
          |      128MB       |    (1) 8M x 64     |    (1) 8M x 64     |
          |------------------+--------------------+--------------------|
          |      256MB       |    (1) 16M x 64    |    (1) 16M x 64    |
          +------------------------------------------------------------+
       
          +------------------------------------------------------------+
          |                  DIMM/SIMM CONFIGURATION                   |
          |------------------------------------------------------------|
          | Size |  Bank 0   |  Bank 1  | Bank 2 |  Bank 3  |  Bank 4  |
          |------+-----------+----------+--------+----------+----------|
          | 16MB | (2) 1M x  |   None   |  None  | (1) 1M x |   None   |
          |      |    36     |          |        |    64    |          |
          |------+-----------+----------+--------+----------+----------|
          | 24MB | (2) 1M x  |   None   |  None  | (1) 2M x |   None   |
          |      |    36     |          |        |    64    |          |
          |------+-----------+----------+--------+----------+----------|
          | 24MB | (2) 1M x  |   None   |  None  | (1) 1M x | (1) 1M x |
          |      |    36     |          |        |    64    |    64    |
          |------+-----------+----------+--------+----------+----------|
          | 24MB | (2) 1M x  | (2) 1M x |  None  |   None   | (1) 1M x |
          |      |    36     |    36    |        |          |    64    |
          |------+-----------+----------+--------+----------+----------|
          | 32MB | (2) 1M x  |   None   |  None  | (1) 1M x | (1) 2M x |
          |      |    36     |          |        |    64    |    64    |
          |------+-----------+----------+--------+----------+----------|
          | 32MB | (2) 2M x  |   None   |  None  | (1) 2M x |   None   |
          |      |    36     |          |        |    64    |          |
          |------+-----------+----------+--------+----------+----------|
          | 32MB | (2) 2M x  |   None   |  None  | (1) 1M x | (1) 1M x |
          |      |    36     |          |        |    64    |    64    |
          |------+-----------+----------+--------+----------+----------|
          | 32MB | (2) 1M x  | (2) 1M x |  None  |   None   | (1) 2M x |
          |      |    36     |    36    |        |          |    64    |
          |------+-----------+----------+--------+----------+----------|
          | 40MB | (2) 1M x  |   None   |  None  | (1) 4M x |   None   |
          |      |    36     |          |        |    64    |          |
          |------+-----------+----------+--------+----------+----------|
          | 40MB | (2) 1M x  |   None   |  None  | (1) 2M x | (1) 2M x |
          |      |    36     |          |        |    64    |    64    |
          |------+-----------+----------+--------+----------+----------|
          | 40MB | (2) 2M x  |   None   |  None  | (1) 1M x | (1) 2M x |
          |      |    36     |          |        |    64    |    64    |
          |------+-----------+----------+--------+----------+----------|
          | 40MB | (2) 2M x  | (2) 2M x |  None  |   None   | (1) 1M x |
          |      |    36     |    36    |        |          |    64    |
          |------+-----------+----------+--------+----------+----------|
          | 48MB | (2) 1M x  |   None   |  None  | (1) 1M x | (1) 4M x |
          |      |    36     |          |        |    64    |    64    |
          |------+-----------+----------+--------+----------+----------|
          | 48MB | (2) 2M x  |   None   |  None  | (1) 4M x |   None   |
          |      |    36     |          |        |    64    |          |
          |------+-----------+----------+--------+----------+----------|
          | 48MB | (2) 2M x  |   None   |  None  | (1) 2M x | (1) 2M x |
          |      |    36     |          |        |    64    |    64    |
          |------+-----------+----------+--------+----------+----------|
          | 48MB | (2) 4M x  |   None   |  None  | (1) 1M x | (1) 1M x |
          |      |    36     |          |        |    64    |    64    |
          |------+-----------+----------+--------+----------+----------|
          | 48MB | (2) 1M x  | (2) 1M x |  None  |   None   | (1) 4M x |
          |      |    36     |    36    |        |          |    64    |
          |------+-----------+----------+--------+----------+----------|
          | 48MB | (2) 2M x  | (2) 2M x |  None  |   None   | (1) 2M x |
          |      |    36     |    36    |        |          |    64    |
          |------+-----------+----------+--------+----------+----------|
          | 56MB | (2) 1M x  |   None   |  None  | (1) 2M x | (1) 4M x |
          |      |    36     |          |        |    64    |    64    |
          |------+-----------+----------+--------+----------+----------|
          | 56MB | (2) 2M x  |   None   |  None  | (1) 1M x | (1) 4M x |
          |      |    36     |          |        |    64    |    64    |
          |------+-----------+----------+--------+----------+----------|
          | 56MB | (2) 4M x  |   None   |  None  | (1) 1M x | (1) 2M x |
          |      |    36     |          |        |    64    |    64    |
          |------+-----------+----------+--------+----------+----------|
          | 64MB | (2) 2M x  |   None   |  None  | (1) 2M x | (1) 4M x |
          |      |    36     |          |        |    64    |    64    |
          |------+-----------+----------+--------+----------+----------|
          | 64MB | (2) 4M x  |   None   |  None  | (1) 4M x |   None   |
          |      |    36     |          |        |    64    |          |
          |------+-----------+----------+--------+----------+----------|
          | 64MB | (2) 4M x  |   None   |  None  | (1) 2M x | (1) 2M x |
          |      |    36     |          |        |    64    |    64    |
          |------+-----------+----------+--------+----------+----------|
          | 64MB | (2) 2M x  | (2) 2M x |  None  |   None   | (1) 4M x |
          |      |    36     |    36    |        |          |    64    |
          |------+-----------+----------+--------+----------+----------|
          | 72MB | (2) 1M x  |   None   |  None  | (1) 8M x |   None   |
          |      |    36     |          |        |    64    |          |
          |------+-----------+----------+--------+----------+----------|
          | 72MB | (2) 1M x  |   None   |  None  | (1) 4M x | (1) 4M x |
          |      |    36     |          |        |    64    |    64    |
          |------+-----------+----------+--------+----------+----------|
          | 72MB | (2) 4M x  |   None   |  None  | (1) 1M x | (1) 4M x |
          |      |    36     |          |        |    64    |    64    |
          |------+-----------+----------+--------+----------+----------|
          | 72MB | (2) 4M x  | (2) 4M x |  None  |   None   | (1) 1M x |
          |      |    36     |    36    |        |          |    64    |
          |------+-----------+----------+--------+----------+----------|
          | 80MB | (2) 1M x  |   None   |  None  | (1) 1M x | (1) 8M x |
          |      |    36     |          |        |    64    |    64    |
          |------+-----------+----------+--------+----------+----------|
          | 80MB | (2) 2M x  |   None   |  None  | (1) 8M x |   None   |
          |      |    36     |          |        |    64    |          |
          |------+-----------+----------+--------+----------+----------|
          | 80MB | (2) 2M x  |   None   |  None  | (1) 4M x | (1) 4M x |
          |      |    36     |          |        |    64    |    64    |
          |------+-----------+----------+--------+----------+----------|
          | 80MB | (2) 4M x  |   None   |  None  | (1) 2M x | (1) 4M x |
          |      |    36     |          |        |    64    |    64    |
          |------+-----------+----------+--------+----------+----------|
          | 80MB | (2) 8M x  |   None   |  None  | (1) 1M x | (1) 1M x |
          |      |    36     |          |        |    64    |    64    |
          |------+-----------+----------+--------+----------+----------|
          | 80MB | (2) 4M x  | (2) 4M x |  None  |   None   | (1) 2M x |
          |      |    36     |    36    |        |          |    64    |
          |------+-----------+----------+--------+----------+----------|
          | 88MB | (2) 1M x  |   None   |  None  | (1) 2M x | (1) 8M x |
          |      |    36     |          |        |    64    |    64    |
          |------+-----------+----------+--------+----------+----------|
          | 88MB | (2) 2M x  |   None   |  None  | (1) 1M x | (1) 8M x |
          |      |    36     |          |        |    64    |    64    |
          |------+-----------+----------+--------+----------+----------|
          | 88MB | (2) 8M x  |   None   |  None  | (1) 1M x | (1) 2M x |
          |      |    36     |          |        |    64    |    64    |
          |------+-----------+----------+--------+----------+----------|
          | 96MB | (2) 4M x  |   None   |  None  | (1) 8M x |   None   |
          |      |    36     |          |        |    64    |          |
          |------+-----------+----------+--------+----------+----------|
          | 96MB | (2) 4M x  |   None   |  None  | (1) 4M x | (1) 4M x |
          |      |    36     |          |        |    64    |    64    |
          |------+-----------+----------+--------+----------+----------|
          | 96MB | (2) 8M x  |   None   |  None  | (1) 2M x | (1) 2M x |
          |      |    36     |          |        |    64    |    64    |
          |------+-----------+----------+--------+----------+----------|
          | 96MB | (2) 4M x  | (2) 4M x |  None  |   None   | (1) 4M x |
          |      |    36     |    36    |        |          |    64    |
          +------------------------------------------------------------+
       
          +------------------------------------------------------------+
          |              DIMM/SIMM CONFIGURATION (CON’T)               |
          |------------------------------------------------------------|
          | Size  |  Bank 0  |  Bank 1  | Bank 2 |  Bank 3  |  Bank 4  |
          |-------+----------+----------+--------+----------+----------|
          | 104MB | (2) 1M x |   None   |  None  | (1) 4M x | (1) 8M x |
          |       |    36    |          |        |    64    |    64    |
          |-------+----------+----------+--------+----------+----------|
          | 104MB | (2) 4M x |   None   |  None  | (1) 1M x | (1) 8M x |
          |       |    36    |          |        |    64    |    64    |
          |-------+----------+----------+--------+----------+----------|
          | 104MB | (2) 8M x |   None   |  None  | (1) 1M x | (1) 4M x |
          |       |    36    |          |        |    64    |    64    |
          |-------+----------+----------+--------+----------+----------|
          | 112MB | (2) 2M x |   None   |  None  | (1) 4M x | (1) 8M x |
          |       |    36    |          |        |    64    |    64    |
          |-------+----------+----------+--------+----------+----------|
          | 112MB | (2) 4M x |   None   |  None  | (1) 2M x | (1) 8M x |
          |       |    36    |          |        |    64    |    64    |
          |-------+----------+----------+--------+----------+----------|
          | 112MB | (2) 8M x |   None   |  None  | (1) 2M x | (1) 4M x |
          |       |    36    |          |        |    64    |    64    |
          |-------+----------+----------+--------+----------+----------|
          | 128MB | (2) 4M x |   None   |  None  | (1) 4M x | (1) 8M x |
          |       |    36    |          |        |    64    |    64    |
          |-------+----------+----------+--------+----------+----------|
          | 128MB | (2) 8M x |   None   |  None  | (1) 8M x |   None   |
          |       |    36    |          |        |    64    |          |
          |-------+----------+----------+--------+----------+----------|
          | 128MB | (2) 8M x |   None   |  None  | (1) 4M x | (1) 4M x |
          |       |    36    |          |        |    64    |    64    |
          |-------+----------+----------+--------+----------+----------|
          | 136MB | (2) 1M x |   None   |  None  | (1) 8M x | (1) 8M x |
          |       |    36    |          |        |    64    |    64    |
          |-------+----------+----------+--------+----------+----------|
          | 136MB | (2) 8M x |   None   |  None  | (1) 1M x | (1) 8M x |
          |       |    36    |          |        |    64    |    64    |
          |-------+----------+----------+--------+----------+----------|
          | 136MB | (2) 16M  |   None   |  None  | (1) 1M x |   None   |
          |       |   x 36   |          |        |    64    |          |
          |-------+----------+----------+--------+----------+----------|
          | 136MB | (2) 8M x | (2) 8M x |  None  |   None   | (1) 1M x |
          |       |    36    |    36    |        |          |    64    |
          |-------+----------+----------+--------+----------+----------|
          | 144MB | (2) 2M x |   None   |  None  | (1) 8M x | (1) 8M x |
          |       |    36    |          |        |    64    |    64    |
          |-------+----------+----------+--------+----------+----------|
          | 144MB | (2) 8M x |   None   |  None  | (1) 2M x | (1) 8M x |
          |       |    36    |          |        |    64    |    64    |
          |-------+----------+----------+--------+----------+----------|
          | 144MB | (2) 16M  |   None   |  None  | (1) 2M x |   None   |
          |       |   x 36   |          |        |    64    |          |
          |-------+----------+----------+--------+----------+----------|
          | 144MB | (2) 16M  |   None   |  None  | (1) 1M x | (1) 1M x |
          |       |   x 36   |          |        |    64    |    64    |
          |-------+----------+----------+--------+----------+----------|
          | 144MB | (2) 1M x | (2) 1M x |  None  |   None   | (1) 16M  |
          |       |    36    |    36    |        |          |   x 64   |
          |-------+----------+----------+--------+----------+----------|
          | 144MB | (2) 8M x | (2) 8M x |  None  |   None   | (1) 2M x |
          |       |    36    |    36    |        |          |    64    |
          |-------+----------+----------+--------+----------+----------|
          | 160MB | (2) 4M x |   None   |  None  | (1) 8M x | (1) 8M x |
          |       |    36    |          |        |    64    |    64    |
          |-------+----------+----------+--------+----------+----------|
          | 160MB | (2) 8M x |   None   |  None  | (1) 4M x | (1) 8M x |
          |       |    36    |          |        |    64    |    64    |
          |-------+----------+----------+--------+----------+----------|
          | 160MB | (2) 16M  |   None   |  None  | (1) 4M x |   None   |
          |       |   x 36   |          |        |    64    |          |
          |-------+----------+----------+--------+----------+----------|
          | 160MB | (2) 16M  |   None   |  None  | (1) 2M x | (1) 2M x |
          |       |   x 36   |          |        |    64    |    64    |
          |-------+----------+----------+--------+----------+----------|
          | 160MB | (2) 2M x | (2) 2M x |  None  |   None   | (1) 16M  |
          |       |    36    |    36    |        |          |   x 64   |
          |-------+----------+----------+--------+----------+----------|
          | 160MB | (2) 8M x | (2) 8M x |  None  |   None   | (1) 4M x |
          |       |    36    |    36    |        |          |    64    |
          |-------+----------+----------+--------+----------+----------|
          | 168MB | (2) 16M  |   None   |  None  | (1) 1M x | (1) 4M x |
          |       |   x 36   |          |        |    64    |    64    |
          |-------+----------+----------+--------+----------+----------|
          | 176MB | (2) 16M  |   None   |  None  | (1) 2M x | (1) 4M x |
          |       |   x 36   |          |        |    64    |    64    |
          |-------+----------+----------+--------+----------+----------|
          | 192MB | (2) 8M x |   None   |  None  | (1) 8M x | (1) 8M x |
          |       |    36    |          |        |    64    |    64    |
          |-------+----------+----------+--------+----------+----------|
          | 192MB | (2) 16M  |   None   |  None  | (1) 8M x |   None   |
          |       |   x 36   |          |        |    64    |          |
          |-------+----------+----------+--------+----------+----------|
          | 192MB | (2) 16M  |   None   |  None  | (1) 4M x | (1) 4M x |
          |       |   x 36   |          |        |    64    |    64    |
          |-------+----------+----------+--------+----------+----------|
          | 192MB | (2) 4M x | (2) 4M x |  None  |   None   | (1) 16M  |
          |       |    36    |    36    |        |          |   x 64   |
          |-------+----------+----------+--------+----------+----------|
          | 200MB | (2) 16M  |   None   |  None  | (1) 1M x | (1) 8M x |
          |       |   x 36   |          |        |    64    |    64    |
          |-------+----------+----------+--------+----------+----------|
          | 208MB | (2) 16M  |   None   |  None  | (1) 2M x | (1) 8M x |
          |       |   x 36   |          |        |    64    |    64    |
          |-------+----------+----------+--------+----------+----------|
          | 256MB | (2) 16M  |   None   |  None  | (1) 8M x | (1) 8M x |
          |       |   x 36   |          |        |    64    |    64    |
          |-------+----------+----------+--------+----------+----------|
          | 256MB | (2) 8M x | (2) 8M x |  None  |   None   | (1) 16M  |
          |       |    36    |    36    |        |          |   x 64   |
          +------------------------------------------------------------+
       
          +------------------------------------------------------------+
          |                    CACHE CONFIGURATION                     |
          |------------------------------------------------------------|
          |            Size            |            Bank 0             |
          |----------------------------+-------------------------------|
          |           256KB            |         (2) 32K x 32          |
          |----------------------------+-------------------------------|
          |           512KB            |         (2) 64K x 32          |
          |------------------------------------------------------------|
          | Note: The location of bank 0 is unidentified.              |
          +------------------------------------------------------------+
       
          +------------------------------------------------------------+
          |                CPU SPEED SELECTION (CYRIX)                 |
          |------------------------------------------------------------|
          |  CPU  | Clock  |Multiplier| JP4 | JP5 | JP6 |JP7 |JP8 |JP60|
          | speed | speed  |          |     |     |     |    |    |    |
          |-------+--------+----------+-----+-----+-----+----+----+----|
          |150MHz | 60MHz  |    2x    |1 & 2|2 & 3|2 & 3|2 & |1 & |Open|
          |       |        |          |     |     |     | 3  | 2  |    |
          |-------+--------+----------+-----+-----+-----+----+----+----|
          |166MHz | 66MHz  |    2x    |1 & 2|2 & 3|2 & 3|1 & |2 & |Open|
          |       |        |          |     |     |     | 2  | 3  |    |
          |------------------------------------------------------------|
          |Note: Pins designated should be in the closed position.     |
          +------------------------------------------------------------+
       
          +------------------------------------------------------------+
          |                CPU SPEED SELECTION (AM K5)                 |
          |------------------------------------------------------------|
          |  CPU  | Clock  |Multiplier| JP4 | JP5 | JP6 |JP7 |JP8 |JP60|
          | speed | speed  |          |     |     |     |    |    |    |
          |-------+--------+----------+-----+-----+-----+----+----+----|
          | 75MHz | 50MHz  |   1.5x   |1 & 2|1 & 2|2 & 3|2 & |2 & |Open|
          |       |        |          |     |     |     | 3  | 3  |    |
          |-------+--------+----------+-----+-----+-----+----+----+----|
          | 90MHz | 60MHz  |   1.5x   |1 & 2|1 & 2|2 & 3|2 & |1 & |Open|
          |       |        |          |     |     |     | 3  | 2  |    |
          |-------+--------+----------+-----+-----+-----+----+----+----|
          |100MHz | 66MHz  |   1.5x   |1 & 2|1 & 2|2 & 3|1 & |2 & |Open|
          |       |        |          |     |     |     | 2  | 3  |    |
          |-------+--------+----------+-----+-----+-----+----+----+----|
          |120MHz | 60MHz  |   1.5x   |1 & 2|1 & 2|2 & 3|2 & |1 & |Open|
          |       |        |          |     |     |     | 3  | 2  |    |
          |-------+--------+----------+-----+-----+-----+----+----+----|
          |133MHz | 66MHz  |    2x    |1 & 2|2 & 3|2 & 3|1 & |2 & |Open|
          |       |        |          |     |     |     | 2  | 3  |    |
          |-------+--------+----------+-----+-----+-----+----+----+----|
          |166MHz | 66MHz  |   2.5x   |2 & 3|2 & 3|2 & 3|1 & |2 & |Open|
          |       |        |          |     |     |     | 2  | 3  |    |
          |------------------------------------------------------------|
          |Note: Pins designated should be in the closed position.     |
          +------------------------------------------------------------+
       
          +------------------------------------------------------------+
          |                CPU SPEED SELECTION (AM K6)                 |
          |------------------------------------------------------------|
          |  CPU  | Clock  |Multiplier| JP4 | JP5 |JP6 |JP7 |JP8 |JP60 |
          | speed | speed  |          |     |     |    |    |    |     |
          |-------+--------+----------+-----+-----+----+----+----+-----|
          |166MHz | 66MHz  |   2.5x   |2 & 3|2 & 3|2 & |1 & |2 & |Open |
          |       |        |          |     |     | 3  | 2  | 3  |     |
          |-------+--------+----------+-----+-----+----+----+----+-----|
          |200MHz | 66MHz  |    3x    |2 & 3|1 & 2|2 & |1 & |2 & |Open |
          |       |        |          |     |     | 3  | 2  | 3  |     |
          |-------+--------+----------+-----+-----+----+----+----+-----|
          |233MHz | 66MHz  |   3.5x   |1 & 2|1 & 2|2 & |1 & |2 & |1 & 2|
          |       |        |          |     |     | 3  | 2  | 3  |     |
          |------------------------------------------------------------|
          |Note: Pins designated should be in the closed position.     |
          +------------------------------------------------------------+
       
          +------------------------------------------------------------+
          |                CPU SPEED SELECTION (INTEL)                 |
          |------------------------------------------------------------|
          |  CPU  | Clock  |Multiplier| JP4 | JP5 | JP6 |JP7 |JP8 |JP60|
          | speed | speed  |          |     |     |     |    |    |    |
          |-------+--------+----------+-----+-----+-----+----+----+----|
          | 75MHz | 50MHz  |   1.5x   |1 & 2|1 & 2|2 & 3|2 & |2 & |Open|
          |       |        |          |     |     |     | 3  | 3  |    |
          |-------+--------+----------+-----+-----+-----+----+----+----|
          | 90MHz | 60MHz  |   1.5x   |1 & 2|1 & 2|2 & 3|2 & |1 & |Open|
          |       |        |          |     |     |     | 3  | 2  |    |
          |-------+--------+----------+-----+-----+-----+----+----+----|
          |100MHz | 66MHz  |   1.5x   |1 & 2|1 & 2|2 & 3|1 & |2 & |Open|
          |       |        |          |     |     |     | 2  | 3  |    |
          |-------+--------+----------+-----+-----+-----+----+----+----|
          |120MHz | 60MHz  |    2x    |1 & 2|2 & 3|2 & 3|2 & |1 & |Open|
          |       |        |          |     |     |     | 3  | 2  |    |
          |-------+--------+----------+-----+-----+-----+----+----+----|
          |133MHz | 66MHz  |    2x    |1 & 2|2 & 3|2 & 3|1 & |2 & |Open|
          |       |        |          |     |     |     | 2  | 3  |    |
          |-------+--------+----------+-----+-----+-----+----+----+----|
          |150MHz | 60MHz  |   2.5x   |2 & 3|2 & 3|2 & 3|2 & |1 & |Open|
          |       |        |          |     |     |     | 3  | 2  |    |
          |-------+--------+----------+-----+-----+-----+----+----+----|
          |166MHz | 66MHz  |   2.5x   |2 & 3|2 & 3|2 & 3|1 & |2 & |Open|
          |       |        |          |     |     |     | 2  | 3  |    |
          |-------+--------+----------+-----+-----+-----+----+----+----|
          |180MHz | 60MHz  |    3x    |2 & 3|1 & 2|2 & 3|2 & |1 & |Open|
          |       |        |          |     |     |     | 3  | 2  |    |
          |-------+--------+----------+-----+-----+-----+----+----+----|
          |200MHz | 66MHz  |    3x    |2 & 3|1 & 2|2 & 3|1 & |2 & |Open|
          |       |        |          |     |     |     | 2  | 3  |    |
          |-------+--------+----------+-----+-----+-----+----+----+----|
          |233MHz | 66MHz  |   3.5x   |1 & 2|1 & 2|2 & 3|1 & |2 & |Open|
          |       |        |          |     |     |     | 2  | 3  |    |
          |------------------------------------------------------------|
          |Note: Pins designated should be in the closed position.     |
          +------------------------------------------------------------+
       
          +-------------------------------------------------------------+
          |                     CPU TYPE SELECTION                      |
          |-------------------------------------------------------------|
          |   Type    | JP11 | JP12 | JP13 | JP14 |JP15|JP16| JP17 |JP18|
          |-----------+------+------+------+------+----+----+------+----|
          |  CX 6X86  | Open |Closed| Open | Open |Open|Open|Closed|Open|
          |-----------+------+------+------+------+----+----+------+----|
          | CX 6X86L  | Open | Open | Open |Closed|Open|Open|Closed|Open|
          |-----------+------+------+------+------+----+----+------+----|
          |P54C/CS/CTB| Open |Closed| Open | Open |Open|Open|Closed|Open|
          |-----------+------+------+------+------+----+----+------+----|
          |   AM K5   | Open | Open |Closed| Open |Open|Open|Closed|Open|
          |-----------+------+------+------+------+----+----+------+----|
          |    AM     | Open | Open | Open |Closed|Open|Open|Closed|Open|
          |K6-166/200 |      |      |      |      |    |    |      |    |
          |-----------+------+------+------+------+----+----+------+----|
          | AM K6-233 |Closed| Open | Open | Open |Open|Open|Closed|Open|
          |-----------+------+------+------+------+----+----+------+----|
          |   P55C    | Open | Open | Open |Closed|Open|Open|Closed|Open|
          +-------------------------------------------------------------+