(TXT) View Source
       
       # MICRONICS COMPUTERS, INC.
       
          M55HI-PLUS
       
          Processor        Pentium                                       
          Processor Speed  90/100/120/133/150/166/200MHz                 
          Chip Set         Intel                                         
          Video Chip Set   None                                          
          Maximum Onboard  256MB (EDO supported)                         
          Memory           
          Maximum Video    None                                          
          Memory           
          Cache            512KB                                         
          BIOS             Phoenix                                       
          Dimensions       330mm x 218mm                                 
          I/O Options      32-bit PCI slots (4), bus mouse port, CD-ROM  
                           audio input connector, floppy drive           
                           interface, IDE interfaces (2), parallel port, 
                           PS/2 mouse port, serial ports (2), IR         
                           connector, USB connectors (2), microphone     
                           connector, audio line in connector, audio     
                           line out connector, external audio connector, 
                           wavetable connector, game/MIDI port           
          NPU Options      None                                          
       
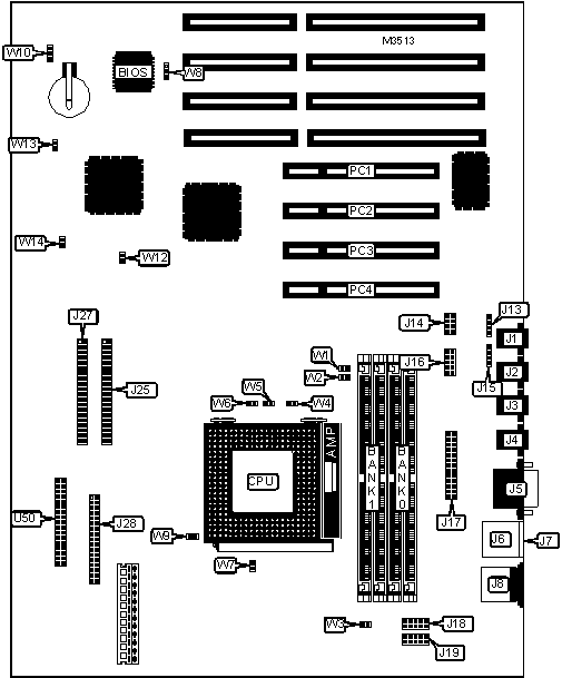
 (IMG) IMG 1
          
       
          +------------------------------------------------------------+
          |                        CONNECTIONS                         |
          |------------------------------------------------------------|
          | Purpose          | Location | Purpose         |  Location  |
          |------------------+----------+-----------------+------------|
          | Microphone in    |    J1    | Serial port 1   |    J19     |
          | connector        |          |                 |            |
          |------------------+----------+-----------------+------------|
          | Audio line in    |    J2    | IDE interface 2 |    J25     |
          | connector        |          |                 |            |
          |------------------+----------+-----------------+------------|
          | Audio line out   |    J3    | IDE interface 1 |    J27     |
          | connector        |          |                 |            |
          |------------------+----------+-----------------+------------|
          | Speaker out      |    J4    | Floppy drive    |    J28     |
          | connector        |          | interface       |            |
          |------------------+----------+-----------------+------------|
          | Game/MIDI port   |    J5    | 32-bit PCI      | PC1 - PC4  |
          |                  |          | slots           |            |
          |------------------+----------+-----------------+------------|
          | USB connector    |    J6    | System power    | U50 pins 1 |
          |                  |          | on/off          |    & 2     |
          |                  |          | connector       |            |
          |------------------+----------+-----------------+------------|
          | USB connector    |    J7    | IR connector    | U50 pins 6 |
          |                  |          |                 |    - 10    |
          |------------------+----------+-----------------+------------|
          | PS/2 mouse port  |    J8    | Reset switch    |  U50 pins  |
          |                  |          |                 |  12 & 13   |
          |------------------+----------+-----------------+------------|
          | CD-ROM audio     |   J13    | Speaker         |  U50 pins  |
          | connector        |          |                 |  14 - 17   |
          |------------------+----------+-----------------+------------|
          | Wavetable        |   J14    | Power LED &     |  U50 pins  |
          | connector        |          | keylock         |  18 - 22   |
          |------------------+----------+-----------------+------------|
          | Modem connector  |   J15    | IDE interface   |  U50 pins  |
          |                  |          | LED             |  23 & 24   |
          |------------------+----------+-----------------+------------|
          | External audio   |   J16    | Turbo LED       |  U50 pins  |
          | connector        |          |                 |  25 & 26   |
          |------------------+----------+-----------------+------------|
          | Parallel port    |   J17    | Case fan        |     W3     |
          |                  |          | connector       |            |
          |------------------+----------+-----------------+------------|
          | Serial port 2    |   J18    | Chassis fan     |     W9     |
          |                  |          | power           |            |
          +------------------------------------------------------------+
       
          +------------------------------------------------------------+
          |                 USER CONFIGURABLE SETTINGS                 |
          |------------------------------------------------------------|
          |              Function               | Label |   Position   |
          |-------------------------------------+-------+--------------|
          | » | Flash BIOS normal operation     |  W8   |  Pins 1 & 2  |
          |   |                                 |       |    closed    |
          |---+---------------------------------+-------+--------------|
          |   | Flash BIOS recovery mode        |  W8   |  Pins 2 & 3  |
          |   |                                 |       |    closed    |
          |---+---------------------------------+-------+--------------|
          | » | CMOS memory normal operation    |  W10  |  Pins 1 & 2  |
          |   |                                 |       |    closed    |
          |---+---------------------------------+-------+--------------|
          |   | CMOS memory clear               |  W10  |  Pins 2 & 3  |
          |   |                                 |       |    closed    |
          |---+---------------------------------+-------+--------------|
          | » | System soft power down enabled  |  W14  |     Open     |
          |---+---------------------------------+-------+--------------|
          |   | System soft power down disabled |  W14  |    Closed    |
          +------------------------------------------------------------+
       
          +------------------------------------------------------------+
          |                     DRAM CONFIGURATION                     |
          |------------------------------------------------------------|
          |      Size      |       Bank 0        |       Bank 1        |
          |----------------+---------------------+---------------------|
          |      8MB       |     (2) 1M x 36     |        None         |
          |----------------+---------------------+---------------------|
          |      16MB      |     (2) 2M x 36     |        None         |
          |----------------+---------------------+---------------------|
          |      16MB      |     (2) 1M x 36     |     (2) 1M x 36     |
          |----------------+---------------------+---------------------|
          |      24MB      |     (2) 2M x 36     |     (2) 1M x 36     |
          |----------------+---------------------+---------------------|
          |      32MB      |     (2) 4M x 36     |        None         |
          |----------------+---------------------+---------------------|
          |      32MB      |     (2) 2M x 36     |     (2) 2M x 36     |
          |----------------+---------------------+---------------------|
          |      40MB      |     (2) 4M x 36     |     (2) 1M x 36     |
          |----------------+---------------------+---------------------|
          |      48MB      |     (2) 4M x 36     |     (2) 2M x 36     |
          |----------------+---------------------+---------------------|
          |      64MB      |     (2) 8M x 36     |        None         |
          |----------------+---------------------+---------------------|
          |      64MB      |     (2) 4M x 36     |     (2) 4M x 36     |
          |----------------+---------------------+---------------------|
          |      72MB      |     (2) 8M x 36     |     (2) 1M x 36     |
          |----------------+---------------------+---------------------|
          |      80MB      |     (2) 8M x 36     |     (2) 2M x 36     |
          |----------------+---------------------+---------------------|
          |      96MB      |     (2) 8M x 36     |     (2) 4M x 36     |
          |----------------+---------------------+---------------------|
          |     128MB      |     (2) 8M x 36     |     (2) 8M x 36     |
          |----------------+---------------------+---------------------|
          |     128MB      |    (2) 16M x 36     |        None         |
          |----------------+---------------------+---------------------|
          |     256MB      |    (2) 16M x 36     |    (2) 16M x 36     |
          |------------------------------------------------------------|
          | Note: Board accepts EDO memory. Board also accepts x 32    |
          | SIMMs.                                                     |
          +------------------------------------------------------------+
       
          +------------------------------------------------------------+
          |                 DRAM JUMPER CONFIGURATION                  |
          |------------------------------------------------------------|
          |     Cacheable DRAM range      |            W12             |
          |-------------------------------+----------------------------|
          |            Normal             |            Open            |
          |-------------------------------+----------------------------|
          |           Extended            |           Closed           |
          +------------------------------------------------------------+
       
          +------------------------------------------------------------+
          |                    CACHE CONFIGURATION                     |
          |------------------------------------------------------------|
          | Note: The location of the 512KB cache is unidentified.     |
          +------------------------------------------------------------+
       
          +------------------------------------------------------------+
          |                    CPU SPEED SELECTION                     |
          |------------------------------------------------------------|
          |  Speed   |   W1    |   W2    |   W4    |   W5    |   W6    |
          |----------+---------+---------+---------+---------+---------|
          |  90MHz   | Closed  |  Open   | Closed  |  Open   |  Open   |
          |----------+---------+---------+---------+---------+---------|
          |  100MHz  |  Open   | Closed  |  Open   |  Open   |  Open   |
          |----------+---------+---------+---------+---------+---------|
          |  120MHz  | Closed  |  Open   | Closed  |  Open   | Closed  |
          |----------+---------+---------+---------+---------+---------|
          |  133MHz  |  Open   | Closed  |  Open   |  Open   | Closed  |
          |----------+---------+---------+---------+---------+---------|
          |  150MHz  | Closed  |  Open   | Closed  | Closed  | Closed  |
          |----------+---------+---------+---------+---------+---------|
          |  166MHz  |  Open   | Closed  |  Open   | Closed  | Closed  |
          |----------+---------+---------+---------+---------+---------|
          |  200MHz  |  Open   | Closed  |  Open   | Closed  |  Open   |
          +------------------------------------------------------------+
       
          +------------------------------------------------------------+
          |                     CPU TYPE SELECTION                     |
          |------------------------------------------------------------|
          |            Type             |              W7              |
          |-----------------------------+------------------------------|
          |             VR              |            Closed            |
          |-----------------------------+------------------------------|
          |             VRE             |             Open             |
          +------------------------------------------------------------+
       
          +------------------------------------------------------------+
          |                   AT BUS CLOCK SELECTION                   |
          |------------------------------------------------------------|
          |             Speed             |            W13             |
          |-------------------------------+----------------------------|
          | »   |           1/4           |           Closed           |
          |-----+-------------------------+----------------------------|
          |     |           1/3           |            Open            |
          +------------------------------------------------------------+