(TXT) View Source
       
       # OCEAN INFORMATION SYSTEMS, INC.
       
          HIPPO 10 486
       
       Processor  CX486S/UMCU5/80486SX/CX486DX/(SL)AM486DX/80486DX/                   
                  (SL)80486DX/CX486DX2/(SL)AM486DX2/80486DX2/SL80486DX2/              
                  AM486DX4/(SL)AM486DX4/80486DX4/P24D/P24T                            
       Processor  25/33/40/50(internal)/50/66(internal)/80(internal)/100(internal)MHz 
       Speed      
       Chip Set   Unidentified                                                        
       Video Chip None                                                                
       Set        
       Maximum    64MB                                                                
       Onboard    
       Memory     
       Maximum    None                                                                
       Video      
       Memory     
       Cache      128/256/512KB                                                       
       BIOS       Unidentified                                                        
       Dimensions 254mm x 218mm                                                       
       I/O        32-bit VESA local bus slots (2), floppy drive interface, game       
       Options    interface, green PC connector, IDE interfaces (2), parallel port,   
                  serial ports (2)                                                    
       NPU        None                                                                
       Options    
       
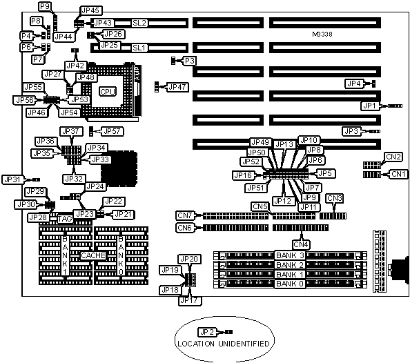
 (IMG) IMG 1
          
       
          +------------------------------------------------------------+
          |                        CONNECTIONS                         |
          |------------------------------------------------------------|
          |      Function       | Label |      Function       | Label  |
          |---------------------+-------+---------------------+--------|
          | Serial port 1       |  CN1  | IDE interface 1     |  JP44  |
          |---------------------+-------+---------------------+--------|
          | Serial port 2       |  CN2  | IDE interface 2     |  JP45  |
          |---------------------+-------+---------------------+--------|
          | Game interface      |  CN3  | Chassis fan power   |   P3   |
          |---------------------+-------+---------------------+--------|
          | Floppy drive        |  CN4  | Turbo switch        |   P4   |
          | interface           |       |                     |        |
          |---------------------+-------+---------------------+--------|
          | Parallel port       |  CN5  | Turbo LED           |   P6   |
          |---------------------+-------+---------------------+--------|
          | IDE interface 1     |  CN6  | Reset switch        |   P7   |
          |---------------------+-------+---------------------+--------|
          | IDE interface 2     |  CN7  | Speaker             |   P8   |
          |---------------------+-------+---------------------+--------|
          | External battery    |  JP1  | Power LED & keylock |   P9   |
          |---------------------+-------+---------------------+--------|
          | Green PC connector  | JP43  | 32-bit VESA local   | SL1 &  |
          |                     |       | bus slots           |  SL2   |
          +------------------------------------------------------------+
       
          +------------------------------------------------------------+
          |                 USER CONFIGURABLE SETTINGS                 |
          |------------------------------------------------------------|
          |                Setting                | Label |  Position  |
          |---------------------------------------+-------+------------|
          | » | CMOS memory normal operation      |  JP1  | Pins 2 & 3 |
          |   |                                   |       |   closed   |
          |---+-----------------------------------+-------+------------|
          |   | CMOS memory clear                 |  JP1  | Pins 3 & 4 |
          |   |                                   |       |   closed   |
          |---+-----------------------------------+-------+------------|
          | » | Factory configured - do not alter |  JP2  |    Open    |
          |---+-----------------------------------+-------+------------|
          | » | Factory configured - do not alter |  JP3  | Pins 1 & 2 |
          |   |                                   |       |   closed   |
          |---+-----------------------------------+-------+------------|
          | » | Factory configured - do not alter |  JP4  |   Closed   |
          |---+-----------------------------------+-------+------------|
          |   | Floppy drive interface enabled    |  JP7  | Pins 1 & 2 |
          |   |                                   |       |   closed   |
          |---+-----------------------------------+-------+------------|
          |   | Floppy drive interface disabled   |  JP7  | Pins 2 & 3 |
          |   |                                   |       |   closed   |
          |---+-----------------------------------+-------+------------|
          |   | Parallel port address select 378H |  JP8  | Pins 1 & 2 |
          |   |                                   |       |   closed   |
          |---+-----------------------------------+-------+------------|
          |   | Parallel port address select 278H |  JP8  | Pins 2 & 3 |
          |   |                                   |       |   closed   |
          |---+-----------------------------------+-------+------------|
          |   | Game port enabled                 |  JP9  | Pins 1 & 2 |
          |   |                                   |       |   closed   |
          |---+-----------------------------------+-------+------------|
          |   | Game port disabled                |  JP9  | Pins 2 & 3 |
          |   |                                   |       |   closed   |
          |---+-----------------------------------+-------+------------|
          |   | Serial port 1 enabled             | JP10  | Pins 1 & 2 |
          |   |                                   |       |   closed   |
          |---+-----------------------------------+-------+------------|
          |   | Serial port 1 disabled            | JP10  | Pins 2 & 3 |
          |   |                                   |       |   closed   |
          |---+-----------------------------------+-------+------------|
          |   | Serial port 1 address select 3F8  | JP11  | Pins 1 & 2 |
          |   | - 3FFh                            |       |   closed   |
          |---+-----------------------------------+-------+------------|
          |   | Serial port 1 address select 3E8  | JP11  | Pins 2 & 3 |
          |   | - 3EFh                            |       |   closed   |
          |---+-----------------------------------+-------+------------|
          |   | Serial port 2 enabled             | JP12  | Pins 1 & 2 |
          |   |                                   |       |   closed   |
          |---+-----------------------------------+-------+------------|
          |   | Serial port 2 disabled            | JP12  | Pins 2 & 3 |
          |   |                                   |       |   closed   |
          |---+-----------------------------------+-------+------------|
          |   | Serial port 2 address select 2F8  | JP13  | Pins 1 & 2 |
          |   | - 2FFh                            |       |   closed   |
          |---+-----------------------------------+-------+------------|
          |   | Serial port 2 address select 2E8  | JP13  | Pins 2 & 3 |
          |   | - 2EFh                            |       |   closed   |
          |---+-----------------------------------+-------+------------|
          | » | Factory configured - do not alter | JP16  |    Open    |
          |---+-----------------------------------+-------+------------|
          |   | IDE interface 2 enabled           | JP19  | Pins 1 & 2 |
          |   |                                   |       |   closed   |
          |---+-----------------------------------+-------+------------|
          |   | IDE interface 2 disabled          | JP19  | Pins 2 & 3 |
          |   |                                   |       |   closed   |
          |---+-----------------------------------+-------+------------|
          |   | IDE interface 1 enabled           | JP20  | Pins 1 & 2 |
          |   |                                   |       |   closed   |
          |---+-----------------------------------+-------+------------|
          |   | IDE interface 1 disabled          | JP20  | Pins 2 & 3 |
          |   |                                   |       |   closed   |
          |---+-----------------------------------+-------+------------|
          | » | Factory configured - do not alter | JP31  |   Closed   |
          |---+-----------------------------------+-------+------------|
          | » | Factory configured - do not alter | JP42  |    Open    |
          |---+-----------------------------------+-------+------------|
          | » | Factory configured - do not alter | JP47  | Pins 2 & 3 |
          |   |                                   |       |   closed   |
          |---+-----------------------------------+-------+------------|
          | » | Factory configured - do not alter | JP49  |    Open    |
          |---+-----------------------------------+-------+------------|
          | » | Factory configured - do not alter | JP50  |   Closed   |
          |---+-----------------------------------+-------+------------|
          | » | Factory configured - do not alter | JP51  |    Open    |
          |---+-----------------------------------+-------+------------|
          | » | Factory configured - do not alter | JP52  |   Closed   |
          +------------------------------------------------------------+
       
          +------------------------------------------------------------+
          |                     DRAM CONFIGURATION                     |
          |------------------------------------------------------------|
          | Size |   Bank 0    |   Bank 1    |   Bank 2   |   Bank 3   |
          |------+-------------+-------------+------------+------------|
          | 4MB  | (1) 1M x 32 |    None     |    None    |    None    |
          |------+-------------+-------------+------------+------------|
          | 8MB  | (1) 2M x 32 |    None     |    None    |    None    |
          |------+-------------+-------------+------------+------------|
          | 8MB  | (1) 1M x 32 | (1) 1M x 32 |    None    |    None    |
          |------+-------------+-------------+------------+------------|
          | 12MB | (1) 1M x 32 | (1) 2M x 32 |    None    |    None    |
          |------+-------------+-------------+------------+------------|
          | 12MB | (1) 1M x 32 | (1) 1M x 32 |  (1) 1M x  |    None    |
          |      |             |             |     32     |            |
          |------+-------------+-------------+------------+------------|
          | 12MB | (1) 1M x 32 | (1) 2M x 32 |    None    |    None    |
          |------+-------------+-------------+------------+------------|
          | 16MB | (1) 4M x 32 |    None     |    None    |    None    |
          |------+-------------+-------------+------------+------------|
          | 16MB | (1) 1M x 32 | (1) 2M x 32 |  (1) 1M x  |    None    |
          |      |             |             |     32     |            |
          |------+-------------+-------------+------------+------------|
          | 16MB | (1) 2M x 32 | (1) 2M x 32 |    None    |    None    |
          |------+-------------+-------------+------------+------------|
          | 16MB | (1) 1M x 32 | (1) 1M x 32 |  (1) 1M x  |  (1) 1M x  |
          |      |             |             |     32     |     32     |
          |------+-------------+-------------+------------+------------|
          | 20MB | (1) 1M x 32 | (1) 4M x 32 |    None    |    None    |
          |------+-------------+-------------+------------+------------|
          | 24MB | (1) 1M x 32 | (1) 1M x 32 |  (1) 4M x  |    None    |
          |      |             |             |     32     |            |
          |------+-------------+-------------+------------+------------|
          | 24MB | (1) 2M x 32 | (1) 4M x 32 |    None    |    None    |
          |------+-------------+-------------+------------+------------|
          | 28MB | (1) 1M x 32 | (1) 2M x 32 |  (1) 4M x  |    None    |
          |      |             |             |     32     |            |
          |------+-------------+-------------+------------+------------|
          | 32MB | (1) 4M x 32 | (1) 4M x 32 |    None    |    None    |
          |------+-------------+-------------+------------+------------|
          | 36MB | (1) 1M x 32 | (1) 4M x 32 |  (1) 4M x  |    None    |
          |      |             |             |     32     |            |
          |------+-------------+-------------+------------+------------|
          | 40MB | (1) 1M x 32 | (1) 1M x 32 |  (1) 4M x  |  (1) 4M x  |
          |      |             |             |     32     |     32     |
          |------+-------------+-------------+------------+------------|
          | 40MB | (1) 4M x 32 | (1) 2M x 32 |  (1) 4M x  |    None    |
          |      |             |             |     32     |            |
          |------+-------------+-------------+------------+------------|
          | 48MB | (1) 4M x 32 | (1) 4M x 32 |  (1) 4M x  |    None    |
          |      |             |             |     32     |            |
          |------+-------------+-------------+------------+------------|
          | 52MB | (1) 1M x 32 | (1) 4M x 32 |  (1) 4M x  |  (1) 4M x  |
          |      |             |             |     32     |     32     |
          |------+-------------+-------------+------------+------------|
          | 64MB | (1) 4M x 32 | (1) 4M x 32 |  (1) 4M x  |  (1) 4M x  |
          |      |             |             |     32     |     32     |
          +------------------------------------------------------------+
       
          +------------------------------------------------------------+
          |                    CACHE CONFIGURATION                     |
          |------------------------------------------------------------|
          |    Size     |    Bank 0     |    Bank 1     |     TAG      |
          |-------------+---------------+---------------+--------------|
          |    128KB    |  (4) 32K x 8  |     None      | (1) 32K x 8  |
          |-------------+---------------+---------------+--------------|
          |  256KB (A)  |  (4) 64K x 8  |     None      | (1) 32K x 8  |
          |-------------+---------------+---------------+--------------|
          |  256KB (B)  |  (4) 32K x 8  |  (4) 32K x 8  | (1) 32K x 8  |
          |-------------+---------------+---------------+--------------|
          |    512KB    | (4) 128K x 8  |     None      | (1) 32K x 8  |
          +------------------------------------------------------------+
       
          +------------------------------------------------------------+
          |                 CACHE JUMPER CONFIGURATION                 |
          |------------------------------------------------------------|
          |    Size    |  JP21  |  JP22  |        JP23         | JP24  |
          |------------+--------+--------+---------------------+-------|
          |   128KB    |  Open  |  Open  |        2 & 3        | 1 & 2 |
          |------------+--------+--------+---------------------+-------|
          | 256KB (A)  |  Open  | Closed |    2 & 3, 4 & 5     | 1 & 2 |
          |------------+--------+--------+---------------------+-------|
          | 256KB (B)  |  Open  | Closed |        3 & 4        | 2 & 3 |
          |------------+--------+--------+---------------------+-------|
          |   512KB    | Closed | Closed | 1 & 2, 3 & 4, 5 & 6 | 1 & 2 |
          +------------------------------------------------------------+
       
          +------------------------------------------------------------+
          |                    CPU SPEED SELECTION                     |
          |------------------------------------------------------------|
          |     Speed     |     JP28     |     JP29     |     JP30     |
          |---------------+--------------+--------------+--------------|
          |     25MHz     |     Open     |     Open     |    Closed    |
          |---------------+--------------+--------------+--------------|
          |     33MHz     |    Closed    |    Closed    |    Closed    |
          |---------------+--------------+--------------+--------------|
          |     40MHz     |     Open     |    Closed    |    Closed    |
          |---------------+--------------+--------------+--------------|
          |    50iMHz     |     Open     |     Open     |    Closed    |
          |---------------+--------------+--------------+--------------|
          |     50MHz     |    Closed    |     Open     |     Open     |
          |---------------+--------------+--------------+--------------|
          |    66iMHz     |    Closed    |    Closed    |    Closed    |
          |---------------+--------------+--------------+--------------|
          |    80iMHz     |     Open     |    Closed    |    Closed    |
          |---------------+--------------+--------------+--------------|
          |    100iMHz    |    Closed    |    Closed    |    Closed    |
          +------------------------------------------------------------+
       
          +------------------------------------------------------------+
          |                     CPU TYPE SELECTION                     |
          |------------------------------------------------------------|
          |     Type     |   JP32   |   JP33   |   JP34   |    JP35    |
          |--------------+----------+----------+----------+------------|
          |    CX486S    |   Open   |  2 & 3   | 2 & 3, 4 | 1 & 2, 3 & |
          |              |          |          |   & 5    |  4, 5 & 6  |
          |--------------+----------+----------+----------+------------|
          |    UMC U5    |  3 & 4   |  2 & 3   |   Open   |   2 & 3    |
          |--------------+----------+----------+----------+------------|
          |   80486SX    |   Open   |  2 & 3   |   Open   |    Open    |
          |--------------+----------+----------+----------+------------|
          |   CX486DX    |  1 & 2   | 1 & 2, 3 |  2 & 3   | 1 & 2, 3 & |
          |              |          |   & 4    |          |  4, 5 & 6  |
          |--------------+----------+----------+----------+------------|
          | (SL)AM486DX  |  1 & 2   | 1 & 2, 3 | 1 & 2, 3 |   1 & 2    |
          |              |          |   & 4    |   & 4    |            |
          |--------------+----------+----------+----------+------------|
          |   80486DX    |  1 & 2   | 1 & 2, 3 |   Open   |    Open    |
          |              |          |   & 4    |          |            |
          |--------------+----------+----------+----------+------------|
          |  SL80486DX   |  1 & 2   | 1 & 2, 3 | 1 & 2, 3 |   1 & 2    |
          |              |          |   & 4    |   & 4    |            |
          |--------------+----------+----------+----------+------------|
          |   CX486DX2   |  1 & 2   | 1 & 2, 3 |  2 & 3   | 1 & 2, 3 & |
          |              |          |   & 4    |          |  4, 5 & 6  |
          |--------------+----------+----------+----------+------------|
          |   AM486DX2   | 1 & 2, 3 | 1 & 2, 3 |   Open   |   2 & 3    |
          |              |   & 4    |   & 4    |          |            |
          |--------------+----------+----------+----------+------------|
          | (SL)AM486DX2 |  1 & 2   | 1 & 2, 3 | 1 & 2, 3 |   1 & 2    |
          |              |          |   & 4    |   & 4    |            |
          |--------------+----------+----------+----------+------------|
          |   80486DX2   |  1 & 2   | 1 & 2, 3 |   Open   |    Open    |
          |              |          |   & 4    |          |            |
          |--------------+----------+----------+----------+------------|
          |  SL80486DX2  |  1 & 2   | 1 & 2, 3 | 1 & 2, 3 |   1 & 2    |
          |              |          |   & 4    |   & 4    |            |
          |--------------+----------+----------+----------+------------|
          |   AM486DX4   | 1 & 2, 3 | 1 & 2, 3 |   Open   |   2 & 3    |
          |              |   & 4    |   & 4    |          |            |
          |--------------+----------+----------+----------+------------|
          | (SL)AM486DX4 |  1 & 2   | 1 & 2, 3 | 1 & 2, 3 |   1 & 2    |
          |              |          |   & 4    |   & 4    |            |
          |--------------+----------+----------+----------+------------|
          |   80486DX4   |  1 & 2   | 1 & 2, 3 | 1 & 2, 3 |   1 & 2    |
          |              |          |   & 4    |   & 4    |            |
          |--------------+----------+----------+----------+------------|
          |     P24D     |  1 & 2   | 1 & 2, 3 | 1 & 2, 3 | 1 & 2, 4 & |
          |              |          |   & 4    |   & 4    |     5      |
          |--------------+----------+----------+----------+------------|
          |     P24T     |  2 & 3   | 1 & 2, 3 | 1 & 2, 3 |   1 & 2    |
          |              |          |   & 4    |   & 4    |            |
          |------------------------------------------------------------|
          | Note: Pins designated should be in the closed position.    |
          +------------------------------------------------------------+
       
          +------------------------------------------------------------+
          |                 CPU TYPE SELECTION (CON’T)                 |
          |------------------------------------------------------------|
          |     Type      |     JP36     |        JP37         | JP57  |
          |---------------+--------------+---------------------+-------|
          |    CX486S     | 2 & 3, 4 & 5 | 1 & 2, 3 & 4, 5 & 6 | Open  |
          |---------------+--------------+---------------------+-------|
          |    UMC U5     |    1 & 2     |        2 & 3        | Open  |
          |---------------+--------------+---------------------+-------|
          |    80486SX    |     Open     |        2 & 3        | Open  |
          |---------------+--------------+---------------------+-------|
          |    CX486DX    | 2 & 3, 4 & 5 | 1 & 2, 3 & 4, 5 & 6 | Open  |
          |---------------+--------------+---------------------+-------|
          |  (SL)AM486DX  |    5 & 6     |        1 & 2        | Open  |
          |---------------+--------------+---------------------+-------|
          |    80486DX    |     Open     |        2 & 3        | Open  |
          |---------------+--------------+---------------------+-------|
          |   SL80486DX   |    5 & 6     |        1 & 2        | Open  |
          |---------------+--------------+---------------------+-------|
          |   CX486DX2    | 2 & 3, 4 & 5 | 1 & 2, 3 & 4, 5 & 6 | Open  |
          |---------------+--------------+---------------------+-------|
          |   AM486DX2    |    1 & 2     |        2 & 3        | 2 & 3 |
          |---------------+--------------+---------------------+-------|
          | (SL)AM486DX2  |    5 & 6     |        1 & 2        | Open  |
          |---------------+--------------+---------------------+-------|
          |   80486DX2    |     Open     |        2 & 3        | Open  |
          |---------------+--------------+---------------------+-------|
          |  SL80486DX2   |    5 & 6     |        1 & 2        | Open  |
          |---------------+--------------+---------------------+-------|
          |   AM486DX4    |    1 & 2     |        2 & 3        | 1 & 2 |
          |---------------+--------------+---------------------+-------|
          | (SL)AM486DX4  |    5 & 6     |        1 & 2        | Open  |
          |---------------+--------------+---------------------+-------|
          |   80486DX4    |    5 & 6     |        1 & 2        | Open  |
          |---------------+--------------+---------------------+-------|
          |     P24D      | 3 & 4, 5 & 6 |    1 & 2, 4 & 5     | Open  |
          |---------------+--------------+---------------------+-------|
          |     P24T      |    5 & 6     |        1 & 2        | Open  |
          |------------------------------------------------------------|
          | Note: Pins designated should be in the closed position.    |
          +------------------------------------------------------------+
       
          +------------------------------------------------------------+
          |                  CPU MULTIPLIER SELECTION                  |
          |------------------------------------------------------------|
          |         Multiplier         |             JP27              |
          |----------------------------+-------------------------------|
          |             2x             |       Pins 2 & 3 closed       |
          |----------------------------+-------------------------------|
          |            2.5x            |       Pins 1 & 2 closed       |
          |----------------------------+-------------------------------|
          |             3x             |             Open              |
          +------------------------------------------------------------+
       
          +------------------------------------------------------------+
          |                   CPU VOLTAGE SELECTION                    |
          |------------------------------------------------------------|
          |    Voltage    | JP46  | JP48  | JP53  | JP54 | JP55 | JP56 |
          |---------------+-------+-------+-------+------+------+------|
          |3.45v/5v (auto)| Open  | Open  |Closed | Open | Open | Open |
          |---------------+-------+-------+-------+------+------+------|
          | 3.3v (fixed)  | Open  |Closed | Open  | Open | Open | Open |
          |---------------+-------+-------+-------+------+------+------|
          | 3.45v (fixed) | Open  | Open  | Open  | Open | Open | Open |
          |---------------+-------+-------+-------+------+------+------|
          | 3.6v (fixed)  |Closed | Open  | Open  | Open | Open | Open |
          |---------------+-------+-------+-------+------+------+------|
          | 3.8v (fixed)  | Open  | Open  | Open  | Open |Closed| Open |
          |---------------+-------+-------+-------+------+------+------|
          |  4v (fixed)   | Open  | Open  | Open  | Open | Open |Closed|
          |---------------+-------+-------+-------+------+------+------|
          |  5v (fixed)   | Open  | Open  | Open  |Closed| Open | Open |
          +------------------------------------------------------------+
       
          +------------------------------------------------------------+
          |                VL BUS WAIT STATE SELECTION                 |
          |------------------------------------------------------------|
          |            Setting            |            JP25            |
          |-------------------------------+----------------------------|
          |               0               |            Open            |
          |-------------------------------+----------------------------|
          |               1               |           Closed           |
          +------------------------------------------------------------+
       
          +------------------------------------------------------------+
          |                   VL-BUS SPEED SELECTION                   |
          |------------------------------------------------------------|
          |            Setting            |            JP26            |
          |-------------------------------+----------------------------|
          |           <= 33MHz            |            Open            |
          |-------------------------------+----------------------------|
          |            >33 MHz            |           Closed           |
          +------------------------------------------------------------+
       
          +------------------------------------------------------------+
          |                    IDE SPEED SELECTION                     |
          |------------------------------------------------------------|
          |      Speed       |        JP17        |        JP18        |
          |------------------+--------------------+--------------------|
          |       Slow       | Pins 1 & 2 closed  | Pins 2 & 3 closed  |
          |------------------+--------------------+--------------------|
          |      Slower      | Pins 1 & 2 closed  | Pins 1 & 2 closed  |
          |------------------+--------------------+--------------------|
          |       Fast       | Pins 2 & 3 closed  | Pins 1 & 2 closed  |
          |------------------+--------------------+--------------------|
          |      Faster      | Pins 2 & 3 closed  | Pins 2 & 3 closed  |
          +------------------------------------------------------------+
       
          +------------------------------------------------------------+
          |                  PARALLEL PORT SELECTION                   |
          |------------------------------------------------------------|
          |     Setting      |        JP5         |        JP6         |
          |------------------+--------------------+--------------------|
          |     Disabled     | Pins 2 & 3 closed  | Pins 2 & 3 closed  |
          |------------------+--------------------+--------------------|
          |     SPP mode     | Pins 1 & 2 closed  | Pins 2 & 3 closed  |
          |------------------+--------------------+--------------------|
          |     EPP mode     | Pins 2 & 3 closed  | Pins 1 & 2 closed  |
          |------------------+--------------------+--------------------|
          |     ECP mode     | Pins 1 & 2 closed  | Pins 1 & 2 closed  |
          +------------------------------------------------------------+