(TXT) View Source
       
       # LANNER ELECTRONICS, INC.
       
          TF-586VM
       
          Device Type      Mainboard                                     
          Processor        CX 6X86/CX 6X86L/CX MII/AM K5/AM              
                           K6/Pentium/Pentium MMX                        
          Processor Speed  75/90/100/120/133/150/166/200/233MHz          
          Chip Set         Intel 430TX                                   
          Video Chip Set   S3                                            
          Maximum Onboard  256MB                                         
          Memory           
          Maximum Video    2MB                                           
          Memory           
          Cache            512KB                                         
          BIOS             Award                                         
          Dimensions       305mm x 230mm                                 
          I/O Options      32-bit PCI slots (2), floppy drive interface, 
                           green PC connector, IDE interfaces (2),       
                           parallel port, PS/2 mouse port, serial ports  
                           (2), VGA port, IR connector, USB connectors   
                           (2), ATX power connector                      
       
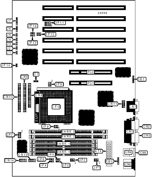
 (IMG) IMG 1
          
       
          +------------------------------------------------------------+
          |                        CONNECTIONS                         |
          |------------------------------------------------------------|
          | Purpose          | Location | Purpose           | Location |
          |------------------+----------+-------------------+----------|
          | ATX power        |   ATX    | Serial port 4     |   CN13   |
          | connector        |          |                   |          |
          |------------------+----------+-------------------+----------|
          | CPU fan power    |    C1    | Serial port 3     |   CN14   |
          |------------------+----------+-------------------+----------|
          | Parallel port    |   CN1    | IR connector      |   IR1    |
          |------------------+----------+-------------------+----------|
          | Serial port 2    |   CN2    | IDE interface LED |    J1    |
          |------------------+----------+-------------------+----------|
          | Serial port 1    |   CN3    | Green PC LED      |    J2    |
          |------------------+----------+-------------------+----------|
          | USB connector 1  |   CN4    | Soft off power    |    J3    |
          |                  |          | supply            |          |
          |------------------+----------+-------------------+----------|
          | USB connector 2  |   CN5    | Green PC          |    J4    |
          |                  |          | connector         |          |
          |------------------+----------+-------------------+----------|
          | PS/2 mouse port  |   CN6    | Reset switch      |    J5    |
          |------------------+----------+-------------------+----------|
          | VGA port         |   CN7    | Speaker           |    J6    |
          |------------------+----------+-------------------+----------|
          | Floppy drive     |   CN8    | Power LED &       |    J7    |
          | interface        |          | keylock           |          |
          |------------------+----------+-------------------+----------|
          | IDE interface 2  |   CN9    | Auxiliary         |   KBC    |
          |                  |          | keyboard          |          |
          |                  |          | connector         |          |
          |------------------+----------+-------------------+----------|
          | IDE interface 1  |   CN10   | 32-bit PCI slots  |  PC1 –   |
          |                  |          |                   |   PC2    |
          |------------------+----------+-------------------+----------|
          | VGA interface    |   CN11   |                   |          |
          +------------------------------------------------------------+
       
          +------------------------------------------------------------+
          |                 USER CONFIGURABLE SETTINGS                 |
          |------------------------------------------------------------|
          |              Function               | Label |   Position   |
          |-------------------------------------+-------+--------------|
          | » | Factory configured - do not     |  JP1  | Unidentified |
          |   | alter                           |       |              |
          |---+---------------------------------+-------+--------------|
          | » | Factory configured - do not     | JP10  | Unidentified |
          |   | alter                           |       |              |
          |---+---------------------------------+-------+--------------|
          | » | CMOS memory normal operation    | JP13  |  Pins 1 & 2  |
          |   |                                 |       |    closed    |
          |---+---------------------------------+-------+--------------|
          |   | CMOS memory clear               | JP13  |  Pins 2 & 3  |
          |   |                                 |       |    closed    |
          +------------------------------------------------------------+
       
          +------------------------------------------------------------+
          |                     SIMM CONFIGURATION                     |
          |------------------------------------------------------------|
          |       Size       |       Bank 0       |       Bank 1       |
          |------------------+--------------------+--------------------|
          |       8MB        |    (2) 1M x 36     |        None        |
          |------------------+--------------------+--------------------|
          |       16MB       |    (2) 2M x 36     |        None        |
          |------------------+--------------------+--------------------|
          |       16MB       |    (2) 1M x 36     |    (2) 1M x 36     |
          |------------------+--------------------+--------------------|
          |       24MB       |    (2) 2M x 36     |    (2) 1M x 36     |
          |------------------+--------------------+--------------------|
          |       32MB       |    (2) 4M x 36     |        None        |
          |------------------+--------------------+--------------------|
          |       32MB       |    (2) 2M x 36     |    (2) 2M x 36     |
          |------------------+--------------------+--------------------|
          |       40MB       |    (2) 4M x 36     |    (2) 1M x 36     |
          |------------------+--------------------+--------------------|
          |       48MB       |    (2) 4M x 36     |    (2) 2M x 36     |
          |------------------+--------------------+--------------------|
          |       64MB       |    (2) 8M x 36     |        None        |
          |------------------+--------------------+--------------------|
          |       64MB       |    (2) 4M x 36     |    (2) 4M x 36     |
          |------------------+--------------------+--------------------|
          |       72MB       |    (2) 8M x 36     |    (2) 1M x 36     |
          |------------------+--------------------+--------------------|
          |       80MB       |    (2) 8M x 36     |    (2) 2M x 36     |
          |------------------+--------------------+--------------------|
          |       96MB       |    (2) 8M x 36     |    (2) 4M x 36     |
          |------------------+--------------------+--------------------|
          |      128MB       |    (2) 8M x 36     |    (2) 8M x 36     |
          |------------------+--------------------+--------------------|
          |      128MB       |    (2) 16M x 36    |        None        |
          |------------------+--------------------+--------------------|
          |      144MB       |    (2) 16M x 36    |    (2) 2M x 36     |
          |------------------+--------------------+--------------------|
          |      160MB       |    (2) 16M x 36    |    (2) 4M x 36     |
          |------------------+--------------------+--------------------|
          |      192MB       |    (2) 16M x 36    |    (2) 8M x 36     |
          |------------------+--------------------+--------------------|
          |      256MB       |    (2) 16M x 36    |    (2) 16M x 36    |
          +------------------------------------------------------------+
       
          +------------------------------------------------------------+
          |                     DIMM CONFIGURATION                     |
          |------------------------------------------------------------|
          |       Size       |       Bank 2       |       Bank 3       |
          |------------------+--------------------+--------------------|
          |       8MB        |    (1) 1M x 64     |        None        |
          |------------------+--------------------+--------------------|
          |       16MB       |    (1) 2M x 64     |        None        |
          |------------------+--------------------+--------------------|
          |       16MB       |    (1) 1M x 64     |    (1) 1M x 64     |
          |------------------+--------------------+--------------------|
          |       24MB       |    (1) 2M x 64     |    (1) 1M x 64     |
          |------------------+--------------------+--------------------|
          |       32MB       |    (1) 4M x 64     |        None        |
          |------------------+--------------------+--------------------|
          |       32MB       |    (1) 2M x 64     |    (1) 2M x 64     |
          |------------------+--------------------+--------------------|
          |       40MB       |    (1) 4M x 64     |    (1) 1M x 64     |
          |------------------+--------------------+--------------------|
          |       48MB       |    (1) 4M x 64     |    (1) 2M x 64     |
          |------------------+--------------------+--------------------|
          |       64MB       |    (1) 8M x 64     |        None        |
          |------------------+--------------------+--------------------|
          |       64MB       |    (1) 4M x 64     |    (1) 4M x 64     |
          |------------------+--------------------+--------------------|
          |       72MB       |    (1) 8M x 64     |    (1) 1M x 64     |
          |------------------+--------------------+--------------------|
          |       80MB       |    (1) 8M x 64     |    (1) 2M x 64     |
          |------------------+--------------------+--------------------|
          |       96MB       |    (1) 8M x 64     |    (1) 4M x 64     |
          |------------------+--------------------+--------------------|
          |      128MB       |    (1) 16M x 64    |        None        |
          |------------------+--------------------+--------------------|
          |      128MB       |    (1) 8M x 64     |    (1) 8M x 64     |
          |------------------+--------------------+--------------------|
          |      136MB       |    (1) 16M x 64    |    (1) 1M x 64     |
          |------------------+--------------------+--------------------|
          |      144MB       |    (1) 16M x 64    |    (1) 2M x 64     |
          |------------------+--------------------+--------------------|
          |      160MB       |    (1) 16M x 64    |    (1) 4M x 64     |
          |------------------+--------------------+--------------------|
          |      192MB       |    (1) 16M x 64    |    (1) 8M x 64     |
          |------------------+--------------------+--------------------|
          |      256MB       |    (1) 16M x 64    |    (1) 16M x 64    |
          +------------------------------------------------------------+
       
          +------------------------------------------------------------+
          |                    CACHE CONFIGURATION                     |
          |------------------------------------------------------------|
          | Note: The location of the cache is unidentified.           |
          +------------------------------------------------------------+
       
          +------------------------------------------------------------+
          |                 VIDEO MEMORY CONFIGURATION                 |
          |------------------------------------------------------------|
          | Note: The location of the video memory is unidentified.    |
          +------------------------------------------------------------+
       
          +------------------------------------------------------------+
          |               CPU SPEED SELECTION (CX 6X86)                |
          |------------------------------------------------------------|
          | CPU speed | Clock speed | Multiplier |  JP8  |     JP9     |
          |-----------+-------------+------------+-------+-------------|
          |  120MHz   |    50MHz    |     2x     | 1 & 2 | 1 & 2, 3 &  |
          |           |             |            |       |  4, 5 & 6   |
          |-----------+-------------+------------+-------+-------------|
          |  150MHz   |    60MHz    |     2x     | 1 & 2 |    1 & 2    |
          |-----------+-------------+------------+-------+-------------|
          |  166MHz   |    66MHz    |     2x     | 1 & 2 |    Open     |
          |------------------------------------------------------------|
          | Note: Pins designated should be in the closed position.    |
          +------------------------------------------------------------+
       
          +------------------------------------------------------------+
          |                CPU SPEED SELECTION (CX MII)                |
          |------------------------------------------------------------|
          | CPU speed  |  Clock   | Multiplier |    JP8     |   JP9    |
          |            |  speed   |            |            |          |
          |------------+----------+------------+------------+----------|
          |   200MHz   |  60MHz   |     3x     |   3 & 4    |  1 & 2   |
          |------------+----------+------------+------------+----------|
          |   200MHz   |  66MHz   |    2.5x    | 1 & 2, 3 & |   Open   |
          |            |          |            |     4      |          |
          |------------+----------+------------+------------+----------|
          |   233MHz   |  66MHz   |     3x     |   3 & 4    |   Open   |
          |------------+----------+------------+------------+----------|
          |   233MHz   |  75MHz   |    2.5x    | 1 & 2, 3 & | 3 & 4, 5 |
          |            |          |            |     4      |   & 6    |
          |------------------------------------------------------------|
          | Note: Pins designated should be in the closed position.    |
          +------------------------------------------------------------+
       
          +------------------------------------------------------------+
          |                CPU SPEED SELECTION (AM K5)                 |
          |------------------------------------------------------------|
          | CPU speed  |  Clock   | Multiplier |   JP8    |    JP9     |
          |            |  speed   |            |          |            |
          |------------+----------+------------+----------+------------|
          |   75MHz    |  50MHz   |    1.5x    |   Open   | 1 & 2, 3 & |
          |            |          |            |          |  4, 5 & 6  |
          |------------+----------+------------+----------+------------|
          |   90MHz    |  60MHz   |    1.5x    |   Open   |   1 & 2    |
          |------------+----------+------------+----------+------------|
          |   100MHz   |  66MHz   |    1.5x    |   Open   |    Open    |
          |------------+----------+------------+----------+------------|
          |   120MHz   |  60MHz   |     2x     |  1 & 2   |   1 & 2    |
          |------------+----------+------------+----------+------------|
          |   133MHz   |  66MHz   |     2x     |  1 & 2   |    Open    |
          |------------+----------+------------+----------+------------|
          |   166MHz   |  66MHz   |    2.5x    | 1 & 2, 3 |    Open    |
          |            |          |            |   & 4    |            |
          |------------------------------------------------------------|
          | Note: Pins designated should be in the closed position.    |
          +------------------------------------------------------------+
       
          +------------------------------------------------------------+
          |                CPU SPEED SELECTION (AM K6)                 |
          |------------------------------------------------------------|
          | CPU speed | Clock speed | Multiplier |     JP8      | JP9  |
          |-----------+-------------+------------+--------------+------|
          |  166MHz   |    66MHz    |    2.5x    | 1 & 2, 3 & 4 | Open |
          |-----------+-------------+------------+--------------+------|
          |  200MHz   |    66MHz    |     3x     |    3 & 4     | Open |
          |-----------+-------------+------------+--------------+------|
          |  233MHz   |    66MHz    |    3.5x    |     Open     | Open |
          |------------------------------------------------------------|
          | Note: Pins designated should be in the closed position.    |
          +------------------------------------------------------------+
       
          +------------------------------------------------------------+
          |                CPU SPEED SELECTION (INTEL)                 |
          |------------------------------------------------------------|
          | CPU speed  |  Clock   | Multiplier |   JP8    |    JP9     |
          |            |  speed   |            |          |            |
          |------------+----------+------------+----------+------------|
          |   75MHz    |  50MHz   |    1.5x    |   Open   | 1 & 2, 3 & |
          |            |          |            |          |  4, 5 & 6  |
          |------------+----------+------------+----------+------------|
          |   90MHz    |  60MHz   |    1.5x    |   Open   |   1 & 2    |
          |------------+----------+------------+----------+------------|
          |   100MHz   |  66MHz   |    1.5x    |   Open   |    Open    |
          |------------+----------+------------+----------+------------|
          |   120MHz   |  60MHz   |     2x     |  1 & 2   |   1 & 2    |
          |------------+----------+------------+----------+------------|
          |   133MHz   |  66MHz   |     2x     |  1 & 2   |    Open    |
          |------------+----------+------------+----------+------------|
          |   150MHz   |  60MHz   |    2.5x    | 1 & 2, 3 |   1 & 2    |
          |            |          |            |   & 4    |            |
          |------------+----------+------------+----------+------------|
          |   166MHz   |  66MHz   |    2.5x    | 1 & 2, 3 |    Open    |
          |            |          |            |   & 4    |            |
          |------------+----------+------------+----------+------------|
          |   200MHz   |  66MHz   |     3x     |  3 & 4   |    Open    |
          |------------------------------------------------------------|
          | Note: Pins designated should be in the closed position.    |
          +------------------------------------------------------------+
       
          +------------------------------------------------------------+
          |              CPU SPEED SELECTION (INTEL MMX)               |
          |------------------------------------------------------------|
          | CPU speed | Clock speed | Multiplier |     JP8      | JP9  |
          |-----------+-------------+------------+--------------+------|
          |  166MHz   |    66MHz    |    2.5x    | 1 & 2, 3 & 4 | Open |
          |-----------+-------------+------------+--------------+------|
          |  200MHz   |    66MHz    |     3x     |    3 & 4     | Open |
          |-----------+-------------+------------+--------------+------|
          |  233MHz   |    66MHz    |    3.5x    |     Open     | Open |
          |------------------------------------------------------------|
          | Note: Pins designated should be in the closed position.    |
          +------------------------------------------------------------+
       
          +------------------------------------------------------------+
          |                   CPU VOLTAGE SELECTION                    |
          |------------------------------------------------------------|
          |      Voltage      |                  JP7                   |
          |-------------------+----------------------------------------|
          |   |     1.24v     |                  Open                  |
          |---+---------------+----------------------------------------|
          |   |     2.1v      |           Pins 1 & 2 closed            |
          |---+---------------+----------------------------------------|
          |   |     2.2v      |           Pins 3 & 4 closed            |
          |---+---------------+----------------------------------------|
          |   |     2.3v      |        Pins 1 & 2, 3 & 4 closed        |
          |---+---------------+----------------------------------------|
          |   |     2.4v      |           Pins 5 & 6 closed            |
          |---+---------------+----------------------------------------|
          |   |     2.5v      |        Pins 1 & 2, 5 & 6 closed        |
          |---+---------------+----------------------------------------|
          |   |     2.6v      |        Pins 3 & 4, 5 & 6 closed        |
          |---+---------------+----------------------------------------|
          |   |     2.7v      |    Pins 1 & 2, 3 & 4, 5 & 6 closed     |
          |---+---------------+----------------------------------------|
          | » |     2.8v      |           Pins 7 & 8 closed            |
          |---+---------------+----------------------------------------|
          |   |     2.9v      |        Pins 1 & 2, 7 & 8 closed        |
          |---+---------------+----------------------------------------|
          |   |     3.0v      |        Pins 3 & 4, 7 & 8 closed        |
          |---+---------------+----------------------------------------|
          |   |     3.1v      |    Pins 1 & 2, 3 & 4, 7 & 8 closed     |
          |---+---------------+----------------------------------------|
          |   |     3.2v      |        Pins 5 & 6, 7 & 8 closed        |
          |---+---------------+----------------------------------------|
          |   |     3.3v      |    Pins 1 & 2, 5 & 6, 7 & 8 closed     |
          |---+---------------+----------------------------------------|
          |   |     3.4v      |    Pins 3 & 4, 5 & 6, 7 & 8 closed     |
          |---+---------------+----------------------------------------|
          |   |     3.5v      | Pins 1 & 2, 3 & 4, 5 & 6, 7 & 8 closed |
          +------------------------------------------------------------+
       
          +------------------------------------------------------------+
          |                  SERIAL PORT 4 SELECTION                   |
          |------------------------------------------------------------|
          |    Setting    |   JP2   |   JP3   |  JP4   |  JP5  |  JP6  |
          |---------------+---------+---------+--------+-------+-------|
          | »  |  RS-232  |  1 & 2  |  1 & 2  | 1 & 2  | 1 & 2 | 1 & 2 |
          |----+----------+---------+---------+--------+-------+-------|
          |    |  RS-422  |  3 & 4  |  2 & 3  | 2 & 3  | 2 & 3 | 2 & 3 |
          |----+----------+---------+---------+--------+-------+-------|
          |    |  RS-485  |  5 & 6  |  2 & 3  | 2 & 3  | 2 & 3 | 2 & 3 |
          |------------------------------------------------------------|
          | Note: Pins designated should be in the closed position.    |
          +------------------------------------------------------------+
       
          +------------------------------------------------------------+
          |                WATCHDOG TIME OUT SELECTION                 |
          |------------------------------------------------------------|
          |          Seconds           |              JP2              |
          |----------------------------+-------------------------------|
          |             .5             |       Pins 1 & 5 closed       |
          |----------------------------+-------------------------------|
          |             1              |       Pins 2 & 6 closed       |
          |----------------------------+-------------------------------|
          |             2              |       Pins 3 & 7 closed       |
          |----------------------------+-------------------------------|
          |             4              |       Pins 4 & 8 closed       |
          |----------------------------+-------------------------------|
          |             8              |      Pins 8 & 12 closed       |
          |----------------------------+-------------------------------|
          |             16             |      Pins 7 & 11 closed       |
          |----------------------------+-------------------------------|
          |             32             |      Pins 6 & 10 closed       |
          |----------------------------+-------------------------------|
          |             64             |       Pins 5 & 9 closed       |
          +------------------------------------------------------------+
       
          +------------------------------------------------------------+
          |                     WATCHDOG SELECTION                     |
          |------------------------------------------------------------|
          |          Setting           |             JP14              |
          |----------------------------+-------------------------------|
          | » |         Reset          |       Pins 1 & 2 closed       |
          |---+------------------------+-------------------------------|
          |   |       NMI system       |       Pins 2 & 3 closed       |
          |---+------------------------+-------------------------------|
          |   |        Disabled        |             Open              |
          +------------------------------------------------------------+
       
          +------------------------------------------------------------+
          |               DISK ON CHIP ADDRESS SELECTION               |
          |------------------------------------------------------------|
          |          Address           |             JP12              |
          |----------------------------+-------------------------------|
          |   |         C8000          |       Pins 1 & 2 closed       |
          |---+------------------------+-------------------------------|
          |   |         D0000          |       Pins 3 & 4 closed       |
          |---+------------------------+-------------------------------|
          |   |         D8000          |       Pins 5 & 6 closed       |
          |---+------------------------+-------------------------------|
          | » |        Disabled        |       Pins 2 & 4 closed       |
          +------------------------------------------------------------+