(TXT) View Source
       
       # IWILL CORPORATION
       
          BD100
       
          Device Type      Mainboard                                     
          Processor        Pentium II                                    
          Processor Speed  233/266/300/333/400/450/500MHz                
          Chip Set         Intel                                         
          Video Chip Set   None                                          
          Maximum Onboard  1GB (EDO & SDRAM supported)                   
          Memory           
          Maximum Video    None                                          
          Memory           
          Cache            256/512KB (located on Pentium II CPU)         
          BIOS             Award                                         
          Dimensions       305mm x 180mm                                 
          I/O Options      32-bit PCI slots (5), floppy drive interface, 
          (backplane)      IDE interfaces (2), parallel port, PS/2 mouse 
                           port, serial ports (2), IR connector, USB     
                           connectors (2), ATX power connector, AGP slot 
          NPU Options      None                                          
       
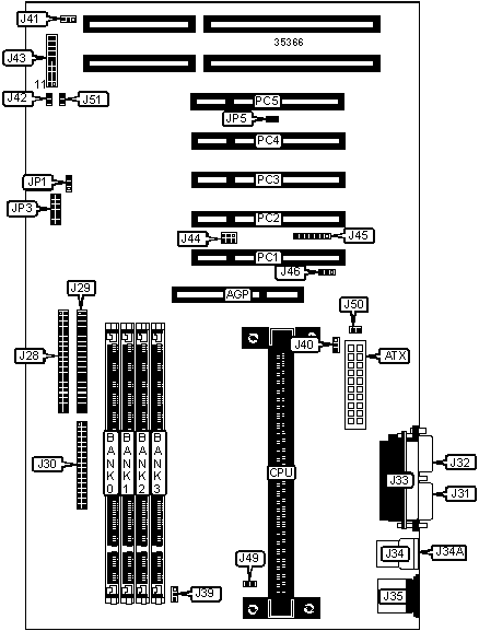
 (IMG) IMG 1
          
       
          +------------------------------------------------------------+
          |                        CONNECTIONS                         |
          |------------------------------------------------------------|
          | Purpose         | Location | Purpose          |  Location  |
          |-----------------+----------+------------------+------------|
          | AGP slot        |   AGP    | Chassis fan      |    J41     |
          |                 |          | power            |            |
          |-----------------+----------+------------------+------------|
          | ATX power       |   ATX    | Soft off power   |    J42     |
          | connector       |          | supply           |            |
          |-----------------+----------+------------------+------------|
          | IDE interface 1 |   J28    | IDE interface    | J43/pins 5 |
          |                 |          | LED              |    & 6     |
          |-----------------+----------+------------------+------------|
          | IDE interface 2 |   J29    | Reset switch     | J43/pins 9 |
          |                 |          |                  | & 10       |
          |-----------------+----------+------------------+------------|
          | Floppy drive    |   J30    | Power LED &      | J43/pins   |
          | interface       |          | keylock          | 11 – 15    |
          |-----------------+----------+------------------+------------|
          | Serial port 1   |   J31    | Speaker          | J43/pins   |
          |                 |          |                  | 17 - 20    |
          |-----------------+----------+------------------+------------|
          | Serial port 2   |   J32    | SB link          |    J44     |
          |                 |          | connector        |            |
          |-----------------+----------+------------------+------------|
          | Parallel port   |   J33    | IR connector     |    J45     |
          |-----------------+----------+------------------+------------|
          | USB connector 2 |   J34    | Wake on LAN      |    J46     |
          |                 |          | connector        |            |
          |-----------------+----------+------------------+------------|
          | USB connector 1 |   J34A   | Temperature      |    J49     |
          |                 |          | sensor 1         |            |
          |-----------------+----------+------------------+------------|
          | PS/2 mouse port |   J35    | Temperature      |    J50     |
          |                 |          | sensor 2         |            |
          |-----------------+----------+------------------+------------|
          | CPU fan power   |   J39    | Temperature      |    J51     |
          |                 |          | sensor 3         |            |
          |-----------------+----------+------------------+------------|
          | Chassis fan     |   J40    | 32-bit PCI slots | PC1 – PC5  |
          | power           |          |                  |            |
          +------------------------------------------------------------+
       
          +------------------------------------------------------------+
          |                 USER CONFIGURABLE SETTINGS                 |
          |------------------------------------------------------------|
          |              Function               | Label |   Position   |
          |-------------------------------------+-------+--------------|
          | » | CMOS memory normal operation    |  JP1  |  Pins 1 & 2  |
          |   |                                 |       |    closed    |
          |---+---------------------------------+-------+--------------|
          |   | CMOS memory clear               |  JP1  |  Pins 2 & 3  |
          |   |                                 |       |    closed    |
          |---+---------------------------------+-------+--------------|
          | » | Factory configured - do not     |  JP5  | Unidentified |
          |   | alter                           |       |              |
          +------------------------------------------------------------+
       
          +------------------------------------------------------------+
          |                     DIMM CONFIGURATION                     |
          |------------------------------------------------------------|
          | Size |   Bank 0    |   Bank 1    |   Bank 2   |   Bank 3   |
          |------+-------------+-------------+------------+------------|
          | 8MB  | (1) 1M x 64 |    None     |    None    |    None    |
          |------+-------------+-------------+------------+------------|
          | 16MB | (1) 2M x 64 |    None     |    None    |    None    |
          |------+-------------+-------------+------------+------------|
          | 16MB | (1) 1M x 64 | (1) 1M x 64 |    None    |    None    |
          |------+-------------+-------------+------------+------------|
          | 24MB | (1) 2M x 64 | (1) 1M x 64 |    None    |    None    |
          |------+-------------+-------------+------------+------------|
          | 24MB | (1) 1M x 64 | (1) 1M x 64 |  (1) 1M x  |    None    |
          |      |             |             |     64     |            |
          |------+-------------+-------------+------------+------------|
          | 32MB | (1) 4M x 64 |    None     |    None    |    None    |
          |------+-------------+-------------+------------+------------|
          | 32MB | (1) 2M x 64 | (1) 2M x 64 |    None    |    None    |
          |------+-------------+-------------+------------+------------|
          | 32MB | (1) 1M x 64 | (1) 1M x 64 |  (1) 1M x  |  (1) 1M x  |
          |      |             |             |     64     |     64     |
          |------+-------------+-------------+------------+------------|
          | 40MB | (1) 4M x 64 | (1) 1M x 64 |    None    |    None    |
          |------+-------------+-------------+------------+------------|
          | 48MB | (1) 4M x 64 | (1) 2M x 64 |    None    |    None    |
          |------+-------------+-------------+------------+------------|
          | 48MB | (1) 2M x 64 | (1) 2M x 64 |  (1) 2M x  |    None    |
          |      |             |             |     64     |            |
          |------+-------------+-------------+------------+------------|
          | 64MB | (1) 2M x 64 | (1) 2M x 64 |  (1) 2M x  |  (1) 2M x  |
          |      |             |             |     64     |     64     |
          |------+-------------+-------------+------------+------------|
          | 64MB | (1) 8M x 64 |    None     |    None    |    None    |
          +------------------------------------------------------------+
       
          +------------------------------------------------------------+
          |                 DIMM CONFIGURATION (CON’T)                 |
          |------------------------------------------------------------|
          |  Size  |   Bank 0   |   Bank 1   |   Bank 2   |   Bank 3   |
          |--------+------------+------------+------------+------------|
          |  64MB  |  (1) 4M x  |  (1) 4M x  |    None    |    None    |
          |        |     64     |     64     |            |            |
          |--------+------------+------------+------------+------------|
          |  72MB  |  (1) 8M x  |  (1) 1M x  |    None    |    None    |
          |        |     64     |     64     |            |            |
          |--------+------------+------------+------------+------------|
          |  80MB  |  (1) 8M x  |  (1) 2M x  |    None    |    None    |
          |        |     64     |     64     |            |            |
          |--------+------------+------------+------------+------------|
          |  96MB  |  (1) 8M x  |  (1) 4M x  |    None    |    None    |
          |        |     64     |     64     |            |            |
          |--------+------------+------------+------------+------------|
          |  96MB  |  (1) 4M x  |  (1) 4M x  |  (1) 4M x  |    None    |
          |        |     64     |     64     |     64     |            |
          |--------+------------+------------+------------+------------|
          | 128MB  | (1) 16M x  |    None    |    None    |    None    |
          |        |     64     |            |            |            |
          |--------+------------+------------+------------+------------|
          | 128MB  |  (1) 8M x  |  (1) 8M x  |    None    |    None    |
          |        |     64     |     64     |            |            |
          |--------+------------+------------+------------+------------|
          | 128MB  |  (1) 4M x  |  (1) 4M x  |  (1) 4M x  |  (1) 4M x  |
          |        |     64     |     64     |     64     |     64     |
          |--------+------------+------------+------------+------------|
          | 136MB  | (1) 16M x  |  (1) 1M x  |    None    |    None    |
          |        |     64     |     64     |            |            |
          |--------+------------+------------+------------+------------|
          | 144MB  | (1) 16M x  |  (1) 2M x  |    None    |    None    |
          |        |     64     |     64     |            |            |
          |--------+------------+------------+------------+------------|
          | 152MB  | (1) 16M x  |  (1) 1M x  |  (1) 1M x  |  (1) 1M x  |
          |        |     64     |     64     |     64     |     64     |
          |--------+------------+------------+------------+------------|
          | 160MB  | (1) 16M x  |  (1) 4M x  |    None    |    None    |
          |        |     64     |     64     |            |            |
          |--------+------------+------------+------------+------------|
          | 176MB  | (1) 16M x  |  (1) 2M x  |  (1) 2M x  |  (1) 2M x  |
          |        |     64     |     64     |     64     |     64     |
          |--------+------------+------------+------------+------------|
          | 192MB  | (1) 16M x  |  (1) 8M x  |    None    |    None    |
          |        |     64     |     64     |            |            |
          |--------+------------+------------+------------+------------|
          | 192MB  |  (1) 8M x  |  (1) 8M x  |  (1) 8M x  |    None    |
          |        |     64     |     64     |     64     |            |
          |--------+------------+------------+------------+------------|
          | 224MB  | (1) 16M x  |  (1) 4M x  |  (1) 4M x  |  (1) 4M x  |
          |        |     64     |     64     |     64     |     64     |
          |--------+------------+------------+------------+------------|
          | 256MB  | (1) 32M x  |    None    |    None    |    None    |
          |        |     64     |            |            |            |
          |--------+------------+------------+------------+------------|
          | 256MB  | (1) 16M x  | (1) 16M x  |    None    |    None    |
          |        |     64     |     64     |            |            |
          |--------+------------+------------+------------+------------|
          | 256MB  |  (1) 8M x  |  (1) 8M x  |  (1) 8M x  |  (1) 8M x  |
          |        |     64     |     64     |     64     |     64     |
          |--------+------------+------------+------------+------------|
          | 272MB  | (1) 16M x  | (1) 16M x  |  (1) 1M x  |  (1) 1M x  |
          |        |     64     |     64     |     64     |     64     |
          |--------+------------+------------+------------+------------|
          | 280MB  | (1) 32M x  |  (1) 1M x  |  (1) 1M x  |  (1) 1M x  |
          |        |     64     |     64     |     64     |     64     |
          |--------+------------+------------+------------+------------|
          | 288MB  | (1) 16M x  | (1) 16M x  |  (1) 2M x  |  (1) 2M x  |
          |        |     64     |     64     |     64     |     64     |
          |--------+------------+------------+------------+------------|
          | 304MB  | (1) 32M x  |  (1) 2M x  |  (1) 2M x  |  (1) 2M x  |
          |        |     64     |     64     |     64     |     64     |
          |--------+------------+------------+------------+------------|
          | 320MB  | (1) 16M x  | (1) 16M x  |  (1) 4M x  |  (1) 4M x  |
          |        |     64     |     64     |     64     |     64     |
          |--------+------------+------------+------------+------------|
          | 320MB  | (1) 16M x  |  (1) 8M x  |  (1) 8M x  |  (1) 8M x  |
          |        |     64     |     64     |     64     |     64     |
          |--------+------------+------------+------------+------------|
          | 352MB  | (1) 32M x  |  (1) 4M x  |  (1) 4M x  |  (1) 4M x  |
          |        |     64     |     64     |     64     |     64     |
          |--------+------------+------------+------------+------------|
          | 384MB  | (1) 16M x  | (1) 16M x  | (1) 16M x  |    None    |
          |        |     64     |     64     |     64     |            |
          |--------+------------+------------+------------+------------|
          | 448MB  | (1) 32M x  |  (1) 8M x  |  (1) 8M x  |  (1) 8M x  |
          |        |     64     |     64     |     64     |     64     |
          |--------+------------+------------+------------+------------|
          | 512MB  | (1) 32M x  | (1) 32M x  |    None    |    None    |
          |        |     64     |     64     |            |            |
          |--------+------------+------------+------------+------------|
          | 512MB  | (1) 16M x  | (1) 16M x  | (1) 16M x  | (1) 16M x  |
          |        |     64     |     64     |     64     |     64     |
          |--------+------------+------------+------------+------------|
          | 640MB  | (1) 32M x  | (1) 16M x  | (1) 16M x  | (1) 16M x  |
          |        |     64     |     64     |     64     |     64     |
          |--------+------------+------------+------------+------------|
          | 768MB  | (1) 32M x  | (1) 32M x  | (1) 32M x  |    None    |
          |        |     64     |     64     |     64     |            |
          |--------+------------+------------+------------+------------|
          | 1024MB | (1) 32M x  | (1) 32M x  | (1) 32M x  | (1) 32M x  |
          |        |     64     |     64     |     64     |     64     |
          |------------------------------------------------------------|
          |      Note: Board accepts EDO & SDRAM memory.               |
          +------------------------------------------------------------+
       
          +------------------------------------------------------------+
          |                    CACHE CONFIGURATION                     |
          |------------------------------------------------------------|
          | Note: 256KB/512KB cache is located on the Pentium II CPU.  |
          +------------------------------------------------------------+
       
          +------------------------------------------------------------+
          |                    CPU SPEED SELECTION                     |
          |------------------------------------------------------------|
          |  CPU speed  |  Clock speed  |  Multiplier  |      JP3      |
          |-------------+---------------+--------------+---------------|
          |   233MHz    |     66MHz     |     3.5x     | 1 & 2, 9 & 10 |
          |-------------+---------------+--------------+---------------|
          |   266MHz    |     66MHz     |      4x      | 3 & 4, 9 & 10 |
          |-------------+---------------+--------------+---------------|
          |   300MHz    |     66MHz     |     4.5x     | 5 & 6, 9 & 10 |
          |-------------+---------------+--------------+---------------|
          |   333MHz    |     66MHz     |      5x      | 7 & 8, 9 & 10 |
          |-------------+---------------+--------------+---------------|
          |   350MHz    |    100MHz     |     5.5x     |     1 & 2     |
          |-------------+---------------+--------------+---------------|
          |   400MHz    |    100MHz     |      6x      |     3 & 4     |
          |-------------+---------------+--------------+---------------|
          |   450MHz    |    100MHz     |     6.5x     |     5 & 6     |
          |-------------+---------------+--------------+---------------|
          |   500MHz    |    100MHz     |      7x      |     7 & 8     |
          |------------------------------------------------------------|
          | Note: Pins designated should be in the closed position.    |
          +------------------------------------------------------------+