(TXT) View Source
       
       # KADATCO CO., LTD.
       
          AM-606LX
       
          Device Type      Mainboard                                     
          Processor        Pentium II                                    
          Processor Speed  233/266/300MHz                                
          Chip Set         Intel                                         
          Video Chip Set   None                                          
          Maximum Onboard  384MB (EDO & SDRAM supported)                 
          Memory           
          Maximum Video    None                                          
          Memory           
          Cache            256/512KB (located on Pentium II CPU)         
          BIOS             Award                                         
          Dimensions       305mm x 210mm                                 
          I/O Options      32-bit PCI slots (4), floppy drive interface, 
                           IDE interfaces (2), parallel port, PS/2 mouse 
                           port, serial ports (2), IR connector, USB     
                           connectors (2), ATX power connector, AGP slot 
          NPU Options      None                                          
       
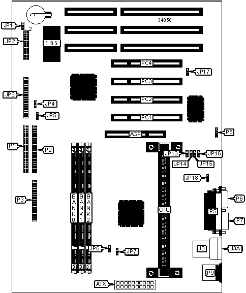
 (IMG) IMG 1
          
       
          +------------------------------------------------------------+
          |                        CONNECTIONS                         |
          |------------------------------------------------------------|
          | Purpose       |   Location    | Purpose        | Location  |
          |---------------+---------------+----------------+-----------|
          | AGP slot      |      AGP      | Chassis fan    |    JP4    |
          |               |               | power 2        |           |
          |---------------+---------------+----------------+-----------|
          | ATX power     |      ATX      | Chassis fan    |    JP7    |
          | connector     |               | power 1        |           |
          |---------------+---------------+----------------+-----------|
          | External      |      BT1      | IDE interface  |    P1     |
          | battery       |               | 1              |           |
          |---------------+---------------+----------------+-----------|
          | USB connector |      J3       | IDE interface  |    P2     |
          | 1             |               | 2              |           |
          |---------------+---------------+----------------+-----------|
          | USB connector |      J3A      | Floppy drive   |    P3     |
          | 2             |               | interface      |           |
          |---------------+---------------+----------------+-----------|
          | Power LED &   |   JP2/pins    | Parallel port  |    P5     |
          | keylock       |   1/3/5/7/9   |                |           |
          |---------------+---------------+----------------+-----------|
          | Soft off      | JP2/pins 12 & | Serial port 2  |    P6     |
          | power supply  |      14       |                |           |
          |---------------+---------------+----------------+-----------|
          | Speaker       |   JP2/pins    | Serial port 1  |    P7     |
          |               |  13/15/17/19  |                |           |
          |---------------+---------------+----------------+-----------|
          | Reset switch  | JP2/pins 18 & | IR connector   |    P8     |
          |               |      20       |                |           |
          |---------------+---------------+----------------+-----------|
          | IDE interface | JP2/pins 23 & | PS/2 mouse     |    P9     |
          | LED           |      24       | port           |           |
          |---------------+---------------+----------------+-----------|
          | LM78          |      JP3      | 32-bit PCI     | PC1 - PC4 |
          | connector     |               | slots          |           |
          |------------------------------------------------------------|
          |      Note: The location of BT1 is unidentified.            |
          +------------------------------------------------------------+
       
          +------------------------------------------------------------+
          |                 USER CONFIGURABLE SETTINGS                 |
          |------------------------------------------------------------|
          |              Function               | Label |   Position   |
          |-------------------------------------+-------+--------------|
          | » | CMOS memory normal operation    |  JP1  |  Pins 1 & 2  |
          |   |                                 |       |    closed    |
          |---+---------------------------------+-------+--------------|
          |   | CMOS memory clear               |  JP1  |  Pins 2 & 3  |
          |   |                                 |       |    closed    |
          |---+---------------------------------+-------+--------------|
          | » | Factory configured - do not     |  JP5  | Unidentified |
          |   | alter                           |       |              |
          |---+---------------------------------+-------+--------------|
          | » | Factory configured - do not     |  JP6  | Unidentified |
          |   | alter                           |       |              |
          |---+---------------------------------+-------+--------------|
          | » | Factory configured - do not     | JP17  | Unidentified |
          |   | alter                           |       |              |
          |---+---------------------------------+-------+--------------|
          | » | Modem ring port select COM2     | JP18  |  Pins 2 & 3  |
          |   |                                 |       |    closed    |
          |---+---------------------------------+-------+--------------|
          |   | Modem ring port select COM1     | JP18  |  Pins 1 & 2  |
          |   |                                 |       |    closed    |
          +------------------------------------------------------------+
       
          +------------------------------------------------------------+
          |                     DIMM CONFIGURATION                     |
          |------------------------------------------------------------|
          |    Size    |    Bank 0     |    Bank 1     |    Bank 2     |
          |------------+---------------+---------------+---------------|
          |    8MB     |  (1) 1M x 64  |     None      |     None      |
          |------------+---------------+---------------+---------------|
          |    16MB    |  (1) 2M x 64  |     None      |     None      |
          |------------+---------------+---------------+---------------|
          |    16MB    |  (1) 1M x 64  |  (1) 1M x 64  |     None      |
          |------------+---------------+---------------+---------------|
          |    24MB    |  (1) 2M x 64  |  (1) 1M x 64  |     None      |
          |------------+---------------+---------------+---------------|
          |    24MB    |  (1) 1M x 64  |  (1) 1M x 64  |  (1) 1M x 64  |
          |------------+---------------+---------------+---------------|
          |    32MB    |  (1) 4M x 64  |     None      |     None      |
          |------------+---------------+---------------+---------------|
          |    32MB    |  (1) 2M x 64  |  (1) 1M x 64  |  (1) 1M x 64  |
          |------------+---------------+---------------+---------------|
          |    32MB    |  (1) 2M x 64  |  (1) 2M x 64  |     None      |
          |------------+---------------+---------------+---------------|
          |    40MB    |  (1) 4M x 64  |  (1) 1M x 64  |     None      |
          |------------+---------------+---------------+---------------|
          |    40MB    |  (1) 2M x 64  |  (1) 2M x 64  |  (1) 1M x 64  |
          |------------+---------------+---------------+---------------|
          |    48MB    |  (1) 4M x 64  |  (1) 1M x 64  |  (1) 1M x 64  |
          |------------+---------------+---------------+---------------|
          |    48MB    |  (1) 4M x 64  |  (1) 2M x 64  |     None      |
          |------------+---------------+---------------+---------------|
          |    48MB    |  (1) 2M x 64  |  (1) 2M x 64  |  (1) 2M x 64  |
          +------------------------------------------------------------+
       
          +------------------------------------------------------------+
          |                 DIMM CONFIGURATION (CON’T)                 |
          |------------------------------------------------------------|
          |   Size   |     Bank 0     |     Bank 1     |    Bank 2     |
          |----------+----------------+----------------+---------------|
          |   56MB   |  (1) 4M x 64   |  (1) 2M x 64   |  (1) 1M x 64  |
          |----------+----------------+----------------+---------------|
          |   64MB   |  (1) 8M x 64   |      None      |     None      |
          |----------+----------------+----------------+---------------|
          |   64MB   |  (1) 4M x 64   |  (1) 2M x 64   |  (1) 2M x 64  |
          |----------+----------------+----------------+---------------|
          |   64MB   |  (1) 4M x 64   |  (1) 4M x 64   |     None      |
          |----------+----------------+----------------+---------------|
          |   72MB   |  (1) 4M x 64   |  (1) 4M x 64   |  (1) 1M x 64  |
          |----------+----------------+----------------+---------------|
          |   80MB   |  (1) 8M x 64   |  (1) 1M x 64   |  (1) 1M x 64  |
          |----------+----------------+----------------+---------------|
          |   80MB   |  (1) 8M x 64   |  (1) 2M x 64   |     None      |
          |----------+----------------+----------------+---------------|
          |   80MB   |  (1) 4M x 64   |  (1) 4M x 64   |  (1) 2M x 64  |
          |----------+----------------+----------------+---------------|
          |   88MB   |  (1) 8M x 64   |  (1) 2M x 64   |  (1) 1M x 64  |
          |----------+----------------+----------------+---------------|
          |   96MB   |  (1) 8M x 64   |  (1) 2M x 64   |  (1) 2M x 64  |
          |----------+----------------+----------------+---------------|
          |   96MB   |  (1) 8M x 64   |  (1) 4M x 64   |     None      |
          |----------+----------------+----------------+---------------|
          |   96MB   |  (1) 4M x 64   |  (1) 4M x 64   |  (1) 4M x 64  |
          |----------+----------------+----------------+---------------|
          |  104MB   |  (1) 8M x 64   |  (1) 4M x 64   |  (1) 1M x 64  |
          |----------+----------------+----------------+---------------|
          |  112MB   |  (1) 8M x 64   |  (1) 4M x 64   |  (1) 2M x 64  |
          |----------+----------------+----------------+---------------|
          |  128MB   |  (1) 16M x 64  |      None      |     None      |
          |----------+----------------+----------------+---------------|
          |  128MB   |  (1) 8M x 64   |  (1) 4M x 64   |  (1) 4M x 64  |
          |----------+----------------+----------------+---------------|
          |  128MB   |  (1) 8M x 64   |  (1) 8M x 64   |     None      |
          |----------+----------------+----------------+---------------|
          |  136MB   |  (1) 16M x 64  |  (1) 1M x 64   |     None      |
          |----------+----------------+----------------+---------------|
          |  136MB   |  (1) 8M x 64   |  (1) 8M x 64   |  (1) 1M x 64  |
          |----------+----------------+----------------+---------------|
          |  144MB   |  (1) 16M x 64  |  (1) 1M x 64   |  (1) 1M x 64  |
          |----------+----------------+----------------+---------------|
          |  144MB   |  (1) 16M x 64  |  (1) 2M x 64   |     None      |
          |----------+----------------+----------------+---------------|
          |  144MB   |  (1) 8M x 64   |  (1) 8M x 64   |  (1) 2M x 64  |
          |----------+----------------+----------------+---------------|
          |  152MB   |  (1) 16M x 64  |  (1) 2M x 64   |  (1) 1M x 64  |
          |----------+----------------+----------------+---------------|
          |  160MB   |  (1) 16M x 64  |  (1) 2M x 64   |  (1) 2M x 64  |
          |----------+----------------+----------------+---------------|
          |  160MB   |  (1) 16M x 64  |  (1) 4M x 64   |     None      |
          |----------+----------------+----------------+---------------|
          |  160MB   |  (1) 8M x 64   |  (1) 8M x 64   |  (1) 4M x 64  |
          |----------+----------------+----------------+---------------|
          |  168MB   |  (1) 16M x 64  |  (1) 4M x 64   |  (1) 1M x 64  |
          |----------+----------------+----------------+---------------|
          |  176MB   |  (1) 16M x 64  |  (1) 4M x 64   |  (1) 2M x 64  |
          |----------+----------------+----------------+---------------|
          |  192MB   |  (1) 16M x 64  |  (1) 4M x 64   |  (1) 4M x 64  |
          |----------+----------------+----------------+---------------|
          |  192MB   |  (1) 16M x 64  |  (1) 8M x 64   |     None      |
          |----------+----------------+----------------+---------------|
          |  192MB   |  (1) 8M x 64   |  (1) 8M x 64   |  (1) 8M x 64  |
          |----------+----------------+----------------+---------------|
          |  200MB   |  (1) 16M x 64  |  (1) 8M x 64   |  (1) 1M x 64  |
          |----------+----------------+----------------+---------------|
          |  208MB   |  (1) 16M x 64  |  (1) 8M x 64   |  (1) 2M x 64  |
          |----------+----------------+----------------+---------------|
          |  224MB   |  (1) 16M x 64  |  (1) 8M x 64   |  (1) 4M x 64  |
          |----------+----------------+----------------+---------------|
          |  256MB   |  (1) 16M x 64  |  (1) 8M x 64   |  (1) 8M x 64  |
          |----------+----------------+----------------+---------------|
          |  384MB   |  (1) 16M x 64  |  (1) 16M x 64  | (1) 16M x 64  |
          |------------------------------------------------------------|
          |      Note: Board accepts EDO & SDRAM memory. Maximum SDRAM |
          |      is 384MB. Maximum EDO is 192MB. Does not support x 32 |
          |      SDRAM in bank 2 or x 8 SDRAM in banks 0 & 1.          |
          +------------------------------------------------------------+
       
          +------------------------------------------------------------+
          |                    CACHE CONFIGURATION                     |
          |------------------------------------------------------------|
          | Note: 256KB/512KB cache is located on the Pentium II CPU.  |
          +------------------------------------------------------------+
       
          +------------------------------------------------------------+
          |                    CPU SPEED SELECTION                     |
          |------------------------------------------------------------|
          |  CPU   | Clock  | Multiplier | JP13  | JP14  | JP15 | JP16 |
          | speed  | speed  |            |       |       |      |      |
          |--------+--------+------------+-------+-------+------+------|
          | 233MHz | 66MHz  |    3.5x    | 1 & 2 | 2 & 3 | 2 &  | 1 &  |
          |        |        |            |       |       |  3   |  2   |
          |--------+--------+------------+-------+-------+------+------|
          | 266MHz | 66MHz  |     4x     | 2 & 3 | 1 & 2 | 1 &  | 1 &  |
          |        |        |            |       |       |  2   |  2   |
          |--------+--------+------------+-------+-------+------+------|
          | 300MHz | 66MHz  |    4.5x    | 2 & 3 | 1 & 2 | 2 &  | 1 &  |
          |        |        |            |       |       |  3   |  2   |
          |------------------------------------------------------------|
          | Note: Pins designated should be in the closed position.    |
          +------------------------------------------------------------+