(TXT) View Source
       
       # IBM CORPORATION
       
          PC SERVER 325 (TYPE 8639)
       
          Processor        Pentium Pro                                   
          Processor Speed  166/180/200MHz                                
          Chip Set         Unidentified                                  
          Video Chip Set   Unidentified                                  
          Maximum Onboard  512MB (EDO supported)                         
          Memory           
          Maximum Video    1MB                                           
          Memory           
          Cache            256/512KB (located on Pentium Pro CPU)        
          BIOS             Unidentified                                  
          Dimensions       355mm x 304mm                                 
          I/O Options      32-bit PCI slots (5), Ethernet connectors     
                           (2), floppy drive interface, Ultra SCSI       
                           interfaces (2), parallel port, PS/2 mouse     
                           port, serial port, VGA port, IR connector,    
                           VRM connectors (2), CPU slot                  
          NPU Options      None                                          
       
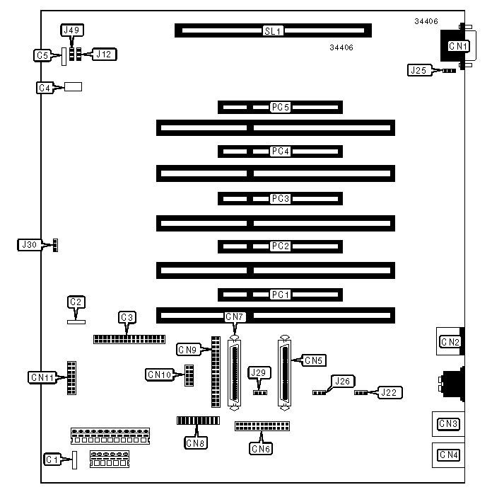
 (IMG) IMG 1
          
       
          +------------------------------------------------------------+
          |                        CONNECTIONS                         |
          |------------------------------------------------------------|
          | Purpose           | Location | Purpose          | Location |
          |-------------------+----------+------------------+----------|
          | Chassis fan power |    C1    | Ultra SCSI       |   CN5    |
          |                   |          | interface        |          |
          |-------------------+----------+------------------+----------|
          | Chassis fan power |    C2    | Parallel port    |   CN6    |
          |-------------------+----------+------------------+----------|
          | System management |    C3    | Ultra SCSI       |   CN7    |
          | connector         |          | interface        |          |
          |-------------------+----------+------------------+----------|
          | C2 security cable |    C4    | Serial port      |   CN8    |
          | connector         |          |                  |          |
          |-------------------+----------+------------------+----------|
          | Speaker           |    C5    | Floppy drive     |   CN9    |
          |                   |          | interface        |          |
          |-------------------+----------+------------------+----------|
          | VGA port          |   CN1    | IR connector     |   CN10   |
          |-------------------+----------+------------------+----------|
          | PS/2 mouse port   |   CN2    | Front panel      |   CN11   |
          |                   |          | connector        |          |
          |-------------------+----------+------------------+----------|
          | Ethernet          |   CN3    | 32-bit PCI slots |  PC1 -   |
          | connector         |          |                  |   PC5    |
          |-------------------+----------+------------------+----------|
          | Ethernet          |   CN4    | CPU slot         |   SL1    |
          | connector         |          |                  |          |
          +------------------------------------------------------------+
       
          +------------------------------------------------------------+
          |                 USER CONFIGURABLE SETTINGS                 |
          |------------------------------------------------------------|
          |               Function                | Label |  Position  |
          |---------------------------------------+-------+------------|
          | » | Factory configured - do not alter |  J12  | Pins 2 & 3 |
          |   | (system password)                 |       |   closed   |
          |---+-----------------------------------+-------+------------|
          | » | Ethernet enabled                  |  J22  | Pins 2 & 3 |
          |   |                                   |       |   closed   |
          |---+-----------------------------------+-------+------------|
          |   | Ethernet disabled                 |  J22  | Pins 1 & 2 |
          |   |                                   |       |   closed   |
          |---+-----------------------------------+-------+------------|
          | » | On board video enabled            |  J25  | Pins 1 & 2 |
          |   |                                   |       |   closed   |
          |---+-----------------------------------+-------+------------|
          |   | On board video disabled           |  J25  | Pins 2 & 3 |
          |   |                                   |       |   closed   |
          |---+-----------------------------------+-------+------------|
          | » | SCSI enabled                      |  J26  | Pins 2 & 3 |
          |   |                                   |       |   closed   |
          |---+-----------------------------------+-------+------------|
          |   | SCSI disabled                     |  J26  | Pins 1 & 2 |
          |   |                                   |       |   closed   |
          |---+-----------------------------------+-------+------------|
          | » | SCSI type select 16-bit           |  J29  | Pins 2 & 3 |
          |   |                                   |       |   closed   |
          |---+-----------------------------------+-------+------------|
          |   | SCSI type select 8-bit            |  J29  | Pins 1 & 2 |
          |   |                                   |       |   closed   |
          |---+-----------------------------------+-------+------------|
          | » | Flash write enabled               |  J30  | Pins 1 & 2 |
          |   |                                   |       |   closed   |
          |---+-----------------------------------+-------+------------|
          |   | Flash write disabled              |  J30  | Pins 2 & 3 |
          |   |                                   |       |   closed   |
          |---+-----------------------------------+-------+------------|
          | » | System management adapter not     |  J49  | Pins 2 & 3 |
          |   | installed                         |       |   closed   |
          |---+-----------------------------------+-------+------------|
          |   | System management adapter         |  J49  | Pins 1 & 2 |
          |   | installed                         |       |   closed   |
          +------------------------------------------------------------+
       
          +------------------------------------------------------------+
          |                 VIDEO MEMORY CONFIGURATION                 |
          |------------------------------------------------------------|
          | Note: The location of the video memory is unidentified.    |
          +------------------------------------------------------------+
       
 (IMG) IMG 2
          
       
          +------------------------------------------------------------+
          |                        CONNECTIONS                         |
          |------------------------------------------------------------|
          | Purpose          | Location | Purpose           | Location |
          |------------------+----------+-------------------+----------|
          | VRM connector 1  |   CN2    | Chassis fan power |   J21    |
          |------------------+----------+-------------------+----------|
          | VRM connector 2  |   CN3    | Chassis fan power |   J22    |
          +------------------------------------------------------------+
       
          +------------------------------------------------------------+
          |                 USER CONFIGURABLE SETTINGS                 |
          |------------------------------------------------------------|
          |              Function               | Label |   Position   |
          |-------------------------------------+-------+--------------|
          | » | Factory configured - do not     |  CN1  | Unidentified |
          |   | alter                           |       |              |
          |---+---------------------------------+-------+--------------|
          | » | Factory configured - do not     |  J9   | Unidentified |
          |   | alter                           |       |              |
          |---+---------------------------------+-------+--------------|
          | » | Factory configured - do not     |  J10  | Unidentified |
          |   | alter                           |       |              |
          |---+---------------------------------+-------+--------------|
          | » | Factory configured - do not     |  J12  | Unidentified |
          |   | alter                           |       |              |
          +------------------------------------------------------------+
       
          +------------------------------------------------------------+
          |                     DIMM CONFIGURATION                     |
          |------------------------------------------------------------|
          | Size  |   Bank 0    |   Bank 1   |   Bank 2   |   Bank 3   |
          |-------+-------------+------------+------------+------------|
          | 16MB  | (1) 2M x 64 |    None    |    None    |    None    |
          |-------+-------------+------------+------------+------------|
          | 32MB  | (1) 2M x 64 |  (1) 2M x  |    None    |    None    |
          |       |             |     64     |            |            |
          |-------+-------------+------------+------------+------------|
          | 32MB  | (1) 4M x 64 |    None    |    None    |    None    |
          |-------+-------------+------------+------------+------------|
          | 48MB  | (1) 2M x 64 |  (1) 2M x  |  (1) 2M x  |    None    |
          |       |             |     64     |     64     |            |
          |-------+-------------+------------+------------+------------|
          | 64MB  | (1) 2M x 64 |  (1) 2M x  |  (1) 2M x  |  (1) 2M x  |
          |       |             |     64     |     64     |     64     |
          |-------+-------------+------------+------------+------------|
          | 64MB  | (1) 4M x 64 |  (1) 4M x  |    None    |    None    |
          |       |             |     64     |            |            |
          |-------+-------------+------------+------------+------------|
          | 64MB  | (1) 8M x 64 |    None    |    None    |    None    |
          |-------+-------------+------------+------------+------------|
          | 96MB  | (1) 4M x 64 |  (1) 4M x  |  (1) 4M x  |    None    |
          |       |             |     64     |     64     |            |
          |-------+-------------+------------+------------+------------|
          | 128MB | (1) 4M x 64 |  (1) 4M x  |  (1) 4M x  |  (1) 4M x  |
          |       |             |     64     |     64     |     64     |
          |-------+-------------+------------+------------+------------|
          | 128MB | (1) 8M x 64 |  (1) 8M x  |    None    |    None    |
          |       |             |     64     |            |            |
          |-------+-------------+------------+------------+------------|
          | 128MB |  (1) 16M x  |    None    |    None    |    None    |
          |       |     64      |            |            |            |
          |-------+-------------+------------+------------+------------|
          | 192MB | (1) 8M x 64 |  (1) 8M x  |  (1) 8M x  |    None    |
          |       |             |     64     |     64     |            |
          |-------+-------------+------------+------------+------------|
          | 256MB | (1) 8M x 64 |  (1) 8M x  |  (1) 8M x  |  (1) 8M x  |
          |       |             |     64     |     64     |     64     |
          |-------+-------------+------------+------------+------------|
          | 256MB |  (1) 16M x  | (1) 16M x  |    None    |    None    |
          |       |     64      |     64     |            |            |
          |-------+-------------+------------+------------+------------|
          | 384MB |  (1) 16M x  | (1) 16M x  | (1) 16M x  |    None    |
          |       |     64      |     64     |     64     |            |
          |-------+-------------+------------+------------+------------|
          | 512MB |  (1) 16M x  | (1) 16M x  | (1) 16M x  | (1) 16M x  |
          |       |     64      |     64     |     64     |     64     |
          |------------------------------------------------------------|
          | Note: Board accepts EDO memory.                            |
          +------------------------------------------------------------+
       
          +------------------------------------------------------------+
          |                    CACHE CONFIGURATION                     |
          |------------------------------------------------------------|
          | Note: 256KB/512KB cache is located on the Pentium Pro CPU. |
          +------------------------------------------------------------+
       
          +------------------------------------------------------------+
          |                    CPU SPEED SELECTION                     |
          |------------------------------------------------------------|
          |CPU speed|Clock speed|Multiplier|  J1  | J17  | J18  | J20  |
          |---------+-----------+----------+------+------+------+------|
          | 166MHz  |   66MHz   |   2.5x   |Closed| Open |Closed| Open |
          |---------+-----------+----------+------+------+------+------|
          | 180MHz  |   60MHz   |    3x    | Open |Closed| Open |Closed|
          |---------+-----------+----------+------+------+------+------|
          | 200MHz  |   66MHz   |    3x    |Closed| Open |Closed| Open |
          +------------------------------------------------------------+
       
          +------------------------------------------------------------+
          |                CPU SPEED SELECTION (CON'T)                 |
          |------------------------------------------------------------|
          |CPU speed|Clock speed|Multiplier| J27  | J28  | J29  | J30  |
          |---------+-----------+----------+------+------+------+------|
          | 166MHz  |   66MHz   |   2.5x   |Closed| Open |Closed|Closed|
          |---------+-----------+----------+------+------+------+------|
          | 180MHz  |   60MHz   |    3x    |Closed|Closed| Open |Closed|
          |---------+-----------+----------+------+------+------+------|
          | 200MHz  |   66MHz   |    3x    |Closed|Closed| Open |Closed|
          +------------------------------------------------------------+