(TXT) View Source
       
       # GIGA-BYTE TECHNOLOGY CO., LTD.
       
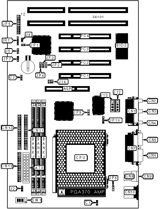
          GA-6LX7A (VER. 1.0)
       
          Device Type     Mainboard                                      
          Processor       Celeron                                        
          Processor Speed 366/400/433MHz                                 
          Chip Set        Intel 440LX                                    
          Maximum Onboard 768MB (EDO & SDRAM supported)                  
          Memory          
          Cache           128KB (located on the Celeron CPU)             
          BIOS            Award                                          
          Dimensions      305mm x 190mm                                  
          I/O Options     32-bit PCI slots (4), floppy drive interface,  
                          game/MIDI port, green PC connector, IDE        
                          interfaces (2), parallel port, PS/2 mouse      
                          port, serial ports (2), IR connector, USB      
                          connectors (2), ATX power connector, AGP slot, 
                          line in, line out, microphone in, audio in -   
                          CD-ROMs (2), SB-link connector, wake on LAN    
                          connector, wake on modem connector             
       
 (IMG) IMG 1
          
       
          +------------------------------------------------------------+
          |                        CONNECTIONS                         |
          |------------------------------------------------------------|
          | Purpose         | Location | Purpose          |  Location  |
          |-----------------+----------+------------------+------------|
          | AGP slot        |   AGP    | IR connector     |    IR1     |
          |-----------------+----------+------------------+------------|
          | ATX power       |   ATX    | Power fan power  |     J2     |
          | connector       |          |                  |            |
          |-----------------+----------+------------------+------------|
          | CPU fan power   |    C1    | Wake on modem    |     J4     |
          |                 |          | connector        |            |
          |-----------------+----------+------------------+------------|
          | Chassis fan     |    C2    | SB-link          |    J14     |
          | power           |          | connector        |            |
          |-----------------+----------+------------------+------------|
          | Game/MIDI port  |   CN1    | Audio in -       |    J12     |
          |                 |          | CD-ROM           |            |
          |-----------------+----------+------------------+------------|
          | Microphone in   |   CN2    | Audio in -       |    J13     |
          |                 |          | CD-ROM           |            |
          |-----------------+----------+------------------+------------|
          | Line in         |   CN3    | Case open        |    JP1     |
          |                 |          | connector        |            |
          |-----------------+----------+------------------+------------|
          | Line out        |   CN4    | Green PC LED     | JP5/pins 1 |
          |                 |          |                  |    & 12    |
          |-----------------+----------+------------------+------------|
          | Serial port 1   |   CN5    | Reset switch     | JP5/pins 3 |
          |                 |          |                  |    & 4     |
          |-----------------+----------+------------------+------------|
          | Serial port 2   |   CN6    | Speaker          | JP5/pins 5 |
          |                 |          |                  |    - 8     |
          |-----------------+----------+------------------+------------|
          | Parallel port   |   CN7    | IDE interface    | JP5/pins 9 |
          |                 |          | LED              |    & 20    |
          |-----------------+----------+------------------+------------|
          | USB connector 1 |   CN8    | Green PC         |  JP5/pins  |
          |                 |          | connector        |  11 & 22   |
          |-----------------+----------+------------------+------------|
          | USB connector 2 |   CN9    | Soft off power   |  JP5/pins  |
          |                 |          | supply           |  15 & 16   |
          |-----------------+----------+------------------+------------|
          | PS/2 mouse port |   CN10   | Power LED        |  JP5/pins  |
          |                 |          |                  |  17 - 19   |
          |-----------------+----------+------------------+------------|
          | IDE interface 2 |   CN11   | Wake on LAN      |    JP7     |
          |                 |          | connector        |            |
          |-----------------+----------+------------------+------------|
          | IDE interface 1 |   CN12   | Modem connector  |    JP10    |
          |-----------------+----------+------------------+------------|
          | Floppy drive    |   CN13   | 32-bit PCI slots | PC1 - PC4  |
          | interface       |          |                  |            |
          +------------------------------------------------------------+
       
          +------------------------------------------------------------+
          |                 USER CONFIGURABLE SETTINGS                 |
          |------------------------------------------------------------|
          |             Function             | Label |    Position     |
          |----------------------------------+-------+-----------------|
          | » | CMOS memory normal operation |  J5   |   Pins 2 & 3    |
          |   |                              |       |     closed      |
          |---+------------------------------+-------+-----------------|
          |   | CMOS memory clear            |  J5   |   Pins 1 & 2    |
          |   |                              |       |     closed      |
          |---+------------------------------+-------+-----------------|
          | » | Keyboard power on disabled   |  JP6  |   Pins 2 & 3    |
          |   |                              |       |     closed      |
          |---+------------------------------+-------+-----------------|
          |   | Keyboard power on enabled    |  JP6  |   Pins 1 & 2    |
          |   |                              |       |     closed      |
          |---+------------------------------+-------+-----------------|
          | » | On board sound enabled       |  JP9  |   Pins 1 & 2    |
          |   |                              |       |     closed      |
          |---+------------------------------+-------+-----------------|
          |   | On board sound disabled      |  JP9  |   Pins 2 & 3    |
          |   |                              |       |     closed      |
          +------------------------------------------------------------+
       
          +------------------------------------------------------------+
          |                     DIMM CONFIGURATION                     |
          |------------------------------------------------------------|
          |    Size    |    Bank 0     |    Bank 1     |    Bank 2     |
          |------------+---------------+---------------+---------------|
          |    8MB     |  (1) 1M x 64  |     None      |     None      |
          |------------+---------------+---------------+---------------|
          |    16MB    |  (1) 2M x 64  |     None      |     None      |
          |------------+---------------+---------------+---------------|
          |    16MB    |  (1) 1M x 64  |  (1) 1M x 64  |     None      |
          |------------+---------------+---------------+---------------|
          |    24MB    |  (1) 2M x 64  |  (1) 1M x 64  |     None      |
          |------------+---------------+---------------+---------------|
          |    24MB    |  (1) 1M x 64  |  (1) 1M x 64  |  (1) 1M x 64  |
          |------------+---------------+---------------+---------------|
          |    32MB    |  (1) 4M x 64  |     None      |     None      |
          |------------+---------------+---------------+---------------|
          |    32MB    |  (1) 2M x 64  |  (1) 1M x 64  |  (1) 1M x 64  |
          |------------+---------------+---------------+---------------|
          |    32MB    |  (1) 2M x 64  |  (1) 2M x 64  |     None      |
          |------------+---------------+---------------+---------------|
          |    40MB    |  (1) 4M x 64  |  (1) 1M x 64  |     None      |
          |------------+---------------+---------------+---------------|
          |    40MB    |  (1) 2M x 64  |  (1) 2M x 64  |  (1) 1M x 64  |
          |------------+---------------+---------------+---------------|
          |    48MB    |  (1) 4M x 64  |  (1) 1M x 64  |  (1) 1M x 64  |
          |------------+---------------+---------------+---------------|
          |    48MB    |  (1) 4M x 64  |  (1) 2M x 64  |     None      |
          |------------+---------------+---------------+---------------|
          |    48MB    |  (1) 2M x 64  |  (1) 2M x 64  |  (1) 2M x 64  |
          +------------------------------------------------------------+
       
          +------------------------------------------------------------+
          |                 DIMM CONFIGURATION (CON'T)                 |
          |------------------------------------------------------------|
          |  Size   |      Bank 0      |    Bank 1     |    Bank 2     |
          |---------+------------------+---------------+---------------|
          |  56MB   |   (1) 4M x 64    |  (1) 2M x 64  |  (1) 1M x 64  |
          |---------+------------------+---------------+---------------|
          |  64MB   |   (1) 8M x 64    |     None      |     None      |
          |---------+------------------+---------------+---------------|
          |  64MB   |   (1) 4M x 64    |  (1) 2M x 64  |  (1) 2M x 64  |
          |---------+------------------+---------------+---------------|
          |  64MB   |   (1) 4M x 64    |  (1) 4M x 64  |     None      |
          |---------+------------------+---------------+---------------|
          |  72MB   |   (1) 8M x 64    |  (1) 1M x 64  |     None      |
          |---------+------------------+---------------+---------------|
          |  72MB   |   (1) 4M x 64    |  (1) 4M x 64  |  (1) 1M x 64  |
          |---------+------------------+---------------+---------------|
          |  80MB   |   (1) 8M x 64    |  (1) 1M x 64  |  (1) 1M x 64  |
          |---------+------------------+---------------+---------------|
          |  80MB   |   (1) 8M x 64    |  (1) 2M x 64  |     None      |
          |---------+------------------+---------------+---------------|
          |  80MB   |   (1) 4M x 64    |  (1) 4M x 64  |  (1) 2M x 64  |
          |---------+------------------+---------------+---------------|
          |  88MB   |   (1) 8M x 64    |  (1) 2M x 64  |  (1) 1M x 64  |
          |---------+------------------+---------------+---------------|
          |  96MB   |   (1) 8M x 64    |  (1) 2M x 64  |  (1) 2M x 64  |
          |---------+------------------+---------------+---------------|
          |  96MB   |   (1) 8M x 64    |  (1) 4M x 64  |     None      |
          |---------+------------------+---------------+---------------|
          |  128MB  |   (1) 16M x 64   |     None      |     None      |
          |---------+------------------+---------------+---------------|
          |  128MB  |   (1) 8M x 64    |  (1) 4M x 64  |  (1) 4M x 64  |
          |---------+------------------+---------------+---------------|
          |  128MB  |   (1) 8M x 64    |  (1) 8M x 64  |     None      |
          |---------+------------------+---------------+---------------|
          |  144MB  |   (1) 16M x 64   |  (1) 2M x 64  |     None      |
          |---------+------------------+---------------+---------------|
          |  144MB  |   (1) 8M x 64    |  (1) 8M x 64  |  (1) 2M x 64  |
          |---------+------------------+---------------+---------------|
          |  152MB  |   (1) 16M x 64   |  (1) 2M x 64  |  (1) 1M x 64  |
          |---------+------------------+---------------+---------------|
          |  160MB  |   (1) 16M x 64   |  (1) 2M x 64  |  (1) 2M x 64  |
          |---------+------------------+---------------+---------------|
          |  160MB  |   (1) 16M x 64   |  (1) 4M x 64  |     None      |
          |---------+------------------+---------------+---------------|
          |  192MB  |   (1) 16M x 64   |  (1) 4M x 64  |  (1) 4M x 64  |
          |---------+------------------+---------------+---------------|
          |  192MB  |   (1) 16M x 64   |  (1) 8M x 64  |     None      |
          |---------+------------------+---------------+---------------|
          |  224MB  |   (1) 16M x 64   |  (1) 8M x 64  |  (1) 4M x 64  |
          |---------+------------------+---------------+---------------|
          |  256MB  |   (1) 32M x 64   |     None      |     None      |
          |---------+------------------+---------------+---------------|
          |  256MB  |   (1) 16M x 64   |  (1) 8M x 64  |  (1) 8M x 64  |
          |---------+------------------+---------------+---------------|
          |  264MB  |   (1) 32M x 64   |  (1) 1M x 64  |     None      |
          |---------+------------------+---------------+---------------|
          |  272MB  |   (1) 32M x 64   |  (1) 1M x 64  |  (1) 1M x 64  |
          |---------+------------------+---------------+---------------|
          |  272MB  |   (1) 32M x 64   |  (1) 2M x 64  |     None      |
          |---------+------------------+---------------+---------------|
          |  288MB  |   (1) 32M x 64   |  (1) 2M x 64  |  (1) 2M x 64  |
          |---------+------------------+---------------+---------------|
          |  288MB  |   (1) 32M x 64   |  (1) 4M x 64  |     None      |
          |---------+------------------+---------------+---------------|
          |  320MB  |   (1) 32M x 64   |  (1) 4M x 64  |  (1) 4M x 64  |
          |---------+------------------+---------------+---------------|
          |  320MB  |   (1) 32M x 64   |  (1) 8M x 64  |     None      |
          |---------+------------------+---------------+---------------|
          |  384MB  |   (1) 32M x 64   |  (1) 8M x 64  |  (1) 8M x 64  |
          |---------+------------------+---------------+---------------|
          |  384MB  |   (1) 32M x 64   | (1) 16M x 64  |     None      |
          |---------+------------------+---------------+---------------|
          |  384MB  |   (1) 16M x 64   | (1) 16M x 64  | (1) 16M x 64  |
          |---------+------------------+---------------+---------------|
          |  512MB  |   (1) 32M x 64   | (1) 16M x 64  | (1) 16M x 64  |
          |---------+------------------+---------------+---------------|
          |  512MB  |   (1) 32M x 64   | (1) 32M x 64  |     None      |
          |---------+------------------+---------------+---------------|
          |  768MB  |   (1) 32M x 64   | (1) 32M x 64  | (1) 32M x 64  |
          |------------------------------------------------------------|
          | Note: Board accepts EDO & SDRAM memory. Maximum SDRAM is   |
          | 384MB. Maximum EDO is 768MB.                               |
          +------------------------------------------------------------+
       
          +--------------------------------------------------+
          |               CACHE CONFIGURATION                |
          |--------------------------------------------------|
          | Note: 128KB cache is located on the Celeron CPU. |
          +--------------------------------------------------+
       
          +------------------------------------------------------------+
          |                    CPU SPEED SELECTION                     |
          |------------------------------------------------------------|
          | CPU speed  |  Clock   | Multiplier |  JP2  |  JP3  |  JP4  |
          |            |  speed   |            |       |       |       |
          |------------+----------+------------+-------+-------+-------|
          |   366MHz   |  66MHz   |    5.5x    | 2 & 3 | 2 & 3 | 2 & 3 |
          |------------+----------+------------+-------+-------+-------|
          |   400MHz   |  66MHz   |     6x     | 2 & 3 | 2 & 3 | 2 & 3 |
          |------------+----------+------------+-------+-------+-------|
          |   433MHz   |  66MHz   |    6.5x    | 2 & 3 | 2 & 3 | 2 & 3 |
          |------------------------------------------------------------|
          | Note: Pins designated should be in the closed position.    |
          +------------------------------------------------------------+
       
          +------------------------------------------------------------+
          |                CPU SPEED SELECTION (CON'T)                 |
          |------------------------------------------------------------|
          |CPU speed|Clock speed|Multiplier|SW1/1 |SW1/2 |SW1/3 |SW1/4 |
          |---------+-----------+----------+------+------+------+------|
          | 366MHz  |   66MHz   |   5.5x   | Off  | Off  | Off  |  On  |
          |---------+-----------+----------+------+------+------+------|
          | 400MHz  |   66MHz   |    6x    |  On  |  On  |  On  | Off  |
          |---------+-----------+----------+------+------+------+------|
          | 433MHz  |   66MHz   |   6.5x   | Off  |  On  |  On  | Off  |
          +------------------------------------------------------------+