(TXT) View Source
       
       # GEMLIGHT COMPUTER, LTD.
       
          GMB-P6EIMG (VER. 1.01)
       
          Device Type      Mainboard                                     
          Processor        Pentium II                                    
          Processor Speed  233/266/300/333MHz                            
          Chip Set         Intel 440EX                                   
          Maximum Onboard  512MB (EDO & SDRAM supported)                 
          Memory           
          Cache            256/512KB (located on the Pentium II chip)    
          BIOS             Award                                         
          Dimensions       244mm x 210mm                                 
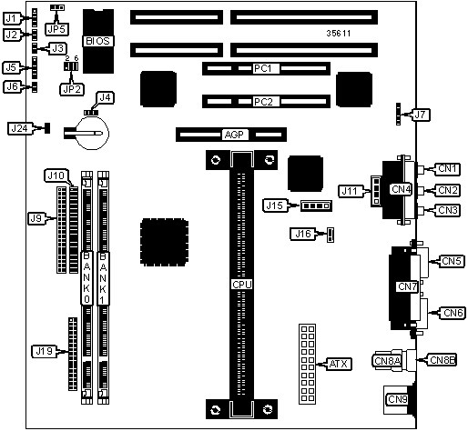
          I/O Options      32-bit PCI slots (2), floppy drive interface, 
                           game/MIDI port, IDE interfaces (2), parallel  
                           port, PS/2 mouse port, serial ports (2), IR   
                           connector, USB connectors (2), ATX power      
                           connector, AGP slot, line in, line out,       
                           microphone in, audio in – CD-ROMs (2)         
       
 (IMG) IMG 1
          
       
          +------------------------------------------------------------+
          |                        CONNECTIONS                         |
          |------------------------------------------------------------|
          | Purpose          | Location | Purpose           | Location |
          |------------------+----------+-------------------+----------|
          | AGP slot         |   AGP    | Soft off power    |    J2    |
          |                  |          | supply            |          |
          |------------------+----------+-------------------+----------|
          | ATX power        |   ATX    | Reset switch      |    J3    |
          | connector        |          |                   |          |
          |------------------+----------+-------------------+----------|
          | Microphone in    |   CN1    | Power LED &       |    J5    |
          |                  |          | keylock           |          |
          |------------------+----------+-------------------+----------|
          | Line in          |   CN2    | IDE interface LED |    J6    |
          |------------------+----------+-------------------+----------|
          | Line out         |   CN3    | IR connector      |    J7    |
          |------------------+----------+-------------------+----------|
          | Game/MIDI port   |   CN4    | IDE interface 1   |    J9    |
          |------------------+----------+-------------------+----------|
          | Serial port 1    |   CN5    | IDE interface 2   |   J10    |
          |------------------+----------+-------------------+----------|
          | Serial port 2    |   CN6    | Audio in – CD-ROM |   J11    |
          |                  |          | (Sony)            |          |
          |------------------+----------+-------------------+----------|
          | Parallel port    |   CN7    | Audio in – CD-ROM |   J15    |
          |                  |          | (Mits/Pan)        |          |
          |------------------+----------+-------------------+----------|
          | USB connector 1  |   CN8A   | CPU fan power     |   J16    |
          |------------------+----------+-------------------+----------|
          | USB connector 2  |   CN8B   | Floppy drive      |   J19    |
          |                  |          | interface         |          |
          |------------------+----------+-------------------+----------|
          | PS/2 mouse port  |   CN9    | Wake on LAN       |   JP5    |
          |------------------+----------+-------------------+----------|
          | Speaker          |    J1    | 32-bit PCI slots  |  PC1 -   |
          |                  |          |                   |   PC2    |
          +------------------------------------------------------------+
       
          +------------------------------------------------------------+
          |                 USER CONFIGURABLE SETTINGS                 |
          |------------------------------------------------------------|
          |               Function                | Label |  Position  |
          |---------------------------------------+-------+------------|
          | » | CMOS memory normal operation      |  J4   | Pins 2 & 3 |
          |   |                                   |       |   closed   |
          |---+-----------------------------------+-------+------------|
          |   | CMOS memory clear                 |  J4   | Pins 1 & 2 |
          |   |                                   |       |   closed   |
          |---+-----------------------------------+-------+------------|
          | » | Power on after power failure      |  J24  |   Closed   |
          |   | enabled                           |       |            |
          |---+-----------------------------------+-------+------------|
          |   | Power on after power failure      |  J24  |    Open    |
          |   | disabled                          |       |            |
          +------------------------------------------------------------+
       
          +------------------------------------------------------------+
          |                     DIMM CONFIGURATION                     |
          |------------------------------------------------------------|
          |      Size      |       Bank 0        |       Bank 1        |
          |----------------+---------------------+---------------------|
          |      8MB       |     (1) 1M x 64     |        None         |
          |----------------+---------------------+---------------------|
          |      16MB      |     (1) 2M x 64     |        None         |
          |----------------+---------------------+---------------------|
          |      16MB      |     (1) 1M x 64     |     (1) 1M x 64     |
          |----------------+---------------------+---------------------|
          |      24MB      |     (1) 2M x 64     |     (1) 1M x 64     |
          |----------------+---------------------+---------------------|
          |      32MB      |     (1) 4M x 64     |        None         |
          |----------------+---------------------+---------------------|
          |      32MB      |     (1) 2M x 64     |     (1) 2M x 64     |
          |----------------+---------------------+---------------------|
          |      40MB      |     (1) 4M x 64     |     (1) 1M x 64     |
          |----------------+---------------------+---------------------|
          |      48MB      |     (1) 4M x 64     |     (1) 2M x 64     |
          |----------------+---------------------+---------------------|
          |      64MB      |     (1) 8M x 64     |        None         |
          |----------------+---------------------+---------------------|
          |      64MB      |     (1) 4M x 64     |     (1) 4M x 64     |
          |----------------+---------------------+---------------------|
          |      72MB      |     (1) 8M x 64     |     (1) 1M x 64     |
          |----------------+---------------------+---------------------|
          |      80MB      |     (1) 8M x 64     |     (1) 2M x 64     |
          |----------------+---------------------+---------------------|
          |      96MB      |     (1) 8M x 64     |     (1) 4M x 64     |
          |----------------+---------------------+---------------------|
          |     128MB      |     (1) 8M x 64     |     (1) 8M x 64     |
          |----------------+---------------------+---------------------|
          |     128MB      |    (1) 16M x 64     |        None         |
          |----------------+---------------------+---------------------|
          |     136MB      |    (1) 16M x 64     |     (1) 1M x 64     |
          |----------------+---------------------+---------------------|
          |     144MB      |    (1) 16M x 64     |     (1) 2M x 64     |
          |----------------+---------------------+---------------------|
          |     160MB      |    (1) 16M x 64     |     (1) 4M x 64     |
          |----------------+---------------------+---------------------|
          |     192MB      |    (1) 16M x 64     |     (1) 8M x 64     |
          |----------------+---------------------+---------------------|
          |     256MB      |    (1) 16M x 64     |    (1) 16M x 64     |
          |----------------+---------------------+---------------------|
          |     256MB      |    (1) 32M x 64     |        None         |
          |----------------+---------------------+---------------------|
          |     264MB      |    (1) 32M x 64     |     (1) 1M x 64     |
          |----------------+---------------------+---------------------|
          |     272MB      |    (1) 32M x 64     |     (1) 2M x 64     |
          |----------------+---------------------+---------------------|
          |     288MB      |    (1) 32M x 64     |     (1) 4M x 64     |
          |----------------+---------------------+---------------------|
          |     320MB      |    (1) 32M x 64     |     (1) 8M x 64     |
          |----------------+---------------------+---------------------|
          |     384MB      |    (1) 32M x 64     |    (1) 16M x 64     |
          |----------------+---------------------+---------------------|
          |     512MB      |    (1) 32M x 64     |    (1) 32M x 64     |
          |------------------------------------------------------------|
          |      Note: Board accepts 256MB SDRAM or 512MB EDO memory.  |
          +------------------------------------------------------------+
       
          +------------------------------------------------------------+
          |                    CPU SPEED SELECTION                     |
          |------------------------------------------------------------|
          |  CPU  |Clock |Multiplier|JP2/pins 1 &|JP2/pins 3|JP2/pins 5|
          | speed |speed |          |     2      |   & 4    |   & 6    |
          |-------+------+----------+------------+----------+----------|
          |233MHz |66MHz |   3.5x   |    Open    |   Open   |  Closed  |
          |-------+------+----------+------------+----------+----------|
          |266MHz |66MHz |    4x    |   Closed   |  Closed  |   Open   |
          |-------+------+----------+------------+----------+----------|
          |300MHz |66MHz |   4.5x   |    Open    |  Closed  |   Open   |
          |-------+------+----------+------------+----------+----------|
          |333MHz |66MHz |    5x    |   Closed   |   Open   |   Open   |
          +------------------------------------------------------------+