(TXT) View Source
       
       # EPOX COMPUTER CO., LTD.
       
          KP6-FX2
       
          Device Type      Mainboard                                     
          Processor        Pentium II                                    
          Processor Speed  200/233/266/300MHz                            
          Chip Set         Intel                                         
          Video Chip Set   None                                          
          Maximum Onboard  1GB (EDO & SDRAM supported)                   
          Memory           
          Maximum Video    None                                          
          Memory           
          Cache            256/512KB (located on Pentium II CPU)         
          BIOS             Award                                         
          Dimensions       305mm x 244mm                                 
          I/O Options      32-bit PCI slots (5), floppy drive interface, 
                           green PC connector, IDE interfaces (2),       
                           parallel port, PS/2 mouse port, serial ports  
                           (2), IR connector, USB connectors (3), ATX    
                           power connector                               
          NPU Options      None                                          
       
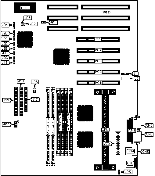
 (IMG) IMG 1
          
       
          +------------------------------------------------------------+
          |                        CONNECTIONS                         |
          |------------------------------------------------------------|
          | Purpose          | Location | Purpose           | Location |
          |------------------+----------+-------------------+----------|
          | ATX power        |   ATX    | Reset switch      |   J9C    |
          | connector        |          |                   |          |
          |------------------+----------+-------------------+----------|
          | Parallel port    |   CN1    | Turbo LED         |   J9D    |
          |------------------+----------+-------------------+----------|
          | Serial port 1    |   CN2    | Green PC          |   J9E    |
          |                  |          | connector         |          |
          |------------------+----------+-------------------+----------|
          | Serial port 2    |   CN3    | Green PC LED      |   J9F    |
          |------------------+----------+-------------------+----------|
          | USB connector 2  |   CN4    | IDE interface LED |   J9G    |
          |------------------+----------+-------------------+----------|
          | USB connector 1  |   CN5    | Soft off power    |   J16    |
          |                  |          | supply            |          |
          |------------------+----------+-------------------+----------|
          | PS/2 mouse port  |   CN6    | Floppy drive      |   J17    |
          |                  |          | interface         |          |
          |------------------+----------+-------------------+----------|
          | IR connector     |    J1    | IDE interface 1   |   J18    |
          |------------------+----------+-------------------+----------|
          | USB connector    |    J2    | IDE interface 2   |   J19    |
          |------------------+----------+-------------------+----------|
          | Power LED &      |   J9A    | CPU fan power     |   JP5    |
          | keylock          |          |                   |          |
          |------------------+----------+-------------------+----------|
          | Speaker          |   J9B    | 32-bit PCI slots  |  PC1 –   |
          |                  |          |                   |   PC5    |
          +------------------------------------------------------------+
       
          +------------------------------------------------------------+
          |                 USER CONFIGURABLE SETTINGS                 |
          |------------------------------------------------------------|
          |             Function             | Label |    Position     |
          |----------------------------------+-------+-----------------|
          | » | CMOS memory normal operation |  JP1  |   Pins 1 & 2    |
          |   |                              |       |     closed      |
          |---+------------------------------+-------+-----------------|
          |   | CMOS memory clear            |  JP1  |   Pins 2 & 3    |
          |   |                              |       |     closed      |
          +------------------------------------------------------------+
       
          +------------------------------------------------------------+
          |                     SIMM CONFIGURATION                     |
          |------------------------------------------------------------|
          |       Size       |       Bank 0       |       Bank 1       |
          |------------------+--------------------+--------------------|
          |       8MB        |    (2) 1M x 36     |        None        |
          |------------------+--------------------+--------------------|
          |       16MB       |    (2) 2M x 36     |        None        |
          |------------------+--------------------+--------------------|
          |       16MB       |    (2) 1M x 36     |    (2) 1M x 36     |
          |------------------+--------------------+--------------------|
          |       24MB       |    (2) 2M x 36     |    (2) 1M x 36     |
          |------------------+--------------------+--------------------|
          |       32MB       |    (2) 4M x 36     |        None        |
          |------------------+--------------------+--------------------|
          |       32MB       |    (2) 2M x 36     |    (2) 2M x 36     |
          |------------------+--------------------+--------------------|
          |       40MB       |    (2) 4M x 36     |    (2) 1M x 36     |
          |------------------+--------------------+--------------------|
          |       48MB       |    (2) 4M x 36     |    (2) 2M x 36     |
          |------------------+--------------------+--------------------|
          |       64MB       |    (2) 8M x 36     |        None        |
          |------------------+--------------------+--------------------|
          |       64MB       |    (2) 4M x 36     |    (2) 4M x 36     |
          |------------------+--------------------+--------------------|
          |       72MB       |    (2) 8M x 36     |    (2) 1M x 36     |
          |------------------+--------------------+--------------------|
          |       80MB       |    (2) 8M x 36     |    (2) 2M x 36     |
          |------------------+--------------------+--------------------|
          |       96MB       |    (2) 8M x 36     |    (2) 4M x 36     |
          |------------------+--------------------+--------------------|
          |      128MB       |    (2) 8M x 36     |    (2) 8M x 36     |
          |------------------+--------------------+--------------------|
          |      128MB       |    (2) 16M x 36    |        None        |
          +------------------------------------------------------------+
       
          +------------------------------------------------------------+
          |                 SIMM CONFIGURATION (CON’T)                 |
          |------------------------------------------------------------|
          |       Size       |       Bank 0       |       Bank 1       |
          |------------------+--------------------+--------------------|
          |      136MB       |    (2) 16M x 36    |    (2) 1M x 36     |
          |------------------+--------------------+--------------------|
          |      144MB       |    (2) 16M x 36    |    (2) 2M x 36     |
          |------------------+--------------------+--------------------|
          |      160MB       |    (2) 16M x 36    |    (2) 4M x 36     |
          |------------------+--------------------+--------------------|
          |      192MB       |    (2) 16M x 36    |    (2) 8M x 36     |
          |------------------+--------------------+--------------------|
          |      256MB       |    (2) 16M x 36    |    (2) 16M x 36    |
          |------------------+--------------------+--------------------|
          |      256MB       |    (2) 32M x 36    |        None        |
          |------------------+--------------------+--------------------|
          |      512MB       |    (2) 32M x 36    |    (2) 32M x 36    |
          |------------------------------------------------------------|
          | Note: Board accepts EDO memory.                            |
          +------------------------------------------------------------+
       
          +------------------------------------------------------------+
          |                     DIMM CONFIGURATION                     |
          |------------------------------------------------------------|
          |       Size       |       Bank 0       |       Bank 1       |
          |------------------+--------------------+--------------------|
          |       8MB        |    (1) 1M x 64     |        None        |
          |------------------+--------------------+--------------------|
          |       16MB       |    (1) 2M x 64     |        None        |
          |------------------+--------------------+--------------------|
          |       16MB       |    (1) 1M x 64     |    (1) 1M x 64     |
          |------------------+--------------------+--------------------|
          |       24MB       |    (1) 2M x 64     |    (1) 1M x 64     |
          |------------------+--------------------+--------------------|
          |       32MB       |    (1) 4M x 64     |        None        |
          |------------------+--------------------+--------------------|
          |       32MB       |    (1) 2M x 64     |    (1) 2M x 64     |
          |------------------+--------------------+--------------------|
          |       40MB       |    (1) 4M x 64     |    (1) 1M x 64     |
          |------------------+--------------------+--------------------|
          |       48MB       |    (1) 4M x 64     |    (1) 2M x 64     |
          |------------------+--------------------+--------------------|
          |       64MB       |    (1) 8M x 64     |        None        |
          |------------------+--------------------+--------------------|
          |       64MB       |    (1) 4M x 64     |    (1) 4M x 64     |
          |------------------+--------------------+--------------------|
          |       72MB       |    (1) 8M x 64     |    (1) 1M x 64     |
          |------------------+--------------------+--------------------|
          |       80MB       |    (1) 8M x 64     |    (1) 2M x 64     |
          |------------------+--------------------+--------------------|
          |       96MB       |    (1) 8M x 64     |    (1) 4M x 64     |
          |------------------+--------------------+--------------------|
          |      128MB       |    (1) 16M x 64    |        None        |
          |------------------+--------------------+--------------------|
          |      128MB       |    (1) 8M x 64     |    (1) 8M x 64     |
          |------------------+--------------------+--------------------|
          |      136MB       |    (1) 16M x 64    |    (1) 1M x 64     |
          |------------------+--------------------+--------------------|
          |      144MB       |    (1) 16M x 64    |    (1) 2M x 64     |
          |------------------+--------------------+--------------------|
          |      160MB       |    (1) 16M x 64    |    (1) 4M x 64     |
          |------------------+--------------------+--------------------|
          |      192MB       |    (1) 16M x 64    |    (1) 8M x 64     |
          |------------------+--------------------+--------------------|
          |      256MB       |    (1) 16M x 64    |    (1) 16M x 64    |
          |------------------+--------------------+--------------------|
          |      256MB       |    (1) 32M x 64    |        None        |
          |------------------+--------------------+--------------------|
          |      512MB       |    (1) 32M x 64    |    (1) 32M x 64    |
          |------------------------------------------------------------|
          |      Note: Board accepts SDRAM memory.                     |
          +------------------------------------------------------------+
       
          +------------------------------------------------------------+
          |                   DIMM VOLTAGE SELECTION                   |
          |------------------------------------------------------------|
          |          Voltage           |              JP6              |
          |----------------------------+-------------------------------|
          | » |          3.3v          |   Pins 2 & 3, 5 & 6 closed    |
          |---+------------------------+-------------------------------|
          |   |           5v           |   Pins 1 & 2, 4 & 5 closed    |
          +------------------------------------------------------------+
       
          +------------------------------------------------------------+
          |                    CACHE CONFIGURATION                     |
          |------------------------------------------------------------|
          | Note: 256KB/512KB cache is located on the Pentium II CPU.  |
          +------------------------------------------------------------+
       
          +------------------------------------------------------------+
          |                    CPU SPEED SELECTION                     |
          |------------------------------------------------------------|
          | CPU speed | Clock speed | Multiplier |         JP7         |
          |-----------+-------------+------------+---------------------|
          |  200MHz   |    66MHz    |     3x     |  Pins 1 & 6 closed  |
          |-----------+-------------+------------+---------------------|
          |  233MHz   |    66MHz    |    3.5x    |  Pins 2 & 7 closed  |
          |-----------+-------------+------------+---------------------|
          |  266MHz   |    66MHz    |     4x     |  Pins 3 & 8 closed  |
          |-----------+-------------+------------+---------------------|
          |  300MHz   |    66MHz    |    4.5x    | Pins 3 & 8, 5 & 10  |
          |           |             |            |       closed        |
          +------------------------------------------------------------+
       
          +------------------------------------------------------------+
          |                    FLASH BIOS SELECTION                    |
          |------------------------------------------------------------|
          |     Setting      |        JP2         |        JP3         |
          |------------------+--------------------+--------------------|
          | » |      5v      | Pins 2 & 3 closed  | Pins 2 & 3 closed  |
          |---+--------------+--------------------+--------------------|
          |   |     12v      | Pins 1 & 2 closed  | Pins 1 & 2 closed  |
          +------------------------------------------------------------+