(TXT) View Source
       
       # EPOX COMPUTER CO., LTD.
       
          P55-VA
       
          Processor        CX M1/AM K5/Pentium                           
          Processor Speed  75/90/100/120/133/150/166/180/200MHz          
          Chip Set         Intel                                         
          Video Chip Set   None                                          
          Maximum Onboard  128MB (EDO supported)                         
          Memory           
          Maximum Video    None                                          
          Memory           
          Cache            256/512KB                                     
          BIOS             Award                                         
          Dimensions       330mm x 218mm                                 
          I/O Options      32-bit PCI slots (4), floppy drive interface, 
                           green PC connector, IDE interfaces (2),       
                           parallel port, PS/2 mouse port, serial ports  
                           (2), cache slot, IR connector, USB connector, 
                           ATX power connector                           
          NPU Options      None                                          
       
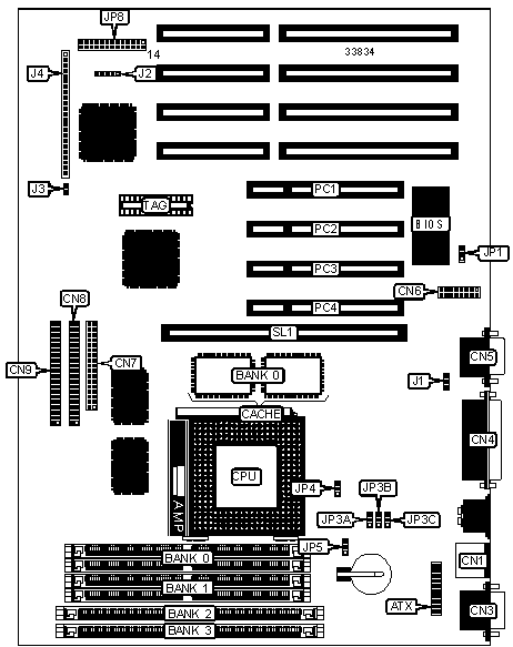
 (IMG) IMG 1
          
       
          +------------------------------------------------------------+
          |                        CONNECTIONS                         |
          |------------------------------------------------------------|
          | Purpose          | Location | Purpose          | Location  |
          |------------------+----------+------------------+-----------|
          | ATX power        |   ATX    | Power on         |    J3     |
          | connector        |          | connector        |           |
          |------------------+----------+------------------+-----------|
          | PS/2 mouse port  |   CN1    | Power LED &      | J4 pins 1 |
          |                  |          | keylock          |    - 5    |
          |------------------+----------+------------------+-----------|
          | Serial port 1    |   CN3    | Speaker          | J4 pins 7 |
          |                  |          |                  |   - 10    |
          |------------------+----------+------------------+-----------|
          | Parallel port    |   CN4    | Reset switch     |  J4 pins  |
          |                  |          |                  |  12 & 13  |
          |------------------+----------+------------------+-----------|
          | Serial port 2    |   CN5    | Turbo LED        |  J4 pins  |
          |                  |          |                  |  15 & 16  |
          |------------------+----------+------------------+-----------|
          | USB connector    |   CN6    | Green PC         |  J4 pins  |
          |                  |          | connector        |  18 & 19  |
          |------------------+----------+------------------+-----------|
          | Floppy drive     |   CN7    | Green PC LED     |  J4 pins  |
          | interface        |          |                  |  21 & 22  |
          |------------------+----------+------------------+-----------|
          | IDE interface 1  |   CN8    | IDE interface    |  J4 pins  |
          |                  |          | LED              |  24 & 25  |
          |------------------+----------+------------------+-----------|
          | IDE interface 2  |   CN9    | 32-bit PCI slots | PC1 - PC4 |
          |------------------+----------+------------------+-----------|
          | Chassis fan      |    J1    | Cache slot       |    SL1    |
          | power            |          |                  |           |
          |------------------+----------+------------------+-----------|
          | IR connector     |    J2    |                  |           |
          +------------------------------------------------------------+
       
          +------------------------------------------------------------+
          |                 USER CONFIGURABLE SETTINGS                 |
          |------------------------------------------------------------|
          |             Function              | Label |    Position    |
          |-----------------------------------+-------+----------------|
          |   | Flash BIOS voltage select 12v |  JP1  |   Pins 2 & 3   |
          |   |                               |       |     closed     |
          |---+-------------------------------+-------+----------------|
          |   | Flash BIOS voltage select 5v  |  JP1  |   Pins 1 & 2   |
          |   |                               |       |     closed     |
          |---+-------------------------------+-------+----------------|
          | » | CMOS memory normal operation  |  JP5  |   Pins 1 & 2   |
          |   |                               |       |     closed     |
          |---+-------------------------------+-------+----------------|
          |   | CMOS memory clear             |  JP5  |   Pins 2 & 3   |
          |   |                               |       |     closed     |
          +------------------------------------------------------------+
       
          +------------------------------------------------------------+
          |                     DRAM CONFIGURATION                     |
          |------------------------------------------------------------|
          | Size |   Bank 0    |   Bank 1    |   Bank 2   |   Bank 3   |
          |------+-------------+-------------+------------+------------|
          | 8MB  | (2) 1M x 36 |    None     |    None    |    None    |
          |------+-------------+-------------+------------+------------|
          | 8MB  |    None     |    None     |  (1) 1M x  |    None    |
          |      |             |             |     64     |            |
          |------+-------------+-------------+------------+------------|
          | 16MB | (2) 1M x 36 | (2) 1M x 36 |    None    |    None    |
          |------+-------------+-------------+------------+------------|
          | 16MB | (2) 2M x 36 |    None     |    None    |    None    |
          |------+-------------+-------------+------------+------------|
          | 16MB | (2) 1M x 36 |    None     |  (1) 1M x  |    None    |
          |      |             |             |     64     |            |
          |------+-------------+-------------+------------+------------|
          | 16MB |    None     |    None     |  (1) 2M x  |    None    |
          |      |             |             |     64     |            |
          |------+-------------+-------------+------------+------------|
          | 24MB | (2) 2M x 36 | (2) 1M x 36 |    None    |    None    |
          |------+-------------+-------------+------------+------------|
          | 24MB | (2) 1M x 36 |    None     |  (1) 2M x  |    None    |
          |      |             |             |     64     |            |
          |------+-------------+-------------+------------+------------|
          | 32MB | (2) 2M x 36 | (2) 2M x 36 |    None    |    None    |
          |------+-------------+-------------+------------+------------|
          | 32MB | (2) 4M x 36 |    None     |    None    |    None    |
          |------+-------------+-------------+------------+------------|
          | 32MB | (2) 2M x 36 |    None     |  (1) 2M x  |    None    |
          |      |             |             |     64     |            |
          |------+-------------+-------------+------------+------------|
          | 32MB |    None     |    None     |  (1) 4M x  |    None    |
          |      |             |             |     64     |            |
          |------+-------------+-------------+------------+------------|
          | 32MB | (2) 1M x 36 | (2) 1M x 36 |  (1) 1M x  |  (1) 1M x  |
          |      |             |             |     64     |     64     |
          |------+-------------+-------------+------------+------------|
          | 40MB | (2) 4M x 36 | (2) 1M x 36 |    None    |    None    |
          |------+-------------+-------------+------------+------------|
          | 40MB | (2) 4M x 36 |    None     |  (1) 1M x  |    None    |
          |      |             |             |     64     |            |
          |------+-------------+-------------+------------+------------|
          | 48MB | (2) 2M x 36 | (2) 4M x 36 |    None    |    None    |
          |------+-------------+-------------+------------+------------|
          | 48MB | (2) 2M x 36 |    None     |  (1) 4M x  |    None    |
          |      |             |             |     64     |            |
          |------+-------------+-------------+------------+------------|
          | 64MB | (2) 4M x 36 | (2) 4M x 36 |    None    |    None    |
          |------+-------------+-------------+------------+------------|
          | 64MB | (2) 8M x 36 |    None     |    None    |    None    |
          |------+-------------+-------------+------------+------------|
          | 64MB | (2) 4M x 36 |    None     |  (1) 4M x  |    None    |
          |      |             |             |     64     |            |
          |------+-------------+-------------+------------+------------|
          | 64MB |    None     |    None     |  (1) 8M x  |    None    |
          |      |             |             |     64     |            |
          +------------------------------------------------------------+
       
          +------------------------------------------------------------+
          |                 DRAM CONFIGURATION (CON’T)                 |
          |------------------------------------------------------------|
          | Size  |   Bank 0    |   Bank 1   |   Bank 2   |   Bank 3   |
          |-------+-------------+------------+------------+------------|
          | 72MB  | (2) 1M x 36 |  (2) 8M x  |    None    |    None    |
          |       |             |     36     |            |            |
          |-------+-------------+------------+------------+------------|
          | 72MB  | (2) 1M x 36 |    None    |  (1) 8M x  |    None    |
          |       |             |            |     64     |            |
          |-------+-------------+------------+------------+------------|
          | 72MB  | (2) 2M x 36 |  (2) 2M x  |  (1) 1M x  |  (1) 4M x  |
          |       |             |     36     |     64     |     64     |
          |-------+-------------+------------+------------+------------|
          | 80MB  | (2) 2M x 36 |  (2) 8M x  |    None    |    None    |
          |       |             |     36     |            |            |
          |-------+-------------+------------+------------+------------|
          | 80MB  | (2) 2M x 36 |    None    |  (1) 8M x  |    None    |
          |       |             |            |     64     |            |
          |-------+-------------+------------+------------+------------|
          | 80MB  | (2) 4M x 36 |  (2) 4M x  |  (1) 1M x  |  (1) 1M x  |
          |       |             |     36     |     64     |     64     |
          |-------+-------------+------------+------------+------------|
          | 96MB  | (2) 4M x 36 |  (2) 8M x  |    None    |    None    |
          |       |             |     36     |            |            |
          |-------+-------------+------------+------------+------------|
          | 96MB  | (2) 4M x 36 |    None    |  (1) 8M x  |    None    |
          |       |             |            |     64     |            |
          |-------+-------------+------------+------------+------------|
          | 96MB  | (2) 2M x 36 |  (2) 2M x  |  (1) 4M x  |  (1) 4M x  |
          |       |             |     36     |     64     |     64     |
          |-------+-------------+------------+------------+------------|
          | 104MB | (2) 4M x 36 |  (2) 4M x  |  (1) 1M x  |  (1) 4M x  |
          |       |             |     36     |     64     |     64     |
          |-------+-------------+------------+------------+------------|
          | 128MB | (2) 8M x 36 |  (2) 8M x  |    None    |    None    |
          |       |             |     36     |            |            |
          |-------+-------------+------------+------------+------------|
          | 128MB | (2) 8M x 36 |    None    |  (1) 8M x  |    None    |
          |       |             |            |     64     |            |
          |-------+-------------+------------+------------+------------|
          | 128MB | (2) 4M x 36 |  (2) 4M x  |  (1) 4M x  |  (1) 4M x  |
          |       |             |     36     |     64     |     64     |
          |------------------------------------------------------------|
          | Note: Board accepts EDO memory. Banks are interchangeable. |
          +------------------------------------------------------------+
       
          +------------------------------------------------------------+
          |                    CACHE CONFIGURATION                     |
          |------------------------------------------------------------|
          |    Size    |    Bank 0     |      SL1      |      TAG      |
          |------------+---------------+---------------+---------------|
          |   256KB    | (2) 32K x 32  | Not installed | Unidentified  |
          |------------+---------------+---------------+---------------|
          |   512KB    | (2) 32K x 32  |   Installed   | Unidentified  |
          |------------+---------------+---------------+---------------|
          |   512KB    | (2) 64K x 32  | Not installed | Unidentified  |
          +------------------------------------------------------------+
       
          +------------------------------------------------------------+
          |                CPU SPEED SELECTION (CYRIX)                 |
          |------------------------------------------------------------|
          | CPU speed | Clock speed | Multiplier |         JP8         |
          |-----------+-------------+------------+---------------------|
          |  120MHz   |    50MHz    |     2x     | Pins 10 & 23 closed |
          |-----------+-------------+------------+---------------------|
          |  133MHz   |    55MHz    |     2x     | Pins 13 & 26 closed |
          |-----------+-------------+------------+---------------------|
          |  150MHz   |    60MHz    |     2x     | Pins 4 & 17 closed  |
          |-----------+-------------+------------+---------------------|
          |  166MHz   |    66MHz    |     2x     | Pins 5 & 18 closed  |
          |-----------+-------------+------------+---------------------|
          |  200MHz   |    75MHz    |     2x     | Pins 12 & 25 closed |
          +------------------------------------------------------------+
       
          +------------------------------------------------------------+
          |                CPU SPEED SELECTION (INTEL)                 |
          |------------------------------------------------------------|
          | CPU speed  | Clock speed | Multiplier |        JP8         |
          |------------+-------------+------------+--------------------|
          |   75MHz    |    50MHz    |    1.5x    | Pins 1 & 14 closed |
          |------------+-------------+------------+--------------------|
          |   90MHz    |    60MHz    |    1.5x    | Pins 2 & 15 closed |
          |------------+-------------+------------+--------------------|
          |   100MHz   |    66MHz    |    1.5x    | Pins 3 & 16 closed |
          |------------+-------------+------------+--------------------|
          |   120MHz   |    60MHz    |     2x     | Pins 4 & 17 closed |
          |------------+-------------+------------+--------------------|
          |   133MHz   |    66MHz    |     2x     | Pins 5 & 18 closed |
          |------------+-------------+------------+--------------------|
          |   150MHz   |    60MHz    |    2.5x    | Pins 6 & 19 closed |
          |------------+-------------+------------+--------------------|
          |   166MHz   |    66MHz    |    2.5x    | Pins 7 & 20 closed |
          |------------+-------------+------------+--------------------|
          |   180MHz   |    60MHz    |     3x     | Pins 8 & 21 closed |
          |------------+-------------+------------+--------------------|
          |   200MHz   |    66MHz    |     3x     | Pins 9 & 22 closed |
          +------------------------------------------------------------+
       
          +------------------------------------------------------------+
          |                     CPU TYPE SELECTION                     |
          |------------------------------------------------------------|
          |   Type   |      JP3A      |      JP3B      |     JP3C      |
          |----------+----------------+----------------+---------------|
          |  CX M1   |   Pins 1 & 2   |   Pins 1 & 2   |  Pins 1 & 2   |
          |          |     closed     |     closed     |    closed     |
          |----------+----------------+----------------+---------------|
          |  AM K5   |   Pins 1 & 2   |   Pins 1 & 2   |  Pins 1 & 2   |
          |          |     closed     |     closed     |    closed     |
          |----------+----------------+----------------+---------------|
          | P54C/CTB |   Pins 1 & 2   |   Pins 1 & 2   |  Pins 1 & 2   |
          |          |     closed     |     closed     |    closed     |
          |----------+----------------+----------------+---------------|
          |   P55C   |   Pins 2 & 3   |   Pins 2 & 3   |  Pins 2 & 3   |
          |          |     closed     |     closed     |    closed     |
          +------------------------------------------------------------+
       
          +------------------------------------------------------------+
          |                   CPU VOLTAGE SELECTION                    |
          |------------------------------------------------------------|
          |          Voltage           |              JP4              |
          |----------------------------+-------------------------------|
          |   |          2.5v          |       Pins 1 & 2 closed       |
          |---+------------------------+-------------------------------|
          | » |          2.8v          |       Pins 2 & 3 closed       |
          |---+------------------------+-------------------------------|
          |   |          2.9v          |             Open              |
          +------------------------------------------------------------+
       
          +------------------------------------------------------------+
          |                MISCELLANEOUS TECHNICAL NOTE                |
          |------------------------------------------------------------|
          |      If 200MHz Cyrix chip is installed, do not install the |
          |      COAST module. Also, do not install a PCI 2.0 SCSI     |
          |      card. Either of the above cases will cause the        |
          |      mainboard to lock up. A PCI 2.1 SCSI card may be      |
          |      installed with no problems.                           |
          +------------------------------------------------------------+