(TXT) View Source
       
       # DATAEXPERT CORPORATION
       
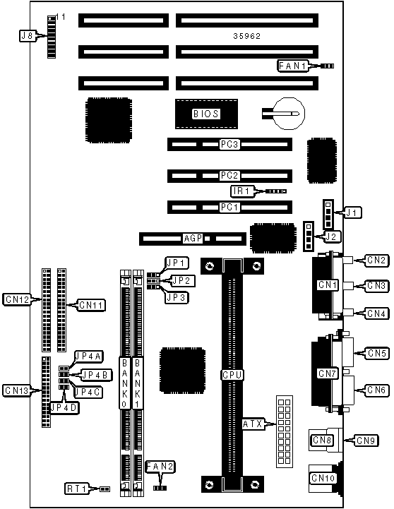
          MEX8440-S
       
          Device Type      Mainboard                                     
          Processor        Pentium II/Celeron                            
          Processor Speed  233/266/300/333MHz                            
          Chip Set         Intel 440EX                                   
          Maximum Onboard  256MB (EDO & SDRAM supported)                 
          Memory           
          Audio Chip Set   CMI 8330DX                                    
          Cache            0/128/256/512KB (located on the CPU)          
          BIOS             Award                                         
          Dimensions       305mm x 170mm                                 
          I/O Options      32-bit PCI slots (3), floppy drive interface, 
                           game/MIDI port, green PC connector, IDE       
                           interfaces (2), parallel port, PS/2 mouse     
                           port, serial ports (2), IR connector, USB     
                           connectors (2), ATX power connector, AGP      
                           slot, line in, line out, microphone in, audio 
                           in - CD-ROMs (2)                              
       
 (IMG) IMG 1
          
       
          +------------------------------------------------------------+
          |                        CONNECTIONS                         |
          |------------------------------------------------------------|
          | Purpose          | Location | Purpose          | Location  |
          |------------------+----------+------------------+-----------|
          | AGP slot         |   AGP    | Chassis fan      |   FAN1    |
          |                  |          | power            |           |
          |------------------+----------+------------------+-----------|
          | ATX power        |   ATX    | CPU fan power    |   FAN2    |
          | connector        |          |                  |           |
          |------------------+----------+------------------+-----------|
          | Game/MIDI port   |   CN1    | IR connector     |    IR1    |
          |------------------+----------+------------------+-----------|
          | Microphone in    |   CN2    | Audio in -       |    J1     |
          |                  |          | CD-ROM           |           |
          |------------------+----------+------------------+-----------|
          | Line in          |   CN3    | Audio in -       |    J2     |
          |                  |          | CD-ROM           |           |
          |------------------+----------+------------------+-----------|
          | Line out         |   CN4    | Power LED &      | J8/pins 1 |
          |                  |          | keylock          |    - 5    |
          |------------------+----------+------------------+-----------|
          | Serial port 2    |   CN5    | IDE interface    | J8/pins 6 |
          |                  |          | LED              |   & 16    |
          |------------------+----------+------------------+-----------|
          | Serial port 1    |   CN6    | Green PC LED     | J8/pins 7 |
          |                  |          |                  |   & 17    |
          |------------------+----------+------------------+-----------|
          | Parallel port    |   CN7    | Green PC         | J8/pins 8 |
          |                  |          | connector        |   & 18    |
          |------------------+----------+------------------+-----------|
          | USB connector 1  |   CN8    | Soft off power   | J8/pins 9 |
          |                  |          | supply           |   & 19    |
          |------------------+----------+------------------+-----------|
          | USB connector 2  |   CN9    | Reset switch     |  J8/pins  |
          |                  |          |                  |  10 & 20  |
          |------------------+----------+------------------+-----------|
          | PS/2 mouse port  |   CN10   | Speaker          |  J8/pins  |
          |                  |          |                  |  11 - 14  |
          |------------------+----------+------------------+-----------|
          | IDE interface 2  |   CN11   | Thermistor       |    RT1    |
          |                  |          | connector        |           |
          |------------------+----------+------------------+-----------|
          | IDE interface 1  |   CN12   | 32-bit PCI slots | PC1 - PC3 |
          |------------------+----------+------------------+-----------|
          | Floppy drive     |   CN13   | 5v power         |           |
          | interface        |          |                  |           |
          +------------------------------------------------------------+
       
          +------------------------------------------------------------+
          |                     DIMM CONFIGURATION                     |
          |------------------------------------------------------------|
          |       Size       |       Bank 0       |       Bank 1       |
          |------------------+--------------------+--------------------|
          |       8MB        |    (1) 1M x 64     |        None        |
          |------------------+--------------------+--------------------|
          |       16MB       |    (1) 2M x 64     |        None        |
          |------------------+--------------------+--------------------|
          |       16MB       |    (1) 1M x 64     |    (1) 1M x 64     |
          |------------------+--------------------+--------------------|
          |       24MB       |    (1) 2M x 64     |    (1) 1M x 64     |
          |------------------+--------------------+--------------------|
          |       32MB       |    (1) 4M x 64     |        None        |
          |------------------+--------------------+--------------------|
          |       32MB       |    (1) 2M x 64     |    (1) 2M x 64     |
          |------------------+--------------------+--------------------|
          |       40MB       |    (1) 4M x 64     |    (1) 1M x 64     |
          |------------------+--------------------+--------------------|
          |       48MB       |    (1) 4M x 64     |    (1) 2M x 64     |
          |------------------+--------------------+--------------------|
          |       64MB       |    (1) 8M x 64     |        None        |
          |------------------+--------------------+--------------------|
          |       64MB       |    (1) 4M x 64     |    (1) 4M x 64     |
          |------------------+--------------------+--------------------|
          |       72MB       |    (1) 8M x 64     |    (1) 1M x 64     |
          |------------------+--------------------+--------------------|
          |       80MB       |    (1) 8M x 64     |    (1) 2M x 64     |
          |------------------+--------------------+--------------------|
          |       96MB       |    (1) 8M x 64     |    (1) 4M x 64     |
          |------------------+--------------------+--------------------|
          |      128MB       |    (1) 16M x 64    |        None        |
          |------------------+--------------------+--------------------|
          |      128MB       |    (1) 8M x 64     |    (1) 8M x 64     |
          |------------------+--------------------+--------------------|
          |      136MB       |    (1) 16M x 64    |    (1) 1M x 64     |
          |------------------+--------------------+--------------------|
          |      144MB       |    (1) 16M x 64    |    (1) 2M x 64     |
          |------------------+--------------------+--------------------|
          |      160MB       |    (1) 16M x 64    |    (1) 4M x 64     |
          |------------------+--------------------+--------------------|
          |      192MB       |    (1) 16M x 64    |    (1) 8M x 64     |
          |------------------+--------------------+--------------------|
          |      256MB       |    (1) 16M x 64    |    (1) 16M x 64    |
          |------------------------------------------------------------|
          | Note: Board accepts EDO & SDRAM memory.                    |
          +------------------------------------------------------------+
       
          +------------------------------------------------------------+
          |                    CACHE CONFIGURATION                     |
          |------------------------------------------------------------|
          | Note: 256KB/512KB cache is located on the Pentium II CPU.  |
          | 128KB cache is located on the Celeron 300A & 333 CPU.      |
          +------------------------------------------------------------+
       
          +------------------------------------------------------------+
          |                    CPU SPEED SELECTION                     |
          |------------------------------------------------------------|
          | CPU speed  |  Clock   | Multiplier |  JP1  |  JP2  |  JP3  |
          |            |  speed   |            |       |       |       |
          |------------+----------+------------+-------+-------+-------|
          |   233MHz   |  66MHz   |    3.5x    | 2 & 3 | 2 & 3 | 2 & 3 |
          |------------+----------+------------+-------+-------+-------|
          |   266MHz   |  66MHz   |     4x     | 2 & 3 | 2 & 3 | 2 & 3 |
          |------------+----------+------------+-------+-------+-------|
          |   300MHz   |  66MHz   |    4.5x    | 2 & 3 | 2 & 3 | 2 & 3 |
          |------------+----------+------------+-------+-------+-------|
          |   333MHz   |  66MHz   |     5x     | 2 & 3 | 2 & 3 | 2 & 3 |
          |------------------------------------------------------------|
          | Note: Pins designated should be in the closed position.    |
          +------------------------------------------------------------+
       
          +------------------------------------------------------------+
          |                CPU SPEED SELECTION (CON'T)                 |
          |------------------------------------------------------------|
          |CPU speed|Clock speed|Multiplier| JP4A | JP4B | JP4C | JP4D |
          |---------+-----------+----------+------+------+------+------|
          | 233MHz  |   66MHz   |   3.5x   | Open | Open |Closed| Open |
          |---------+-----------+----------+------+------+------+------|
          | 266MHz  |   66MHz   |    4x    |Closed|Closed| Open |Closed|
          |---------+-----------+----------+------+------+------+------|
          | 300MHz  |   66MHz   |   4.5x   | Open |Closed| Open |Closed|
          |---------+-----------+----------+------+------+------+------|
          | 333MHz  |   66MHz   |    5x    |Closed| Open | Open |Closed|
          +------------------------------------------------------------+