(TXT) View Source
       
       # DTK COMPUTER, INC.
       
          PRM-0082I (VER. 1.01)
       
          Device Type      Mainboard                                     
          Processor        Pentium II                                    
          Processor Speed  233/266/300/333MHz                            
          Chip Set         Intel 440EX                                   
          Audio Chip Set   ESS                                           
          Maximum Onboard  512MB (EDO & SDRAM supported)                 
          Memory           
          Cache            256/512KB (located on the Pentium II CPU)     
          BIOS             Award                                         
          Dimensions       244mm x 210mm                                 
          I/O Options      32-bit PCI slots (2), floppy drive interface, 
                           game/MIDI port, IDE interfaces (2), parallel  
                           port, PS/2 mouse port, serial ports (2), IR   
                           connector, USB connectors (2), ATX power      
                           connector, AGP slot, line in, line out,       
                           microphone in, audio in – CD-ROMs (2)         
       
 (IMG) IMG 1
          
       
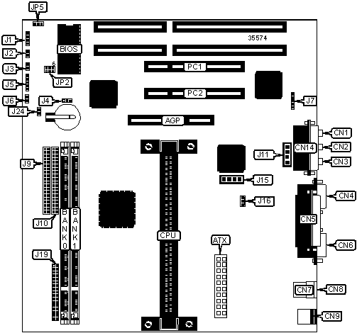
          +------------------------------------------------------------+
          |                        CONNECTIONS                         |
          |------------------------------------------------------------|
          | Purpose          | Location | Purpose           | Location |
          |------------------+----------+-------------------+----------|
          | AGP slot         |   AGP    | Reset switch      |    J3    |
          |------------------+----------+-------------------+----------|
          | ATX power        |   ATX    | Keylock           |    J5    |
          | connector        |          |                   |          |
          |------------------+----------+-------------------+----------|
          | Microphone in    |   CN1    | IDE interface LED |    J6    |
          |------------------+----------+-------------------+----------|
          | Line in          |   CN2    | IR connector      |    J7    |
          |------------------+----------+-------------------+----------|
          | Line out         |   CN3    | IDE interface 1   |    J9    |
          |------------------+----------+-------------------+----------|
          | Serial port 1    |   CN4    | IDE interface 2   |   J10    |
          |------------------+----------+-------------------+----------|
          | Parallel port    |   CN5    | Audio in – CD-ROM |   J11    |
          |                  |          | (Sony)            |          |
          |------------------+----------+-------------------+----------|
          | Serial port 2    |   CN6    | Audio in – CD-ROM |   J15    |
          |                  |          | (Panasonic)       |          |
          |------------------+----------+-------------------+----------|
          | USB connector    |  CN7 &   | CPU fan power     |   J16    |
          |                  |   CN8    |                   |          |
          |------------------+----------+-------------------+----------|
          | PS/2 mouse port  |   CN9    | Floppy drive      |   J19    |
          |                  |          | interface         |          |
          |------------------+----------+-------------------+----------|
          | Game/MIDI port   |   CN14   | Wake on LAN       |   JP5    |
          |                  |          | connector         |          |
          |------------------+----------+-------------------+----------|
          | Speaker          |    J1    | 32-bit PCI slots  | PC1 - PC |
          |------------------+----------+-------------------+----------|
          | Power switch     |    J2    |                   |          |
          +------------------------------------------------------------+
       
          +------------------------------------------------------------+
          |                 USER CONFIGURABLE SETTINGS                 |
          |------------------------------------------------------------|
          |              Function              | Label |   Position    |
          |------------------------------------+-------+---------------|
          | » | CMOS memory normal operation   |  J4   |  Pins 2 & 3   |
          |   |                                |       |    closed     |
          |---+--------------------------------+-------+---------------|
          |   | CMOS memory clear              |  J4   |  Pins 1 & 2   |
          |   |                                |       |    closed     |
          |---+--------------------------------+-------+---------------|
          |   | System on after power failure  |  J24  |    Closed     |
          |---+--------------------------------+-------+---------------|
          |   | System off after power failure |  J24  |     Open      |
          +------------------------------------------------------------+
       
          +------------------------------------------------------------+
          |                     DIMM CONFIGURATION                     |
          |------------------------------------------------------------|
          |       Size       |       Bank 0       |       Bank 1       |
          |------------------+--------------------+--------------------|
          |       8MB        |    (1) 1M x 64     |        None        |
          |------------------+--------------------+--------------------|
          |       16MB       |    (1) 2M x 64     |        None        |
          |------------------+--------------------+--------------------|
          |       16MB       |    (1) 1M x 64     |    (1) 1M x 64     |
          |------------------+--------------------+--------------------|
          |       24MB       |    (1) 2M x 64     |    (1) 1M x 64     |
          |------------------+--------------------+--------------------|
          |       32MB       |    (1) 4M x 64     |        None        |
          |------------------+--------------------+--------------------|
          |       32MB       |    (1) 2M x 64     |    (1) 2M x 64     |
          |------------------+--------------------+--------------------|
          |       40MB       |    (1) 4M x 64     |    (1) 1M x 64     |
          |------------------+--------------------+--------------------|
          |       48MB       |    (1) 4M x 64     |    (1) 2M x 64     |
          |------------------+--------------------+--------------------|
          |       64MB       |    (1) 8M x 64     |        None        |
          |------------------+--------------------+--------------------|
          |       64MB       |    (1) 4M x 64     |    (1) 4M x 64     |
          |------------------+--------------------+--------------------|
          |       72MB       |    (1) 8M x 64     |    (1) 1M x 64     |
          |------------------+--------------------+--------------------|
          |       80MB       |    (1) 8M x 64     |    (1) 2M x 64     |
          |------------------+--------------------+--------------------|
          |       96MB       |    (1) 8M x 64     |    (1) 4M x 64     |
          +------------------------------------------------------------+
       
          +------------------------------------------------------------+
          |                 DIMM CONFIGURATION (CON’T)                 |
          |------------------------------------------------------------|
          |      Size      |       Bank 0        |       Bank 1        |
          |----------------+---------------------+---------------------|
          |     128MB      |    (1) 16M x 64     |        None         |
          |----------------+---------------------+---------------------|
          |     128MB      |     (1) 8M x 64     |     (1) 8M x 64     |
          |----------------+---------------------+---------------------|
          |     136MB      |    (1) 16M x 64     |     (1) 1M x 64     |
          |----------------+---------------------+---------------------|
          |     144MB      |    (1) 16M x 64     |     (1) 2M x 64     |
          |----------------+---------------------+---------------------|
          |     160MB      |    (1) 16M x 64     |     (1) 4M x 64     |
          |----------------+---------------------+---------------------|
          |     192MB      |    (1) 16M x 64     |     (1) 8M x 64     |
          |----------------+---------------------+---------------------|
          |     256MB      |    (1) 16M x 64     |    (1) 16M x 64     |
          |----------------+---------------------+---------------------|
          |     288MB      |    (1) 32M x 64     |     (1) 4M x 64     |
          |----------------+---------------------+---------------------|
          |     320MB      |    (1) 32M x 64     |     (1) 8M x 64     |
          |----------------+---------------------+---------------------|
          |     384MB      |    (1) 32M x 64     |    (1) 16M x 64     |
          |----------------+---------------------+---------------------|
          |     512MB      |    (1) 32M x 64     |    (1) 32M x 64     |
          |------------------------------------------------------------|
          | Note: Board will accept up to 256MB SDRAM or 512MB EDO     |
          | memory.                                                    |
          +------------------------------------------------------------+
       
          +------------------------------------------------------------+
          |                    CACHE CONFIGURATION                     |
          |------------------------------------------------------------|
          |      The 256/512KB cache is located on the Pentium II CPU. |
          +------------------------------------------------------------+
       
          +------------------------------------------------------------+
          |                    CPU SPEED SELECTION                     |
          |------------------------------------------------------------|
          | CPU speed | Clock speed | Multiplier |         JP2         |
          |-----------+-------------+------------+---------------------|
          |  233MHz   |    66MHz    |    3.5x    |  Pins 5 & 6 closed  |
          |-----------+-------------+------------+---------------------|
          |  266MHz   |    66MHz    |     4x     |  Pins 1 & 2, 3 & 4  |
          |           |             |            |       closed        |
          |-----------+-------------+------------+---------------------|
          |  300MHz   |    66MHz    |    4.5x    |  Pins 3 & 4 closed  |
          |-----------+-------------+------------+---------------------|
          |  333MHz   |    66MHz    |     5x     |  Pins 1 & 2 closed  |
          +------------------------------------------------------------+