(TXT) View Source
       
       # DIGITAL EQUIPMENT CORPORATION
       
          DIGITAL SERVER 5100, DIGITAL SERVER 5200
       
         Device Type Mainboard                                              
         Processor   Pentium Pro/Pentium II                                 
         Processor   133/166/200/233/266/300/333/366/400/433/466/500/533MHz 
         Speed       
         Chip Set    Unidentified                                           
         Video Chip  Unidentified                                           
         Set         
         Maximum     1GB (EDO supported)                                    
         Onboard     
         Memory      
         Maximum     Unidentified                                           
         Video       
         Memory      
         Cache       256/512KB (located on Pentium Pro/Pentium II CPU)      
         BIOS        Unidentified                                           
         Dimensions  305mm x 244mm                                          
         I/O Options 32-bit PCI slots (6), floppy drive interface, SCSI     
         (backplane) interface, Wide Ultra SCSI interfaces (2), parallel    
                     port, PS/2 mouse port, serial ports (2), VGA port, CPU 
                     slot                                                   
         I/O Options VRM connectors (2)                                     
         (CPU)       
         NPU Options None                                                   
       
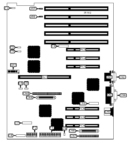
 (IMG) IMG 1
          
       
          +------------------------------------------------------------+
          |                        CONNECTIONS                         |
          |------------------------------------------------------------|
          | Purpose           | Location | Purpose          | Location |
          |-------------------+----------+------------------+----------|
          | Chassis fan power |    C1    | Parallel port    |   CN3    |
          |-------------------+----------+------------------+----------|
          | Speaker           |    C2    | VGA port         |   CN4    |
          |-------------------+----------+------------------+----------|
          | Chassis fan power |    C3    | PS/2 mouse port  |   CN5    |
          |-------------------+----------+------------------+----------|
          | Remote Server     |    C4    | Ultra Wide SCSI  |   CN6    |
          | Management        |          | interface        |          |
          |-------------------+----------+------------------+----------|
          | Chassis fan power |    C5    | Floppy drive     |   CN7    |
          |                   |          | interface        |          |
          |-------------------+----------+------------------+----------|
          | Chassis fan power |    C6    | SCSI interface   |   CN8    |
          |-------------------+----------+------------------+----------|
          | Operator control  |    C7    | Ultra Wide SCSI  |   CN9    |
          | panel             |          | interface        |          |
          |-------------------+----------+------------------+----------|
          | Power control     |    C8    | 3.3v power       |    P1    |
          | signal            |          |                  |          |
          |-------------------+----------+------------------+----------|
          | Chassis fan power |    C9    | 5v power         |    P2    |
          |-------------------+----------+------------------+----------|
          | Ethernet daughter |   C10    | 32-bit PCI slots |  PC1 –   |
          | connector         |          |                  |   PC6    |
          |-------------------+----------+------------------+----------|
          | Serial port       |   CN1    | CPU slot         |   SL1    |
          |-------------------+----------+------------------+----------|
          | Serial port       |   CN2    |                  |          |
          +------------------------------------------------------------+
       
          +------------------------------------------------------------+
          |                 USER CONFIGURABLE SETTINGS                 |
          |------------------------------------------------------------|
          |               Function                | Label |  Position  |
          |---------------------------------------+-------+------------|
          | » | EISA slot 4 master delay select   |  J56  | Pins 1 & 2 |
          |   | normal                            |       |   closed   |
          |---+-----------------------------------+-------+------------|
          |   | EISA slot 4 master delay select   |  J56  | Pins 2 & 3 |
          |   | delay one clock cycle             |       |   closed   |
          |---+-----------------------------------+-------+------------|
          | » | EISA slot 5 master delay select   |  J57  | Pins 1 & 2 |
          |   | normal                            |       |   closed   |
          |---+-----------------------------------+-------+------------|
          |   | EISA slot 5 master delay select   |  J57  | Pins 2 & 3 |
          |   | delay one clock cycle             |       |   closed   |
          |---+-----------------------------------+-------+------------|
          | » | BIOS upgrade enabled              | SW1/1 |     On     |
          |---+-----------------------------------+-------+------------|
          |   | BIOS upgrade disabled             | SW1/1 |    Off     |
          |---+-----------------------------------+-------+------------|
          | » | BIOS normal operation             | SW1/2 |    Off     |
          |---+-----------------------------------+-------+------------|
          |   | BIOS recovery mode                | SW1/2 |     On     |
          |---+-----------------------------------+-------+------------|
          | » | Boot block update disabled        | SW1/3 |    Off     |
          |---+-----------------------------------+-------+------------|
          |   | Boot block update enabled         | SW1/3 |     On     |
          |---+-----------------------------------+-------+------------|
          | » | Password normal operation         | SW1/4 |    Off     |
          |---+-----------------------------------+-------+------------|
          |   | Password clear                    | SW1/4 |     On     |
          |---+-----------------------------------+-------+------------|
          | » | RSM not installed                 | SW1/5 |     On     |
          |---+-----------------------------------+-------+------------|
          |   | RSM installed                     | SW1/5 |    Off     |
          |---+-----------------------------------+-------+------------|
          | » | CMOS memory normal operation      | SW1/6 |    Off     |
          |---+-----------------------------------+-------+------------|
          |   | CMOS memory clear                 | SW1/6 |     On     |
          |---+-----------------------------------+-------+------------|
          | » | Factory configured - do not alter | SW1/7 |    Off     |
          |---+-----------------------------------+-------+------------|
          | » | Factory configured - do not alter | SW1/8 |    Off     |
          +------------------------------------------------------------+
       
 (IMG) IMG 2
          
       
          +------------------------------------------------------------+
          |                        CONNECTIONS                         |
          |------------------------------------------------------------|
          | Purpose           | Location | Purpose          | Location |
          |-------------------+----------+------------------+----------|
          | VRM connector     |   CN1    | VRM connector    |   CN2    |
          +------------------------------------------------------------+
       
          +------------------------------------------------------------+
          |                     SIMM CONFIGURATION                     |
          |------------------------------------------------------------|
          | Size  |   Bank 0    |   Bank 1   |   Bank 2   |   Bank 3   |
          |-------+-------------+------------+------------+------------|
          | 64MB  | (2) 8M x 36 |    None    |    None    |    None    |
          |-------+-------------+------------+------------+------------|
          | 128MB |  (2) 16M x  |    None    |    None    |    None    |
          |       |     36      |            |            |            |
          |-------+-------------+------------+------------+------------|
          | 128MB | (2) 8M x 36 |  (2) 8M x  |    None    |    None    |
          |       |             |     36     |            |            |
          |-------+-------------+------------+------------+------------|
          | 192MB |  (2) 16M x  |  (2) 8M x  |    None    |    None    |
          |       |     36      |     36     |            |            |
          |-------+-------------+------------+------------+------------|
          | 192MB | (2) 8M x 36 |  (2) 8M x  |  (2) 8M x  |    None    |
          |       |             |     36     |     36     |            |
          |-------+-------------+------------+------------+------------|
          | 256MB |  (2) 16M x  | (2) 16M x  |    None    |    None    |
          |       |     36      |     36     |            |            |
          |-------+-------------+------------+------------+------------|
          | 256MB | (2) 8M x 36 |  (2) 8M x  |  (2) 8M x  |  (2) 8M x  |
          |       |             |     36     |     36     |     36     |
          |-------+-------------+------------+------------+------------|
          | 320MB |  (2) 16M x  |  (2) 8M x  |  (2) 8M x  |  (2) 8M x  |
          |       |     36      |     36     |     36     |     36     |
          |-------+-------------+------------+------------+------------|
          | 384MB |  (2) 16M x  | (2) 16M x  | (2) 16M x  |    None    |
          |       |     36      |     36     |     36     |            |
          |-------+-------------+------------+------------+------------|
          | 448MB |  (2) 32M x  |  (2) 8M x  |  (2) 8M x  |  (2) 8M x  |
          |       |     36      |     36     |     36     |     36     |
          +------------------------------------------------------------+
       
          +------------------------------------------------------------+
          |                 SIMM CONFIGURATION (CON’T)                 |
          |------------------------------------------------------------|
          |  Size  |   Bank 0   |   Bank 1   |   Bank 2   |   Bank 3   |
          |--------+------------+------------+------------+------------|
          | 512MB  | (2) 32M x  | (2) 32M x  |    None    |    None    |
          |        |     36     |     36     |            |            |
          |--------+------------+------------+------------+------------|
          | 512MB  | (2) 16M x  | (2) 16M x  | (2) 16M x  | (2) 16M x  |
          |        |     36     |     36     |     36     |     36     |
          |--------+------------+------------+------------+------------|
          | 640MB  | (2) 32M x  | (2) 16M x  | (2) 16M x  | (2) 16M x  |
          |        |     36     |     36     |     36     |     36     |
          |--------+------------+------------+------------+------------|
          | 768MB  | (2) 32M x  | (2) 32M x  | (2) 32M x  |    None    |
          |        |     36     |     36     |     36     |            |
          |--------+------------+------------+------------+------------|
          | 1024MB | (2) 32M x  | (2) 32M x  | (2) 32M x  | (2) 32M x  |
          |        |     36     |     36     |     36     |     36     |
          |------------------------------------------------------------|
          | Note: Board accepts EDO memory.                            |
          +------------------------------------------------------------+
       
          +------------------------------------------------------------+
          |                    CACHE CONFIGURATION                     |
          |------------------------------------------------------------|
          | Note: 256KB/512KB cache is located on the Pentium Pro CPU. |
          +------------------------------------------------------------+
       
          +------------------------------------------------------------+
          |                    CPU SPEED SELECTION                     |
          |------------------------------------------------------------|
          |CPU speed|Clock speed|Multiplier|SW1/1 |SW1/2 |SW1/3 |SW1/4 |
          |---------+-----------+----------+------+------+------+------|
          | 133MHz  |   66MHz   |    2x    | Off  | Off  | Off  | Off  |
          |---------+-----------+----------+------+------+------+------|
          | 166MHz  |   66MHz   |   2.5x   | Off  |  On  | Off  | Off  |
          |---------+-----------+----------+------+------+------+------|
          | 200MHz  |   66MHz   |    3x    | Off  | Off  |  On  | Off  |
          |---------+-----------+----------+------+------+------+------|
          | 233MHz  |   66MHz   |   3.5x   | Off  |  On  |  On  | Off  |
          |---------+-----------+----------+------+------+------+------|
          | 266MHz  |   66MHz   |    4x    | Off  | Off  | Off  |  On  |
          +------------------------------------------------------------+
       
 (IMG) IMG 3
          
       
          +------------------------------------------------------------+
          |                        CONNECTIONS                         |
          |------------------------------------------------------------|
          | Purpose           | Location | Purpose          | Location |
          |-------------------+----------+------------------+----------|
          | VRM connector     |   CN1    | VRM connector    |   CN2    |
          +------------------------------------------------------------+
       
          +------------------------------------------------------------+
          |                     DIMM CONFIGURATION                     |
          |------------------------------------------------------------|
          | Size  |   Bank 0    |   Bank 1   |   Bank 2   |   Bank 3   |
          |-------+-------------+------------+------------+------------|
          | 64MB  | (1) 8M x 64 |    None    |    None    |    None    |
          |-------+-------------+------------+------------+------------|
          | 128MB |  (1) 16M x  |    None    |    None    |    None    |
          |       |     64      |            |            |            |
          |-------+-------------+------------+------------+------------|
          | 192MB |  (1) 16M x  |  (1) 8M x  |    None    |    None    |
          |       |     64      |     64     |            |            |
          |-------+-------------+------------+------------+------------|
          | 256MB |  (1) 16M x  | (1) 16M x  |    None    |    None    |
          |       |     64      |     64     |            |            |
          |-------+-------------+------------+------------+------------|
          | 256MB | (1) 8M x 64 |  (1) 8M x  |  (1) 8M x  |  (1) 8M x  |
          |       |             |     64     |     64     |     64     |
          |-------+-------------+------------+------------+------------|
          | 320MB |  (1) 16M x  |  (1) 8M x  |  (1) 8M x  |  (1) 8M x  |
          |       |     64      |     64     |     64     |     64     |
          |-------+-------------+------------+------------+------------|
          | 384MB |  (1) 16M x  | (1) 16M x  | (1) 16M x  |    None    |
          |       |     64      |     64     |     64     |            |
          |-------+-------------+------------+------------+------------|
          | 512MB |  (1) 16M x  | (1) 16M x  | (1) 16M x  | (1) 16M x  |
          |       |     64      |     64     |     64     |     64     |
          |------------------------------------------------------------|
          | Note: Board accepts EDO memory.                            |
          +------------------------------------------------------------+
       
          +------------------------------------------------------------+
          |                    CACHE CONFIGURATION                     |
          |------------------------------------------------------------|
          | Note: 256KB/512KB cache is located on the Pentium II CPU.  |
          +------------------------------------------------------------+
       
          +------------------------------------------------------------+
          |                    CPU SPEED SELECTION                     |
          |------------------------------------------------------------|
          |CPU speed|Clock speed|Multiplier|SW1/1 |SW1/2 |SW1/3 |SW1/4 |
          |---------+-----------+----------+------+------+------+------|
          | 200MHz  |   66MHz   |    3x    | Off  |  On  | Off  | Off  |
          |---------+-----------+----------+------+------+------+------|
          | 233MHz  |   66MHz   |   3.5x   |  On  |  On  | Off  | Off  |
          |---------+-----------+----------+------+------+------+------|
          | 266MHz  |   66MHz   |    4x    | Off  | Off  |  On  | Off  |
          |---------+-----------+----------+------+------+------+------|
          | 300MHz  |   66MHz   |   4.5x   |  On  | Off  |  On  | Off  |
          |---------+-----------+----------+------+------+------+------|
          | 333MHz  |   66MHz   |    5x    | Off  |  On  |  On  | Off  |
          |---------+-----------+----------+------+------+------+------|
          | 366MHz  |   66MHz   |   5.5x   |  On  |  On  |  On  | Off  |
          |---------+-----------+----------+------+------+------+------|
          | 400MHz  |   66MHz   |    6x    | Off  | Off  | Off  |  On  |
          |---------+-----------+----------+------+------+------+------|
          | 433MHz  |   66MHz   |   6.5x   |  On  | Off  | Off  |  On  |
          |---------+-----------+----------+------+------+------+------|
          | 466MHz  |   66MHz   |    7x    | Off  |  On  | Off  |  On  |
          |---------+-----------+----------+------+------+------+------|
          | 500MHz  |   66MHz   |   7.5x   |  On  |  On  | Off  |  On  |
          |---------+-----------+----------+------+------+------+------|
          | 533MHz  |   66MHz   |    8x    | Off  | Off  |  On  |  On  |
          +------------------------------------------------------------+
       
          +------------------------------------------------------------+
          |                CPU SPEED SELECTION (CON’T)                 |
          |------------------------------------------------------------|
          |CPU speed|Clock speed|Multiplier|SW1/5 |SW1/6 |SW1/7 |SW1/8 |
          |---------+-----------+----------+------+------+------+------|
          | 200MHz  |   66MHz   |    3x    |  On  |  On  |  On  |  On  |
          |---------+-----------+----------+------+------+------+------|
          | 233MHz  |   66MHz   |   3.5x   |  On  |  On  |  On  |  On  |
          |---------+-----------+----------+------+------+------+------|
          | 266MHz  |   66MHz   |    4x    |  On  |  On  |  On  |  On  |
          |---------+-----------+----------+------+------+------+------|
          | 300MHz  |   66MHz   |   4.5x   |  On  |  On  |  On  |  On  |
          |---------+-----------+----------+------+------+------+------|
          | 333MHz  |   66MHz   |    5x    |  On  |  On  |  On  |  On  |
          |---------+-----------+----------+------+------+------+------|
          | 366MHz  |   66MHz   |   5.5x   |  On  |  On  |  On  |  On  |
          |---------+-----------+----------+------+------+------+------|
          | 400MHz  |   66MHz   |    6x    |  On  |  On  |  On  |  On  |
          |---------+-----------+----------+------+------+------+------|
          | 433MHz  |   66MHz   |   6.5x   |  On  |  On  |  On  |  On  |
          |---------+-----------+----------+------+------+------+------|
          | 466MHz  |   66MHz   |    7x    |  On  |  On  |  On  |  On  |
          |---------+-----------+----------+------+------+------+------|
          | 500MHz  |   66MHz   |   7.5x   |  On  |  On  |  On  |  On  |
          |---------+-----------+----------+------+------+------+------|
          | 533MHz  |   66MHz   |    8x    |  On  |  On  |  On  |  On  |
          +------------------------------------------------------------+