(TXT) View Source
       
       # ACER, INC.
       
          ACERALTOS 9100B
       
          Device Type     Mainboard                                      
          Processor       Pentium II                                     
          Processor Speed 350/400MHz                                     
          Chip Set        Intel 440BX                                    
          Video Chip Set  Unidentified                                   
          Maximum Onboard 512MB (EDO supported)                          
          Memory          
          Maximum Video   2MB                                            
          Memory          
          Cache           256/512KB (located on Pentium II CPU)          
          BIOS            Acer                                           
          Dimensions      305mm x 244mm                                  
          I/O Options     32-bit PCI slots (5), Ethernet 10BaseT         
                          connector, floppy drive interface, IDE         
                          interface, SCSI interface, Wide Ultra SCSI     
                          interface, PS/2 mouse port, serial ports (2),  
                          VGA port, USB connectors (2), ATX power        
                          connector, CPU slot                            
       
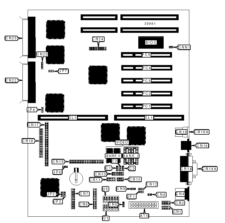
 (IMG) IMG 1
          
       
          +------------------------------------------------------------+
          |                        CONNECTIONS                         |
          |------------------------------------------------------------|
          | Purpose           | Location | Purpose          | Location |
          |-------------------+----------+------------------+----------|
          | ATX power         |   ATX    | VGA port         |  CN14A   |
          | connector         |          |                  |          |
          |-------------------+----------+------------------+----------|
          | Chassis fan power |    C1    | IDE interface    |   CN15   |
          |-------------------+----------+------------------+----------|
          | Chassis fan power |    C2    | Ethernet 10BaseT |   CN16   |
          |                   |          | connector        |          |
          |-------------------+----------+------------------+----------|
          | Chassis fan power |    C3    | SCSI interface   |   CN17   |
          |-------------------+----------+------------------+----------|
          | Serial port 1     |   CN1    | Floppy drive     |   CN18   |
          |                   |          | interface        |          |
          |-------------------+----------+------------------+----------|
          | Serial port 2     |   CN2    | USB connector 1  |   CN19   |
          |-------------------+----------+------------------+----------|
          | PS/2 mouse port   |   CN4    | USB connector 2  |  CN19A   |
          |-------------------+----------+------------------+----------|
          | Software shutdown |   CN5    | External SCSI    |   CN22   |
          | for 420 power     |          | interface        |          |
          |-------------------+----------+------------------+----------|
          | RDM connector     |   CN6    | IDE interface    |   CN23   |
          |                   |          | LED              |          |
          |-------------------+----------+------------------+----------|
          | RDM connector     |   CN7    | SMM connector    |   CN24   |
          |-------------------+----------+------------------+----------|
          | Soft off power    |   CN8    | External SCSI    |   CN25   |
          | supply            |          | interface        |          |
          |-------------------+----------+------------------+----------|
          | Software shutdown |   CN9    | Chassis          |   CNN1   |
          | for 200 power     |          | intrusion        |          |
          |                   |          | connector        |          |
          |-------------------+----------+------------------+----------|
          | Power LED &       |   CN10   | 32-bit PCI slots |  PC1 -   |
          | keylock           |          |                  |   PC5    |
          |-------------------+----------+------------------+----------|
          | Redundant power   |   CN11   | CPU slot         |   SL2    |
          | supply connector  |          |                  |          |
          |-------------------+----------+------------------+----------|
          | NMI signal        |   CN12   | 3.3v power       |    U1    |
          | connector         |          |                  |          |
          |-------------------+----------+------------------+----------|
          | LED connector     |   CN13   | 3.3v power       |    U5    |
          |-------------------+----------+------------------+----------|
          | Parallel port     |   CN14   |                  |          |
          +------------------------------------------------------------+
       
          +------------------------------------------------------------+
          |                 USER CONFIGURABLE SETTINGS                 |
          |------------------------------------------------------------|
          |               Function                | Label |  Position  |
          |---------------------------------------+-------+------------|
          | » | Factory configured - do not alter |  JP1  | Pins 1 & 2 |
          |   |                                   |       |   closed   |
          |---+-----------------------------------+-------+------------|
          | » | Factory configured - do not alter |  JP2  | Pins 1 & 2 |
          |   |                                   |       |   closed   |
          |---+-----------------------------------+-------+------------|
          | » | Password disabled                 |  JP3  | Pins 2 & 3 |
          |   |                                   |       |   closed   |
          |---+-----------------------------------+-------+------------|
          |   | Password enabled                  |  JP3  | Pins 1 & 2 |
          |   |                                   |       |   closed   |
          |---+-----------------------------------+-------+------------|
          | » | 5v standby enabled                |  JP4  | Pins 1 & 2 |
          |   |                                   |       |   closed   |
          |---+-----------------------------------+-------+------------|
          |   | 5v standby disabled               |  JP4  | Pins 2 & 3 |
          |   |                                   |       |   closed   |
          |---+-----------------------------------+-------+------------|
          | » | On board video enabled            |  JP7  | Pins 1 & 2 |
          |   |                                   |       |   closed   |
          |---+-----------------------------------+-------+------------|
          |   | On board video disabled           |  JP7  | Pins 2 & 3 |
          |   |                                   |       |   closed   |
          +------------------------------------------------------------+
       
          +------------------------------------------------------------+
          |                 VIDEO MEMORY CONFIGURATION                 |
          |------------------------------------------------------------|
          |       Size       |       Bank 0       |       Bank 1       |
          |------------------+--------------------+--------------------|
          |       1MB        |   (2) 256K x 16    |        None        |
          |------------------+--------------------+--------------------|
          |       2MB        |   (2) 256K x 16    |   (2) 256K x 16    |
          +------------------------------------------------------------+
       
          +------------------------------------------------------------+
          |                 SCSI TERMINATON SELECTION                  |
          |------------------------------------------------------------|
          |                Setting                 |        JP6        |
          |----------------------------------------+-------------------|
          |          Termination enabled           | Pins 1 & 2 closed |
          |----------------------------------------+-------------------|
          | » Termination switchable through SCSI  | Pins 2 & 3 closed |
          |             select utility             |                   |
          +------------------------------------------------------------+
       
 (IMG) IMG 2
          
       
          +------------------------------------------------------------+
          |                        CONNECTIONS                         |
          |------------------------------------------------------------|
          | Purpose             | Location | Purpose        | Location |
          |---------------------+----------+----------------+----------|
          | CPU2 fan power      |   CN1    | CPU1 fan power |   CN3    |
          |---------------------+----------+----------------+----------|
          | Thermal detection   |   CN2    | Thermal        |   CN4    |
          | connector 2         |          | detection      |          |
          |                     |          | connector 1    |          |
          +------------------------------------------------------------+
       
          +------------------------------------------------------------+
          |                     DIMM CONFIGURATION                     |
          |------------------------------------------------------------|
          | Size |   Bank 0    |   Bank 1    |   Bank 2   |   Bank 3   |
          |------+-------------+-------------+------------+------------|
          | 8MB  | (1) 1M x 64 |    None     |    None    |    None    |
          |------+-------------+-------------+------------+------------|
          | 16MB | (1) 2M x 64 |    None     |    None    |    None    |
          |------+-------------+-------------+------------+------------|
          | 16MB | (1) 1M x 64 | (1) 1M x 64 |    None    |    None    |
          |------+-------------+-------------+------------+------------|
          | 24MB | (1) 2M x 64 | (1) 1M x 64 |    None    |    None    |
          |------+-------------+-------------+------------+------------|
          | 24MB | (1) 1M x 64 | (1) 1M x 64 |  (1) 1M x  |    None    |
          |      |             |             |     64     |            |
          |------+-------------+-------------+------------+------------|
          | 32MB | (1) 4M x 64 |    None     |    None    |    None    |
          |------+-------------+-------------+------------+------------|
          | 32MB | (1) 2M x 64 | (1) 2M x 64 |    None    |    None    |
          |------+-------------+-------------+------------+------------|
          | 32MB | (1) 1M x 64 | (1) 1M x 64 |  (1) 1M x  |  (1) 1M x  |
          |      |             |             |     64     |     64     |
          |------+-------------+-------------+------------+------------|
          | 40MB | (1) 4M x 64 | (1) 1M x 64 |    None    |    None    |
          |------+-------------+-------------+------------+------------|
          | 48MB | (1) 4M x 64 | (1) 2M x 64 |    None    |    None    |
          |------+-------------+-------------+------------+------------|
          | 48MB | (1) 2M x 64 | (1) 2M x 64 |  (1) 2M x  |    None    |
          |      |             |             |     64     |            |
          |------+-------------+-------------+------------+------------|
          | 64MB | (1) 2M x 64 | (1) 2M x 64 |  (1) 2M x  |  (1) 2M x  |
          |      |             |             |     64     |     64     |
          |------+-------------+-------------+------------+------------|
          | 64MB | (1) 8M x 64 |    None     |    None    |    None    |
          |------+-------------+-------------+------------+------------|
          | 64MB | (1) 4M x 64 | (1) 4M x 64 |    None    |    None    |
          |------+-------------+-------------+------------+------------|
          | 72MB | (1) 8M x 64 | (1) 1M x 64 |    None    |    None    |
          |------+-------------+-------------+------------+------------|
          | 80MB | (1) 8M x 64 | (1) 2M x 64 |    None    |    None    |
          |------+-------------+-------------+------------+------------|
          | 96MB | (1) 8M x 64 | (1) 4M x 64 |    None    |    None    |
          |------+-------------+-------------+------------+------------|
          | 96MB | (1) 4M x 64 | (1) 4M x 64 |  (1) 4M x  |    None    |
          |      |             |             |     64     |            |
          +------------------------------------------------------------+
       
          +------------------------------------------------------------+
          |                 DIMM CONFIGURATION (CON'T)                 |
          |------------------------------------------------------------|
          | Size  |   Bank 0    |   Bank 1   |   Bank 2   |   Bank 3   |
          |-------+-------------+------------+------------+------------|
          | 128MB |  (1) 16M x  |    None    |    None    |    None    |
          |       |     64      |            |            |            |
          |-------+-------------+------------+------------+------------|
          | 128MB | (1) 8M x 64 |  (1) 8M x  |    None    |    None    |
          |       |             |     64     |            |            |
          |-------+-------------+------------+------------+------------|
          | 128MB | (1) 4M x 64 |  (1) 4M x  |  (1) 4M x  |  (1) 4M x  |
          |       |             |     64     |     64     |     64     |
          |-------+-------------+------------+------------+------------|
          | 136MB |  (1) 16M x  |  (1) 1M x  |    None    |    None    |
          |       |     64      |     64     |            |            |
          |-------+-------------+------------+------------+------------|
          | 144MB |  (1) 16M x  |  (1) 2M x  |    None    |    None    |
          |       |     64      |     64     |            |            |
          |-------+-------------+------------+------------+------------|
          | 176MB |  (1) 16M x  |  (1) 2M x  |  (1) 2M x  |  (1) 2M x  |
          |       |     64      |     64     |     64     |     64     |
          |-------+-------------+------------+------------+------------|
          | 192MB |  (1) 16M x  |  (1) 8M x  |    None    |    None    |
          |       |     64      |     64     |            |            |
          |-------+-------------+------------+------------+------------|
          | 192MB | (1) 8M x 64 |  (1) 8M x  |  (1) 8M x  |    None    |
          |       |             |     64     |     64     |            |
          |-------+-------------+------------+------------+------------|
          | 256MB |  (1) 16M x  | (1) 16M x  |    None    |    None    |
          |       |     64      |     64     |            |            |
          |-------+-------------+------------+------------+------------|
          | 256MB | (1) 8M x 64 |  (1) 8M x  |  (1) 8M x  |  (1) 8M x  |
          |       |             |     64     |     64     |     64     |
          |-------+-------------+------------+------------+------------|
          | 272MB |  (1) 16M x  | (1) 16M x  |  (1) 1M x  |  (1) 1M x  |
          |       |     64      |     64     |     64     |     64     |
          |-------+-------------+------------+------------+------------|
          | 288MB |  (1) 16M x  | (1) 16M x  |  (1) 2M x  |  (1) 2M x  |
          |       |     64      |     64     |     64     |     64     |
          |-------+-------------+------------+------------+------------|
          | 320MB |  (1) 16M x  | (1) 16M x  |  (1) 4M x  |  (1) 4M x  |
          |       |     64      |     64     |     64     |     64     |
          |-------+-------------+------------+------------+------------|
          | 384MB |  (1) 16M x  | (1) 16M x  | (1) 16M x  |    None    |
          |       |     64      |     64     |     64     |            |
          |-------+-------------+------------+------------+------------|
          | 512MB |  (1) 16M x  | (1) 16M x  | (1) 16M x  | (1) 16M x  |
          |       |     64      |     64     |     64     |     64     |
          |------------------------------------------------------------|
          | Note: Board accepts EDO memory.                            |
          +------------------------------------------------------------+
       
          +-----------------------------------------------------------+
          |                    CACHE CONFIGURATION                    |
          |-----------------------------------------------------------|
          | Note: 256KB/512KB cache is located on the Pentium II CPU. |
          +-----------------------------------------------------------+
       
          +------------------------------------------------------------+
          |                    CPU SPEED SELECTION                     |
          |------------------------------------------------------------|
          |  CPU   | Clock  | Multiplier | JP1A  | JP1B  | JP1C | JP1D |
          | speed  | speed  |            |       |       |      |      |
          |--------+--------+------------+-------+-------+------+------|
          | 350MHz | 100MHz |    3.5x    | 1 & 2 | 2 & 3 | 2 &  | 1 &  |
          |        |        |            |       |       |  3   |  2   |
          |--------+--------+------------+-------+-------+------+------|
          | 400MHz | 100MHz |     4x     | 1 & 2 | 1 & 2 | 1 &  | 2 &  |
          |        |        |            |       |       |  2   |  3   |
          |------------------------------------------------------------|
          | Note: Pins designated should be in the closed position.    |
          +------------------------------------------------------------+