(TXT) View Source
       
       # ASUS COMPUTER INTERNATIONAL
       
          P5A (REV. 1.04)
       
          Device     Mainboard                                            
          Type       
          Processor  CX 6X86L/IBM 6X86L/CX 686MX/IBM 6X86MX/CX MII/IBM    
                     MII/                                                 
                                                                          
                     AM K5/AM K6/AM K6-2/Pentium/Pentium MMX              
          Processor  75/90/100/120/133/150/166/200/233/266/300/333/350MHz 
          Speed      
          Chip Set   ALI Aladdin V                                        
          Maximum    768MB (SDRAM supported)                              
          Onboard    
          Memory     
          Audio Chip ESS                                                  
          Set        
          Cache      512KB                                                
          BIOS       Unidentified                                         
          Dimensions 305mm x 244mm                                        
          I/O        32-bit PCI slots (5), floppy drive interface,        
          Options    game/MIDI port, IDE interfaces (2), parallel port,   
                     PS/2 mouse port, serial ports (2), IR connector, USB 
                     connectors (2), ATX power connector, AGP slot, line  
                     in, line out, microphone in, audio in - CD-ROMs (2), 
                     wake on LAN connector                                
       
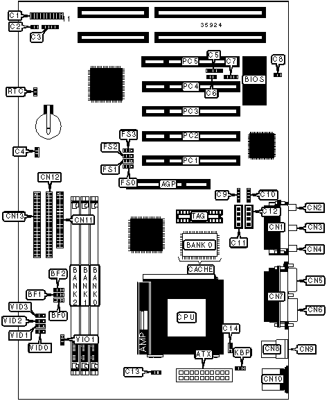
 (IMG) IMG 1
          
       
          +------------------------------------------------------------+
          |                        CONNECTIONS                         |
          |------------------------------------------------------------|
          | Purpose          | Location  | Purpose         | Location  |
          |------------------+-----------+-----------------+-----------|
          | AGP slot         |    AGP    | Audio in -      |    C12    |
          |                  |           | CD-ROM          |           |
          |------------------+-----------+-----------------+-----------|
          | ATX power        |    ATX    | CPU fan power   |    C13    |
          | connector        |           |                 |           |
          |------------------+-----------+-----------------+-----------|
          | Turbo LED        | C1/pins 2 | Power fan       |    C14    |
          |                  |    & 3    |                 |           |
          |------------------+-----------+-----------------+-----------|
          | Soft off power   | C1/pins 6 | Game/MIDI port  |    CN1    |
          | supply           |    & 7    |                 |           |
          |------------------+-----------+-----------------+-----------|
          | Reset switch     | C1/pins 9 | Microphone in   |    CN2    |
          |                  |   & 10    |                 |           |
          |------------------+-----------+-----------------+-----------|
          | Power LED &      |  C1/pins  | Line in         |    CN3    |
          | keylock          |  11 - 15  |                 |           |
          |------------------+-----------+-----------------+-----------|
          | Speaker          |  C1/pins  | Line out        |    CN4    |
          |                  |  17 - 20  |                 |           |
          |------------------+-----------+-----------------+-----------|
          | IDE interface    |    C2     | Serial port 2   |    CN5    |
          | LED              |           |                 |           |
          |------------------+-----------+-----------------+-----------|
          | IR connector     |    C3     | Serial port 1   |    CN6    |
          |------------------+-----------+-----------------+-----------|
          | Chassis fan      |    C4     | Parallel port   |    CN7    |
          | power            |           |                 |           |
          |------------------+-----------+-----------------+-----------|
          | SMBus connector  |    C5     | USB connector 1 |    CN8    |
          |------------------+-----------+-----------------+-----------|
          | Wake on LAN      |    C6     | USB connector 2 |    CN9    |
          | connector        |           |                 |           |
          |------------------+-----------+-----------------+-----------|
          | Chassis          |    C7     | PS/2 mouse port |   CN10    |
          | intrusion        |           |                 |           |
          | connector        |           |                 |           |
          |------------------+-----------+-----------------+-----------|
          | Temperature      |    C8     | Floppy drive    |   CN11    |
          | sensor           |           | interface       |           |
          |------------------+-----------+-----------------+-----------|
          | Auxiliary in     |    C9     | IDE interface 2 |   CN12    |
          | connector        |           |                 |           |
          |------------------+-----------+-----------------+-----------|
          | Modem connector  |    C10    | IDE interface 1 |   CN13    |
          |------------------+-----------+-----------------+-----------|
          | Audio in -       |    C11    | 32-bit PCI      | PC1 - PC5 |
          | CD-ROM           |           | slots           |           |
          +------------------------------------------------------------+
       
          +------------------------------------------------------------+
          |                 USER CONFIGURABLE SETTINGS                 |
          |------------------------------------------------------------|
          |             Function             | Label |    Position     |
          |----------------------------------+-------+-----------------|
          | » | Keyboard power disabled      |  KBP  |   Pins 1 & 2    |
          |   |                              |       |     closed      |
          |---+------------------------------+-------+-----------------|
          |   | Keyboard power enabled       |  KBP  |   Pins 2 & 3    |
          |   |                              |       |     closed      |
          |---+------------------------------+-------+-----------------|
          | » | CMOS memory normal operation |  RTC  |      Open       |
          |---+------------------------------+-------+-----------------|
          |   | CMOS memory clear            |  RTC  |     Closed      |
          +------------------------------------------------------------+
       
          +------------------------------------------------------------+
          |                     DIMM CONFIGURATION                     |
          |------------------------------------------------------------|
          |    Size    |    Bank 0     |    Bank 1     |    Bank 2     |
          |------------+---------------+---------------+---------------|
          |    8MB     |  (1) 1M x 64  |     None      |     None      |
          |------------+---------------+---------------+---------------|
          |    16MB    |  (1) 1M x 64  |  (1) 1M x 64  |     None      |
          |------------+---------------+---------------+---------------|
          |    16MB    |  (1) 2M x 64  |     None      |     None      |
          |------------+---------------+---------------+---------------|
          |    24MB    |  (1) 1M x 64  |  (1) 1M x 64  |  (1) 1M x 64  |
          |------------+---------------+---------------+---------------|
          |    32MB    |  (1) 2M x 64  |  (1) 2M x 64  |     None      |
          |------------+---------------+---------------+---------------|
          |    32MB    |  (1) 4M x 64  |     None      |     None      |
          |------------+---------------+---------------+---------------|
          |    48MB    |  (1) 2M x 64  |  (1) 2M x 64  |  (1) 2M x 64  |
          |------------+---------------+---------------+---------------|
          |    64MB    |  (1) 4M x 64  |  (1) 4M x 64  |     None      |
          |------------+---------------+---------------+---------------|
          |    64MB    |  (1) 8M x 64  |     None      |     None      |
          |------------+---------------+---------------+---------------|
          |    96MB    |  (1) 4M x 64  |  (1) 4M x 64  |  (1) 4M x 64  |
          |------------+---------------+---------------+---------------|
          |   128MB    |  (1) 8M x 64  |  (1) 8M x 64  |     None      |
          |------------+---------------+---------------+---------------|
          |   128MB    | (1) 16M x 64  |     None      |     None      |
          |------------+---------------+---------------+---------------|
          |   164MB    | (1) 16M x 64  |  (1) 1M x 64  |     None      |
          |------------+---------------+---------------+---------------|
          |   144MB    | (1) 16M x 64  |  (1) 1M x 64  |  (1) 1M x 64  |
          |------------+---------------+---------------+---------------|
          |   144MB    | (1) 16M x 64  |  (1) 2M x 64  |     None      |
          |------------+---------------+---------------+---------------|
          |   160MB    | (1) 16M x 64  |  (1) 2M x 64  |  (1) 2M x 64  |
          |------------+---------------+---------------+---------------|
          |   160MB    | (1) 16M x 64  |  (1) 4M x 64  |     None      |
          |------------+---------------+---------------+---------------|
          |   192MB    | (1) 16M x 64  |  (1) 4M x 64  |  (1) 4M x 64  |
          |------------+---------------+---------------+---------------|
          |   192MB    | (1) 16M x 64  |  (1) 8M x 64  |     None      |
          |------------+---------------+---------------+---------------|
          |   192MB    |  (1) 8M x 64  |  (1) 8M x 64  |  (1) 8M x 64  |
          |------------+---------------+---------------+---------------|
          |   256MB    | (1) 16M x 64  |  (1) 8M x 64  |  (1) 8M x 64  |
          |------------+---------------+---------------+---------------|
          |   256MB    | (1) 16M x 64  | (1) 16M x 64  |     None      |
          |------------+---------------+---------------+---------------|
          |   256MB    | (1) 32M x 64  |     None      |     None      |
          |------------+---------------+---------------+---------------|
          |   264MB    | (1) 32M x 64  |  (1) 1M x 64  |     None      |
          |------------+---------------+---------------+---------------|
          |   272MB    | (1) 32M x 64  |  (1) 1M x 64  |  (1) 1M x 64  |
          |------------+---------------+---------------+---------------|
          |   272MB    | (1) 32M x 64  |  (1) 2M x 64  |     None      |
          |------------+---------------+---------------+---------------|
          |   288MB    | (1) 32M x 64  |  (1) 2M x 64  |  (1) 2M x 64  |
          |------------+---------------+---------------+---------------|
          |   288MB    | (1) 32M x 64  |  (1) 4M x 64  |     None      |
          |------------+---------------+---------------+---------------|
          |   320MB    | (1) 32M x 64  |  (1) 4M x 64  |  (1) 4M x 64  |
          |------------+---------------+---------------+---------------|
          |   320MB    | (1) 32M x 64  |  (1) 8M x 64  |     None      |
          |------------+---------------+---------------+---------------|
          |   384MB    | (1) 32M x 64  |  (1) 8M x 64  |  (1) 8M x 64  |
          |------------+---------------+---------------+---------------|
          |   384MB    | (1) 32M x 64  | (1) 16M x 64  |     None      |
          |------------+---------------+---------------+---------------|
          |   384MB    | (1) 16M x 64  | (1) 16M x 64  | (1) 16M x 64  |
          |------------+---------------+---------------+---------------|
          |   512MB    | (1) 32M x 64  | (1) 16M x 64  | (1) 16M x 64  |
          |------------+---------------+---------------+---------------|
          |   512MB    | (1) 32M x 64  | (1) 32M x 64  |     None      |
          |------------+---------------+---------------+---------------|
          |   768MB    | (1) 32M x 64  | (1) 32M x 64  | (1) 32M x 64  |
          |------------------------------------------------------------|
          | Note: Board accepts SDRAM memory.                          |
          +------------------------------------------------------------+
       
          +------------------------------------------------------------+
          |               DIMM/AGP VOLTAGE CONFIGURATION               |
          |------------------------------------------------------------|
          |          Voltage           |             VIO1              |
          |----------------------------+-------------------------------|
          | »  |         3.5v          |       Pins 1 & 2 closed       |
          |----+-----------------------+-------------------------------|
          |    |         3.6v          |       Pins 2 & 3 closed       |
          +------------------------------------------------------------+
       
          +------------------------------------------------------------+
          |                    CACHE CONFIGURATION                     |
          |------------------------------------------------------------|
          |       Size       |       Bank 0       |        TAG         |
          |------------------+--------------------+--------------------|
          |      512KB       |    (1) 64K x 64    |    Unidentified    |
          +------------------------------------------------------------+
       
          +------------------------------------------------------------+
          |               CPU SPEED SELECTION (CX 6X86L)               |
          |------------------------------------------------------------|
          | CPU speed  |   Clock   | Multiplier |  BF0  |  BF1  | BF2  |
          |            |   speed   |            |       |       |      |
          |------------+-----------+------------+-------+-------+------|
          |   166MHz   |   66MHz   |     2x     | 2 & 3 | 1 & 2 | Open |
          |------------------------------------------------------------|
          | Note: Pins designated should be in the closed position.    |
          +------------------------------------------------------------+
       
          +------------------------------------------------------------+
          |           CPU SPEED SELECTION (CX 6X86L, CON'T)            |
          |------------------------------------------------------------|
          |  CPU   |  Clock   | Multiplier |  FS0  |  FS1  | FS2 | FS3 |
          | speed  |  speed   |            |       |       |     |     |
          |--------+----------+------------+-------+-------+-----+-----|
          | 166MHz |  66MHz   |     2x     | 1 & 2 | 2 & 3 | 2 & | 2 & |
          |        |          |            |       |       |  3  |  3  |
          |------------------------------------------------------------|
          | Note: Pins designated should be in the closed position.    |
          +------------------------------------------------------------+
       
          +------------------------------------------------------------+
          |              CPU SPEED SELECTION (IBM 6X86L)               |
          |------------------------------------------------------------|
          | CPU speed  |   Clock   | Multiplier |  BF0  |  BF1  | BF2  |
          |            |   speed   |            |       |       |      |
          |------------+-----------+------------+-------+-------+------|
          |   166MHz   |   66MHz   |     2x     | 2 & 3 | 1 & 2 | Open |
          |------------------------------------------------------------|
          | Note: Pins designated should be in the closed position.    |
          +------------------------------------------------------------+
       
          +------------------------------------------------------------+
          |           CPU SPEED SELECTION (IBM 6X86L, CON'T)           |
          |------------------------------------------------------------|
          |  CPU   |  Clock   | Multiplier |  FS0  |  FS1  | FS2 | FS3 |
          | speed  |  speed   |            |       |       |     |     |
          |--------+----------+------------+-------+-------+-----+-----|
          | 166MHz |  66MHz   |     2x     | 1 & 2 | 2 & 3 | 2 & | 2 & |
          |        |          |            |       |       |  3  |  3  |
          |------------------------------------------------------------|
          | Note: Pins designated should be in the closed position.    |
          +------------------------------------------------------------+
       
          +------------------------------------------------------------+
          |              CPU SPEED SELECTION (CX 6X86MX)               |
          |------------------------------------------------------------|
          | CPU speed  |   Clock   | Multiplier |  BF0  |  BF1  | BF2  |
          |            |   speed   |            |       |       |      |
          |------------+-----------+------------+-------+-------+------|
          |   166MHz   |   60MHz   |    2.5x    | 2 & 3 | 2 & 3 | Open |
          |------------+-----------+------------+-------+-------+------|
          |   200MHz   |   66MHz   |    2.5x    | 2 & 3 | 2 & 3 | Open |
          |------------+-----------+------------+-------+-------+------|
          |   233MHz   |   66MHz   |     3x     | 1 & 2 | 2 & 3 | Open |
          |------------------------------------------------------------|
          | Note: Pins designated should be in the closed position.    |
          +------------------------------------------------------------+
       
          +------------------------------------------------------------+
          |           CPU SPEED SELECTION (CX 6X86MX, CON'T)           |
          |------------------------------------------------------------|
          |  CPU   |  Clock   | Multiplier |  FS0  |  FS1  | FS2 | FS3 |
          | speed  |  speed   |            |       |       |     |     |
          |--------+----------+------------+-------+-------+-----+-----|
          | 166MHz |  60MHz   |    2.5x    | 2 & 3 | 2 & 3 | 2 & | 2 & |
          |        |          |            |       |       |  3  |  3  |
          |--------+----------+------------+-------+-------+-----+-----|
          | 200MHz |  66MHz   |    2.5x    | 1 & 2 | 2 & 3 | 2 & | 2 & |
          |        |          |            |       |       |  3  |  3  |
          |--------+----------+------------+-------+-------+-----+-----|
          | 233MHz |  66MHz   |     3x     | 1 & 2 | 2 & 3 | 2 & | 2 & |
          |        |          |            |       |       |  3  |  3  |
          |------------------------------------------------------------|
          | Note: Pins designated should be in the closed position.    |
          +------------------------------------------------------------+
       
          +------------------------------------------------------------+
          |              CPU SPEED SELECTION (IBM 6X86MX)              |
          |------------------------------------------------------------|
          | CPU speed  |   Clock   | Multiplier |  BF0  |  BF1  | BF2  |
          |            |   speed   |            |       |       |      |
          |------------+-----------+------------+-------+-------+------|
          |   166MHz   |   60MHz   |    2.5x    | 2 & 3 | 2 & 3 | Open |
          |------------+-----------+------------+-------+-------+------|
          |   200MHz   |   66MHz   |    2.5x    | 2 & 3 | 2 & 3 | Open |
          |------------+-----------+------------+-------+-------+------|
          |   233MHz   |   66MHz   |     3x     | 1 & 2 | 2 & 3 | Open |
          |------------------------------------------------------------|
          | Note: Pins designated should be in the closed position.    |
          +------------------------------------------------------------+
       
          +------------------------------------------------------------+
          |          CPU SPEED SELECTION (IBM 6X86MX, CON'T)           |
          |------------------------------------------------------------|
          |  CPU   |  Clock   | Multiplier |  FS0  |  FS1  | FS2 | FS3 |
          | speed  |  speed   |            |       |       |     |     |
          |--------+----------+------------+-------+-------+-----+-----|
          | 166MHz |  60MHz   |    2.5x    | 2 & 3 | 2 & 3 | 2 & | 2 & |
          |        |          |            |       |       |  3  |  3  |
          |--------+----------+------------+-------+-------+-----+-----|
          | 200MHz |  66MHz   |    2.5x    | 1 & 2 | 2 & 3 | 2 & | 2 & |
          |        |          |            |       |       |  3  |  3  |
          |--------+----------+------------+-------+-------+-----+-----|
          | 233MHz |  66MHz   |     3x     | 1 & 2 | 2 & 3 | 2 & | 2 & |
          |        |          |            |       |       |  3  |  3  |
          |------------------------------------------------------------|
          | Note: Pins designated should be in the closed position.    |
          +------------------------------------------------------------+
       
          +------------------------------------------------------------+
          |                CPU SPEED SELECTION (CX MII)                |
          |------------------------------------------------------------|
          | CPU speed  |   Clock   | Multiplier |  BF0  |  BF1  | BF2  |
          |            |   speed   |            |       |       |      |
          |------------+-----------+------------+-------+-------+------|
          |   300MHz   |   66MHz   |    3.5x    | 1 & 2 | 1 & 2 | Open |
          |------------+-----------+------------+-------+-------+------|
          |   300MHz   |   75MHz   |     3x     | 1 & 2 | 2 & 3 | Open |
          |------------+-----------+------------+-------+-------+------|
          |   333MHz   |   83MHz   |     3x     | 1 & 2 | 2 & 3 | Open |
          |------------------------------------------------------------|
          | Note: Pins designated should be in the closed position.    |
          +------------------------------------------------------------+
       
          +------------------------------------------------------------+
          |            CPU SPEED SELECTION (IBM MII, CON'T)            |
          |------------------------------------------------------------|
          |  CPU   |  Clock   | Multiplier |  FS0  |  FS1  | FS2 | FS3 |
          | speed  |  speed   |            |       |       |     |     |
          |--------+----------+------------+-------+-------+-----+-----|
          | 300MHz |  66MHz   |    3.5x    | 1 & 2 | 2 & 3 | 2 & | 2 & |
          |        |          |            |       |       |  3  |  3  |
          |--------+----------+------------+-------+-------+-----+-----|
          | 300MHz |  75MHz   |     3x     | 1 & 2 | 1 & 2 | 2 & | 2 & |
          |        |          |            |       |       |  3  |  3  |
          |--------+----------+------------+-------+-------+-----+-----|
          | 333MHz |  83MHz   |     3x     | 1 & 2 | 2 & 3 | 1 & | 2 & |
          |        |          |            |       |       |  2  |  3  |
          |------------------------------------------------------------|
          | Note: Pins designated should be in the closed position.    |
          +------------------------------------------------------------+
       
          +------------------------------------------------------------+
          |               CPU SPEED SELECTION (IBM MII)                |
          |------------------------------------------------------------|
          | CPU speed  |   Clock   | Multiplier |  BF0  |  BF1  | BF2  |
          |            |   speed   |            |       |       |      |
          |------------+-----------+------------+-------+-------+------|
          |   300MHz   |   66MHz   |    3.5x    | 1 & 2 | 1 & 2 | Open |
          |------------+-----------+------------+-------+-------+------|
          |   300MHz   |   75MHz   |     3x     | 1 & 2 | 2 & 3 | Open |
          |------------+-----------+------------+-------+-------+------|
          |   333MHz   |   83MHz   |     3x     | 1 & 2 | 2 & 3 | Open |
          |------------------------------------------------------------|
          | Note: Pins designated should be in the closed position.    |
          +------------------------------------------------------------+
       
          +------------------------------------------------------------+
          |            CPU SPEED SELECTION (CX MII, CON'T)             |
          |------------------------------------------------------------|
          |  CPU   |  Clock   | Multiplier |  FS0  |  FS1  | FS2 | FS3 |
          | speed  |  speed   |            |       |       |     |     |
          |--------+----------+------------+-------+-------+-----+-----|
          | 300MHz |  66MHz   |    3.5x    | 1 & 2 | 2 & 3 | 2 & | 2 & |
          |        |          |            |       |       |  3  |  3  |
          |--------+----------+------------+-------+-------+-----+-----|
          | 300MHz |  75MHz   |     3x     | 1 & 2 | 1 & 2 | 2 & | 2 & |
          |        |          |            |       |       |  3  |  3  |
          |--------+----------+------------+-------+-------+-----+-----|
          | 333MHz |  83MHz   |     3x     | 1 & 2 | 2 & 3 | 1 & | 2 & |
          |        |          |            |       |       |  2  |  3  |
          |------------------------------------------------------------|
          | Note: Pins designated should be in the closed position.    |
          +------------------------------------------------------------+
       
          +------------------------------------------------------------+
          |                CPU SPEED SELECTION (AM K5)                 |
          |------------------------------------------------------------|
          | CPU speed  |   Clock   | Multiplier |  BF0  |  BF1  | BF2  |
          |            |   speed   |            |       |       |      |
          |------------+-----------+------------+-------+-------+------|
          |   90MHz    |   60MHz   |    1.5x    | 1 & 2 | 1 & 2 | Open |
          |------------+-----------+------------+-------+-------+------|
          |   100MHz   |   66MHz   |    1.5x    | 1 & 2 | 1 & 2 | Open |
          |------------+-----------+------------+-------+-------+------|
          |   120MHz   |   60MHz   |    1.5x    | 1 & 2 | 1 & 2 | Open |
          |------------+-----------+------------+-------+-------+------|
          |   133MHz   |   66MHz   |    1.5x    | 1 & 2 | 1 & 2 | Open |
          |------------------------------------------------------------|
          | Note: Pins designated should be in the closed position.    |
          +------------------------------------------------------------+
       
          +------------------------------------------------------------+
          |             CPU SPEED SELECTION (AM K5, CON'T)             |
          |------------------------------------------------------------|
          |  CPU   |  Clock   | Multiplier |  FS0  |  FS1  | FS2 | FS3 |
          | speed  |  speed   |            |       |       |     |     |
          |--------+----------+------------+-------+-------+-----+-----|
          | 90MHz  |  60MHz   |    1.5x    | 2 & 3 | 2 & 3 | 2 & | 2 & |
          |        |          |            |       |       |  3  |  3  |
          |--------+----------+------------+-------+-------+-----+-----|
          | 100MHz |  66MHz   |    1.5x    | 1 & 2 | 2 & 3 | 2 & | 2 & |
          |        |          |            |       |       |  3  |  3  |
          |--------+----------+------------+-------+-------+-----+-----|
          | 120MHz |  60MHz   |    1.5x    | 2 & 3 | 2 & 3 | 2 & | 2 & |
          |        |          |            |       |       |  3  |  3  |
          |--------+----------+------------+-------+-------+-----+-----|
          | 133MHz |  66MHz   |    1.5x    | 1 & 2 | 2 & 3 | 2 & | 2 & |
          |        |          |            |       |       |  3  |  3  |
          |------------------------------------------------------------|
          | Note: Pins designated should be in the closed position.    |
          +------------------------------------------------------------+
       
          +------------------------------------------------------------+
          |                CPU SPEED SELECTION (AM K6)                 |
          |------------------------------------------------------------|
          | CPU speed  |  Clock   | Multiplier |  BF0  |  BF1  |  BF2  |
          |            |  speed   |            |       |       |       |
          |------------+----------+------------+-------+-------+-------|
          |   166MHz   |  66MHz   |    2.5x    | 2 & 3 | 2 & 3 | Open  |
          |------------+----------+------------+-------+-------+-------|
          |   200MHz   |  66MHz   |     3x     | 1 & 2 | 2 & 3 | Open  |
          |------------+----------+------------+-------+-------+-------|
          |   233MHz   |  66MHz   |    3.5x    | 1 & 2 | 1 & 2 | Open  |
          |------------+----------+------------+-------+-------+-------|
          |   266MHz   |  66MHz   |     4x     | 2 & 3 | 1 & 2 | 2 & 3 |
          |------------+----------+------------+-------+-------+-------|
          |   300MHz   |  66MHz   |    4.5x    | 2 & 3 | 2 & 3 | 2 & 3 |
          |------------------------------------------------------------|
          | Note: Pins designated should be in the closed position.    |
          +------------------------------------------------------------+
       
          +------------------------------------------------------------+
          |             CPU SPEED SELECTION (AM K6, CON'T)             |
          |------------------------------------------------------------|
          |  CPU   |  Clock   | Multiplier |  FS0  |  FS1  | FS2 | FS3 |
          | speed  |  speed   |            |       |       |     |     |
          |--------+----------+------------+-------+-------+-----+-----|
          | 166MHz |  66MHz   |    2.5x    | 1 & 2 | 2 & 3 | 2 & | 2 & |
          |        |          |            |       |       |  3  |  3  |
          |--------+----------+------------+-------+-------+-----+-----|
          | 200MHz |  66MHz   |     3x     | 1 & 2 | 2 & 3 | 2 & | 2 & |
          |        |          |            |       |       |  3  |  3  |
          |--------+----------+------------+-------+-------+-----+-----|
          | 233MHz |  66MHz   |    3.5x    | 1 & 2 | 2 & 3 | 2 & | 2 & |
          |        |          |            |       |       |  3  |  3  |
          |--------+----------+------------+-------+-------+-----+-----|
          | 266MHz |  66MHz   |     4x     | 1 & 2 | 2 & 3 | 2 & | 2 & |
          |        |          |            |       |       |  3  |  3  |
          |--------+----------+------------+-------+-------+-----+-----|
          | 300MHz |  66MHz   |    4.5x    | 1 & 2 | 2 & 3 | 2 & | 2 & |
          |        |          |            |       |       |  3  |  3  |
          |------------------------------------------------------------|
          | Note: Pins designated should be in the closed position.    |
          +------------------------------------------------------------+
       
          +------------------------------------------------------------+
          |               CPU SPEED SELECTION (AM K6-2)                |
          |------------------------------------------------------------|
          | CPU speed |   Clock   | Multiplier |  BF0  |  BF1  |  BF2  |
          |           |   speed   |            |       |       |       |
          |-----------+-----------+------------+-------+-------+-------|
          |  266MHz   |   66MHz   |     4x     | 2 & 3 | 1 & 2 | 2 & 3 |
          |-----------+-----------+------------+-------+-------+-------|
          |  300MHz   |  100MHz   |     3x     | 1 & 2 | 2 & 3 | Open  |
          |-----------+-----------+------------+-------+-------+-------|
          |  333MHz   |   95MHz   |    3.5x    | 1 & 2 | 1 & 2 | Open  |
          |-----------+-----------+------------+-------+-------+-------|
          |  350MHz   |  100MHz   |    3.5x    | 1 & 2 | 1 & 2 | Open  |
          |------------------------------------------------------------|
          | Note: Pins designated should be in the closed position.    |
          +------------------------------------------------------------+
       
          +------------------------------------------------------------+
          |            CPU SPEED SELECTION (AM K6-2, CON'T)            |
          |------------------------------------------------------------|
          |  CPU   |  Clock   | Multiplier |  FS0  |  FS1  | FS2 | FS3 |
          | speed  |  speed   |            |       |       |     |     |
          |--------+----------+------------+-------+-------+-----+-----|
          | 266MHz |  66MHz   |     4x     | 1 & 2 | 2 & 3 | 2 & | 2 & |
          |        |          |            |       |       |  3  |  3  |
          |--------+----------+------------+-------+-------+-----+-----|
          | 300MHz |  100MHz  |     3x     | 1 & 2 | 1 & 2 | 1 & | 2 & |
          |        |          |            |       |       |  2  |  3  |
          |--------+----------+------------+-------+-------+-----+-----|
          | 333MHz |  95MHz   |    3.5x    | 2 & 3 | 1 & 2 | 1 & | 2 & |
          |        |          |            |       |       |  2  |  3  |
          |--------+----------+------------+-------+-------+-----+-----|
          | 350MHz |  100MHz  |    3.5x    | 1 & 2 | 1 & 2 | 1 & | 2 & |
          |        |          |            |       |       |  2  |  3  |
          |------------------------------------------------------------|
          | Note: Pins designated should be in the closed position.    |
          +------------------------------------------------------------+
       
          +------------------------------------------------------------+
          |                CPU SPEED SELECTION (INTEL)                 |
          |------------------------------------------------------------|
          | CPU speed  |   Clock   | Multiplier |  BF0  |  BF1  | BF2  |
          |            |   speed   |            |       |       |      |
          |------------+-----------+------------+-------+-------+------|
          |   90MHz    |   60MHz   |    1.5x    | 1 & 2 | 1 & 2 | Open |
          |------------+-----------+------------+-------+-------+------|
          |   100MHz   |   66MHz   |    1.5x    | 1 & 2 | 1 & 2 | Open |
          |------------+-----------+------------+-------+-------+------|
          |   120MHz   |   60MHz   |     2x     | 2 & 3 | 1 & 2 | Open |
          |------------+-----------+------------+-------+-------+------|
          |   133MHz   |   66MHz   |     2x     | 2 & 3 | 1 & 2 | Open |
          |------------+-----------+------------+-------+-------+------|
          |   150MHz   |   60MHz   |    2.5x    | 2 & 3 | 2 & 3 | Open |
          |------------+-----------+------------+-------+-------+------|
          |   166MHz   |   66MHz   |    2.5x    | 2 & 3 | 2 & 3 | Open |
          |------------------------------------------------------------|
          | Note: Pins designated should be in the closed position.    |
          +------------------------------------------------------------+
       
          +------------------------------------------------------------+
          |             CPU SPEED SELECTION (INTEL, CON'T)             |
          |------------------------------------------------------------|
          |  CPU   |  Clock   | Multiplier |  FS0  |  FS1  | FS2 | FS3 |
          | speed  |  speed   |            |       |       |     |     |
          |--------+----------+------------+-------+-------+-----+-----|
          | 90MHz  |  60MHz   |    1.5x    | 2 & 3 | 2 & 3 | 2 & | 2 & |
          |        |          |            |       |       |  3  |  3  |
          |--------+----------+------------+-------+-------+-----+-----|
          | 100MHz |  66MHz   |    1.5x    | 1 & 2 | 2 & 3 | 2 & | 2 & |
          |        |          |            |       |       |  3  |  3  |
          |--------+----------+------------+-------+-------+-----+-----|
          | 120MHz |  60MHz   |     2x     | 2 & 3 | 2 & 3 | 2 & | 2 & |
          |        |          |            |       |       |  3  |  3  |
          |--------+----------+------------+-------+-------+-----+-----|
          | 133MHz |  66MHz   |     2x     | 1 & 2 | 2 & 3 | 2 & | 2 & |
          |        |          |            |       |       |  3  |  3  |
          |--------+----------+------------+-------+-------+-----+-----|
          | 150MHz |  60MHz   |    2.5x    | 2 & 3 | 2 & 3 | 2 & | 2 & |
          |        |          |            |       |       |  3  |  3  |
          |--------+----------+------------+-------+-------+-----+-----|
          | 166MHz |  66MHz   |    2.5x    | 1 & 2 | 2 & 3 | 2 & | 2 & |
          |        |          |            |       |       |  3  |  3  |
          |------------------------------------------------------------|
          | Note: Pins designated should be in the closed position.    |
          +------------------------------------------------------------+
       
          +------------------------------------------------------------+
          |              CPU SPEED SELECTION (INTEL MMX)               |
          |------------------------------------------------------------|
          | CPU speed  |   Clock   | Multiplier |  BF0  |  BF1  | BF2  |
          |            |   speed   |            |       |       |      |
          |------------+-----------+------------+-------+-------+------|
          |   166MHz   |   66MHz   |    2.5x    | 2 & 3 | 2 & 3 | Open |
          |------------+-----------+------------+-------+-------+------|
          |   200MHz   |   66MHz   |     3x     | 1 & 2 | 2 & 3 | Open |
          |------------+-----------+------------+-------+-------+------|
          |   233MHz   |   66MHz   |    3.5x    | 1 & 2 | 1 & 2 | Open |
          |------------------------------------------------------------|
          | Note: Pins designated should be in the closed position.    |
          +------------------------------------------------------------+
       
          +------------------------------------------------------------+
          |           CPU SPEED SELECTION (INTEL MMX, CON'T)           |
          |------------------------------------------------------------|
          |  CPU   |  Clock   | Multiplier |  FS0  |  FS1  | FS2 | FS3 |
          | speed  |  speed   |            |       |       |     |     |
          |--------+----------+------------+-------+-------+-----+-----|
          | 166MHz |  66MHz   |    2.5x    | 1 & 2 | 2 & 3 | 2 & | 2 & |
          |        |          |            |       |       |  3  |  3  |
          |--------+----------+------------+-------+-------+-----+-----|
          | 200MHz |  66MHz   |     3x     | 1 & 2 | 2 & 3 | 2 & | 2 & |
          |        |          |            |       |       |  3  |  3  |
          |--------+----------+------------+-------+-------+-----+-----|
          | 233MHz |  66MHz   |    3.5x    | 1 & 2 | 2 & 3 | 2 & | 2 & |
          |        |          |            |       |       |  3  |  3  |
          |------------------------------------------------------------|
          | Note: Pins designated should be in the closed position.    |
          +------------------------------------------------------------+
       
          +------------------------------------------------------------+
          |               CPU VOLTAGE SELECTION (SINGLE)               |
          |------------------------------------------------------------|
          | Voltage |    VID0     |    VID1    |    VID2    |   VID3   |
          |---------+-------------+------------+------------+----------|
          |  3.4v   | Pins 1 & 2  | Pins 2 & 3 | Pins 2 & 3 | Pins 2 & |
          |         |   closed    |   closed   |   closed   | 3 closed |
          |---------+-------------+------------+------------+----------|
          |  3.5v   | Pins 2 & 3  | Pins 2 & 3 | Pins 2 & 3 | Pins 2 & |
          |         |   closed    |   closed   |   closed   | 3 closed |
          +------------------------------------------------------------+
       
          +------------------------------------------------------------+
          |                CPU VOLTAGE SELECTION (DUAL)                |
          |------------------------------------------------------------|
          | Voltage |    VID0     |    VID1    |    VID2    |   VID3   |
          |---------+-------------+------------+------------+----------|
          |  2.2v   | Pins 1 & 2  | Pins 2 & 3 | Pins 1 & 2 | Pins 1 & |
          |         |   closed    |   closed   |   closed   | 2 closed |
          |---------+-------------+------------+------------+----------|
          |  2.8v   | Pins 1 & 2  | Pins 1 & 2 | Pins 1 & 2 | Pins 2 & |
          |         |   closed    |   closed   |   closed   | 3 closed |
          |---------+-------------+------------+------------+----------|
          |  2.9v   | Pins 2 & 3  | Pins 1 & 2 | Pins 1 & 2 | Pins 2 & |
          |         |   closed    |   closed   |   closed   | 3 closed |
          |---------+-------------+------------+------------+----------|
          |  3.2v   | Pins 1 & 2  | Pins 1 & 2 | Pins 2 & 3 | Pins 2 & |
          |         |   closed    |   closed   |   closed   | 3 closed |
          +------------------------------------------------------------+