(TXT) View Source
       
       # ASUS COMPUTER INTERNATIONAL
       
          TX97-XE (REV. 3.02)
       
          Device Type      Mainboard                                     
          Processor        CX 6X86/IBM 6X86/CX 6X86 MX/IBM 6X86MX/AM     
                           K5/AM K6/Pentium/Pentium MMX                  
          Processor Speed  75/90/100/120/133/150/166/200/233MHz          
          Chip Set         Intel 430TX                                   
          Maximum Onboard  256MB (EDO supported)                         
          Memory           
          Cache            512KB                                         
          BIOS             Unidentified                                  
          Dimensions       305mm x 244mm                                 
          I/O Options      32-bit PCI slots (4), floppy drive interface, 
                           green PC connector, IDE interfaces (2),       
                           parallel port, PS/2 mouse port, serial ports  
                           (2), IR connector, USB connectors (2), ATX    
                           power connector, microphone in, line in, line 
                           out, Audio in - CD-ROM (1), game/MIDI port    
       
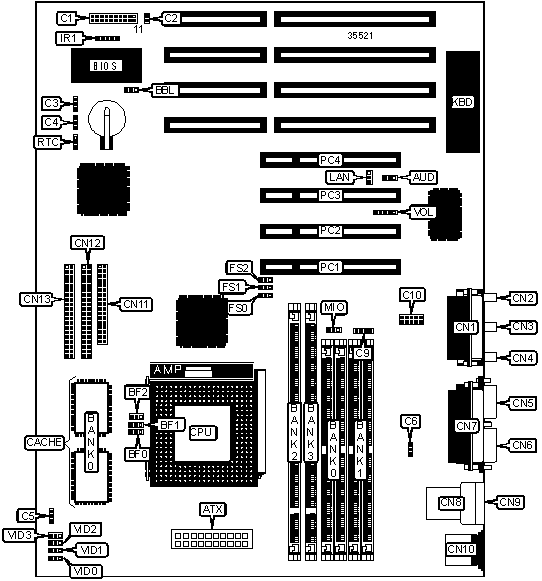
 (IMG) IMG 1
          
       
          +------------------------------------------------------------+
          |                        CONNECTIONS                         |
          |------------------------------------------------------------|
          | Purpose           | Location  | Purpose         | Location |
          |-------------------+-----------+-----------------+----------|
          | ATX power         |    ATX    | Line in         |   CN3    |
          | connector         |           |                 |          |
          |-------------------+-----------+-----------------+----------|
          | Turbo LED         | C1/pins 2 | Line out        |   CN4    |
          |                   |    & 3    |                 |          |
          |-------------------+-----------+-----------------+----------|
          | Green PC          | C1/pins 4 | Serial port 2   |   CN5    |
          | connector         |    & 5    |                 |          |
          |-------------------+-----------+-----------------+----------|
          | Reset switch      | C1/pins 9 | Serial port 1   |   CN6    |
          |                   |   & 10    |                 |          |
          |-------------------+-----------+-----------------+----------|
          | Power LED &       |  C1/pins  | Parallel port   |   CN7    |
          | keylock           |  11 – 15  |                 |          |
          |-------------------+-----------+-----------------+----------|
          | Speaker           |  C1/pins  | USB connector 1 |   CN8    |
          |                   |  17 - 20  |                 |          |
          |-------------------+-----------+-----------------+----------|
          | IDE interface LED |    C2     | USB connector 2 |   CN9    |
          |-------------------+-----------+-----------------+----------|
          | Chassis alarm     |    C3     | PS/2 mouse port |   CN10   |
          |-------------------+-----------+-----------------+----------|
          | Chassis fan power |    C4     | Floppy drive    |   CN11   |
          |                   |           | interface       |          |
          |-------------------+-----------+-----------------+----------|
          | CPU fan power     |    C5     | IDE interface 2 |   CN12   |
          |-------------------+-----------+-----------------+----------|
          | Chassis fan power |    C6     | IDE interface 1 |   CN13   |
          |-------------------+-----------+-----------------+----------|
          | Audio in - CD-ROM |    C9     | IR connector    |   IR1    |
          | (Sony)            |           |                 |          |
          |-------------------+-----------+-----------------+----------|
          | Creative Modem    |    C10    | Wake on LAN     |   LAN    |
          | connector         |           | activity        |          |
          |                   |           | connector       |          |
          |-------------------+-----------+-----------------+----------|
          | Game/MIDI port    |    CN1    | 32-bit PCI      |  PC1 –   |
          |                   |           | slots           |   PC4    |
          |-------------------+-----------+-----------------+----------|
          | Microphone in     |    CN2    | Volume control  |   VOL    |
          +------------------------------------------------------------+
       
          +------------------------------------------------------------+
          |                 USER CONFIGURABLE SETTINGS                 |
          |------------------------------------------------------------|
          |              Function               | Label |   Position   |
          |-------------------------------------+-------+--------------|
          | » | On board audio enabled          |  AUD  |  Pins 2 & 3  |
          |   |                                 |       |    closed    |
          |---+---------------------------------+-------+--------------|
          |   | On board audio disabled         |  AUD  |  Pins 1 & 2  |
          |   |                                 |       |    closed    |
          |---+---------------------------------+-------+--------------|
          |   | Flash BIOS programming disabled |  BBL  |  Pins 1 & 2  |
          |   |                                 |       |    closed    |
          |---+---------------------------------+-------+--------------|
          |   | Flash BIOS programming enabled  |  BBL  |  Pins 2 & 3  |
          |   |                                 |       |    closed    |
          |---+---------------------------------+-------+--------------|
          | » | On board I/O enabled            |  MIO  |  Pins 1 & 2  |
          |   |                                 |       |    closed    |
          |---+---------------------------------+-------+--------------|
          |   | On board I/O disabled           |  MIO  |  Pins 2 & 3  |
          |   |                                 |       |    closed    |
          |---+---------------------------------+-------+--------------|
          | » | CMOS memory normal operation    |  RTC  |  Pins 1 & 2  |
          |   |                                 |       |    closed    |
          |---+---------------------------------+-------+--------------|
          |   | CMOS memory clear               |  RTC  |  Pins 2 & 3  |
          |   |                                 |       |    closed    |
          +------------------------------------------------------------+
       
          +------------------------------------------------------------+
          |                     SIMM CONFIGURATION                     |
          |------------------------------------------------------------|
          |       Size       |       Bank 0       |       Bank 1       |
          |------------------+--------------------+--------------------|
          |       8MB        |    (2) 1M x 36     |        None        |
          |------------------+--------------------+--------------------|
          |       16MB       |    (2) 2M x 36     |        None        |
          |------------------+--------------------+--------------------|
          |       16MB       |    (2) 1M x 36     |    (2) 1M x 36     |
          |------------------+--------------------+--------------------|
          |       24MB       |    (2) 2M x 36     |    (2) 1M x 36     |
          |------------------+--------------------+--------------------|
          |       32MB       |    (2) 4M x 36     |        None        |
          |------------------+--------------------+--------------------|
          |       32MB       |    (2) 2M x 36     |    (2) 2M x 36     |
          |------------------+--------------------+--------------------|
          |       40MB       |    (2) 4M x 36     |    (2) 1M x 36     |
          |------------------+--------------------+--------------------|
          |       48MB       |    (2) 4M x 36     |    (2) 2M x 36     |
          |------------------+--------------------+--------------------|
          |       64MB       |    (2) 8M x 36     |        None        |
          |------------------+--------------------+--------------------|
          |       64MB       |    (2) 4M x 36     |    (2) 4M x 36     |
          |------------------+--------------------+--------------------|
          |       72MB       |    (2) 8M x 36     |    (2) 1M x 36     |
          |------------------+--------------------+--------------------|
          |       80MB       |    (2) 8M x 36     |    (2) 2M x 36     |
          +------------------------------------------------------------+
       
          +------------------------------------------------------------+
          |                 SIMM CONFIGURATION (CON’T)                 |
          |------------------------------------------------------------|
          |     Size     |         Bank 0         |       Bank 1       |
          |--------------+------------------------+--------------------|
          |     96MB     |      (2) 8M x 36       |    (2) 4M x 36     |
          |--------------+------------------------+--------------------|
          |    128MB     |      (2) 8M x 36       |    (2) 8M x 36     |
          |--------------+------------------------+--------------------|
          |    128MB     |      (2) 16M x 36      |        None        |
          |--------------+------------------------+--------------------|
          |    136MB     |      (2) 16M x 36      |    (2) 1M x 36     |
          |--------------+------------------------+--------------------|
          |    144MB     |      (2) 16M x 36      |    (2) 2M x 36     |
          |--------------+------------------------+--------------------|
          |    160MB     |      (2) 16M x 36      |    (2) 4M x 36     |
          |--------------+------------------------+--------------------|
          |    192MB     |      (2) 16M x 36      |    (2) 8M x 36     |
          |--------------+------------------------+--------------------|
          |    256MB     |      (2) 16M x 36      |    (2) 16M x 36    |
          |------------------------------------------------------------|
          | Note: Board accepts EDO memory. Do not install SIMMS &     |
          | DIMMs at the same time.                                    |
          +------------------------------------------------------------+
       
          +------------------------------------------------------------+
          |                     DIMM CONFIGURATION                     |
          |------------------------------------------------------------|
          |       Size       |       Bank 0       |       Bank 1       |
          |------------------+--------------------+--------------------|
          |       8MB        |    (1) 1M x 64     |        None        |
          |------------------+--------------------+--------------------|
          |       16MB       |    (1) 2M x 64     |        None        |
          |------------------+--------------------+--------------------|
          |       16MB       |    (1) 1M x 64     |    (1) 1M x 64     |
          |------------------+--------------------+--------------------|
          |       24MB       |    (1) 2M x 64     |    (1) 1M x 64     |
          |------------------+--------------------+--------------------|
          |       32MB       |    (1) 4M x 64     |        None        |
          |------------------+--------------------+--------------------|
          |       32MB       |    (1) 2M x 64     |    (1) 2M x 64     |
          |------------------+--------------------+--------------------|
          |       40MB       |    (1) 4M x 64     |    (1) 1M x 64     |
          |------------------+--------------------+--------------------|
          |       48MB       |    (1) 4M x 64     |    (1) 2M x 64     |
          |------------------+--------------------+--------------------|
          |       64MB       |    (1) 8M x 64     |        None        |
          |------------------+--------------------+--------------------|
          |       64MB       |    (1) 4M x 64     |    (1) 4M x 64     |
          |------------------+--------------------+--------------------|
          |       72MB       |    (1) 8M x 64     |    (1) 1M x 64     |
          |------------------+--------------------+--------------------|
          |       80MB       |    (1) 8M x 64     |    (1) 2M x 64     |
          |------------------+--------------------+--------------------|
          |       96MB       |    (1) 8M x 64     |    (1) 4M x 64     |
          |------------------+--------------------+--------------------|
          |      128MB       |    (1) 16M x 64    |        None        |
          |------------------+--------------------+--------------------|
          |      128MB       |    (1) 8M x 64     |    (1) 8M x 64     |
          |------------------+--------------------+--------------------|
          |      136MB       |    (1) 16M x 64    |    (1) 1M x 64     |
          |------------------+--------------------+--------------------|
          |      144MB       |    (1) 16M x 64    |    (1) 2M x 64     |
          |------------------+--------------------+--------------------|
          |      160MB       |    (1) 16M x 64    |    (1) 4M x 64     |
          |------------------+--------------------+--------------------|
          |      192MB       |    (1) 16M x 64    |    (1) 8M x 64     |
          |------------------+--------------------+--------------------|
          |      256MB       |    (1) 16M x 64    |    (1) 16M x 64    |
          +------------------------------------------------------------+
       
          +------------------------------------------------------------+
          |                    CACHE CONFIGURATION                     |
          |------------------------------------------------------------|
          |            Size            |            Bank 0             |
          |----------------------------+-------------------------------|
          |           512KB            |         (2) 32K x 32          |
          +------------------------------------------------------------+
       
          +------------------------------------------------------------+
          |               CPU SPEED SELECTION (CX 6X86)                |
          |------------------------------------------------------------|
          |  CPU  | Clock  |Multiplier| BF0 | BF1 |BF2 | FS0 |FS1 |FS2 |
          | speed | speed  |          |     |     |    |     |    |    |
          |-------+--------+----------+-----+-----+----+-----+----+----|
          |166MHz | 66MHz  |    2x    |2 & 3|1 & 2|Open|2 & 3|1 & |2 & |
          |       |        |          |     |     |    |     | 2  | 3  |
          |------------------------------------------------------------|
          |Note: Pins designated should be in the closed position.     |
          +------------------------------------------------------------+
       
          +------------------------------------------------------------+
          |               CPU SPEED SELECTION (IBM 6X86)               |
          |------------------------------------------------------------|
          |  CPU  | Clock  |Multiplier| BF0 | BF1 |BF2 | FS0 |FS1 |FS2 |
          | speed | speed  |          |     |     |    |     |    |    |
          |-------+--------+----------+-----+-----+----+-----+----+----|
          |166MHz | 66MHz  |    2x    |2 & 3|1 & 2|Open|2 & 3|1 & |2 & |
          |       |        |          |     |     |    |     | 2  | 3  |
          |------------------------------------------------------------|
          |Note: Pins designated should be in the closed position.     |
          +------------------------------------------------------------+
       
          +------------------------------------------------------------+
          |              CPU SPEED SELECTION (CX 6X86MX)               |
          |------------------------------------------------------------|
          |  CPU  | Clock  |Multiplier| BF0 | BF1 |BF2 | FS0 |FS1 |FS2 |
          | speed | speed  |          |     |     |    |     |    |    |
          |-------+--------+----------+-----+-----+----+-----+----+----|
          |166MHz | 60MHz  |   2.5x   |2 & 3|2 & 3|Open|1 & 2|2 & |2 & |
          |       |        |          |     |     |    |     | 3  | 3  |
          |-------+--------+----------+-----+-----+----+-----+----+----|
          |200MHz | 66MHz  |   2.5x   |2 & 3|2 & 3|Open|2 & 3|1 & |2 & |
          |       |        |          |     |     |    |     | 2  | 3  |
          |-------+--------+----------+-----+-----+----+-----+----+----|
          |233MHz | 66MHz  |    3x    |1 & 2|2 & 3|Open|2 & 3|1 & |2 & |
          |       |        |          |     |     |    |     | 2  | 3  |
          |------------------------------------------------------------|
          |Note: Pins designated should be in the closed position.     |
          +------------------------------------------------------------+
       
          +------------------------------------------------------------+
          |              CPU SPEED SELECTION (IBM 6X86MX)              |
          |------------------------------------------------------------|
          |  CPU  | Clock  |Multiplier| BF0 | BF1 |BF2 | FS0 |FS1 |FS2 |
          | speed | speed  |          |     |     |    |     |    |    |
          |-------+--------+----------+-----+-----+----+-----+----+----|
          |166MHz | 60MHz  |   2.5x   |2 & 3|2 & 3|Open|1 & 2|2 & |2 & |
          |       |        |          |     |     |    |     | 3  | 3  |
          |-------+--------+----------+-----+-----+----+-----+----+----|
          |200MHz | 66MHz  |   2.5x   |2 & 3|2 & 3|Open|2 & 3|1 & |2 & |
          |       |        |          |     |     |    |     | 2  | 3  |
          |-------+--------+----------+-----+-----+----+-----+----+----|
          |233MHz | 66MHz  |    3x    |1 & 2|2 & 3|Open|2 & 3|1 & |2 & |
          |       |        |          |     |     |    |     | 2  | 3  |
          |------------------------------------------------------------|
          |Note: Pins designated should be in the closed position.     |
          +------------------------------------------------------------+
       
          +------------------------------------------------------------+
          |                CPU SPEED SELECTION (AM K5)                 |
          |------------------------------------------------------------|
          |  CPU  | Clock  |Multiplier| BF0 | BF1 |BF2 | FS0 |FS1 |FS2 |
          | speed | speed  |          |     |     |    |     |    |    |
          |-------+--------+----------+-----+-----+----+-----+----+----|
          | 75MHz | 50MHz  |   1.5x   |1 & 2|1 & 2|Open|2 & 3|2 & |2 & |
          |       |        |          |     |     |    |     | 3  | 3  |
          |-------+--------+----------+-----+-----+----+-----+----+----|
          | 90MHz | 60MHz  |   1.5x   |1 & 2|1 & 2|Open|1 & 2|2 & |2 & |
          |       |        |          |     |     |    |     | 3  | 3  |
          |-------+--------+----------+-----+-----+----+-----+----+----|
          |100MHz | 66MHz  |   1.5x   |1 & 2|1 & 2|Open|2 & 3|1 & |2 & |
          |       |        |          |     |     |    |     | 2  | 3  |
          |-------+--------+----------+-----+-----+----+-----+----+----|
          |120MHz | 60MHz  |   1.5x   |1 & 2|1 & 2|Open|2 & 3|2 & |2 & |
          |       |        |          |     |     |    |     | 3  | 3  |
          |-------+--------+----------+-----+-----+----+-----+----+----|
          |133MHz | 66MHz  |   1.5x   |1 & 2|1 & 2|Open|2 & 3|1 & |2 & |
          |       |        |          |     |     |    |     | 2  | 3  |
          |------------------------------------------------------------|
          |Note: Pins designated should be in the closed position.     |
          +------------------------------------------------------------+
       
          +------------------------------------------------------------+
          |                CPU SPEED SELECTION (AM K6)                 |
          |------------------------------------------------------------|
          |  CPU  | Clock  |Multiplier| BF0 | BF1 |BF2 | FS0 |FS1 |FS2 |
          | speed | speed  |          |     |     |    |     |    |    |
          |-------+--------+----------+-----+-----+----+-----+----+----|
          |166MHz | 66MHz  |   2.5x   |2 & 3|2 & 3|Open|2 & 3|1 & |2 & |
          |       |        |          |     |     |    |     | 2  | 3  |
          |-------+--------+----------+-----+-----+----+-----+----+----|
          |200MHz | 66MHz  |    3x    |1 & 2|2 & 3|Open|2 & 3|1 & |2 & |
          |       |        |          |     |     |    |     | 2  | 3  |
          |-------+--------+----------+-----+-----+----+-----+----+----|
          |233MHz | 66MHz  |   3.5x   |1 & 2|1 & 2|Open|2 & 3|1 & |2 & |
          |       |        |          |     |     |    |     | 2  | 3  |
          |------------------------------------------------------------|
          |Note: Pins designated should be in the closed position.     |
          +------------------------------------------------------------+
       
          +------------------------------------------------------------+
          |                CPU SPEED SELECTION (INTEL)                 |
          |------------------------------------------------------------|
          |  CPU  | Clock  |Multiplier| BF0 | BF1 |BF2 | FS0 |FS1 |FS2 |
          | speed | speed  |          |     |     |    |     |    |    |
          |-------+--------+----------+-----+-----+----+-----+----+----|
          | 75MHz | 50MHz  |   1.5x   |1 & 2|1 & 2|Open|2 & 3|2 & |2 & |
          |       |        |          |     |     |    |     | 3  | 3  |
          |-------+--------+----------+-----+-----+----+-----+----+----|
          | 90MHz | 60MHz  |   1.5x   |1 & 2|1 & 2|Open|1 & 2|2 & |2 & |
          |       |        |          |     |     |    |     | 3  | 3  |
          |-------+--------+----------+-----+-----+----+-----+----+----|
          |100MHz | 66MHz  |   1.5x   |1 & 2|1 & 2|Open|2 & 3|1 & |2 & |
          |       |        |          |     |     |    |     | 2  | 3  |
          |-------+--------+----------+-----+-----+----+-----+----+----|
          |120MHz | 60MHz  |    2x    |2 & 3|1 & 2|Open|1 & 2|2 & |2 & |
          |       |        |          |     |     |    |     | 3  | 3  |
          |-------+--------+----------+-----+-----+----+-----+----+----|
          |133MHz | 66MHz  |    2x    |2 & 3|1 & 2|Open|2 & 3|1 & |2 & |
          |       |        |          |     |     |    |     | 2  | 3  |
          |-------+--------+----------+-----+-----+----+-----+----+----|
          |150MHz | 60MHz  |   2.5x   |2 & 3|2 & 3|Open|1 & 2|2 & |2 & |
          |       |        |          |     |     |    |     | 3  | 3  |
          |-------+--------+----------+-----+-----+----+-----+----+----|
          |166MHz | 66MHz  |   2.5x   |2 & 3|2 & 3|Open|2 & 3|1 & |2 & |
          |       |        |          |     |     |    |     | 2  | 3  |
          |-------+--------+----------+-----+-----+----+-----+----+----|
          |200MHz | 66MHz  |    3x    |1 & 2|2 & 3|Open|2 & 3|1 & |2 & |
          |       |        |          |     |     |    |     | 2  | 3  |
          |------------------------------------------------------------|
          |Note: Pins designated should be in the closed position.     |
          +------------------------------------------------------------+
       
          +------------------------------------------------------------+
          |              CPU SPEED SELECTION (INTEL MMX)               |
          |------------------------------------------------------------|
          |  CPU  | Clock  |Multiplier| BF0 | BF1 |BF2 | FS0 |FS1 |FS2 |
          | speed | speed  |          |     |     |    |     |    |    |
          |-------+--------+----------+-----+-----+----+-----+----+----|
          |166MHz | 66MHz  |   2.5x   |2 & 3|2 & 3|Open|2 & 3|1 & |2 & |
          |       |        |          |     |     |    |     | 2  | 3  |
          |-------+--------+----------+-----+-----+----+-----+----+----|
          |200MHz | 66MHz  |    3x    |1 & 2|2 & 3|Open|2 & 3|1 & |2 & |
          |       |        |          |     |     |    |     | 2  | 3  |
          |-------+--------+----------+-----+-----+----+-----+----+----|
          |233MHz | 66MHz  |   3.5x   |1 & 2|1 & 2|Open|2 & 3|1 & |2 & |
          |       |        |          |     |     |    |     | 2  | 3  |
          |------------------------------------------------------------|
          |Note: Pins designated should be in the closed position.     |
          +------------------------------------------------------------+
       
          +------------------------------------------------------------+
          |               CPU VOLTAGE SELECTION (SINGLE)               |
          |------------------------------------------------------------|
          | Voltage |      VID0      |      VID1      |      VID2      |
          |---------+----------------+----------------+----------------|
          |  3.4v   |   Pins 2 & 3   |   Pins 2 & 3   |   Pins 2 & 3   |
          |         |     closed     |     closed     |     closed     |
          |---------+----------------+----------------+----------------|
          |  3.5v   |   Pins 1 & 2   |   Pins 2 & 3   |   Pins 2 & 3   |
          |         |     closed     |     closed     |     closed     |
          +------------------------------------------------------------+
       
          +------------------------------------------------------------+
          |                CPU VOLTAGE SELECTION (DUAL)                |
          |------------------------------------------------------------|
          | Voltage |    VID0    |    VID1    |    VID2    |   VID3    |
          |---------+------------+------------+------------+-----------|
          |  1.8v   |    Open    |    Open    |    Open    | Pins 1 &  |
          |         |            |            |            | 2 closed  |
          |---------+------------+------------+------------+-----------|
          |  1.9v   |    Open    |    Open    |    Open    | Pins 2 &  |
          |         |            |            |            | 3 closed  |
          |---------+------------+------------+------------+-----------|
          |  2.1v   | Pins 1 & 2 | Pins 2 & 3 |    Open    |   Open    |
          |         |   closed   |   closed   |            |           |
          |---------+------------+------------+------------+-----------|
          |  2.5v   | Pins 1 & 2 | Pins 2 & 3 | Pins 1 & 2 |   Open    |
          |         |   closed   |   closed   |   closed   |           |
          |---------+------------+------------+------------+-----------|
          |  2.7v   | Pins 1 & 2 | Pins 1 & 2 | Pins 1 & 2 |   Open    |
          |         |   closed   |   closed   |   closed   |           |
          |---------+------------+------------+------------+-----------|
          |  2.8v   | Pins 2 & 3 | Pins 2 & 3 | Pins 2 & 3 |   Open    |
          |         |   closed   |   closed   |   closed   |           |
          |---------+------------+------------+------------+-----------|
          |  2.9v   | Pins 1 & 2 | Pins 2 & 3 | Pins 2 & 3 |   Open    |
          |         |   closed   |   closed   |   closed   |           |
          |---------+------------+------------+------------+-----------|
          |  3.2v   | Pins 2 & 3 | Pins 2 & 3 | Pins 1 & 2 |   Open    |
          |         |   closed   |   closed   |   closed   |           |
          +------------------------------------------------------------+