(TXT) View Source
       
       # ASUS COMPUTER INTERNATIONAL
       
          P2L-M (REV. 1.01)
       
          Device Type     Mainboard                                      
          Processor       Pentium II                                     
          Processor Speed 233/266/300/333MHz                             
          Chip Set        Intel                                          
          Video Chip Set  None                                           
          Maximum Onboard 256MB (EDO & SDRAM supported)                  
          Memory          
          Maximum Video   None                                           
          Memory          
          Cache           256/512KB (located on Pentium II CPU)          
          BIOS            Unidentified                                   
          Dimensions      305mm x 244mm                                  
          I/O Options     32-bit PCI slots (2), floppy drive interface,  
                          green PC connector, IDE interfaces (2),        
                          parallel port, PS/2 mouse port, serial ports   
                          (2), IR connector, USB connectors (2), ATX     
                          power connector, AGP slot                      
          NPU Options     None                                           
       
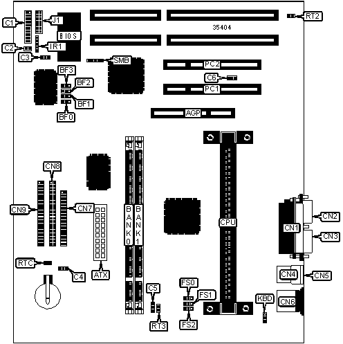
 (IMG) IMG 1
          
       
          +------------------------------------------------------------+
          |                        CONNECTIONS                         |
          |------------------------------------------------------------|
          | Purpose        | Location  | Purpose           | Location  |
          |----------------+-----------+-------------------+-----------|
          | AGP slot       |    AGP    | Parallel port     |    CN1    |
          |----------------+-----------+-------------------+-----------|
          | ATX power      |    ATX    | Serial port 2     |    CN2    |
          | connector      |           |                   |           |
          |----------------+-----------+-------------------+-----------|
          | Power LED &    | C1/pins 1 | Serial port 1     |    CN3    |
          | keylock        |    - 5    |                   |           |
          |----------------+-----------+-------------------+-----------|
          | Speaker        | C1/pins 7 | USB connector 1   |    CN4    |
          |                |   - 10    |                   |           |
          |----------------+-----------+-------------------+-----------|
          | Message LED    |  C1/pins  | USB connector 2   |    CN5    |
          |                |  12 & 13  |                   |           |
          |----------------+-----------+-------------------+-----------|
          | Green PC       |  C1/pins  | PS/2 mouse port   |    CN6    |
          | connector      |  14 & 15  |                   |           |
          |----------------+-----------+-------------------+-----------|
          | Soft off power |  C1/pins  | Floppy drive      |    CN7    |
          | supply         |  16 & 17  | interface         |           |
          |----------------+-----------+-------------------+-----------|
          | Reset switch   |  C1/pins  | IDE interface 2   |    CN8    |
          |                |  19 & 20  |                   |           |
          |----------------+-----------+-------------------+-----------|
          | IDE interface  |    C2     | IDE interface 1   |    CN9    |
          | LED            |           |                   |           |
          |----------------+-----------+-------------------+-----------|
          | Chassis fan    |    C3     | IR connector      |    IR1    |
          | power          |           |                   |           |
          |----------------+-----------+-------------------+-----------|
          | Fan power      |    C4     | 32-bit PCI slots  | PC1 - PC2 |
          |----------------+-----------+-------------------+-----------|
          | CPU fan power  |    C5     | Thermal           |    RT3    |
          |                |           | temperature       |           |
          |                |           | sensor            |           |
          |----------------+-----------+-------------------+-----------|
          | Wake on LAN    |    C6     |                   |           |
          | connector      |           |                   |           |
          +------------------------------------------------------------+
       
          +------------------------------------------------------------+
          |                 USER CONFIGURABLE SETTINGS                 |
          |------------------------------------------------------------|
          |              Function               | Label |   Position   |
          |-------------------------------------+-------+--------------|
          | » | Factory configured - do not     |  J1   | Unidentified |
          |   | alter                           |       |              |
          |---+---------------------------------+-------+--------------|
          | » | Keyboard power disabled         |  KBD  |  Pins 1 & 2  |
          |   |                                 |       |    closed    |
          |---+---------------------------------+-------+--------------|
          |   | Keyboard power enabled          |  KBD  |  Pins 2 & 3  |
          |   |                                 |       |    closed    |
          |---+---------------------------------+-------+--------------|
          | » | CMOS memory normal operation    |  RTC  |     Open     |
          |---+---------------------------------+-------+--------------|
          |   | CMOS memory clear               |  RTC  |    Closed    |
          |---+---------------------------------+-------+--------------|
          | » | Factory configured - do not     |  RT2  | Unidentified |
          |   | alter                           |       |              |
          |---+---------------------------------+-------+--------------|
          | » | Factory configured - do not     |  SMB  | Unidentified |
          |   | alter                           |       |              |
          +------------------------------------------------------------+
       
          +------------------------------------------------------------+
          |                     DIMM CONFIGURATION                     |
          |------------------------------------------------------------|
          |       Size       |       Bank 0       |       Bank 1       |
          |------------------+--------------------+--------------------|
          |       8MB        |    (1) 1M x 64     |        None        |
          |------------------+--------------------+--------------------|
          |       16MB       |    (1) 2M x 64     |        None        |
          |------------------+--------------------+--------------------|
          |       16MB       |    (1) 1M x 64     |    (1) 1M x 64     |
          |------------------+--------------------+--------------------|
          |       24MB       |    (1) 2M x 64     |    (1) 1M x 64     |
          |------------------+--------------------+--------------------|
          |       32MB       |    (1) 4M x 64     |        None        |
          |------------------+--------------------+--------------------|
          |       32MB       |    (1) 2M x 64     |    (1) 2M x 64     |
          |------------------+--------------------+--------------------|
          |       40MB       |    (1) 4M x 64     |    (1) 1M x 64     |
          |------------------+--------------------+--------------------|
          |       48MB       |    (1) 4M x 64     |    (1) 2M x 64     |
          |------------------+--------------------+--------------------|
          |       64MB       |    (1) 8M x 64     |        None        |
          |------------------+--------------------+--------------------|
          |       64MB       |    (1) 4M x 64     |    (1) 4M x 64     |
          +------------------------------------------------------------+
       
          +------------------------------------------------------------+
          |                 DIMM CONFIGURATION (CON'T)                 |
          |------------------------------------------------------------|
          |       Size       |       Bank 0       |       Bank 1       |
          |------------------+--------------------+--------------------|
          |       72MB       |    (1) 8M x 64     |    (1) 1M x 64     |
          |------------------+--------------------+--------------------|
          |       80MB       |    (1) 8M x 64     |    (1) 2M x 64     |
          |------------------+--------------------+--------------------|
          |       96MB       |    (1) 8M x 64     |    (1) 4M x 64     |
          |------------------+--------------------+--------------------|
          |      128MB       |    (1) 16M x 64    |        None        |
          |------------------+--------------------+--------------------|
          |      128MB       |    (1) 8M x 64     |    (1) 8M x 64     |
          |------------------+--------------------+--------------------|
          |      136MB       |    (1) 16M x 64    |    (1) 1M x 64     |
          |------------------+--------------------+--------------------|
          |      144MB       |    (1) 16M x 64    |    (1) 2M x 64     |
          |------------------+--------------------+--------------------|
          |      160MB       |    (1) 16M x 64    |    (1) 4M x 64     |
          |------------------+--------------------+--------------------|
          |      192MB       |    (1) 16M x 64    |    (1) 8M x 64     |
          |------------------+--------------------+--------------------|
          |      256MB       |    (1) 16M x 64    |    (1) 16M x 64    |
          |------------------------------------------------------------|
          | Note: Board accepts EDO & SDRAM memory.                    |
          +------------------------------------------------------------+
       
          +-----------------------------------------------------------+
          |                    CACHE CONFIGURATION                    |
          |-----------------------------------------------------------|
          | Note: 256KB/512KB cache is located on the Pentium II CPU. |
          +-----------------------------------------------------------+
       
          +------------------------------------------------------------+
          |                    CPU SPEED SELECTION                     |
          |------------------------------------------------------------|
          | CPU speed  |  Clock   | Multiplier |  FS0  |  FS1  |  FS2  |
          |            |  speed   |            |       |       |       |
          |------------+----------+------------+-------+-------+-------|
          |   233MHz   |  66MHz   |    3.5x    | 1 & 2 | 1 & 2 | 1 & 2 |
          |------------+----------+------------+-------+-------+-------|
          |   266MHz   |  66MHz   |     4x     | 1 & 2 | 1 & 2 | 1 & 2 |
          |------------+----------+------------+-------+-------+-------|
          |   300MHz   |  66MHz   |    4.5x    | 1 & 2 | 1 & 2 | 1 & 2 |
          |------------+----------+------------+-------+-------+-------|
          |   333MHz   |  66MHz   |     5x     | 1 & 2 | 1 & 2 | 1 & 2 |
          |------------------------------------------------------------|
          | Note: Pins designated should be in the closed position.    |
          +------------------------------------------------------------+
       
          +------------------------------------------------------------+
          |                CPU SPEED SELECTION (CON'T)                 |
          |------------------------------------------------------------|
          |  CPU   |  Clock   | Multiplier |  BF0  |  BF1  | BF2 | BF3 |
          | speed  |  speed   |            |       |       |     |     |
          |--------+----------+------------+-------+-------+-----+-----|
          | 233MHz |  66MHz   |    3.5x    | 1 & 2 | 1 & 2 | 2 & | 2 & |
          |        |          |            |       |       |  3  |  3  |
          |--------+----------+------------+-------+-------+-----+-----|
          | 266MHz |  66MHz   |     4x     | 2 & 3 | 2 & 3 | 1 & | 2 & |
          |        |          |            |       |       |  2  |  3  |
          |--------+----------+------------+-------+-------+-----+-----|
          | 300MHz |  66MHz   |    4.5x    | 1 & 2 | 2 & 3 | 1 & | 2 & |
          |        |          |            |       |       |  2  |  3  |
          |--------+----------+------------+-------+-------+-----+-----|
          | 333MHz |  66MHz   |     5x     | 2 & 3 | 1 & 2 | 1 & | 2 & |
          |        |          |            |       |       |  2  |  3  |
          |------------------------------------------------------------|
          | Note: Pins designated should be in the closed position.    |
          +------------------------------------------------------------+