(TXT) View Source
       
       # ACHME COMPUTER, INC.
       
          MS-5108
       
          Processor    Pentium                                           
          Processor    60/66MHz                                          
          Speed        
          Chip Set     SIS                                               
          Max. Onboard 128MB                                             
          DRAM         
          Cache        256/512/1024KB                                    
          BIOS         AMI                                               
          Dimensions   330mm x 220mm                                     
          I/O Options  32-bit PCI slots (3), floppy drive interface,     
                       green PC connector, IDE interface (2),            
                                                                         
                       parallel port, serial ports (2)                   
          NPU Options  None                                              
       
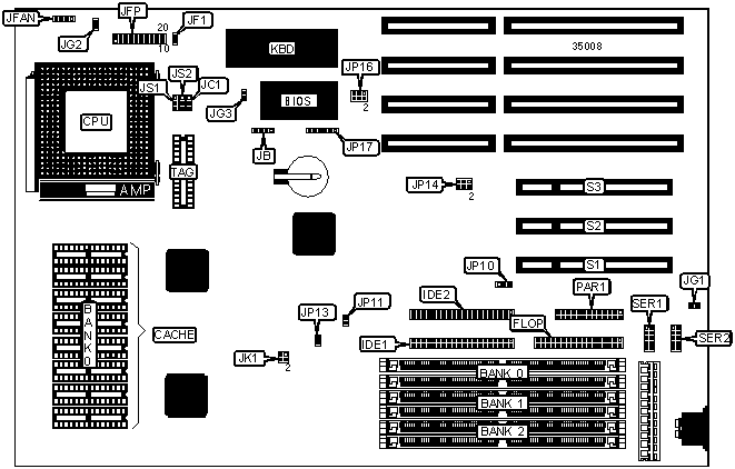
 (IMG) IMG 1
          
       
          +------------------------------------------------------------+
          |                        CONNECTIONS                         |
          |------------------------------------------------------------|
          | Purpose          | Location  | Purpose         | Location  |
          |------------------+-----------+-----------------+-----------|
          | Floppy drive     |   FLOP    | Turbo LED       | JFP (pins |
          | interface        |           |                 | 12 - 13)  |
          |------------------+-----------+-----------------+-----------|
          | IDE interface    |   IDE1    | Turbo switch    | JFP (pins |
          | (primary)        |           |                 | 15 - 17)  |
          |------------------+-----------+-----------------+-----------|
          | IDE interface    |   IDE2    | Reset switch    | JFP (pins |
          | (secondary)      |           |                 | 19 - 20)  |
          |------------------+-----------+-----------------+-----------|
          | External battery |    JB     | Green PC        |    JG1    |
          |                  |           | connector       |           |
          |                  |           | (monitor)       |           |
          |------------------+-----------+-----------------+-----------|
          | IDE interface    |    JF1    | Green PC LED    |    JG2    |
          | LED              |           |                 |           |
          |------------------+-----------+-----------------+-----------|
          | Chassis fan      |   JFAN    | Green PC        |    JG3    |
          | power            |           | connector       |           |
          |------------------+-----------+-----------------+-----------|
          | Keylock          | JFP (pins | Parallel port   |   PAR1    |
          |                  |  1 & 2)   |                 |           |
          |------------------+-----------+-----------------+-----------|
          | Power LED        | JFP (pins | 32-bit PCI      |  S1 - S3  |
          |                  |  3 & 5)   | slots           |           |
          |------------------+-----------+-----------------+-----------|
          | Green PC LED     | JFP (pins | Serial port 1   |   SER1    |
          |                  |  3 & 4)   |                 |           |
          |------------------+-----------+-----------------+-----------|
          | Speaker          | JFP (pins | Serial port 2   |   SER2    |
          |                  |  7 & 10)  |                 |           |
          |------------------+-----------+-----------------+-----------|
          | Sleep switch     | JFP (pins |                 |           |
          | connector        |  8 & 9)   |                 |           |
          +------------------------------------------------------------+
       
          +------------------------------------------------------------+
          |                 USER CONFIGURABLE SETTINGS                 |
          |------------------------------------------------------------|
          |             Function              | Jumper |   Position    |
          |-----------------------------------+--------+---------------|
          | » | NA# disabled                  |  JC1   |  pins 1 & 2   |
          |   |                               |        |    closed     |
          |---+-------------------------------+--------+---------------|
          |   | NA# enabled                   |  JC1   |  pins 2 & 3   |
          |   |                               |        |    closed     |
          |---+-------------------------------+--------+---------------|
          | » | PCI IDE interface enabled     |  JP10  |  pins 1 & 2   |
          |   |                               |        |    closed     |
          |---+-------------------------------+--------+---------------|
          |   | PCI IDE interface disabled    |  JP10  |  pins 2 & 3   |
          |   |                               |        |    closed     |
          |---+-------------------------------+--------+---------------|
          | » | PCI IDE Digital Input         |  JP11  |     Open      |
          |   | Register enabled              |        |               |
          |---+-------------------------------+--------+---------------|
          |   | PCI IDE Digital Input         |  JP11  |    Closed     |
          |   | Register disabled             |        |               |
          |---+-------------------------------+--------+---------------|
          | » | PCI IDE register select 0B4h, |  JP13  |     Open      |
          |   | 0B8h                          |        |               |
          |---+-------------------------------+--------+---------------|
          |   | PCI IDE register select 034h, |  JP13  |    Closed     |
          |   | 038h                          |        |               |
          |---+-------------------------------+--------+---------------|
          | » | BIOS type select EPROM        |  JP17  | pins 2 & 3, 4 |
          |   |                               |        |  & 5 closed   |
          |---+-------------------------------+--------+---------------|
          |   | BIOS type select flash BIOS   |  JP17  | pins 1 & 2, 5 |
          |   |                               |        |  & 6 closed   |
          +------------------------------------------------------------+
       
          +------------------------------------------------------------+
          |                     DRAM CONFIGURATION                     |
          |------------------------------------------------------------|
          |    Size    |    Bank 0     |    Bank 1     |    Bank 2     |
          |------------+---------------+---------------+---------------|
          |    2MB     | (2) 256K x 36 |     NONE      |     NONE      |
          |------------+---------------+---------------+---------------|
          |    4MB     | (2) 256K x 36 | (2) 256K x 36 |     NONE      |
          |------------+---------------+---------------+---------------|
          |    4MB     | (2) 512K x 36 |     NONE      |     NONE      |
          |------------+---------------+---------------+---------------|
          |    8MB     | (2) 256K x 36 | (2) 256K x 36 | (2) 512K x 36 |
          |------------+---------------+---------------+---------------|
          |    8MB     | (2) 512K x 36 |     NONE      | (2) 512K x 36 |
          |------------+---------------+---------------+---------------|
          |    8MB     |  (2) 1M x 36  |     NONE      |     NONE      |
          |------------+---------------+---------------+---------------|
          |    12MB    | (2) 256K x 36 | (2) 256K x 36 |  (2) 1M x 36  |
          |------------+---------------+---------------+---------------|
          |    12MB    | (2) 512K x 36 |     NONE      |  (2) 1M x 36  |
          |------------+---------------+---------------+---------------|
          |    16MB    |  (2) 1M x 36  |  (2) 1M x 36  |     NONE      |
          |------------+---------------+---------------+---------------|
          |    16MB    |  (2) 2M x 36  |     NONE      |     NONE      |
          |------------+---------------+---------------+---------------|
          |    20MB    | (2) 256K x 36 | (2) 256K x 36 |  (2) 2M x 36  |
          |------------+---------------+---------------+---------------|
          |    20MB    | (2) 512K x 36 |     NONE      |  (2) 2M x 36  |
          |------------+---------------+---------------+---------------|
          |    24MB    |  (2) 1M x 36  |  (2) 1M x 36  |  (2) 1M x 36  |
          |------------+---------------+---------------+---------------|
          |    24MB    |  (2) 2M x 36  |     NONE      |  (2) 1M x 36  |
          |------------+---------------+---------------+---------------|
          |    32MB    |  (2) 1M x 36  |  (2) 1M x 36  |  (2) 2M x 36  |
          |------------+---------------+---------------+---------------|
          |    32MB    |  (2) 2M x 36  |     NONE      |  (2) 2M x 36  |
          |------------+---------------+---------------+---------------|
          |    32MB    |  (2) 4M x 36  |     NONE      |     NONE      |
          |------------+---------------+---------------+---------------|
          |    36MB    | (2) 256K x 36 | (2) 256K x 36 |  (2) 4M x 36  |
          |------------+---------------+---------------+---------------|
          |    36MB    | (2) 512K x 36 |     NONE      |  (2) 4M x 36  |
          |------------+---------------+---------------+---------------|
          |    40MB    |  (2) 1M x 36  |  (2) 4M x 36  |     NONE      |
          |------------+---------------+---------------+---------------|
          |    48MB    |  (2) 1M x 36  |  (2) 1M x 36  |  (2) 4M x 36  |
          |------------+---------------+---------------+---------------|
          |    48MB    |  (2) 2M x 36  |     NONE      |  (2) 4M x 36  |
          |------------+---------------+---------------+---------------|
          |    64MB    |  (2) 4M x 36  |  (2) 4M x 36  |     NONE      |
          |------------+---------------+---------------+---------------|
          |    64MB    |  (2) 8M x 36  |     NONE      |     NONE      |
          |------------+---------------+---------------+---------------|
          |    72MB    |  (2) 1M x 36  |  (2) 4M x 36  |  (2) 4M x 36  |
          |------------+---------------+---------------+---------------|
          |    80MB    |  (2) 1M x 36  |  (2) 1M x 36  |  (2) 8M x 36  |
          |------------+---------------+---------------+---------------|
          |    80MB    |  (2) 2M x 36  |     NONE      |  (2) 8M x 36  |
          |------------+---------------+---------------+---------------|
          |    96MB    |  (2) 4M x 36  |  (2) 4M x 36  |  (2) 4M x 36  |
          |------------+---------------+---------------+---------------|
          |    96MB    |  (2) 8M x 36  |     NONE      |  (2) 4M x 36  |
          |------------+---------------+---------------+---------------|
          |   128MB    |  (2) 4M x 36  |  (2) 4M x 36  |  (2) 8M x 36  |
          |------------+---------------+---------------+---------------|
          |   128MB    |  (2) 8M x 36  |     NONE      |  (2) 8M x 36  |
          |------------+---------------+---------------+---------------|
          |   128MB    | (2) 16M x 36  |     NONE      |     NONE      |
          +------------------------------------------------------------+
       
          +------------------------------------------------------------+
          |                    CACHE CONFIGURATION                     |
          |------------------------------------------------------------|
          |  Size   |    Bank 0     |               TAG                |
          |---------+---------------+----------------------------------|
          |  256KB  |  (8) 32K x 8  | (1) 8K or (1) 16K or (1) 32K x 8 |
          |---------+---------------+----------------------------------|
          |  512KB  |  (8) 64K x 8  |      (1) 16K or (1) 32K x 8      |
          |---------+---------------+----------------------------------|
          |   1MB   | (8) 128K x 8  |           (1) 32K x 8            |
          +------------------------------------------------------------+
       
          +------------------------------------------------------------+
          |                 CACHE JUMPER CONFIGURATION                 |
          |------------------------------------------------------------|
          |       Size       |        JS1         |        JS2         |
          |------------------+--------------------+--------------------|
          |      256KB       | pins 1 & 2 closed  | pins 1 & 2 closed  |
          |------------------+--------------------+--------------------|
          |      512KB       | pins 2 & 3 closed  | pins 1 & 2 closed  |
          |------------------+--------------------+--------------------|
          |       1MB        | pins 2 & 3 closed  | pins 2 & 3 closed  |
          +------------------------------------------------------------+
       
          +------------------------------------------------------------+
          |                  CPU SPEED CONFIGURATION                   |
          |------------------------------------------------------------|
          | Normal mode speed | Green mode speed |         JK1         |
          |-------------------+------------------+---------------------|
          |       60MHz       |      30MHz       |  pins 3 & 4 closed  |
          |-------------------+------------------+---------------------|
          |       66MHz       |      33MHz       |  pins 1 & 2, 3 & 4  |
          |                   |                  |       closed        |
          |-------------------+------------------+---------------------|
          |       60MHz       |      60MHz       |        Open         |
          |-------------------+------------------+---------------------|
          |       66MHz       |      66MHz       |  pins 1 & 2 closed  |
          +------------------------------------------------------------+
       
          +------------------------------------------------------------+
          |                   DACK/DRQ CONFIGURATION                   |
          |------------------------------------------------------------|
          |     Setting      |        JP14        |        JP16        |
          |------------------+--------------------+--------------------|
          |   DACK#0/DREQ0   | pins 1 & 2 closed  | pins 1 & 2 closed  |
          |------------------+--------------------+--------------------|
          |   DACK#1/DREQ1   | pins 3 & 4 closed  | pins 3 & 4 closed  |
          |------------------+--------------------+--------------------|
          |   DACK#3/DREQ3   | pins 5 & 6 closed  | pins 5 & 6 closed  |
          +------------------------------------------------------------+