(TXT) View Source
       
       # ACHME COMPUTER, INC.
       
          MS-5172
       
          Device Type      Mainboard                                     
          Processor        CX 6X86/CX 6X86L/CX 686MX/AM K5/AM K6/Pentium 
          Processor Speed  Unidentified                                  
          Chip Set         SIS                                           
          Video Chip Set   None                                          
          Maximum Onboard  768MB (EDO & SDRAM supported)                 
          Memory           
          Maximum Video    None                                          
          Memory           
          Cache            512KB                                         
          BIOS             Unidentified                                  
          Dimensions       305mm x 186mm                                 
          I/O Options      32-bit PCI slots (3), floppy drive interface, 
                           MIDI/game port, green PC connector, IDE       
                           interfaces (2), parallel port, PS/2 mouse     
                           port, serial ports (2), IR connector, USB     
                           connectors (2), ATX power connector, AGP      
                           slot, line in, line out, microphone in, audio 
                           in – CD-ROMs (2)                              
          NPU Options      None                                          
       
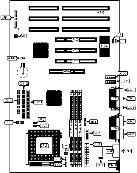
 (IMG) IMG 1
          
       
          +------------------------------------------------------------+
          |                        CONNECTIONS                         |
          |------------------------------------------------------------|
          | Purpose         | Location | Purpose         |  Location   |
          |-----------------+----------+-----------------+-------------|
          | AGP slot        |   AGP    | Wake on LAN     |     J2      |
          |                 |          | connector       |             |
          |-----------------+----------+-----------------+-------------|
          | ATX power       |   ATX    | Wake on modem   |     J3      |
          | connector       |          | connector       |             |
          |-----------------+----------+-----------------+-------------|
          | Game/MIDI port  |   CN1    | Green PC LED    | J4/pins 1 & |
          |                 |          |                 |      2      |
          |-----------------+----------+-----------------+-------------|
          | Microphone in   |   CN2    | Soft off power  | J4/pins 3 & |
          |                 |          | supply          |      4      |
          |-----------------+----------+-----------------+-------------|
          | Line in         |   CN3    | Audio in –      |    JCD1     |
          |                 |          | CD-ROM          |             |
          |-----------------+----------+-----------------+-------------|
          | Line out        |   CN4    | Audio in –      |    JCD2     |
          |                 |          | CD-ROM          |             |
          |-----------------+----------+-----------------+-------------|
          | Serial port 2   |   CN5    | Turbo LED       | JFP1/pins 2 |
          |                 |          |                 |     & 3     |
          |-----------------+----------+-----------------+-------------|
          | Serial port 1   |   CN6    | Reset switch    | JFP1/pins 9 |
          |                 |          |                 |    & 10     |
          |-----------------+----------+-----------------+-------------|
          | Parallel port   |   CN7    | IDE interface   |  JFP1/pins  |
          |                 |          | LED             |   12 & 24   |
          |-----------------+----------+-----------------+-------------|
          | USB connector 1 |   CN8    | Power LED &     |  JFP1/pins  |
          |                 |          | keylock         |   13 - 17   |
          |-----------------+----------+-----------------+-------------|
          | USB connector 2 |   CN9    | Speaker         |  JFP1/pins  |
          |                 |          |                 |   19 - 22   |
          |-----------------+----------+-----------------+-------------|
          | PS/2 mouse port |   CN10   | Remote power    | JP4/pins 3  |
          |                 |          | on/off switch   |     & 4     |
          |-----------------+----------+-----------------+-------------|
          | IDE interface 2 |   CN11   | IR connector    |     IR1     |
          |-----------------+----------+-----------------+-------------|
          | IDE interface 1 |   CN12   | 32-bit PCI      |  PC1 – PC3  |
          |                 |          | slots           |             |
          |-----------------+----------+-----------------+-------------|
          | Floppy drive    |   CN13   | Chassis fan     |     SYS     |
          | interface       |          | power           |             |
          |-----------------+----------+-----------------+-------------|
          | CPU fan power   |   CPU    |                 |             |
          |------------------------------------------------------------|
          | Note: The location of J2 & JP4 is unidentified.            |
          +------------------------------------------------------------+
       
          +------------------------------------------------------------+
          |                 USER CONFIGURABLE SETTINGS                 |
          |------------------------------------------------------------|
          |              Function               | Label |   Position   |
          |-------------------------------------+-------+--------------|
          | » | CMOS memory normal operation    | JBAT  |  Pins 1 & 2  |
          |   |                                 |       |    closed    |
          |---+---------------------------------+-------+--------------|
          |   | CMOS memory clear               | JBAT  |  Pins 2 & 3  |
          |   |                                 |       |    closed    |
          |---+---------------------------------+-------+--------------|
          |   | Power on mode voltage select 5v |  JP1  |  Pins 1 & 2  |
          |   |                                 |       |    closed    |
          |---+---------------------------------+-------+--------------|
          |   | Power on mode voltage select    |  JP1  |  Pins 2 & 3  |
          |   | 5vsb                            |       |    closed    |
          |---+---------------------------------+-------+--------------|
          |   | Cyrix linear mode enabled       |  JP2  |    Closed    |
          |---+---------------------------------+-------+--------------|
          |   | Cyrix linear mode disabled      |  JP2  |     Open     |
          |---+---------------------------------+-------+--------------|
          | » | Flash BIOS voltage select 5v    |  JP3  |  Pins 2 & 3  |
          |   |                                 |       |    closed    |
          |---+---------------------------------+-------+--------------|
          |   | Flash BIOS voltage select 12v   |  JP3  |  Pins 1 & 2  |
          |   |                                 |       |    closed    |
          |---+---------------------------------+-------+--------------|
          | » | Factory configured - do not     |  JV2  | Unidentified |
          |   | alter                           |       |              |
          +------------------------------------------------------------+
       
          +------------------------------------------------------------+
          |                     DIMM CONFIGURATION                     |
          |------------------------------------------------------------|
          |    Size    |    Bank 0     |    Bank 1     |    Bank 2     |
          |------------+---------------+---------------+---------------|
          |    8MB     |  (1) 1M x 64  |     None      |     None      |
          |------------+---------------+---------------+---------------|
          |    16MB    |  (1) 2M x 64  |     None      |     None      |
          |------------+---------------+---------------+---------------|
          |    16MB    |  (1) 1M x 64  |  (1) 1M x 64  |     None      |
          |------------+---------------+---------------+---------------|
          |    24MB    |  (1) 2M x 64  |  (1) 1M x 64  |     None      |
          |------------+---------------+---------------+---------------|
          |    24MB    |  (1) 1M x 64  |  (1) 1M x 64  |  (1) 1M x 64  |
          |------------+---------------+---------------+---------------|
          |    32MB    |  (1) 4M x 64  |     None      |     None      |
          |------------+---------------+---------------+---------------|
          |    32MB    |  (1) 2M x 64  |  (1) 1M x 64  |  (1) 1M x 64  |
          |------------+---------------+---------------+---------------|
          |    32MB    |  (1) 2M x 64  |  (1) 2M x 64  |     None      |
          |------------+---------------+---------------+---------------|
          |    40MB    |  (1) 4M x 64  |  (1) 1M x 64  |     None      |
          |------------+---------------+---------------+---------------|
          |    40MB    |  (1) 2M x 64  |  (1) 2M x 64  |  (1) 1M x 64  |
          +------------------------------------------------------------+
       
          +------------------------------------------------------------+
          |                 DIMM CONFIGURATION (CON’T)                 |
          |------------------------------------------------------------|
          |    Size    |    Bank 0     |    Bank 1     |    Bank 2     |
          |------------+---------------+---------------+---------------|
          |    32MB    |  (1) 2M x 64  |  (1) 2M x 64  |     None      |
          |------------+---------------+---------------+---------------|
          |    40MB    |  (1) 4M x 64  |  (1) 1M x 64  |     None      |
          |------------+---------------+---------------+---------------|
          |    40MB    |  (1) 2M x 64  |  (1) 2M x 64  |  (1) 1M x 64  |
          |------------+---------------+---------------+---------------|
          |    48MB    |  (1) 4M x 64  |  (1) 1M x 64  |  (1) 1M x 64  |
          |------------+---------------+---------------+---------------|
          |    48MB    |  (1) 4M x 64  |  (1) 2M x 64  |     None      |
          |------------+---------------+---------------+---------------|
          |    48MB    |  (1) 2M x 64  |  (1) 2M x 64  |  (1) 2M x 64  |
          |------------+---------------+---------------+---------------|
          |    56MB    |  (1) 4M x 64  |  (1) 2M x 64  |  (1) 1M x 64  |
          |------------+---------------+---------------+---------------|
          |    64MB    |  (1) 8M x 64  |     None      |     None      |
          |------------+---------------+---------------+---------------|
          |    64MB    |  (1) 4M x 64  |  (1) 2M x 64  |  (1) 2M x 64  |
          |------------+---------------+---------------+---------------|
          |    64MB    |  (1) 4M x 64  |  (1) 4M x 64  |     None      |
          |------------+---------------+---------------+---------------|
          |    72MB    |  (1) 8M x 64  |  (1) 1M x 64  |     None      |
          |------------+---------------+---------------+---------------|
          |    72MB    |  (1) 4M x 64  |  (1) 4M x 64  |  (1) 1M x 64  |
          |------------+---------------+---------------+---------------|
          |    80MB    |  (1) 8M x 64  |  (1) 1M x 64  |  (1) 1M x 64  |
          |------------+---------------+---------------+---------------|
          |    80MB    |  (1) 8M x 64  |  (1) 2M x 64  |     None      |
          |------------+---------------+---------------+---------------|
          |    80MB    |  (1) 4M x 64  |  (1) 4M x 64  |  (1) 2M x 64  |
          |------------+---------------+---------------+---------------|
          |    88MB    |  (1) 8M x 64  |  (1) 2M x 64  |  (1) 1M x 64  |
          |------------+---------------+---------------+---------------|
          |    96MB    |  (1) 8M x 64  |  (1) 2M x 64  |  (1) 2M x 64  |
          |------------+---------------+---------------+---------------|
          |    96MB    |  (1) 8M x 64  |  (1) 4M x 64  |     None      |
          |------------+---------------+---------------+---------------|
          |    96MB    |  (1) 4M x 64  |  (1) 4M x 64  |  (1) 4M x 64  |
          |------------+---------------+---------------+---------------|
          |   104MB    |  (1) 8M x 64  |  (1) 4M x 64  |  (1) 1M x 64  |
          |------------+---------------+---------------+---------------|
          |   112MB    |  (1) 8M x 64  |  (1) 4M x 64  |  (1) 2M x 64  |
          |------------+---------------+---------------+---------------|
          |   128MB    | (1) 16M x 64  |     None      |     None      |
          |------------+---------------+---------------+---------------|
          |   128MB    |  (1) 8M x 64  |  (1) 4M x 64  |  (1) 4M x 64  |
          |------------+---------------+---------------+---------------|
          |   128MB    |  (1) 8M x 64  |  (1) 8M x 64  |     None      |
          |------------+---------------+---------------+---------------|
          |   136MB    | (1) 16M x 64  |  (1) 1M x 64  |     None      |
          |------------+---------------+---------------+---------------|
          |   136MB    |  (1) 8M x 64  |  (1) 8M x 64  |  (1) 1M x 64  |
          |------------+---------------+---------------+---------------|
          |   144MB    | (1) 16M x 64  |  (1) 1M x 64  |  (1) 1M x 64  |
          |------------+---------------+---------------+---------------|
          |   144MB    | (1) 16M x 64  |  (1) 2M x 64  |     None      |
          |------------+---------------+---------------+---------------|
          |   144MB    |  (1) 8M x 64  |  (1) 8M x 64  |  (1) 2M x 64  |
          |------------+---------------+---------------+---------------|
          |   152MB    | (1) 16M x 64  |  (1) 2M x 64  |  (1) 1M x 64  |
          |------------+---------------+---------------+---------------|
          |   160MB    | (1) 16M x 64  |  (1) 2M x 64  |  (1) 2M x 64  |
          |------------+---------------+---------------+---------------|
          |   160MB    | (1) 16M x 64  |  (1) 4M x 64  |     None      |
          |------------+---------------+---------------+---------------|
          |   160MB    |  (1) 8M x 64  |  (1) 8M x 64  |  (1) 4M x 64  |
          |------------+---------------+---------------+---------------|
          |   168MB    | (1) 16M x 64  |  (1) 4M x 64  |  (1) 1M x 64  |
          |------------+---------------+---------------+---------------|
          |   176MB    | (1) 16M x 64  |  (1) 4M x 64  |  (1) 2M x 64  |
          |------------+---------------+---------------+---------------|
          |   192MB    | (1) 16M x 64  |  (1) 4M x 64  |  (1) 4M x 64  |
          |------------+---------------+---------------+---------------|
          |   192MB    | (1) 16M x 64  |  (1) 8M x 64  |     None      |
          |------------+---------------+---------------+---------------|
          |   192MB    |  (1) 8M x 64  |  (1) 8M x 64  |  (1) 8M x 64  |
          |------------+---------------+---------------+---------------|
          |   200MB    | (1) 16M x 64  |  (1) 8M x 64  |  (1) 1M x 64  |
          +------------------------------------------------------------+
       
          +------------------------------------------------------------+
          |                 DIMM CONFIGURATION (CON’T)                 |
          |------------------------------------------------------------|
          |   Size   |     Bank 0      |    Bank 1     |    Bank 2     |
          |----------+-----------------+---------------+---------------|
          |  208MB   |  (1) 16M x 64   |  (1) 8M x 64  |  (1) 2M x 64  |
          |----------+-----------------+---------------+---------------|
          |  224MB   |  (1) 16M x 64   |  (1) 8M x 64  |  (1) 4M x 64  |
          |----------+-----------------+---------------+---------------|
          |  256MB   |  (1) 16M x 64   |  (1) 8M x 64  |  (1) 8M x 64  |
          |----------+-----------------+---------------+---------------|
          |  384MB   |  (1) 16M x 64   | (1) 16M x 64  | (1) 16M x 64  |
          |----------+-----------------+---------------+---------------|
          |  512MB   |  (1) 32M x 64   | (1) 32M x 64  |     None      |
          |----------+-----------------+---------------+---------------|
          |  768MB   |  (1) 32M x 64   | (1) 32M x 64  | (1) 32M x 64  |
          |------------------------------------------------------------|
          | Note: Board accepts EDO & SDRAM memory. 384MB maximum if   |
          | using SDRAM memory. 768MB maximum if using EDO memory.     |
          +------------------------------------------------------------+
       
          +------------------------------------------------------------+
          |                    CACHE CONFIGURATION                     |
          |------------------------------------------------------------|
          | Note: 512KB cache is factory installed and is not          |
          | configurable. The location is unidentified.                |
          +------------------------------------------------------------+
       
          +------------------------------------------------------------+
          |                 CPU CLOCK SPEED SELECTION                  |
          |------------------------------------------------------------|
          | CPU speed | AGP speed | PCI speed | SW1/4  | SW1/5 | SW1/6 |
          |-----------+-----------+-----------+--------+-------+-------|
          |   60MHz   |   60MHz   |   30MHz   |   On   |  On   |  On   |
          |-----------+-----------+-----------+--------+-------+-------|
          |   66MHz   |   66MHz   |   33MHz   |  Off   |  On   |  On   |
          |-----------+-----------+-----------+--------+-------+-------|
          |  68.5MHz  |  68.5MHz  |   34MHz   |   On   |  Off  |  On   |
          |-----------+-----------+-----------+--------+-------+-------|
          |   75MHz   |   75MHz   |  37.5MHz  |  Off   |  Off  |  On   |
          |-----------+-----------+-----------+--------+-------+-------|
          |   75MHz   |   64MHz   |   32MHz   |   On   |  On   |  Off  |
          |-----------+-----------+-----------+--------+-------+-------|
          |   83MHz   |   66MHz   |   33MHz   |  Off   |  On   |  Off  |
          |-----------+-----------+-----------+--------+-------+-------|
          |   90MHz   |   60MHz   |   30MHz   |   On   |  Off  |  Off  |
          |-----------+-----------+-----------+--------+-------+-------|
          |  100MHz   |   66MHz   |   33MHz   |  Off   |  Off  |  Off  |
          +------------------------------------------------------------+
       
          +------------------------------------------------------------+
          |                  CPU MULTIPLIER SELECTION                  |
          |------------------------------------------------------------|
          |  Multiplier   |    SW1/1     |    SW1/2     |    SW1/3     |
          |---------------+--------------+--------------+--------------|
          |     1.5x      |     Off      |     Off      |     Off      |
          |---------------+--------------+--------------+--------------|
          |      2x       |      On      |     Off      |     Off      |
          |---------------+--------------+--------------+--------------|
          |     2.5x      |      On      |      On      |     Off      |
          |---------------+--------------+--------------+--------------|
          |      3x       |     Off      |      On      |     Off      |
          |---------------+--------------+--------------+--------------|
          |     3.5x      |     Off      |     Off      |     Off      |
          |---------------+--------------+--------------+--------------|
          |      4x       |      On      |     Off      |      On      |
          |---------------+--------------+--------------+--------------|
          |     4.5x      |      On      |      On      |      On      |
          +------------------------------------------------------------+
       
          +------------------------------------------------------------+
          |                   CPU VOLTAGE SELECTION                    |
          |------------------------------------------------------------|
          | Voltage | V core |                   JV3                   |
          |---------+--------+-----------------------------------------|
          |  3.3v   |  2.0v  |                  Open                   |
          |---------+--------+-----------------------------------------|
          |  3.3v   |  2.1v  |           Pins 9 & 10 closed            |
          |---------+--------+-----------------------------------------|
          |  3.3v   |  2.2v  |            Pins 7 & 8 closed            |
          |---------+--------+-----------------------------------------|
          |  3.3v   |  2.3v  |        Pins 7 & 8, 9 & 10 closed        |
          |---------+--------+-----------------------------------------|
          |  3.3v   |  2.4v  |            Pins 5 & 6 closed            |
          |---------+--------+-----------------------------------------|
          |  3.3v   |  2.5v  |        Pins 5 & 6, 9 & 10 closed        |
          |---------+--------+-----------------------------------------|
          |  3.3v   |  2.6v  |        Pins 5 & 6, 7 & 8, closed        |
          |---------+--------+-----------------------------------------|
          |  3.3v   |  2.7v  |    Pins 5 & 6, 7 & 8, 9 & 10 closed     |
          |---------+--------+-----------------------------------------|
          |  3.3v   |  2.8v  |            Pins 3 & 4 closed            |
          |---------+--------+-----------------------------------------|
          |  3.3v   |  2.9v  |        Pins 3 & 4, 9 & 10 closed        |
          |---------+--------+-----------------------------------------|
          |  3.3v   |  3.0v  |        Pins 3 & 4, 7 & 8 closed         |
          |---------+--------+-----------------------------------------|
          |  3.3v   |  3.1v  |    Pins 3 & 4, 7 & 8, 9 & 10 closed     |
          |---------+--------+-----------------------------------------|
          |  3.3v   |  3.2v  |        Pins 3 & 4, 5 & 6 closed         |
          |---------+--------+-----------------------------------------|
          |  3.3v   |  3.3v  |    Pins 3 & 4, 5 & 6, 9 & 10 closed     |
          |---------+--------+-----------------------------------------|
          |  3.3v   |  3.4v  |     Pins 3 & 4, 5 & 6, 7 & 8 closed     |
          |---------+--------+-----------------------------------------|
          |  3.5v   |  3.5v  | Pins 3 & 4, 5 & 6, 7 & 8, 9 & 10 closed |
          +------------------------------------------------------------+
       
          +------------------------------------------------------------+
          |                   CPU VOLTAGE SELECTION                    |
          |------------------------------------------------------------|
          |          Setting           |              JV1              |
          |----------------------------+-------------------------------|
          |           Single           |             Open              |
          |----------------------------+-------------------------------|
          |            Dual            |   Pins 1 & 2, 3 & 4 closed    |
          +------------------------------------------------------------+