(TXT) View Source
       
       # AST RESEARCH, INC.
       
          CUPID Desktop ISA 386sx/16 (version 1)
       
          Models 202273-003,202356-001 & 202356-004
       
          Processor         80386SX (on external CPU/Memory module)      
          Processor Speed   16MHz                                        
          Chip Set          AST                                          
          Max. Onboard DRAM None (4MB on external CPU/Memory module)     
          SRAM Cache        None (16KB on external CPU/Memory module)    
          BIOS              AST                                          
          Dimensions        330mm x 218mm                                
          I/O Options       32-bit external CPU/Memory module slot       
                                                                         
                            32-bit external Memory module slot (2)       
                                                                         
                            floppy drive interface, IDE interface        
                                                                         
                            parallel port, serial port (2)               
                                                                         
                            SMART expansion/16-bit ISA expansion slots   
                            (3)                                          
          NPU Options       80387SX (on external CPU/Memory module)      
       
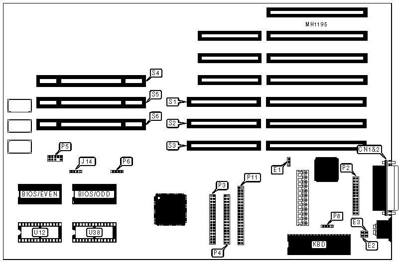
 (IMG) IMG 1
          
       
          +------------------------------------------------------------+
          |                        CONNECTIONS                         |
          |------------------------------------------------------------|
          | Purpose       | Location | Purpose              | Location |
          |---------------+----------+----------------------+----------|
          | Serial port 1 |   CN1    | External battery     |    P8    |
          | (COM1)        |          |                      |          |
          |---------------+----------+----------------------+----------|
          | Parallel port |   CN2    | IDE interface        |   P11    |
          |---------------+----------+----------------------+----------|
          | IDE interface |   J14    | SMART                | S1, S2 & |
          | LED           |          | expansion/16-bit ISA |    S3    |
          |---------------+----------+----------------------+----------|
          | Serial port 2 |    P2    | 32-bit external      |    S4    |
          | (COM2)        |          | CPU/Memory module    |          |
          |---------------+----------+----------------------+----------|
          | Floppy drive  |    P3    | 32-bit external      |    S5    |
          | interface (A: |          | Memory module slot   |          |
          | and B:)       |          |                      |          |
          |---------------+----------+----------------------+----------|
          | Third floppy  |    P4    | 32-bit external      |    S6    |
          | drive         |          | Memory module slot   |          |
          | interface     |          |                      |          |
          |---------------+----------+----------------------+----------|
          | Front panel   |    P5    | Optional ROM (even)  |   U12    |
          | switches &    |          |                      |          |
          | LEDs          |          |                      |          |
          |---------------+----------+----------------------+----------|
          | Speaker       |    P6    | Optional ROM (odd)   |   U38    |
          +------------------------------------------------------------+
       
          +------------------------------------------------------------+
          |                 USER CONFIGURABLE SETTINGS                 |
          |------------------------------------------------------------|
          |             Function              | Jumper |   Position    |
          |-----------------------------------+--------+---------------|
          | » | Password check enabled        |   E1   |  pins 2 & 3   |
          |   |                               |        |    closed     |
          |---+-------------------------------+--------+---------------|
          |   | Password check disabled       |   E1   |  pins 1 & 2   |
          |   |                               |        |    closed     |
          |---+-------------------------------+--------+---------------|
          | » | POST select normal operation  |   E2   |     open      |
          |---+-------------------------------+--------+---------------|
          |   | POST select continuous loop   |   E2   |    closed     |
          |---+-------------------------------+--------+---------------|
          | » | Keyboard select installed     |   E3   |     open      |
          |---+-------------------------------+--------+---------------|
          |   | Keyboard select not installed |   E3   |    closed     |
          +------------------------------------------------------------+
       
 (IMG) IMG 2
          
       
          +------------------------------------------------------------+
          |                 USER CONFIGURABLE SETTINGS                 |
          |------------------------------------------------------------|
          |              Function              |  Jumper  |  Position  |
          |------------------------------------+----------+------------|
          | »    | Parity check enabled        |    E1    |   closed   |
          |------+-----------------------------+----------+------------|
          |      | Parity check disabled       |    E1    |    open    |
          |------------------------------------------------------------|
          | Note:AST CPU/Memory module part number is 202337-001 or    |
          | 202337-002.                                                |
          +------------------------------------------------------------+
       
          +------------------------------------------------------------+
          |                     DRAM CONFIGURATION                     |
          |------------------------------------------------------------|
          |  Size   |   Bank 0   |   Bank 1   |   Bank 2   |  Bank 3   |
          |---------+------------+------------+------------+-----------|
          |   1MB   | (1) 1M x 9 |    NONE    |    NONE    |   NONE    |
          |---------+------------+------------+------------+-----------|
          |   2MB   | (1) 1M x 9 | (1) 1M x 9 |    NONE    |   NONE    |
          |---------+------------+------------+------------+-----------|
          |   3MB   | (1) 1M x 9 | (1) 1M x 9 | (1) 1M x 9 |   NONE    |
          |---------+------------+------------+------------+-----------|
          |   4MB   | (1) 1M x 9 | (1) 1M x 9 | (1) 1M x 9 | (1) 1M x  |
          |         |            |            |            |     9     |
          |------------------------------------------------------------|
          | Notes:16KB of SRAM Cache is on the CPU/Memory module.      |
          | 128KB of DRAM is reserved for System                       |
          |                                                            |
          | and VGA BIOS shadowing and cannot be disabled. Up to two   |
          | of the following memory boards                             |
          |                                                            |
          | may be installed in addition to the CPU/Memory module: AST |
          | part numbers 202275-001,                                   |
          |                                                            |
          | 202275-004, 202275-006, 202387-001, or 202387-005.         |
          +------------------------------------------------------------+