(TXT) View Source
       
       # PROMISE TECHNOLOGY, INCORPORATED
       
          3D WEBSOUND
       
          Card Type   Sound card                                         
          Chip Set    Unidentified                                       
          I/O Options Game/MIDI port, wavetable, CD - audio in (2), MPEG 
                      - audio in, speaker/line out (2), line in,         
                      microphone in                                      
          Data Bus    16-bit ISA                                         
       
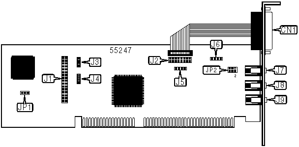
 (IMG) IMG 1
          
       
          +------------------------------------------------------------+
          |                        CONNECTIONS                         |
          |------------------------------------------------------------|
          |     Function     | Label |        Function         | Label |
          |------------------+-------+-------------------------+-------|
          | Game/MIDI port - |  CN1  | Audio in (MPEG)         |  J5   |
          | external         |       |                         |       |
          |------------------+-------+-------------------------+-------|
          | Wavetable        |  J1   | Speaker/line out -      |  J6   |
          |                  |       | internal                |       |
          |------------------+-------+-------------------------+-------|
          | Game/MIDI port - |  J2   | Speaker/line out -      |  J7   |
          | internal         |       | external                |       |
          |------------------+-------+-------------------------+-------|
          | CD - Audio in    |  J3   | Line in                 |  J8   |
          |------------------+-------+-------------------------+-------|
          | CD - Audio in    |  J4   | Microphone in           |  J9   |
          +------------------------------------------------------------+
       
          +------------------------------------------------------------+
          |                 USER CONFIGURABLE SETTINGS                 |
          |------------------------------------------------------------|
          |            Function            | Label |     Position      |
          |--------------------------------+-------+-------------------|
          |   | Factory configured - Do    |  JP1  |   Unidentified    |
          |   | Not Alter                  |       |                   |
          |---+----------------------------+-------+-------------------|
          | ยป | Speaker out                |  JP2  | Pins 3 & 5, 4 & 6 |
          |   |                            |       |      closed       |
          |---+----------------------------+-------+-------------------|
          |   | Line out                   |  JP2  | Pins 1 & 3, 2 & 4 |
          |   |                            |       |      closed       |
          +------------------------------------------------------------+