(TXT) View Source
       
       # RANCHO TECHNOLOGY, INC.
       
          RT9000I
       
          Card Type           Parallel card                              
          Data Bus            8-bit ISA                                  
          Card Size           Half-length, half-height card              
       
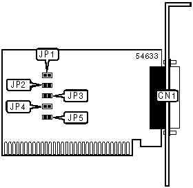
 (IMG) IMG 1
          
       
          +------------------------------------------------------------+
          |                        CONNECTIONS                         |
          |------------------------------------------------------------|
          |           Function            |           Label            |
          |-------------------------------+----------------------------|
          |         Parallel port         |            CN1             |
          +------------------------------------------------------------+
       
          +------------------------------------------------------------+
          |                 USER CONFIGURABLE SETTINGS                 |
          |------------------------------------------------------------|
          |                Function                | Label | Position  |
          |----------------------------------------+-------+-----------|
          | Selects AT mode                        |  JP5  |  Closed   |
          |----------------------------------------+-------+-----------|
          | Selects EPP mode                       |  JP5  |   Open    |
          +------------------------------------------------------------+
       
          +------------------------------------------------------------+
          |              PARALLEL PORT ADDRESS SELECTION               |
          |------------------------------------------------------------|
          |      Port      |     JP1      |     JP2      |     JP3     |
          |----------------+--------------+--------------+-------------|
          |  LPT1 (378h)   |    Closed    |     Open     |    Open     |
          |----------------+--------------+--------------+-------------|
          |  LPT2 (278h)   |     Open     |    Closed    |    Open     |
          |----------------+--------------+--------------+-------------|
          |  LPT3 (3BCh)   |     Open     |     Open     |   Closed    |
          +------------------------------------------------------------+
       
          +------------------------------------------------------------+
          |             PARALLEL PORT INTERRUPT SELECTION              |
          |------------------------------------------------------------|
          |       IRQ        |       Label        |      Position      |
          |------------------+--------------------+--------------------|
          |        5         |        JP4         |       Closed       |
          |------------------+--------------------+--------------------|
          |        7         |        JP4         |        Open        |
          +------------------------------------------------------------+