(TXT) View Source
       
       # PROCOM TECHNOLOGY
       
          PICDL HOST ADAPTER
       
          Card Type       CD-ROM interface card                          
          Chip Set        Unidentified                                   
          Maximum Onboard Unidentified                                   
          Memory          
          I/O Options     CD-ROM interface, DC power connector, audio in 
          Hard Drives     None                                           
          supported       
          Floppy drives   None                                           
          supported       
          Data Bus        8-bit ISA                                      
          Card Size       Half-length                                    
       
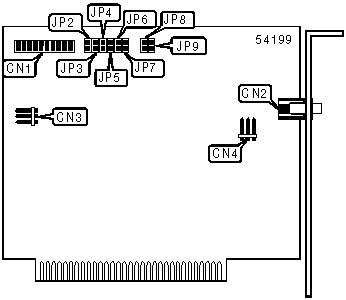
 (IMG) IMG 1
          
       
          +------------------------------------------------------------+
          |                        CONNECTIONS                         |
          |------------------------------------------------------------|
          |       Function       | Label |      Function       | Label |
          |----------------------+-------+---------------------+-------|
          | 16-pin internal      |  CN1  | DC power connector  |  CN3  |
          | drive connector      |       |                     |       |
          |----------------------+-------+---------------------+-------|
          | Audio in             |  CN2  | Internal audio      |  CN4  |
          |                      |       | connector           |       |
          +------------------------------------------------------------+
       
          +------------------------------------------------------------+
          |                 BASE I/O ADDRESS SELECTION                 |
          |------------------------------------------------------------|
          |       Setting       |        JP8        |       JP9        |
          |---------------------+-------------------+------------------|
          |   |      300h       |      Closed       |      Closed      |
          |---+-----------------+-------------------+------------------|
          |   |      310h       |       Open        |      Closed      |
          |---+-----------------+-------------------+------------------|
          |   |      330h       |      Closed       |       Open       |
          |---+-----------------+-------------------+------------------|
          | » |      340h       |       Open        |       Open       |
          +------------------------------------------------------------+
       
          +------------------------------------------------------------+
          |                  IRQ INTERRUPT SELECTION                   |
          |------------------------------------------------------------|
          |       IRQ        | JP2  | JP3  | JP4  | JP5  | JP6  | JP7  |
          |------------------+------+------+------+------+------+------|
          | |      IRQ2      |Closed| Open | Open | Open | Open | Open |
          |-+----------------+------+------+------+------+------+------|
          | |      IRQ3      | Open |Closed| Open | Open | Open | Open |
          |-+----------------+------+------+------+------+------+------|
          | |      IRQ4      | Open | Open |Closed| Open | Open | Open |
          |-+----------------+------+------+------+------+------+------|
          | |      IRQ5      | Open | Open | Open |Closed| Open | Open |
          |-+----------------+------+------+------+------+------+------|
          | |      IRQ6      | Open | Open | Open | Open |Closed| Open |
          |-+----------------+------+------+------+------+------+------|
          |»|      IRQ7      | Open | Open | Open | Open | Open |Closed|
          +------------------------------------------------------------+
       
          +------------------------------------------------------------+
          |               MISCELLANEOUS TECHNICAL NOTES                |
          |------------------------------------------------------------|
          | For use with the PROCOM TECHNOLOGY, PICDL CD-ROM drive     |
          +------------------------------------------------------------+