(TXT) View Source
       
       # PINE TECHNOLOGY
       
          PT-601/602
       
          Card Type          Multi I/O                                   
          Chipset/Controller Unidentified                                
          I/O Options        Game port, parallel port, serial ports (2)  
          Maximum DRAM       N/A                                         
       
 (IMG) IMG 1
          
       
          +------------------------------------------------------------+
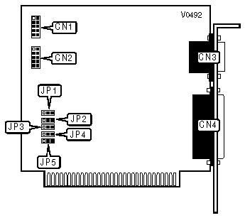
          |                        CONNECTIONS                         |
          |------------------------------------------------------------|
          |    Purpose    |   Location   |    Purpose    |  Location   |
          |---------------+--------------+---------------+-------------|
          | Serial port 1 |     CN1      | Game port     |     CN3     |
          |---------------+--------------+---------------+-------------|
          | Serial port 2 |     CN2      | Parallel port |     CN4     |
          +------------------------------------------------------------+
       
          +------------------------------------------------------------+
          |                  GAME PORT CONFIGURATION                   |
          |------------------------------------------------------------|
          |          Setting           |              JP1              |
          |----------------------------+-------------------------------|
          | » |        Enabled         |       Pins 2 & 3 closed       |
          |---+------------------------+-------------------------------|
          |   |        Disabled        |       Pins 1 & 2 closed       |
          +------------------------------------------------------------+
       
          +------------------------------------------------------------+
          |                 SERIAL PORT CONFIGURATION                  |
          |------------------------------------------------------------|
          | Port 1 (CN1) | Port 2 (CN2) |       JP2       |    JP3     |
          |--------------+--------------+-----------------+------------|
          | » |   COM1   |     COM2     |   Pins 2 & 3    | Pins 2 & 3 |
          |   |          |              |     closed      |   closed   |
          |---+----------+--------------+-----------------+------------|
          |   |   COM1   |     COM4     |   Pins 2 & 3    | Pins 1 & 2 |
          |   |          |              |     closed      |   closed   |
          |---+----------+--------------+-----------------+------------|
          |   |   COM3   |     COM2     |   Pins 1 & 2    | Pins 2 & 3 |
          |   |          |              |     closed      |   closed   |
          |---+----------+--------------+-----------------+------------|
          |   |   COM3   |     COM4     |   Pins 1 & 2    | Pins 1 & 2 |
          |   |          |              |     closed      |   closed   |
          |---+----------+--------------+-----------------+------------|
          |   | Disabled |     COM2     |      Open       | Pins 2 & 3 |
          |   |          |              |                 |   closed   |
          |---+----------+--------------+-----------------+------------|
          |   | Disabled |     COM4     |      Open       | Pins 1 & 2 |
          |   |          |              |                 |   closed   |
          |---+----------+--------------+-----------------+------------|
          |   |   COM1   |   Disabled   |   Pins 2 & 3    |    Open    |
          |   |          |              |     closed      |            |
          |---+----------+--------------+-----------------+------------|
          |   |   COM3   |   Disabled   |   Pins 1 & 2    |    Open    |
          |   |          |              |     closed      |            |
          |---+----------+--------------+-----------------+------------|
          |   | Disabled |   Disabled   |      Open       |    Open    |
          +------------------------------------------------------------+
       
          +------------------------------------------------------------+
          |               PARALLEL PORT INTERRUPT SELECT               |
          |------------------------------------------------------------|
          |            IRQ             |              JP4              |
          |----------------------------+-------------------------------|
          | » |          IRQ7          |       Pins 2 & 3 closed       |
          |---+------------------------+-------------------------------|
          |   |          IRQ5          |       Pins 1 & 2 closed       |
          |---+------------------------+-------------------------------|
          |   |        Disabled        |             Open              |
          +------------------------------------------------------------+
       
          +------------------------------------------------------------+
          |                PARALLEL PORT CONFIGURATION                 |
          |------------------------------------------------------------|
          |            LPT             |              JP5              |
          |----------------------------+-------------------------------|
          | » |           1            |       Pins 2 & 3 closed       |
          |---+------------------------+-------------------------------|
          |   |           2            |       Pins 1 & 2 closed       |
          |---+------------------------+-------------------------------|
          |   |        Disabled        |             Open              |
          +------------------------------------------------------------+