(TXT) View Source
       
       # MAGNITRONICS
       
          B232 MINI 2S1P
       
          Card Type               Multi-I/O card                         
          Chip Set                Unidentified                           
          Maximum Onboard Memory  Unidentified                           
          I/O Options             Serial ports (2 RS-232), Parallel port 
          Hard Drives supported   None                                   
          Floppy drives supported None                                   
          Data Bus                8-bit ISA                              
          Card Size               Half-length                            
       
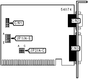
 (IMG) IMG 1
          
       
          +------------------------------------------------------------+
          |                        CONNECTIONS                         |
          |------------------------------------------------------------|
          |     Function      | Label |        Function        | Label |
          |-------------------+-------+------------------------+-------|
          | Serial port 1     |  CN1  | 25-pin parallel port   |  CN3  |
          |-------------------+-------+------------------------+-------|
          | Serial port 2     |  CN2  |                        |       |
          +------------------------------------------------------------+
       
          +------------------------------------------------------------+
          |              PARALLEL PORT ADDRESS SELECTION               |
          |------------------------------------------------------------|
          |          Setting           |             JP1/E             |
          |----------------------------+-------------------------------|
          |        LPT2 (378h)         |       Pins 2 & 3 closed       |
          |----------------------------+-------------------------------|
          |        LPT3 (278h)         |       Pins 1 & 2 closed       |
          |----------------------------+-------------------------------|
          |          Disabled          |             Open              |
          +------------------------------------------------------------+
       
          +------------------------------------------------------------+
          |              SERIAL PORT 1 ADDRESS SELECTION               |
          |------------------------------------------------------------|
          |   Setting   |   JP1/A   |   JP1/B   |   JP!/C   |  JP1/D   |
          |-------------+-----------+-----------+-----------+----------|
          | COM1 (3F8h) | Pins 1 &  |   Open    |   Open    |   Open   |
          |             | 2 closed  |           |           |          |
          |-------------+-----------+-----------+-----------+----------|
          | COM2 (2F8h) |   Open    | Pins 1 &  |   Open    |   Open   |
          |             |           | 2 closed  |           |          |
          |-------------+-----------+-----------+-----------+----------|
          | COM3 (3E8h) |   Open    |   Open    | Pins 1 &  |   Open   |
          |             |           |           | 2 closed  |          |
          |-------------+-----------+-----------+-----------+----------|
          | COM4 (2E8h) |   Open    |   Open    |   Open    | Pins 1 & |
          |             |           |           |           | 2 closed |
          |-------------+-----------+-----------+-----------+----------|
          |  Disabled   |   Open    |   Open    |   Open    |   Open   |
          +------------------------------------------------------------+
       
          +------------------------------------------------------------+
          |              SERIAL PORT 2 ADDRESS SELECTION               |
          |------------------------------------------------------------|
          |   Setting   |   JP1/A   |   JP1/B   |   JP!/C   |  JP1/D   |
          |-------------+-----------+-----------+-----------+----------|
          | COM1 (3F8h) | Pins 2 &  |   Open    |   Open    |   Open   |
          |             | 3 closed  |           |           |          |
          |-------------+-----------+-----------+-----------+----------|
          | COM2 (2F8h) |   Open    | Pins 2 &  |   Open    |   Open   |
          |             |           | 3 closed  |           |          |
          |-------------+-----------+-----------+-----------+----------|
          | COM3 (3E8h) |   Open    |   Open    | Pins 2 &  |   Open   |
          |             |           |           | 3 closed  |          |
          |-------------+-----------+-----------+-----------+----------|
          | COM4 (2E8h) |   Open    |   Open    |   Open    | Pins 2 & |
          |             |           |           |           | 3 closed |
          |-------------+-----------+-----------+-----------+----------|
          |  Disabled   |   Open    |   Open    |   Open    |   Open   |
          +------------------------------------------------------------+
       
          +------------------------------------------------------------+
          |             SERIAL PORT 1 INTERRUPT SELECTION              |
          |------------------------------------------------------------|
          |            IRQ             |             JP2/A             |
          |----------------------------+-------------------------------|
          |            IRQ4            |       Pins 2 & 3 closed       |
          |----------------------------+-------------------------------|
          |            IRQ3            |       Pins 1 & 2 closed       |
          +------------------------------------------------------------+
       
          +------------------------------------------------------------+
          |             SERIAL PORT 2 INTERRUPT SELECTION              |
          |------------------------------------------------------------|
          |            IRQ             |             JP2/B             |
          |----------------------------+-------------------------------|
          |            IRQ3            |       Pins 1 & 2 closed       |
          |----------------------------+-------------------------------|
          |            IRQ4            |       Pins 2 & 3 closed       |
          +------------------------------------------------------------+
       
          +------------------------------------------------------------+
          |             PARALLEL PORT INTERRUPT SELECTION              |
          |------------------------------------------------------------|
          |            IRQ             |             JP2/C             |
          |----------------------------+-------------------------------|
          |            IRQ7            |       Pins 1 & 2 closed       |
          |----------------------------+-------------------------------|
          |            IRQ5            |       Pins 2 & 3 closed       |
          +------------------------------------------------------------+