(TXT) View Source
       
       # LONGSHINE MICROSYSTEM, INC.
       
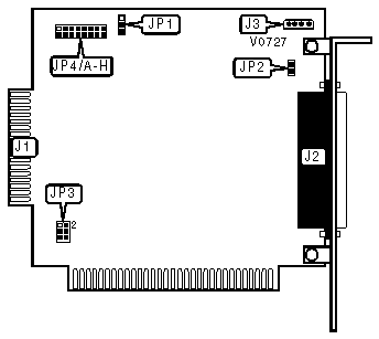
          LCS-6812F
       
          Card Type          Floppy drive controller                     
          Chipset Controller Unidentified                                
          I/O Options        Floppy drive interface (2)                  
          Maximum Dram       N/A                                         
       
 (IMG) IMG 1
          
       
          +------------------------------------------------------------+
          |                        CONNECTIONS                         |
          |------------------------------------------------------------|
          |            Purpose            |          Location          |
          |-------------------------------+----------------------------|
          | Internal floppy interface     |             J1             |
          |-------------------------------+----------------------------|
          | External floppy interface     |             J2             |
          |-------------------------------+----------------------------|
          | DC power                      |             J3             |
          +------------------------------------------------------------+
       
          +------------------------------------------------------------+
          |                     I/O ADDRESS SELECT                     |
          |------------------------------------------------------------|
          |            Address            |            JP1             |
          |-------------------------------+----------------------------|
          |      Primary (3F0h-3F7h)      |     Pins 1 & 2 closed      |
          |-------------------------------+----------------------------|
          |     Secondary (370h-377h)     |     Pins 2 & 3 closed      |
          +------------------------------------------------------------+
       
          +------------------------------------------------------------+
          |                    SYSTEM GROUND SELECT                    |
          |------------------------------------------------------------|
          |          Case Ground          |            JP2             |
          |-------------------------------+----------------------------|
          |           Connected           |           Closed           |
          |-------------------------------+----------------------------|
          |         Not connected         |            Open            |
          +------------------------------------------------------------+
       
          +------------------------------------------------------------+
          |                     ROM ADDRESS SELECT                     |
          |------------------------------------------------------------|
          |          Address           |              JP3              |
          |----------------------------+-------------------------------|
          |       CA000h-CBFFFh        |       Pins 1 & 2 closed       |
          |----------------------------+-------------------------------|
          |       CC000h-CDFFFh        |       Pins 3 & 4 closed       |
          |----------------------------+-------------------------------|
          |       CE000h-CFFFFh        |       Pins 5 & 6 closed       |
          +------------------------------------------------------------+
       
          +--------------------------------------------------------------+
          |                      FLOPPY TYPE SELECT                      |
          |--------------------------------------------------------------|
          |Drive |Drive |Drive |Drive |Drive |                           |
          |      |  A   |  B   |  3   |  4   |                           |
          |------+------+------+------+------+---------------------------|
          | Type |JP4/A |JP4/B |JP4/C |JP4/D |JP4/E |JP4/F |JP4/G |JP4/H |
          |------+------+------+------+------+------+------+------+------|
          |360KB |Closed|Closed|Closed|Closed|Closed|Closed|Closed|Closed|
          |------+------+------+------+------+------+------+------+------|
          |1.2MB |Closed| Open |Closed| Open |Closed| Open |Closed| Open |
          |------+------+------+------+------+------+------+------+------|
          |720KB | Open |Closed| Open |Closed| Open |Closed| Open |Closed|
          |------+------+------+------+------+------+------+------+------|
          |1.44MB| Open | Open | Open | Open | Open | Open | Open | Open |
          +--------------------------------------------------------------+