(TXT) View Source
       
       # DELL COMPUTER CORPORATION
       
          WINDOWS SOUND SYSTEM BOARD
       
          Card Type   Sound card                                         
          Chip Set    Unidentified                                       
          I/O Options Speaker/Line out, Line out (2), Line in,           
                      Microphone jack                                    
          Data Bus    8/16-bit ISA                                       
          Card Size   Half-length, full-height card                      
       
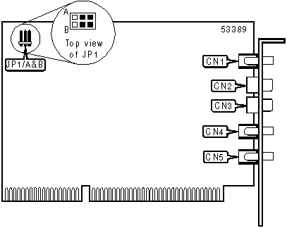
 (IMG) IMG 1
          
       
          +------------------------------------------------------------+
          |                        CONNECTIONS                         |
          |------------------------------------------------------------|
          |       Function       | Label |      Function       | Label |
          |----------------------+-------+---------------------+-------|
          | Speaker/Line out     |  CN1  | Line in             |  CN4  |
          |----------------------+-------+---------------------+-------|
          | Line out             |  CN2  | Microphone jack     |  CN5  |
          |----------------------+-------+---------------------+-------|
          | Line out             |  CN3  |                     |       |
          +------------------------------------------------------------+
       
          +------------------------------------------------------------+
          |                      BASE I/O SELECT                       |
          |------------------------------------------------------------|
          |      Address       |       JP1/A       |       JP1/B       |
          |--------------------+-------------------+-------------------|
          | ยป | 530h           | Pins 1 & 2 closed | Pins 1 & 2 closed |
          |---+----------------+-------------------+-------------------|
          |   | 604h           | Pins 2 & 3 closed | Pins 2 & 3 closed |
          |---+----------------+-------------------+-------------------|
          |   | E80h           | Pins 2 & 3 closed | Pins 1 & 2 closed |
          |---+----------------+-------------------+-------------------|
          |   | F40h           | Pins 1 & 2 closed | Pins 2 & 3 closed |
          +------------------------------------------------------------+