(TXT) View Source
       
       # AMERICAN DATA AQUISITION CORPORATION
       
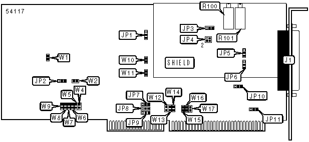
          5500HR
       
          Card Type               Data Aquisition                        
          Chip Set                Unidentified                           
          Maximum Onboard Memory  Unidentified                           
          I/O Options             Analog input, digital input            
          Hard Drives supported   None                                   
          Floppy drives supported None                                   
          Data Bus                16-bit ISA                             
          Card Size               Three-quarter length                   
       
 (IMG) IMG 1
          
       
          +------------------------------------------------------------+
          |                        CONNECTIONS                         |
          |------------------------------------------------------------|
          |           Function            | Label |  Function  | Label |
          |-------------------------------+-------+------------+-------|
          | 37-pin analog/digital signals |  J1   | A/D offset | R101  |
          | connector                     |       | selector   |       |
          |-------------------------------+-------+------------+-------|
          | A/D converter range selector  | R100  |            |       |
          +------------------------------------------------------------+
       
          +------------------------------------------------------------+
          |                   DMA CHANNEL SELECTION                    |
          |------------------------------------------------------------|
          |  Channel   |  W12  |  W13  |  W14  |  W15  |  W16  |  W17  |
          |------------+-------+-------+-------+-------+-------+-------|
          |»| Disabled | Open  | Open  | Open  | Open  | Open  | Open  |
          |-+----------+-------+-------+-------+-------+-------+-------|
          | |    1     | Open  | Open  |Closed | Open  | Open  |Closed |
          |-+----------+-------+-------+-------+-------+-------+-------|
          | |    2     | Open  |Closed | Open  | Open  |Closed | Open  |
          |-+----------+-------+-------+-------+-------+-------+-------|
          | |    3     |Closed | Open  | Open  |Closed | Open  | Open  |
          +------------------------------------------------------------+
       
          +------------------------------------------------------------+
          |                 ANALOG INPUT CONFIGURATION                 |
          |------------------------------------------------------------|
          |        Setting         |   W1   |   W3   |  JP5   |  JP6   |
          |------------------------+--------+--------+--------+--------|
          | » |       Pseudo       |  Open  |  Open  | Pins 2 | Pins 2 |
          |   | differential (PD)  |        |        |  & 3   |  & 3   |
          |---+--------------------+--------+--------+--------+--------|
          |   | Single ended (SE)  |  Open  | Closed | Pins 1 | Pins 2 |
          |   |                    |        |        |  & 2   |  & 3   |
          |---+--------------------+--------+--------+--------+--------|
          |   | Fully differential | Closed | Closed |  Open  | Pins 1 |
          |   |        (DI)        |        |        |        |  & 2   |
          |------------------------------------------------------------|
          | Note: Pins designated are in the closed position.          |
          +------------------------------------------------------------+
       
          +------------------------------------------------------------+
          |                A/D TRIGGER SOURCE SELECTION                |
          |------------------------------------------------------------|
          |              Mode              |      JP2      |    W2     |
          |--------------------------------+---------------+-----------|
          | »    |  H/W trigger source =   |  Pins 2 & 3   |   Open    |
          |      |        Counter 0        |    closed     |           |
          |------+-------------------------+---------------+-----------|
          |      |    External trigger     |  Pins 1 & 2   |   Open    |
          |      |                         |    closed     |           |
          |------+-------------------------+---------------+-----------|
          |      |  Scan mode triggering   |  Pins 2 & 3   |  Closed   |
          |      |                         |    closed     |           |
          |------------------------------------------------------------|
          | Note: Scan mode triggering initiates triggers from counter |
          | 0 on receipt of external trigger.                          |
          +------------------------------------------------------------+
       
          +------------------------------------------------------------+
          |                  COUNTER SOURCE SETTINGS                   |
          |------------------------------------------------------------|
          |       Counter       |     Setting     | Label |  Position  |
          |---------------------+-----------------+-------+------------|
          | » | Counter 1 clock | External (clock | JP10  | Pins 2 & 3 |
          |   |     source      |       1)        |       |   closed   |
          |---+-----------------+-----------------+-------+------------|
          |   | Counter 1 clock |    1.00 MHz     | JP10  | Pins 1 & 2 |
          |   |     source      |   oscillator    |       |   closed   |
          |---+-----------------+-----------------+-------+------------|
          | » | Counter 2 clock | External (clock | JP11  | Pins 2 & 3 |
          |   |     source      |       2)        |       |   closed   |
          |---+-----------------+-----------------+-------+------------|
          |   | Counter 2 clock |    1.00 MHz     | JP11  | Pins 1 & 2 |
          |   |     source      |   oscillator    |       |   closed   |
          +------------------------------------------------------------+
       
          +------------------------------------------------------------+
          |               DIGITAL I/O PORT CONFIGURATION               |
          |------------------------------------------------------------|
          |             Function              |  Label   |  Position   |
          |-----------------------------------+----------+-------------|
          | » | Port 1 (DIO4-DIO7) output     |   W10    |    Open     |
          |---+-------------------------------+----------+-------------|
          |   | Port 1 (DIO4-DIO7) input      |   W10    |   Closed    |
          |---+-------------------------------+----------+-------------|
          | » | Port 0 (DIO0-DIO3) input      |   W11    |   Closed    |
          |---+-------------------------------+----------+-------------|
          |   | Port 0 (DIO0-DIO3) output     |   W11    |    Open     |
          +------------------------------------------------------------+
       
          +------------------------------------------------------------+
          |                    A/D RANGE SELECTION                     |
          |------------------------------------------------------------|
          |   Polarity   | Voltage |   JP1    |   JP3    |     JP4     |
          |--------------+---------+----------+----------+-------------|
          | » | Bipolar  |  + 10V  | Pins 2 & | Pins 1 & | Pins 2 & 4  |
          |   |          |         |    3     |    2     |             |
          |---+----------+---------+----------+----------+-------------|
          |   | Unipolar | +0-10V  | Pins 1 & | Pins 2 & | Pins 3 & 4  |
          |   |          |         |    2     |    3     |             |
          |---+----------+---------+----------+----------+-------------|
          |   | Bipolar  |  + 5V   | Pins 2 & | Pins 1 & | Pins 3 & 4  |
          |   |          |         |    3     |    2     |             |
          |---+----------+---------+----------+----------+-------------|
          |   | Unipolar |  0-5V   | Pins 1 & | Pins 2 & | Pins 1 & 2, |
          |   |          |         |    2     |    3     |    3 & 4    |
          |---+----------+---------+----------+----------+-------------|
          |   | Bipolar  | + 2.5V  | Pins 2 & | Pins 1 & | Pins 1 & 2, |
          |   |          |         |    3     |    3     |    3 & 4    |
          |------------------------------------------------------------|
          | Note: Pins designated are in the closed position.          |
          +------------------------------------------------------------+
       
          +------------------------------------------------------------+
          |                 BASE I/O ADDRESS SELECTION                 |
          |------------------------------------------------------------|
          |  Setting  |   W9   |  W8   |  W7   |  W6   |  W5   |  W4   |
          |-----------+--------+-------+-------+-------+-------+-------|
          |    | 000h |  Open  | Open  | Open  | Open  | Open  | Open  |
          |----+------+--------+-------+-------+-------+-------+-------|
          |    | 010h |  Open  | Open  | Open  | Open  | Open  |Closed |
          |----+------+--------+-------+-------+-------+-------+-------|
          |    | 020h |  Open  | Open  | Open  | Open  |Closed | Open  |
          |----+------+--------+-------+-------+-------+-------+-------|
          |    | 030h |  Open  | Open  | Open  | Open  |Closed |Closed |
          |----+------+--------+-------+-------+-------+-------+-------|
          |    | 040h |  Open  | Open  | Open  |Closed | Open  | Open  |
          |----+------+--------+-------+-------+-------+-------+-------|
          |»   | 110h |  Open  |Closed | Open  | Open  | Open  |Closed |
          |----+------+--------+-------+-------+-------+-------+-------|
          |    | 3B0h | Closed |Closed |Closed | Open  |Closed |Closed |
          |----+------+--------+-------+-------+-------+-------+-------|
          |    | 3C0h | Closed |Closed |Closed |Closed | Open  | Open  |
          |----+------+--------+-------+-------+-------+-------+-------|
          |    | 3D0h | Closed |Closed |Closed |Closed | Open  |Closed |
          |----+------+--------+-------+-------+-------+-------+-------|
          |    | 3E0h | Closed |Closed |Closed |Closed |Closed | Open  |
          |----+------+--------+-------+-------+-------+-------+-------|
          |    | 3F0h | Closed |Closed |Closed |Closed |Closed |Closed |
          |------------------------------------------------------------|
          |                           Note:                            |
          |                                                            |
          |A total of 256 base address settings are available. The     |
          |jumpers are a binary representation of the decimal memory   |
          |addresses. W9 is the Most Significant Bit and switch W4 is  |
          |the Least Significant Bit. The switches have the following  |
          |decimal values: W9=512, W8=256, W7=128, W6=64, W5=32, W4=16.|
          |Turn off the switches and add the values of the switches to |
          |obtain the correct memory address. (Close=1, Open=0)        |
          +------------------------------------------------------------+
       
          +------------------------------------------------------------+
          |                  IRQ INTERRUPT SELECTION                   |
          |------------------------------------------------------------|
          |     IRQ      |        JP7        |    JP8     |    JP9     |
          |--------------+-------------------+------------+------------|
          |   |   IRQ2   |       Open        |    Open    | Pins 1 & 2 |
          |   |          |                   |            |   closed   |
          |---+----------+-------------------+------------+------------|
          |   |   IRQ3   |       Open        | Pins 1 & 2 |    Open    |
          |   |          |                   |   closed   |            |
          |---+----------+-------------------+------------+------------|
          |   |   IRQ4   | Pins 1 & 2 closed |    Open    |    Open    |
          |---+----------+-------------------+------------+------------|
          |   |   IRQ5   |       Open        |    Open    | Pins 2 & 3 |
          |   |          |                   |            |   closed   |
          |---+----------+-------------------+------------+------------|
          |   |   IRQ6   |       Open        | Pins 2 & 3 |    Open    |
          |   |          |                   |   closed   |            |
          |---+----------+-------------------+------------+------------|
          |   |   IRQ7   | Pins 2 & 3 closed |    Open    |    Open    |
          |---+----------+-------------------+------------+------------|
          | » | Disabled |       Open        |    Open    |    Open    |
          +------------------------------------------------------------+