(TXT) View Source
       
       # SONY CORPORATION
       
          CDU-31A ADAPTER BOARD
       
          Card Type               CD-ROM drive controller card           
          Chipset                 Unidentified                           
          Maximum onboard memory  Unidentified                           
          I/O options             CD-ROM audio in, line out              
          Hard Drives supported   None                                   
          Floppy drives supported None                                   
          Data Bus                8-bit ISA                              
          Card Size               Half-length, full-height card          
       
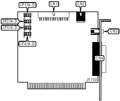
 (IMG) IMG 1
          
       
          +------------------------------------------------------------+
          |                        CONNECTIONS                         |
          |------------------------------------------------------------|
          |     Function      | Location |     Function     | Location |
          |-------------------+----------+------------------+----------|
          | 34-pin            |   CN1    | Line out         |   CN3    |
          | proprietary       |          |                  |          |
          | CD-ROM interface  |          |                  |          |
          | - internal        |          |                  |          |
          |-------------------+----------+------------------+----------|
          | Audio in - CD-ROM |   CN2    | 50-pin           |   CN4    |
          |                   |          | proprietary      |          |
          |                   |          | CD-ROM connector |          |
          |                   |          | - external       |          |
          +------------------------------------------------------------+
       
          +------------------------------------------------------------+
          |                 USER CONFIGURABLE SETTINGS                 |
          |------------------------------------------------------------|
          |                Function                | Label | Position  |
          |----------------------------------------+-------+-----------|
          | » | Factory configured - do not alter  | JP1/C | Reserved  |
          |---+------------------------------------+-------+-----------|
          | » | Factory configured - do not alter  | JP1/D | Reserved  |
          |---+------------------------------------+-------+-----------|
          | » | Factory configured - do not alter  | JP2/D | Reserved  |
          |---+------------------------------------+-------+-----------|
          | » | Factory configured - do not alter  | JP3/D | Reserved  |
          +------------------------------------------------------------+
       
          +------------------------------------------------------------+
          |                   DMA CHANNEL SELECTION                    |
          |------------------------------------------------------------|
          | Channel | JP2/A  | JP2/B  | JP2/C  | JP3/A | JP3/B | JP3/C |
          |---------+--------+--------+--------+-------+-------+-------|
          |    1    |   On   |  Off   |  Off   |  On   |  Off  |  Off  |
          |---------+--------+--------+--------+-------+-------+-------|
          |    2    |  Off   |   On   |  Off   |  Off  |  On   |  Off  |
          |---------+--------+--------+--------+-------+-------+-------|
          |    3    |  Off   |  Off   |   On   |  Off  |  Off  |  On   |
          +------------------------------------------------------------+
       
          +------------------------------------------------------------+
          |                    INTERRUPT SELECTION                     |
          |------------------------------------------------------------|
          |    IRQ     |   JP4/A   |   JP4/B   |   JP4/C   |   JP4/D   |
          |------------+-----------+-----------+-----------+-----------|
          |     3      |    Off    |    Off    |    On     |    Off    |
          |------------+-----------+-----------+-----------+-----------|
          |     4      |    Off    |    On     |    Off    |    On     |
          |------------+-----------+-----------+-----------+-----------|
          |     5      |    On     |    Off    |    Off    |    Off    |
          |------------+-----------+-----------+-----------+-----------|
          |     6      |    Off    |    On     |    Off    |    Off    |
          +------------------------------------------------------------+
       
          +------------------------------------------------------------+
          |                 BASE I/O ADDRESS SELECTION                 |
          |------------------------------------------------------------|
          |      Address       |       JP1/A       |       JP1/B       |
          |--------------------+-------------------+-------------------|
          |        320h        |      Closed       |      Closed       |
          |--------------------+-------------------+-------------------|
          |        330h        |      Closed       |       Open        |
          |--------------------+-------------------+-------------------|
          |        340h        |       Open        |      Closed       |
          |--------------------+-------------------+-------------------|
          |        360h        |       Open        |       Open        |
          +------------------------------------------------------------+