(TXT) View Source
       
       # TANDY/RADIO SHACK
       
          250-4161/250-4161A
       
          Card type               Hard drive controller                  
          Hard Drives supported   Up to 7 SCSI devices                   
          Floppy drives supported None                                   
          Data Bus                16-bit ISA                             
          Card Size               Half-length, full-height card          
       
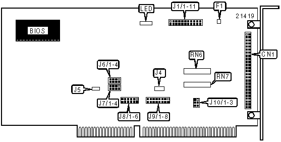
 (IMG) IMG 1
          
       
          +------------------------------------------------------------+
          |                        CONNECTIONS                         |
          |------------------------------------------------------------|
          |     Function      | Location |     Function     | Location |
          |-------------------+----------+------------------+----------|
          | 50-pin SCSI       |   CN1    | Drive active LED |   LED    |
          | connector -       |          |                  |          |
          | internal          |          |                  |          |
          +------------------------------------------------------------+
       
          +------------------------------------------------------------+
          |                 USER CONFIGURABLE SETTINGS                 |
          |------------------------------------------------------------|
          |                Function                 | Label | Position |
          |-----------------------------------------+-------+----------|
          | » | TERMPWR supplied from host adapter  |  F1   |  Closed  |
          |   | to SCSI interface                   |       |          |
          |---+-------------------------------------+-------+----------|
          |   | TERMPWR not supplied to SCSI        |  F1   |   Open   |
          |   | interface                           |       |          |
          |---+-------------------------------------+-------+----------|
          | » | Synchronous Negotiation disabled    | J1/1  |   Open   |
          |---+-------------------------------------+-------+----------|
          |   | Synchronous Negotiation enabled     | J1/1  |  Closed  |
          |---+-------------------------------------+-------+----------|
          | » | Factory configured - do not alter   | J1/2  |   Open   |
          |---+-------------------------------------+-------+----------|
          | » | SCSI parity check enabled           | J1/3  |   Open   |
          |---+-------------------------------------+-------+----------|
          |   | SCSI parity check disabled          | J1/3  |  Closed  |
          |---+-------------------------------------+-------+----------|
          | » | Zero wait states enabled            |  J4   |   Open   |
          |---+-------------------------------------+-------+----------|
          |   | One wait state enabled              |  J4   |  Closed  |
          |---+-------------------------------------+-------+----------|
          | » | System computer is Tandy 4000       |  J5   |   Open   |
          |---+-------------------------------------+-------+----------|
          |   | System computer is Tandy 3000       |  J5   |  Closed  |
          +------------------------------------------------------------+
       
          +------------------------------------------------------------+
          |                   DMA CHANNEL SELECTION                    |
          |------------------------------------------------------------|
          | Channel  |  J1/7   |  J1/8   |  J6/1   |  J6/2   |  J6/3   |
          |----------+---------+---------+---------+---------+---------|
          |    |  0  | Closed  | Closed  | Closed  |  Open   |  Open   |
          |----+-----+---------+---------+---------+---------+---------|
          | »  |  5  |  Open   | Closed  |  Open   | Closed  |  Open   |
          |----+-----+---------+---------+---------+---------+---------|
          |    |  6  | Closed  |  Open   |  Open   |  Open   | Closed  |
          |----+-----+---------+---------+---------+---------+---------|
          |    |  7  |  Open   |  Open   |  Open   |  Open   |  Open   |
          +------------------------------------------------------------+
       
          +------------------------------------------------------------+
          |             DMA CHANNEL SELECTION (CONTINUED)              |
          |------------------------------------------------------------|
          | Channel  |  J6/4   |  J7/1   |  J7/2   |  J7/3   |  J7/4   |
          |----------+---------+---------+---------+---------+---------|
          |    |  0  |  Open   | Closed  |  Open   |  Open   |  Open   |
          |----+-----+---------+---------+---------+---------+---------|
          | »  |  5  |  Open   |  Open   | Closed  |  Open   |  Open   |
          |----+-----+---------+---------+---------+---------+---------|
          |    |  6  |  Open   |  Open   |  Open   | Closed  |  Open   |
          |----+-----+---------+---------+---------+---------+---------|
          |    |  7  | Closed  |  Open   |  Open   |  Open   | Closed  |
          +------------------------------------------------------------+
       
          +------------------------------------------------------------+
          |                    INTERRUPT SELECTION                     |
          |------------------------------------------------------------|
          | Setting  |  J1/9   |  J1/10  |  J1/11  |  J8/1   |  J8/2   |
          |----------+---------+---------+---------+---------+---------|
          |    |  9  |  Open   |  Open   |  Open   | Closed  |  Open   |
          |----+-----+---------+---------+---------+---------+---------|
          |    | 10  | Closed  |  Open   |  Open   |  Open   | Closed  |
          |----+-----+---------+---------+---------+---------+---------|
          | »  | 11  |  Open   | Closed  |  Open   |  Open   |  Open   |
          |----+-----+---------+---------+---------+---------+---------|
          |    | 13  | Closed  | Closed  |  Open   |  Open   |  Open   |
          |----+-----+---------+---------+---------+---------+---------|
          |    | 14  |  Open   |  Open   | Closed  |  Open   |  Open   |
          |----+-----+---------+---------+---------+---------+---------|
          |    | 15  | Closed  |  Open   | Closed  |  Open   |  Open   |
          +------------------------------------------------------------+
       
          +------------------------------------------------------------+
          |              INTERRUPT SELECTION (CONTINUED)               |
          |------------------------------------------------------------|
          |  Setting   |   J8/3    |   J8/4    |   J8/5    |   J8/6    |
          |------------+-----------+-----------+-----------+-----------|
          |    |   9   |   Open    |   Open    |   Open    |   Open    |
          |----+-------+-----------+-----------+-----------+-----------|
          |    |  10   |   Open    |   Open    |   Open    |   Open    |
          |----+-------+-----------+-----------+-----------+-----------|
          | »  |  11   |  Closed   |   Open    |   Open    |   Open    |
          |----+-------+-----------+-----------+-----------+-----------|
          |    |  13   |   Open    |  Closed   |   Open    |   Open    |
          |----+-------+-----------+-----------+-----------+-----------|
          |    |  14   |   Open    |   Open    |  Closed   |   Open    |
          |----+-------+-----------+-----------+-----------+-----------|
          |    |  15   |   Open    |   Open    |   Open    |  Closed   |
          +------------------------------------------------------------+
       
          +------------------------------------------------------------+
          |                   BIOS ADDRESS SELECTION                   |
          |------------------------------------------------------------|
          |     Address      |    J10/1    |    J10/2    |    J10/3    |
          |------------------+-------------+-------------+-------------|
          |   |    C0000h    |   Closed    |   Closed    |   Closed    |
          |---+--------------+-------------+-------------+-------------|
          |   |    C4000h    |   Closed    |   Closed    |    Open     |
          |---+--------------+-------------+-------------+-------------|
          |   |    C8000h    |   Closed    |    Open     |   Closed    |
          |---+--------------+-------------+-------------+-------------|
          |   |    CC000h    |   Closed    |    Open     |    Open     |
          |---+--------------+-------------+-------------+-------------|
          |   |    D0000h    |    Open     |   Closed    |   Closed    |
          |---+--------------+-------------+-------------+-------------|
          |   |    D4000h    |    Open     |   Closed    |    Open     |
          |---+--------------+-------------+-------------+-------------|
          |   |    D8000h    |    Open     |    Open     |   Closed    |
          |---+--------------+-------------+-------------+-------------|
          | » |    DC000h    |    Open     |    Open     |    Open     |
          +------------------------------------------------------------+
       
          +---------------------------------------------------------------+
          |                  BASE I/O ADDRESS SELECTION                   |
          |---------------------------------------------------------------|
          |Setting| J9/1 | J9/2 | J9/3 | J9/4 | J9/5 | J9/6 | J9/7 | J9/8 |
          |-------+------+------+------+------+------+------+------+------|
          |  |004h|Closed| Open | Open | Open | Open | Open | Open | Open |
          |--+----+------+------+------+------+------+------+------+------|
          |  |008h| Open |Closed| Open | Open | Open | Open | Open | Open |
          |--+----+------+------+------+------+------+------+------+------|
          |  |00Ch|Closed|Closed| Open | Open | Open | Open | Open | Open |
          |--+----+------+------+------+------+------+------+------+------|
          |  |010h| Open | Open |Closed| Open | Open | Open | Open | Open |
          |--+----+------+------+------+------+------+------+------+------|
          |  |014h|Closed| Open |Closed| Open | Open | Open | Open | Open |
          |--+----+------+------+------+------+------+------+------+------|
          |» |330h| Open | Open |Closed|Closed| Open | Open |Closed|Closed|
          |--+----+------+------+------+------+------+------+------+------|
          |  |3F0h| Open | Open |Closed|Closed|Closed|Closed|Closed|Closed|
          |--+----+------+------+------+------+------+------+------+------|
          |  |3F4h|Closed| Open | Open | Open | Open | Open |Closed|Closed|
          |--+----+------+------+------+------+------+------+------+------|
          |  |3F8h| Open | Open | Open | Open | Open | Open |Closed|Closed|
          |--+----+------+------+------+------+------+------+------+------|
          |  |3FCh| Open |Closed|Closed|Closed|Closed|Closed|Closed|Closed|
          |--+----+------+------+------+------+------+------+------+------|
          |  |3FFh|Closed|Closed|Closed|Closed|Closed|Closed|Closed|Closed|
          |---------------------------------------------------------------|
          |                             Note:                             |
          |                                                               |
          |The switches are a binary representation of the decimal memory |
          |addresses. SW1/8 is the Most Significant Bit and switch SW1/1  |
          |is the Least Significant Bit. The switches have the following  |
          |decimal values: SW1/8=512, SW1/7=256, SW1/6=128, SW1/5=64,     |
          |SW1/4=32, SW1/3=16, SW1/2=8, SW1/1=4. Add the values of the    |
          |closed jumpers to obtain the correct memory address. (Closed=1,|
          |Open=0)                                                        |
          +---------------------------------------------------------------+
       
          +------------------------------------------------------------+
          |                        ID SELECTION                        |
          |------------------------------------------------------------|
          |    SCSI ID    |     J1/4     |     J1/5     |     J1/6     |
          |---------------+--------------+--------------+--------------|
          |    |    0     |    Closed    |    Closed    |    Closed    |
          |----+----------+--------------+--------------+--------------|
          | »  |    1     |     Open     |    Closed    |    Closed    |
          |----+----------+--------------+--------------+--------------|
          |    |    2     |    Closed    |     Open     |    Closed    |
          |----+----------+--------------+--------------+--------------|
          |    |    3     |     Open     |     Open     |    Closed    |
          |----+----------+--------------+--------------+--------------|
          |    |    4     |    Closed    |    Closed    |     Open     |
          |----+----------+--------------+--------------+--------------|
          |    |    5     |     Open     |    Closed    |     Open     |
          |----+----------+--------------+--------------+--------------|
          |    |    6     |    Closed    |     Open     |     Open     |
          |----+----------+--------------+--------------+--------------|
          |    |    7     |     Open     |     Open     |     Open     |
          +------------------------------------------------------------+
       
          +------------------------------------------------------------+
          |                   TERMINATION SELECTION                    |
          |------------------------------------------------------------|
          |          Setting           |      RN6      |      RN7      |
          |----------------------------+---------------+---------------|
          | »     |    Termination     |   Installed   |   Installed   |
          |       |      enabled       |               |               |
          |-------+--------------------+---------------+---------------|
          |       |    Termination     |    Removed    |    Removed    |
          |       |      disabled      |               |               |
          |------------------------------------------------------------|
          |      Note: Terminators should be removed if inline         |
          |      terminators are used or the host adapter is not at    |
          |      the end of the SCSI bus.                              |
          +------------------------------------------------------------+