(TXT) View Source
       
       # PINE TECHNOLOGY
       
          PT-606E
       
          Card Type       Controller card                                
          Maximum Onboard Unidentified                                   
          Memory          
          Hard Drives     Two IDE (AT) drives                            
          supported       
          Floppy drives   Two 360KB, 720KB, 1.2MB, or 1.44MB drives      
          supported       
          I/O Options     Floppy drive interface, game port, IDE         
                          interface (2), parallel port, serial ports (2) 
          Data Bus        16-bit ISA                                     
          Card Size       Half-length, full-height                       
       
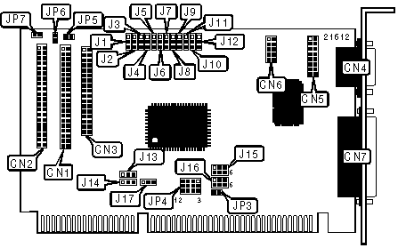
 (IMG) IMG 1
          
       
          +------------------------------------------------------------+
          |                        CONNECTIONS                         |
          |------------------------------------------------------------|
          |      Function       | Label |       Function       | Label |
          |---------------------+-------+----------------------+-------|
          | 40-pin secondary    |  CN1  | 10-pin serial port 2 |  CN6  |
          | IDE(AT) connector   |       | - internal           |       |
          |---------------------+-------+----------------------+-------|
          | 40-pin primary      |  CN2  | 25-pin parallel port |  CN7  |
          | IDE(AT) connector   |       | - external           |       |
          |---------------------+-------+----------------------+-------|
          | 34-pin cable        |  CN3  | 2-pin connector -    |  JP6  |
          | connector - floppy  |       | primary IDE drive    |       |
          | drive               |       | active LED           |       |
          |---------------------+-------+----------------------+-------|
          | 9-pin serial port 1 |  CN4  | 2-pin connector -    |  JP7  |
          | - external          |       | secondary IDE drive  |       |
          |                     |       | active LED           |       |
          |---------------------+-------+----------------------+-------|
          | 16-pin game port -  |  CN5  |                      |       |
          | internal            |       |                      |       |
          +------------------------------------------------------------+
       
          +------------------------------------------------------------+
          |                 USER CONFIGURABLE SETTINGS                 |
          |------------------------------------------------------------|
          |              Function               | Label |   Position   |
          |-------------------------------------+-------+--------------|
          | » | Game port enabled               |  J1   |  Pins 1 & 2  |
          |   |                                 |       |    closed    |
          |---+---------------------------------+-------+--------------|
          |   | Game port disabled              |  J1   |  Pins 2 & 3  |
          |   |                                 |       |    closed    |
          |---+---------------------------------+-------+--------------|
          | » | Floppy drive interface enabled  |  J3   |  Pins 1 & 2  |
          |   |                                 |       |    closed    |
          |---+---------------------------------+-------+--------------|
          |   | Floppy drive interface disabled |  J3   |  Pins 2 & 3  |
          |   |                                 |       |    closed    |
          |---+---------------------------------+-------+--------------|
          | » | Primary IDE enabled             |  J5   |  Pins 1 & 2  |
          |   |                                 |       |    closed    |
          |---+---------------------------------+-------+--------------|
          |   | Primary IDE disabled            |  J5   |  Pins 2 & 3  |
          |   |                                 |       |    closed    |
          |---+---------------------------------+-------+--------------|
          | » | Secondary IDE enabled           |  J6   |  Pins 1 & 2  |
          |   |                                 |       |    closed    |
          |---+---------------------------------+-------+--------------|
          |   | Secondary IDE disabled          |  J6   |  Pins 2 & 3  |
          |   |                                 |       |    closed    |
          |---+---------------------------------+-------+--------------|
          | » | External floppy enabled         |  J12  |  Pins 1 & 2  |
          |   |                                 |       |    closed    |
          |---+---------------------------------+-------+--------------|
          |   | External floppy disabled        |  J12  |  Pins 2 & 3  |
          |   |                                 |       |    closed    |
          |---+---------------------------------+-------+--------------|
          | » | ECP enabled                     |  J13  |  Pins 1 & 2  |
          |   |                                 |       |    closed    |
          |---+---------------------------------+-------+--------------|
          |   | ECP disabled                    |  J13  |  Pins 2 & 3  |
          |   |                                 |       |    closed    |
          |---+---------------------------------+-------+--------------|
          | » | Factory configured - do not     |  J14  |  Pins 1 & 2  |
          |   | alter                           |       |    closed    |
          |---+---------------------------------+-------+--------------|
          | » | Factory configured - do not     |  J17  | Unidentified |
          |   | alter                           |       |              |
          |---+---------------------------------+-------+--------------|
          | » | IOCHRDY signal enabled          |  JP3  |    Closed    |
          |---+---------------------------------+-------+--------------|
          |   | IOCHRDY signal disabled         |  JP3  |     Open     |
          |---+---------------------------------+-------+--------------|
          | » | IDE channels use same IDE LED   |  JP5  |    Closed    |
          |---+---------------------------------+-------+--------------|
          |   | IDE channels use separate IDE   |  JP5  |     Open     |
          |   | LEDs                            |       |              |
          +------------------------------------------------------------+
       
          +------------------------------------------------------------+
          |              PARALLEL PORT ADDRESS SELECTION               |
          |------------------------------------------------------------|
          |           Setting           |              J4              |
          |-----------------------------+------------------------------|
          | » |       LPT1 (378h)       |      Pins 1 & 2 closed       |
          |---+-------------------------+------------------------------|
          |   |       LPT2 (278h)       |      Pins 2 & 3 closed       |
          +------------------------------------------------------------+
       
          +------------------------------------------------------------+
          |               SERIAL PORT ADDRESS SELECTION                |
          |------------------------------------------------------------|
          |   Setting   |    J7     |    J8     |    J9     |   J10    |
          |-------------+-----------+-----------+-----------+----------|
          | COM1 (3F8h) | Pins 1 &  | Pins 1 &  |    N/A    |   N/A    |
          |             | 2 closed  | 2 closed  |           |          |
          |-------------+-----------+-----------+-----------+----------|
          | COM2 (2F8h) |    N/A    |    N/A    | Pins 1 &  | Pins 1 & |
          |             |           |           | 2 closed  | 2 closed |
          |-------------+-----------+-----------+-----------+----------|
          | COM3 (3E8h) | Pins 1 &  | Pins 2 &  |    N/A    |   N/A    |
          |             | 2 closed  | 3 closed  |           |          |
          |-------------+-----------+-----------+-----------+----------|
          | COM4 (2E8h) |    N/A    |    N/A    | Pins 1 &  | Pins 2 & |
          |             |           |           | 2 closed  | 3 closed |
          |-------------+-----------+-----------+-----------+----------|
          |  Disabled   | Pins 2 &  |    N/A    | Pins 2 &  |   N/A    |
          |             | 3 closed  |           | 3 closed  |          |
          +------------------------------------------------------------+
       
          +------------------------------------------------------------+
          |                    INTERRUPT SELECTION                     |
          |------------------------------------------------------------|
          |   IRQ (Send)    |   IRQ (Receive)    |         JP4         |
          |-----------------+--------------------+---------------------|
          |        3        |         3          | Pins 11 & 12 closed |
          |-----------------+--------------------+---------------------|
          |        3        |         4          | Pins 10 & 11 closed |
          |-----------------+--------------------+---------------------|
          |        4        |         3          |  Pins 8 & 9 closed  |
          |-----------------+--------------------+---------------------|
          |        4        |         4          |  Pins 7 & 8 closed  |
          |-----------------+--------------------+---------------------|
          |        5        |         3          |  Pins 5 & 6 closed  |
          |-----------------+--------------------+---------------------|
          |        5        |         4          |  Pins 4 & 5 closed  |
          |-----------------+--------------------+---------------------|
          |        9        |         3          |  Pins 2 & 3 closed  |
          |-----------------+--------------------+---------------------|
          |        9        |         4          |  Pins 1 & 2 closed  |
          +------------------------------------------------------------+
       
          +------------------------------------------------------------+
          |                PARALLEL PORT MODE SELECTION                |
          |------------------------------------------------------------|
          |     Setting      |         J2         |        J11         |
          |------------------+--------------------+--------------------|
          | » |     SPP      | Pins 2 & 3 closed  | Pins 1 & 2 closed  |
          |---+--------------+--------------------+--------------------|
          |   |     ECP      | Pins 1 & 2 closed  | Pins 1 & 2 closed  |
          |---+--------------+--------------------+--------------------|
          |   |     EPP      | Pins 1 & 2 closed  | Pins 2 & 3 closed  |
          +------------------------------------------------------------+
       
          +------------------------------------------------------------+
          |                     DACK/DRQ SELECTION                     |
          |------------------------------------------------------------|
          |   Setting   | DACK | DRQ |      J15       |      J16       |
          |-------------+------+-----+----------------+----------------|
          | » |   SPP   | N/A  | N/A |   Pins 5 & 6   |   Pins 1 & 2   |
          |   |         |      |     |     closed     |     closed     |
          |---+---------+------+-----+----------------+----------------|
          |   | ECP/EPP |  3   |  1  |   Pins 1 & 2   |   Pins 3 & 4   |
          |   |         |      |     |     closed     |     closed     |
          |---+---------+------+-----+----------------+----------------|
          |   | ECP/EPP |  3   |  3  |   Pins 3 & 4   |   Pins 5 & 6   |
          |   |         |      |     |     closed     |     closed     |
          +------------------------------------------------------------+