(TXT) View Source
       
       # NCL AMERICA
       
          NCL 540, NCL 541
       
          +------------------------------------------------------------+
          +------------------------------------------------------------+
       
          Data bus: 8-bit, ISA
       
          Size: Half-length, full-height card
       
          Hard drives supported:  Up to seven SCSI devices
       
          Floppy drives supported: NCL 540: Two 360KB, 720KB, 1.2MB, or
       
       
          NCL 541: None
       
          Maximum heads/cyl.: 16 heads and 2048 cylinders
       
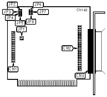
 (IMG) IMG 1
          
       
          +------------------------------------------------------------+
          |                        CONNECTIONS                         |
          |------------------------------------------------------------|
          |                    Function                     | Location |
          |-------------------------------------------------+----------|
          | 34-pin data cable connector-floppy drive (NCL   |   CN1    |
          | 540 only)                                       |          |
          |-------------------------------------------------+----------|
          | 50-pin SCSI connector-internal                  |   CN2    |
          |-------------------------------------------------+----------|
          | 25-pin SCSI connector-external                  |   CN3    |
          +------------------------------------------------------------+
       
          +------------------------------------------------------------+
          |                 USER CONFIGURABLE SETTINGS                 |
          |------------------------------------------------------------|
          |              Function              | Location |  Setting   |
          |------------------------------------+----------+------------|
          | » | Floppy drive port address is   |   JP1    | pins 1 & 2 |
          |   | 3F2-3F7h (540 only)            |          |   closed   |
          |---+--------------------------------+----------+------------|
          |   | Floppy drive port address is   |   JP1    | pins 1 & 2 |
          |   | 372-377h (540 only)            |          |    open    |
          |---+--------------------------------+----------+------------|
          | » | Factory configured - do not    |   JP1    | pins 3 & 4 |
          |   | alter                          |          |   closed   |
          |---+--------------------------------+----------+------------|
          | » | Zero wait state disabled       |   JP5    |    open    |
          |---+--------------------------------+----------+------------|
          |   | Zero wait state enabled        |   JP5    |   closed   |
          +------------------------------------------------------------+
       
          +------------------------------------------------------------+
          |                     INTERRUPT REQUEST                      |
          |------------------------------------------------------------|
          | IRQ          |  Jumper JP2   |  Jumper JP3  |  Jumper JP4  |
          |--------------+---------------+--------------+--------------|
          | » |  IRQ 2   |     open      |     open     |    closed    |
          |---+----------+---------------+--------------+--------------|
          |   |   IRQ5   |     open      |    closed    |     open     |
          |---+----------+---------------+--------------+--------------|
          |   |   IRQ7   |    closed     |     open     |     open     |
          +------------------------------------------------------------+
       
          +------------------------------------------------------------+
          |                        BIOS ADDRESS                        |
          |------------------------------------------------------------|
          |   Address    |  Jumper JP6   |  Jumper JP7  |  Jumper JP8  |
          |--------------+---------------+--------------+--------------|
          | » |  C800h   |     open      |     open     |    closed    |
          |---+----------+---------------+--------------+--------------|
          |   |  CC00h   |    closed     |     open     |    closed    |
          |---+----------+---------------+--------------+--------------|
          |   |  D800h   |     open      |     open     |     open     |
          |---+----------+---------------+--------------+--------------|
          |   |  DC00h   |    closed     |     open     |     open     |
          |---+----------+---------------+--------------+--------------|
          |   |  E000h   |     open      |    closed    |     open     |
          |---+----------+---------------+--------------+--------------|
          |   |  E400h   |    closed     |    closed    |     open     |
          |---+----------+---------------+--------------+--------------|
          |   |  D000h   |     open      |    closed    |    closed    |
          |---+----------+---------------+--------------+--------------|
          |   |  D400h   |    closed     |    closed    |    closed    |
          +------------------------------------------------------------+