(TXT) View Source
       
       # JUKO LABORATORIES, LTD.
       
          D16-X
       
          +------------------------------------------------------------+
          |                          Q1 /93                            |
          +------------------------------------------------------------+
       
          Data bus: 8-bit, ISA
       
          Size: Half-length, full-height card
       
          Hard drives supported:  One IDE (AT/XT) Interface drive
       
          Floppy drives supported: None
       
 (IMG) IMG 1
          
       
          +------------------------------------------------------------+
          |                        CONNECTIONS                         |
          |------------------------------------------------------------|
          |                 Function                 |    Location     |
          |------------------------------------------+-----------------|
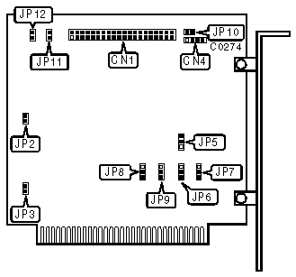
          | 40-pin IDE (AT/XT) Interface connector   |       CN1       |
          |------------------------------------------+-----------------|
          | 4-pin connector-drive active LED         |       CN4       |
          +------------------------------------------------------------+
       
          +------------------------------------------------------------+
          |                 USER CONFIGURABLE SETTINGS                 |
          |------------------------------------------------------------|
          |              Function              | Location |  Setting   |
          |------------------------------------+----------+------------|
          | » | IDE (AT) Interface drive       |   JP2    |    open    |
          |   | supported                      |          |            |
          |---+--------------------------------+----------+------------|
          |   | IDE (XT) Interface drive       |   JP2    |   closed   |
          |   | supported                      |          |            |
          |---+--------------------------------+----------+------------|
          | » | Hard drive controller enabled  |   JP3    |   closed   |
          |---+--------------------------------+----------+------------|
          |   | Hard drive controller disabled |   JP3    |    open    |
          |---+--------------------------------+----------+------------|
          | » | ALE/Control signal timing      |   JP5    | pins 1 & 2 |
          |   | option 1                       |          |   closed   |
          |---+--------------------------------+----------+------------|
          |   | ALE/Control signal timing      |   JP5    | pins 2 & 3 |
          |   | option 2                       |          |   closed   |
          |---+--------------------------------+----------+------------|
          | » | PDIAG (Pass Diagnostics)       |   JP10   |    open    |
          |   | deselected                     |          |            |
          |---+--------------------------------+----------+------------|
          |   | PDIAG (Pass Diagnostics)       |   JP10   |   closed   |
          |   | selected                       |          |            |
          |---+--------------------------------+----------+------------|
          | » | ALE (Address Latch Enable)     |   JP11   |    open    |
          |   | deselected                     |          |            |
          |---+--------------------------------+----------+------------|
          |   | ALE (Address Latch Enable)     |   JP11   |   closed   |
          |   | selected                       |          |            |
          |---+--------------------------------+----------+------------|
          | » | AEN (Address Enable)           |   JP12   |    open    |
          |   | deselected                     |          |            |
          |---+--------------------------------+----------+------------|
          |   | AEN (Address Enable) selected  |   JP12   |   closed   |
          +------------------------------------------------------------+
       
          +------------------------------------------------------------+
          |                        BIOS ADDRESS                        |
          |------------------------------------------------------------|
          |     Address      |        JP6         |        JP7         |
          |------------------+--------------------+--------------------|
          | » | C800h        | pins 2 & 3 closed  | pins 2 & 3 closed  |
          |---+--------------+--------------------+--------------------|
          |   | CA00h        | pins 1 & 2 closed  | pins 2 & 3 closed  |
          |---+--------------+--------------------+--------------------|
          |   | CC00h        | pins 2 & 3 closed  | pins 1 & 2 closed  |
          |---+--------------+--------------------+--------------------|
          |   | CE00h        | pins 1 & 2 closed  | pins 1 & 2 closed  |
          +------------------------------------------------------------+
       
          +------------------------------------------------------------+
          |             BIOS EPROM CONFIGURATION SETTINGS              |
          |------------------------------------------------------------|
          |  Chip and Memory Bank  |       JP8       |       JP9       |
          |------------------------+-----------------+-----------------|
          |   | 2764               |   pins 2 & 3    |   pins 1 & 2    |
          |   |                    |     closed      |     closed      |
          |---+--------------------+-----------------+-----------------|
          | » | 27256 - 0000-1FFFh |   pins 2 & 3    |   pins 2 & 3    |
          |   |                    |     closed      |     closed      |
          |---+--------------------+-----------------+-----------------|
          |   | 27256 - 2000-3FFFh |   pins 1 & 2    |   pins 2 & 3    |
          |   |                    |     closed      |     closed      |
          |---+--------------------+-----------------+-----------------|
          |   | 27256 - 4000-5FFFh |   pins 2 & 3    |   pins 1 & 2    |
          |   |                    |     closed      |     closed      |
          |---+--------------------+-----------------+-----------------|
          |   | 27256 - 6000-7FFFh |   pins 1 & 2    |   pins 1 & 2    |
          |   |                    |     closed      |     closed      |
          +------------------------------------------------------------+
       
          +------------------------------------------------------------+
          |                      DRIVE TYPE TABLE                      |
          |------------------------------------------------------------|
          | #  | Heads  | Cyli |Capacity|  #  |Heads |Cylinder|Capacity|
          |----+--------+------+--------+-----+------+--------+--------|
          | 1  |   4    | 306  |   10   | 24  |  5   |  977   |   40   |
          |----+--------+------+--------+-----+------+--------+--------|
          | 2  |   4    | 615  |   20   | 25  |  9   |  1024  |   76   |
          |----+--------+------+--------+-----+------+--------+--------|
          | 3  |   6    | 615  |   30   | 26  |  7   |  1224  |   71   |
          |----+--------+------+--------+-----+------+--------+--------|
          | 4  |   8    | 940  |   62   | 27  |  11  |  1224  |  111   |
          |----+--------+------+--------+-----+------+--------+--------|
          | 5  |   6    | 940  |   46   | 28  |  15  |  1224  |  152   |
          |----+--------+------+--------+-----+------+--------+--------|
          | 6  |   4    | 615  |   20   | 29  |  8   |  1024  |   68   |
          |----+--------+------+--------+-----+------+--------+--------|
          | 7  |   8    | 462  |   30   | 30  |  11  |  1024  |   93   |
          |----+--------+------+--------+-----+------+--------+--------|
          | 8  |   5    | 733  |   30   | 31  |  11  |  918   |   83   |
          |----+--------+------+--------+-----+------+--------+--------|
          | 9  |   15   | 900  |  112   | 32  |  9   |  925   |   69   |
          |----+--------+------+--------+-----+------+--------+--------|
          | 10 |   3    | 820  |   20   | 33  |  10  |  1024  |   85   |
          |----+--------+------+--------+-----+------+--------+--------|
          | 11 |   5    | 855  |   35   | 34  |  12  |  1024  |  102   |
          |----+--------+------+--------+-----+------+--------+--------|
          | 12 |   7    | 855  |   49   | 35  |  13  |  1024  |  110   |
          |----+--------+------+--------+-----+------+--------+--------|
          | 13 |   8    | 306  |   20   | 36  |  14  |  1024  |  119   |
          |----+--------+------+--------+-----+------+--------+--------|
          | 14 |   7    | 733  |   42   | 37  |  2   |  1024  |   17   |
          |----+--------+------+--------+-----+------+-----------------|
          | 15 |Reserved|  38  |   16   |1024 | 136  |                 |
          |----+--------+------+--------+-----+------+-----------------|
          | 16 |   4    | 612  |   20   | 39  |  15  |  918   |  114   |
          |----+--------+------+--------+-----+------+--------+--------|
          | 17 |   5    | 977  |   40   | 40  |  6   |  820   |   40   |
          |----+--------+------+--------+-----+------+--------+--------|
          | 18 |   7    | 977  |   56   | 41  |  5   |  1024  |   42   |
          |----+--------+------+--------+-----+------+--------+--------|
          | 19 |   7    | 1024 |   59   | 42  |  5   |  981   |   40   |
          |----+--------+------+--------+-----+------+--------+--------|
          | 20 |   5    | 733  |   30   | 43  |  10  |  981   |   81   |
          |----+--------+------+--------+-----+------+--------+--------|
          | 21 |   7    | 733  |   42   | 44  |  8   |  615   |   40   |
          |----+--------+------+--------+-----+------+--------+--------|
          | 22 |   5    | 733  |   30   | 45  |  10  |  963   |   80   |
          |----+--------+------+--------+-----+------+--------+--------|
          | 23 |   4    | 306  |   10   | 46  |  16  |  753   |  100   |
          +------------------------------------------------------------+