(TXT) View Source
       
       # ADAPTEC, INC.
       
          ACB-2072
       
          +------------------------------------------------------------+
          |------------------------------------------------------------|
          | Data bus:                | 8-bit, ISA                      |
          |--------------------------+---------------------------------|
          | Size:                    | Half-length, full-height card   |
          |--------------------------+---------------------------------|
          | Hard drives supported:   | Two RLL ST506 drives            |
          |--------------------------+---------------------------------|
          | Floppy drives supported: | None                            |
          +------------------------------------------------------------+
       
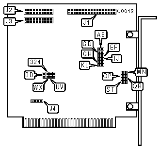
 (IMG) IMG 1
          
       
          +------------------------------------------------------------+
          |                        CONNECTIONS                         |
          |------------------------------------------------------------|
          |                 Function                  |    Location    |
          |-------------------------------------------+----------------|
          | 34-pin control cable connector-hard drive |       J1       |
          |-------------------------------------------+----------------|
          | 20-pin data cable connector-drive 0       |       J2       |
          |-------------------------------------------+----------------|
          | 20-pin data cable connector-drive 1       |       J3       |
          |-------------------------------------------+----------------|
          | 4-pin connector-DC power                  |       J4       |
          +------------------------------------------------------------+
       
          +------------------------------------------------------------+
          |                 USER CONFIGURABLE SETTINGS                 |
          |------------------------------------------------------------|
          |               Function                | Location | Setting |
          |---------------------------------------+----------+---------|
          | » | BIOS enabled                      |    BD    |  open   |
          |---+-----------------------------------+----------+---------|
          |   | BIOS disabled                     |    BD    | closed  |
          |---+-----------------------------------+----------+---------|
          | » | I/O port address is 320h          |   324    |  open   |
          |---+-----------------------------------+----------+---------|
          |   | I/O port address is 324h          |   324    | closed  |
          |---+-----------------------------------+----------+---------|
          | » | Drive 0 is defined with Jumpers   |    AB    |  open   |
          |   | MN & OP                           |          |         |
          |---+-----------------------------------+----------+---------|
          |   | Drive 0 is a Syquest drive        |    AB    | closed  |
          |---+-----------------------------------+----------+---------|
          | » | Drive 1 is defined with Jumpers   |    CD    |  open   |
          |   | QR & ST                           |          |         |
          |---+-----------------------------------+----------+---------|
          |   | Drive 1 is a Syquest drive        |    CD    | closed  |
          |---+-----------------------------------+----------+---------|
          | » | Factory configured - do not alter |    EF    |  open   |
          |---+-----------------------------------+----------+---------|
          | » | Factory configured - do not alter |    GH    |  open   |
          |---+-----------------------------------+----------+---------|
          | » | Factory configured - do not alter |    IJ    |  open   |
          |---+-----------------------------------+----------+---------|
          | » | Normal Operation                  |    KL    |  open   |
          |---+-----------------------------------+----------+---------|
          |   | Self-diagnostics enabled          |    KL    | closed  |
          +------------------------------------------------------------+
       
          +------------------------------------------------------------+
          |                        BIOS ADDRESS                        |
          |------------------------------------------------------------|
          |       Select       |     Jumper WX     |     Jumper UV     |
          |--------------------+-------------------+-------------------|
          | » |     C800h      |       open        |       open        |
          |---+----------------+-------------------+-------------------|
          |   |     CA00h      |       open        |      closed       |
          |---+----------------+-------------------+-------------------|
          |   |     F800h      |      closed       |       open        |
          |---+----------------+-------------------+-------------------|
          |   |     CC00h      |      closed       |      closed       |
          +------------------------------------------------------------+
       
          +------------------------------------------------------------+
          |                   BIOS DRIVE TYPE TABLE                    |
          |------------------------------------------------------------|
          | Table | Hds | Cyls | RLL Cap. |   Jumper MN   | Jumper OP- |
          |   #   |     |      |          |    Drive 0    |  Drive 0   |
          |       |     |      |          |               |            |
          |       |     |      |          |  Jumper QR-   | Jumper ST- |
          |       |     |      |          |    Drive 1    |  Drive 1   |
          |-------+-----+------+----------+---------------+------------|
          |  0    |  4  | 612  |  32.74MB |    closed     |   closed   |
          |-------+-----+------+----------+---------------+------------|
          |  1    |  2  | 612  |  16.29MB |    closed     |    open    |
          |-------+-----+------+----------+---------------+------------|
          |  2    |  5  | 981  |  65.29MB |     open      |   closed   |
          |-------+-----+------+----------+---------------+------------|
          |  3    |  4  | 615  |  32.58MB |     open      |    open    |
          +------------------------------------------------------------+